TRT - Вдоль р.Киржач. Для стандартных 4х4 (08.11.25) Форум Обсуждение FAQ
Эпопея с 4WD. Помогите решить
Модераторы: SNOOPER, Nbf, Romik, BAlex, drcham, алексей - Маленький Мук
-
- Сообщения: 35
- Зарегистрирован: 17 ноя 2019, 17:22
- Двигатель:: 6G72
- Мой автомобиль(и):: Mitsubishi Padjero 2
- Откуда: пгт. Селенгинск
Эпопея с 4WD. Помогите решить
Началось все в размены раздаточной коробки.
На старой коробке были оторванный все провода от датчиков. И концов тоже не было.
При покупке Коробки были также частично датчики.
Вся коса была перебрана и восстановлена. Но одно, НО. По схеме на Супер селект была сделана распиновка.
На панели понятно что индикация была мертвая. После установки и подключения.
В режиме 2WD- индикации вообще нет.
В режиме 4WD- индикации нет, Машина начинает ехать не в полную силу. Как будто 60 осталось на заду, а 40 на перед так и не ушло.
В режиме 4WDH- индикация появлялась перед и зад. ДИФ молчал. Машина работала нормально.
в режиме 4WDHL- индикация полная и подключался диф.
В принципе я подумал что остальное не работает из-за ABC, так как прочитал что это зависит.
Дальше все пошло не так. В один день у меня просто перестал выключатся дифференциал переднего моста. Дико бесило. Почитав инфу были приговорены пневмо клапана. Заказаны и поменяны. И после установки происходит не понятно что. Перегорает предохранитель которые отвечает на пневмоподвески, как я понял и за 4WD тоже.
Восстанавливаем пред и просто все перестает работать. Индикация появляется только при режиме 4WDH. И то только 2 задних колеса. И не перед и тем более дифференциал не работает.
Грешил на датчик в переднем мосту. Проверив его, на первый взгляд он нормальный. И пока трогать его не хотел.
Индикация иногда появляется при переключении из режима 4WD на 4WDH и то на 1 секунду и пропадает.
Еще есть один интересный факт. Если отключить фишку которая находится под магнитолой которая идет на датчики, при заглушенной машине.
ТО машина отказывается заводится. Втыкаем все на место. Заводим и откидываем фишку. То машина преображается. не знаю как дифференциал, но перед подрубается как режиме 4WD так и 4WDH.
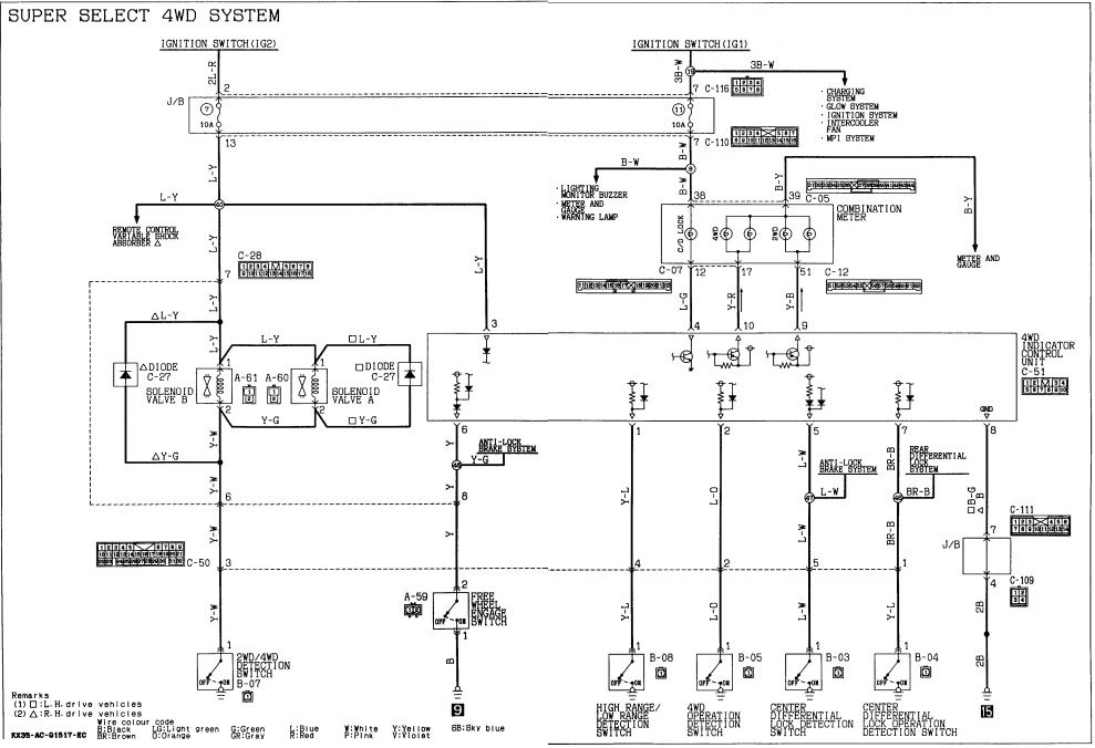
Подскажите что делать???? Куда посмотреть. Схему по которой собирал фишку прилагаю
На старой коробке были оторванный все провода от датчиков. И концов тоже не было.
При покупке Коробки были также частично датчики.
Вся коса была перебрана и восстановлена. Но одно, НО. По схеме на Супер селект была сделана распиновка.
На панели понятно что индикация была мертвая. После установки и подключения.
В режиме 2WD- индикации вообще нет.
В режиме 4WD- индикации нет, Машина начинает ехать не в полную силу. Как будто 60 осталось на заду, а 40 на перед так и не ушло.
В режиме 4WDH- индикация появлялась перед и зад. ДИФ молчал. Машина работала нормально.
в режиме 4WDHL- индикация полная и подключался диф.
В принципе я подумал что остальное не работает из-за ABC, так как прочитал что это зависит.
Дальше все пошло не так. В один день у меня просто перестал выключатся дифференциал переднего моста. Дико бесило. Почитав инфу были приговорены пневмо клапана. Заказаны и поменяны. И после установки происходит не понятно что. Перегорает предохранитель которые отвечает на пневмоподвески, как я понял и за 4WD тоже.
Восстанавливаем пред и просто все перестает работать. Индикация появляется только при режиме 4WDH. И то только 2 задних колеса. И не перед и тем более дифференциал не работает.
Грешил на датчик в переднем мосту. Проверив его, на первый взгляд он нормальный. И пока трогать его не хотел.
Индикация иногда появляется при переключении из режима 4WD на 4WDH и то на 1 секунду и пропадает.
Еще есть один интересный факт. Если отключить фишку которая находится под магнитолой которая идет на датчики, при заглушенной машине.
ТО машина отказывается заводится. Втыкаем все на место. Заводим и откидываем фишку. То машина преображается. не знаю как дифференциал, но перед подрубается как режиме 4WD так и 4WDH.
Подскажите что делать???? Куда посмотреть. Схему по которой собирал фишку прилагаю
- SNOOPER
- Модератор
- Сообщения: 56885
- Зарегистрирован: 11 дек 2004, 19:49
- Двигатель:: 4D56
- Мой автомобиль(и):: NewMPS
- Откуда: 78
- Откуда: Spb
- Благодарил (а): 1005 раз
- Поблагодарили: 4663 раза
Эпопея с 4WD. Помогите решить
Должно быть.
На:
2Н замкнут датчик H/L detect + 2/4 вд
4Н замкнут датчик H/L detect + 4Н operation detect
4HLc замкнут датчик H/L detect + 4Н operation detect + center lock detect
4LLc замкнут датчик H/L detect + 4Н operation detect + center lock detect + пониженной (при акпп)
Номера по фотке:
2Н замкнут 2;4;5
4Н замкнут 3;5
4HLc замкнут 1;3;5
Датчики 1 и 2 разные если 1 замкнут при нажатии, то 2 в свободном состоянии.
Вроде как то так.)
На:
2Н замкнут датчик H/L detect + 2/4 вд
4Н замкнут датчик H/L detect + 4Н operation detect
4HLc замкнут датчик H/L detect + 4Н operation detect + center lock detect
4LLc замкнут датчик H/L detect + 4Н operation detect + center lock detect + пониженной (при акпп)
Номера по фотке:
2Н замкнут 2;4;5
4Н замкнут 3;5
4HLc замкнут 1;3;5
Датчики 1 и 2 разные если 1 замкнут при нажатии, то 2 в свободном состоянии.
Вроде как то так.)
-
- Сообщения: 35
- Зарегистрирован: 17 ноя 2019, 17:22
- Двигатель:: 6G72
- Мой автомобиль(и):: Mitsubishi Padjero 2
- Откуда: пгт. Селенгинск
Эпопея с 4WD. Помогите решить
Получается если смотреть на схеме фишку С-51. То контакты должны быть замкнуты на "массу"
2Н- 6,2,1
4Н- 5,1
4HLC - 7,5,1.
Если проверять в салоне.. Все правильно понял???
2Н- 6,2,1
4Н- 5,1
4HLC - 7,5,1.
Если проверять в салоне.. Все правильно понял???
-
- Сообщения: 35
- Зарегистрирован: 17 ноя 2019, 17:22
- Двигатель:: 6G72
- Мой автомобиль(и):: Mitsubishi Padjero 2
- Откуда: пгт. Селенгинск
Эпопея с 4WD. Помогите решить
Не было времени добраться не гаража.
Сегодня прозвонил цепи на этой фишке.
Как я понял из мануала все пины нужно замыкать на 8 пин.
Прозванивая фишку у меня не разу не вышла бортовая цепь 12В.
Я только на 2 пину раз увидел 11.8В и то в положении рычага 4HLc.
Еще заметил что 8 пин и кузов автомобиля в режиме прозвонки не замыкаются.
Куда дальше двигаться подскажите?
Сегодня прозвонил цепи на этой фишке.
Как я понял из мануала все пины нужно замыкать на 8 пин.
Прозванивая фишку у меня не разу не вышла бортовая цепь 12В.
Я только на 2 пину раз увидел 11.8В и то в положении рычага 4HLc.
Еще заметил что 8 пин и кузов автомобиля в режиме прозвонки не замыкаются.
Куда дальше двигаться подскажите?
- SNOOPER
- Модератор
- Сообщения: 56885
- Зарегистрирован: 11 дек 2004, 19:49
- Двигатель:: 4D56
- Мой автомобиль(и):: NewMPS
- Откуда: 78
- Откуда: Spb
- Благодарил (а): 1005 раз
- Поблагодарили: 4663 раза
Эпопея с 4WD. Помогите решить
На 3 пине должен быть постоянный + при зажигании.
8-й масса.
Нумерация пинов со стороны проводов.
8-й масса.
Нумерация пинов со стороны проводов.
-
- Сообщения: 35
- Зарегистрирован: 17 ноя 2019, 17:22
- Двигатель:: 6G72
- Мой автомобиль(и):: Mitsubishi Padjero 2
- Откуда: пгт. Селенгинск
Эпопея с 4WD. Помогите решить
Получается так пины со стороны фишки. Или в обратном порядке..
Если нету постоянного + на 3 пине. И 8 пин не реагирует на замыкание на кузов??
Где искать обрыв? В замке зажигания????
Если нету постоянного + на 3 пине. И 8 пин не реагирует на замыкание на кузов??
Где искать обрыв? В замке зажигания????
-
- Модератор
- Сообщения: 20278
- Зарегистрирован: 11 дек 2008, 16:10
- Откуда: москва м Академическая
- Благодарил (а): 101 раз
- Поблагодарили: 1322 раза
Эпопея с 4WD. Помогите решить
фишку нуна перевернуть и смотреть со стороны проводов . или считать справа на лево
Всем добра.......
-
- Модератор
- Сообщения: 20278
- Зарегистрирован: 11 дек 2008, 16:10
- Откуда: москва м Академическая
- Благодарил (а): 101 раз
- Поблагодарили: 1322 раза
Эпопея с 4WD. Помогите решить
Да так. если вам так удобней, но правильно смотреть и считать со стороны проводов. И делать так нужно даж по тому что размер контактов четко калиброван и засунув туда щуп тестера вы можете его нарушить и он ослабнет 

Всем добра.......
-
- Сообщения: 35
- Зарегистрирован: 17 ноя 2019, 17:22
- Двигатель:: 6G72
- Мой автомобиль(и):: Mitsubishi Padjero 2
- Откуда: пгт. Селенгинск
Эпопея с 4WD. Помогите решить
Я аккуратно через иголки)))))алексей - Маленький Мук писал(а): ↑ Да так. если вам так удобней, но правильно смотреть и считать со стороны проводов. И делать так нужно даж по тому что размер контактов четко калиброван и засунув туда щуп тестера вы можете его нарушить и он ослабнет




Прозвонил я фишку как написанно.
8 Контакт у меня стал замыкатся на кузов.
3 контакт полностью откликается на как нужно 11.83В
Остальные контакты не какой реакции не показали. Не в каком положении рычага.
на 6 пине в режиме 4WD на приборе было 0.01В
на 5 пине в режиме 4HLc напряжение было 0.09B
Куда теперь лезьть





Уже прямо под бешивает))) Но надо разобраться.
Хочу попробовать прозвонить отключив фишку с датчиков в раздатке. Но это наверное получится только во вторник. Т.К. началась работа.
Может у кого есть мысли?*? Что еще проверить и прозвонить
- SNOOPER
- Модератор
- Сообщения: 56885
- Зарегистрирован: 11 дек 2004, 19:49
- Двигатель:: 4D56
- Мой автомобиль(и):: NewMPS
- Откуда: 78
- Откуда: Spb
- Благодарил (а): 1005 раз
- Поблагодарили: 4663 раза
Эпопея с 4WD. Помогите решить
Если нет замыкания на массу проводов что на датчики, то скорее в блоке беда.
-
- Сообщения: 35
- Зарегистрирован: 17 ноя 2019, 17:22
- Двигатель:: 6G72
- Мой автомобиль(и):: Mitsubishi Padjero 2
- Откуда: пгт. Селенгинск
Эпопея с 4WD. Помогите решить
нет, а как блок если я просто фишку прозваниваю.
От блока то я ее отключаю.
Надо с подключенным блоком.
От блока то я ее отключаю.
Надо с подключенным блоком.
- SNOOPER
- Модератор
- Сообщения: 56885
- Зарегистрирован: 11 дек 2004, 19:49
- Двигатель:: 4D56
- Мой автомобиль(и):: NewMPS
- Откуда: 78
- Откуда: Spb
- Благодарил (а): 1005 раз
- Поблагодарили: 4663 раза