Не могу найти разьем с лямбда зонда.
Модераторы: SNOOPER, Nbf, Romik, BAlex, drcham, алексей - Маленький Мук
-
Biotronics
- Сообщения: 10
- Зарегистрирован: 04 июл 2012, 12:36
- Двигатель:: 6G72
- Мой автомобиль(и):: Pajero 2
- Откуда: Усть-Каменогорск
- Благодарил (а): 1 раз
Не могу найти разьем с лямбда зонда.
Паджеро 2 5-дверка 1996 6G72. 3 литра бензин.
Господа помогите! Всю голову сломал. Лямбда стоит. Жгут от нее уходит вверх в кузов. Снял кожух с АКПП. Вижу что уходит дальше к моторному отсеку. Под капотом излазил все! Не могу найти конец. Лямбда похоже подсоединена, так как при включении зажигания она нагревается.
Господа помогите! Всю голову сломал. Лямбда стоит. Жгут от нее уходит вверх в кузов. Снял кожух с АКПП. Вижу что уходит дальше к моторному отсеку. Под капотом излазил все! Не могу найти конец. Лямбда похоже подсоединена, так как при включении зажигания она нагревается.
-
Biotronics
- Сообщения: 10
- Зарегистрирован: 04 июл 2012, 12:36
- Двигатель:: 6G72
- Мой автомобиль(и):: Pajero 2
- Откуда: Усть-Каменогорск
- Благодарил (а): 1 раз
Не могу найти разьем с лямбда зонда.
И подскажите пожалуйста что это за штуковина? Где должна стоять? Просто болтается внизу под капотом )))
- dvm99
- Сообщения: 22446
- Зарегистрирован: 21 май 2012, 20:59
- Двигатель:: 6G72, 12клап.,
- Мой автомобиль(и):: Pajero2, Запорожец- Ланос
- Откуда: Свердловская обл.
- Благодарил (а): 744 раза
- Поблагодарили: 1088 раз
Не могу найти разьем с лямбда зонда.
Мотор 12-клапанный?Biotronics писал(а): ↑ Паджеро 2 5-дверка 1996 6G72. 3 литра бензин.
Какой из разъёмов интересует?
Вообще, непонятна суть вопроса...
Если разъём самого зонда, то провод от него довольно короткий- около 20-30 См, закреплён где-то на поперечине рамы.
Это привод родного регулируемого амортизатора. Он должен стоять сверху на торце штока амортизатора.Biotronics писал(а): ↑ И подскажите пожалуйста что это за штуковина? Где должна стоять? Просто болтается внизу под капотом )))
Похожее стоят неродные амо, и этот привод прикрепить не к чему. Обычно так...
Дмитрий
Боливар2 - П2, 92г., V43, 6G72(12V), V4AW2, RD/L, пруль (чистокровный японский рысак)
Боливар1 - П2, 93г., 6G72(12V), МКПП, V43, RD/L, Европа (славный был конь, но уже донор)
Боливар2 - П2, 92г., V43, 6G72(12V), V4AW2, RD/L, пруль (чистокровный японский рысак)
Боливар1 - П2, 93г., 6G72(12V), МКПП, V43, RD/L, Европа (славный был конь, но уже донор)
-
алексей - Маленький Мук
- Модератор
- Сообщения: 20380
- Зарегистрирован: 11 дек 2008, 16:10
- Откуда: москва м Академическая
- Благодарил (а): 101 раз
- Поблагодарили: 1340 раз
Не могу найти разьем с лямбда зонда.
Ну у лямбды не такой и длинный провод
как правило крепится сбоку коробки( в верху)
Всем добра.......
-
мах578
- Сообщения: 2015
- Зарегистрирован: 23 янв 2015, 02:07
- Двигатель:: бензин 6G74
- Мой автомобиль(и):: gw deer3, pajero2 3,5 SOHC 1998г.рест.
- Откуда: пермь
- Благодарил (а): 43 раза
- Поблагодарили: 74 раза
Не могу найти разьем с лямбда зонда.
чуть дополню, это сам мотор амморта. их должно быть 4-ре шт. по к-ву аммов.Biotronics писал(а): ↑ И подскажите пожалуйста что это за штуковина? Где должна стоять? Просто болтается внизу под капотом )))
- dvm99
- Сообщения: 22446
- Зарегистрирован: 21 май 2012, 20:59
- Двигатель:: 6G72, 12клап.,
- Мой автомобиль(и):: Pajero2, Запорожец- Ланос
- Откуда: Свердловская обл.
- Благодарил (а): 744 раза
- Поблагодарили: 1088 раз
Не могу найти разьем с лямбда зонда.
Но на поперечину рамы...алексей - Маленький Мук писал(а): ↑ как правило крепится сбоку коробки( в верху)
Лёх, я так понимаю, ТС интересует, работает ЛЗ или нет.
Дмитрий
Боливар2 - П2, 92г., V43, 6G72(12V), V4AW2, RD/L, пруль (чистокровный японский рысак)
Боливар1 - П2, 93г., 6G72(12V), МКПП, V43, RD/L, Европа (славный был конь, но уже донор)
Боливар2 - П2, 92г., V43, 6G72(12V), V4AW2, RD/L, пруль (чистокровный японский рысак)
Боливар1 - П2, 93г., 6G72(12V), МКПП, V43, RD/L, Европа (славный был конь, но уже донор)
-
Biotronics
- Сообщения: 10
- Зарегистрирован: 04 июл 2012, 12:36
- Двигатель:: 6G72
- Мой автомобиль(и):: Pajero 2
- Откуда: Усть-Каменогорск
- Благодарил (а): 1 раз
Не могу найти разьем с лямбда зонда.
Да. Хотел осликом лямбда проверить. В том то и дело что от лямбда (4провода в усадке) уходят вверх в кузов через резиновый гермоввод. А дальше куда ХЗ.
-
Biotronics
- Сообщения: 10
- Зарегистрирован: 04 июл 2012, 12:36
- Двигатель:: 6G72
- Мой автомобиль(и):: Pajero 2
- Откуда: Усть-Каменогорск
- Благодарил (а): 1 раз
Не могу найти разьем с лямбда зонда.
По моторчику понял. Спасибо. Да, похоже уже не родные стоят. По лямбде - сейчас полезу под пыжика, сфоткаю.
-
алексей - Маленький Мук
- Модератор
- Сообщения: 20380
- Зарегистрирован: 11 дек 2008, 16:10
- Откуда: москва м Академическая
- Благодарил (а): 101 раз
- Поблагодарили: 1340 раз
Не могу найти разьем с лямбда зонда.
Ну там в кузове все под бородой( под магнитолой) все коробочные разьемы
Всем добра.......
- dvm99
- Сообщения: 22446
- Зарегистрирован: 21 май 2012, 20:59
- Двигатель:: 6G72, 12клап.,
- Мой автомобиль(и):: Pajero2, Запорожец- Ланос
- Откуда: Свердловская обл.
- Благодарил (а): 744 раза
- Поблагодарили: 1088 раз
Не могу найти разьем с лямбда зонда.
Входное сопротивление у осцилографа какое? Может просадить... Там сигнал не очень мощный.Biotronics писал(а): ↑ Хотел осликом лямбда проверить.
И снизу не совсем удобно... Легче найти сигнал на разъёме ЭБУ.
Дмитрий
Боливар2 - П2, 92г., V43, 6G72(12V), V4AW2, RD/L, пруль (чистокровный японский рысак)
Боливар1 - П2, 93г., 6G72(12V), МКПП, V43, RD/L, Европа (славный был конь, но уже донор)
Боливар2 - П2, 92г., V43, 6G72(12V), V4AW2, RD/L, пруль (чистокровный японский рысак)
Боливар1 - П2, 93г., 6G72(12V), МКПП, V43, RD/L, Европа (славный был конь, но уже донор)
-
Biotronics
- Сообщения: 10
- Зарегистрирован: 04 июл 2012, 12:36
- Двигатель:: 6G72
- Мой автомобиль(и):: Pajero 2
- Откуда: Усть-Каменогорск
- Благодарил (а): 1 раз
Не могу найти разьем с лямбда зонда.
Вообщем сфотать неудобно. Без ямы я. Но ситуация такая. Предыдущие Кулибины видать при замене лямбды забыли руки от задницы переставить на плечи, отрезали штекера и напрямую лямбду к косе прикрутили. Вообщем вопрос закрыт. Всем спасибо. Буду штекера и разъемы сейчас восстанавливать.
Ослик хороший ))) Rigol DS1054Z.
Ослик хороший ))) Rigol DS1054Z.
-
Biotronics
- Сообщения: 10
- Зарегистрирован: 04 июл 2012, 12:36
- Двигатель:: 6G72
- Мой автомобиль(и):: Pajero 2
- Откуда: Усть-Каменогорск
- Благодарил (а): 1 раз
Не могу найти разьем с лямбда зонда.
Тему пока закрывать не будем. Сейчас осциллограммы сниму и скорее всего ещё вопросы возникнут.
- dvm99
- Сообщения: 22446
- Зарегистрирован: 21 май 2012, 20:59
- Двигатель:: 6G72, 12клап.,
- Мой автомобиль(и):: Pajero2, Запорожец- Ланос
- Откуда: Свердловская обл.
- Благодарил (а): 744 раза
- Поблагодарили: 1088 раз
Не могу найти разьем с лямбда зонда.
Тут два варианта: либо зонд не родной, с другим разъёмом был, либо штатный разъём закосячил, он довольно хлипенький для этого места.Biotronics писал(а): ↑ Предыдущие Кулибины видать при замене лямбды забыли руки от задницы переставить на плечи, отрезали штекера и напрямую лямбду к косе прикрутили.
Купи вазовский разъём, он надёжнее (как ни странно звучит). Только подцепи его по-правильному, чтоб потом ВАЗ-овский датчик, если что, поставить. Он дешевле в разы, а работает так же.
У меня самого сейчас стоит вот такой https://avtomagazin163.ru/p208683579-da ... bosch.html
Дмитрий
Боливар2 - П2, 92г., V43, 6G72(12V), V4AW2, RD/L, пруль (чистокровный японский рысак)
Боливар1 - П2, 93г., 6G72(12V), МКПП, V43, RD/L, Европа (славный был конь, но уже донор)
Боливар2 - П2, 92г., V43, 6G72(12V), V4AW2, RD/L, пруль (чистокровный японский рысак)
Боливар1 - П2, 93г., 6G72(12V), МКПП, V43, RD/L, Европа (славный был конь, но уже донор)
-
Biotronics
- Сообщения: 10
- Зарегистрирован: 04 июл 2012, 12:36
- Двигатель:: 6G72
- Мой автомобиль(и):: Pajero 2
- Откуда: Усть-Каменогорск
- Благодарил (а): 1 раз
Не могу найти разьем с лямбда зонда.
Два черных провода у него это подогрев? Родной тут один черный. Их оба на него вешать?
-
алексей - Маленький Мук
- Модератор
- Сообщения: 20380
- Зарегистрирован: 11 дек 2008, 16:10
- Откуда: москва м Академическая
- Благодарил (а): 101 раз
- Поблагодарили: 1340 раз
Не могу найти разьем с лямбда зонда.
Я тупо спаял переходник( япа-раша)
и можно подцеплять любой 
Всем добра.......
- dvm99
- Сообщения: 22446
- Зарегистрирован: 21 май 2012, 20:59
- Двигатель:: 6G72, 12клап.,
- Мой автомобиль(и):: Pajero2, Запорожец- Ланос
- Откуда: Свердловская обл.
- Благодарил (а): 744 раза
- Поблагодарили: 1088 раз
Не могу найти разьем с лямбда зонда.
Да.Biotronics писал(а): ↑ Два черных провода у него это подогрев?
Другие два провода: серый и белый?
Если да, то у тебя стоит бошевский десяточный датчик, как я выше писал. У него другие цвета проводов, не как у родного.
Два чёрных- питание подогревателя.
Белый- масса сигнала.
Серый- сигнал.
Нет!!! Ни в коем случае!Biotronics писал(а): ↑ Родной тут один черный. Их оба на него вешать?
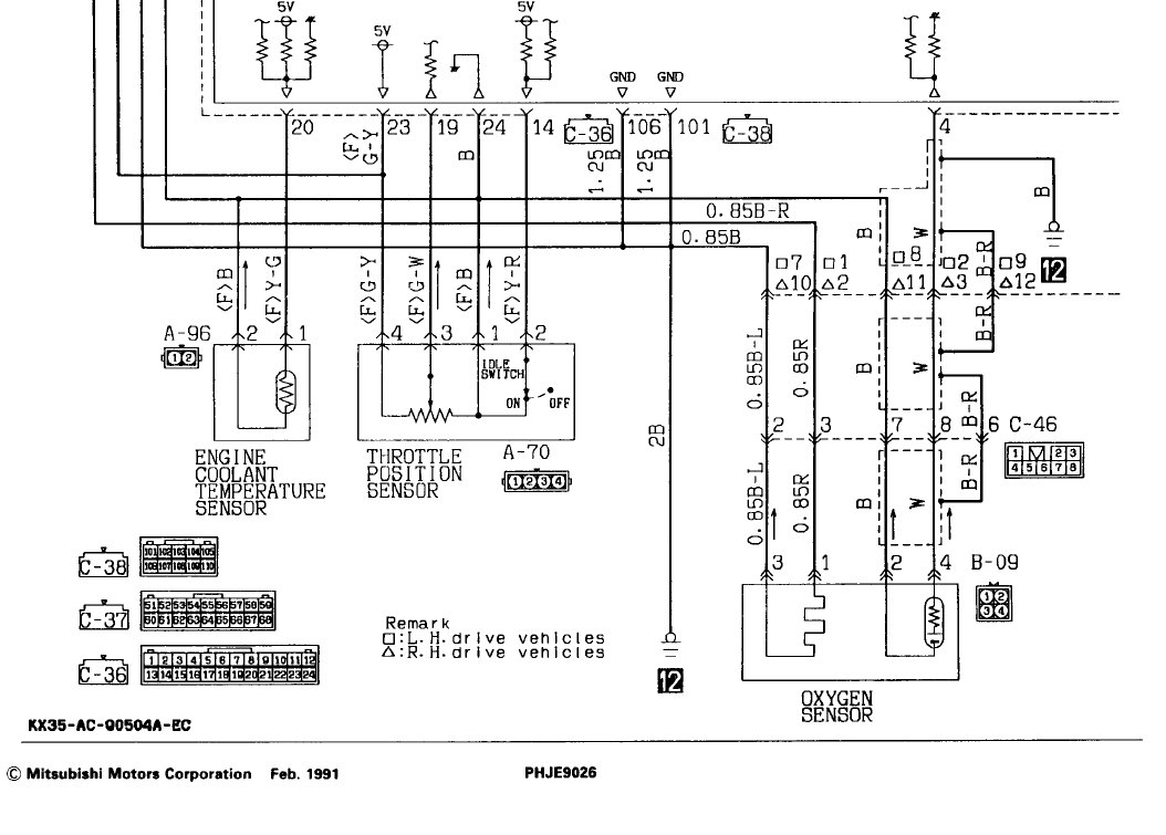
Вот родная схема, чтоб сориентироваться.
Буквы B, R, W, Br- надеюсь, понятно, что это цвет проводов. Чёрный, Красный, Белый, Коричневый.
И здесь Чёрный- сигнальный!
ЗЫ
Что-то меня твой последний вопрос напугал.
У тебя сколько проводов из лямбды выходит? (Они трёх-провдные бывают).
Дмитрий
Боливар2 - П2, 92г., V43, 6G72(12V), V4AW2, RD/L, пруль (чистокровный японский рысак)
Боливар1 - П2, 93г., 6G72(12V), МКПП, V43, RD/L, Европа (славный был конь, но уже донор)
Боливар2 - П2, 92г., V43, 6G72(12V), V4AW2, RD/L, пруль (чистокровный японский рысак)
Боливар1 - П2, 93г., 6G72(12V), МКПП, V43, RD/L, Европа (славный был конь, но уже донор)
- dvm99
- Сообщения: 22446
- Зарегистрирован: 21 май 2012, 20:59
- Двигатель:: 6G72, 12клап.,
- Мой автомобиль(и):: Pajero2, Запорожец- Ланос
- Откуда: Свердловская обл.
- Благодарил (а): 744 раза
- Поблагодарили: 1088 раз
Не могу найти разьем с лямбда зонда.
Родной разъём слабоват. У ВАЗ-овского датчика походу ток подогрева намного выше, поэтому выкинул его.алексей - Маленький Мук писал(а): ↑ Я тупо спаял переходник( япа-раша) и можно подцеплять любой
ДК имеет смысл только на новый менять, б/у - кот в мешке, а оригинал вряд ли я когда-то покупать буду.
Дмитрий
Боливар2 - П2, 92г., V43, 6G72(12V), V4AW2, RD/L, пруль (чистокровный японский рысак)
Боливар1 - П2, 93г., 6G72(12V), МКПП, V43, RD/L, Европа (славный был конь, но уже донор)
Боливар2 - П2, 92г., V43, 6G72(12V), V4AW2, RD/L, пруль (чистокровный японский рысак)
Боливар1 - П2, 93г., 6G72(12V), МКПП, V43, RD/L, Европа (славный был конь, но уже донор)
-
Biotronics
- Сообщения: 10
- Зарегистрирован: 04 июл 2012, 12:36
- Двигатель:: 6G72
- Мой автомобиль(и):: Pajero 2
- Откуда: Усть-Каменогорск
- Благодарил (а): 1 раз
Не могу найти разьем с лямбда зонда.
Немного затупил сам. Вообщем там стоит Денсо лямбда. (Черн Черн Син Бел). Подцепил ослика на синий плюс на белый массу.
Выкладываю осциллограммы:
1. На 2500-3000 оборотов.
2. На холостом ходу.
На холостом ходу период - 3,6 секунды!!!!
Кто разбирается подскажите. Форумы покурил - вроде как мертвая лямбда. Медленно отрабатывает. И вроде как обедненная смесь показывает правый фронт.
Подскажите.
Выкладываю осциллограммы:
1. На 2500-3000 оборотов.
2. На холостом ходу.
На холостом ходу период - 3,6 секунды!!!!
Кто разбирается подскажите. Форумы покурил - вроде как мертвая лямбда. Медленно отрабатывает. И вроде как обедненная смесь показывает правый фронт.
Подскажите.
-
алексей - Маленький Мук
- Модератор
- Сообщения: 20380
- Зарегистрирован: 11 дек 2008, 16:10
- Откуда: москва м Академическая
- Благодарил (а): 101 раз
- Поблагодарили: 1340 раз
-
Biotronics
- Сообщения: 10
- Зарегистрирован: 04 июл 2012, 12:36
- Двигатель:: 6G72
- Мой автомобиль(и):: Pajero 2
- Откуда: Усть-Каменогорск
- Благодарил (а): 1 раз
Не могу найти разьем с лямбда зонда.
Немного перепутал подписи.
1. 3000 оборотов (размер клетки 200 милисекунд)
2. 800 оборотов (размер клетки 2 секунды)
1. 3000 оборотов (размер клетки 200 милисекунд)
2. 800 оборотов (размер клетки 2 секунды)
