TRT - Вдоль р.Киржач. Для стандартных 4х4 (08.11.25) Форум Обсуждение FAQ
Установка своих датчиков масла и ОЖ , с звуковым предупреждением ( Паджеро Спорт1) ( начало реализации)
-
Aleksej2000
- Сообщения: 1839
- Зарегистрирован: 15 окт 2021, 19:50
- Двигатель:: Дизель 2.5 4D56
- Мой автомобиль(и):: Митсубиси Паджеро Спорт 2007
- Откуда: Visaginas
- Откуда: Литва
- Благодарил (а): 1089 раз
- Поблагодарили: 68 раз
Установка своих датчиков масла и ОЖ , с звуковым предупреждением ( Паджеро Спорт1) ( начало реализации)
Решил вынести в отдельную тему, дабы не засорять общую тему. Начало обсуждения отсюда и пару страниц дальше.
viewtopic.php?p=2982373#p2982373
Как оказалось, у меня этого датчика нет и нет с завода.
Почитал, как от срыва шланга на ходу оповещение не успевает оповестить , так как датчик давления с большой задержкой и без звукового оповещения, и двигатель умирает от маслянного голодания.
При этом, конструктивно Мицубиси заложило такие технические решения, по которых такие залповые сбросы масла вполне возможны в любой момент.
Меня это не устраивает от слова совсем. Я хоть и русский, но на Авось надеяться не хочу.
Я принял решение решить вопрос.
Штатный с Паджеро из той же серии оповещений, по сферическому коню в невесомости. По этом цена нездоровая.
Я решил поискать что то поплавковое для масла.
Я нашел от мотоцикла. Типа такого, длина ноги бывает разная.
https://www.heradas.lt/daviklis-tepalo- ... otorolerio
Цена вопроса вполне гуманная. Подсоединить лампочку и зуммер - работа получаса вместе с установкой в панели.
Нога, я уверен, гнется, и можно сбоку вход и согнуть вниз.
Возник вопрос- на какой уровень в поддоне надо выставлять сработку? Какой уровень масла в поддоне болтается, когда машина работает?
Собираюсь сверлить поддон сбоку и вводить датчик. Надо знать минимальный уровень.
viewtopic.php?p=2982373#p2982373
Как оказалось, у меня этого датчика нет и нет с завода.
Почитал, как от срыва шланга на ходу оповещение не успевает оповестить , так как датчик давления с большой задержкой и без звукового оповещения, и двигатель умирает от маслянного голодания.
При этом, конструктивно Мицубиси заложило такие технические решения, по которых такие залповые сбросы масла вполне возможны в любой момент.
Меня это не устраивает от слова совсем. Я хоть и русский, но на Авось надеяться не хочу.
Я принял решение решить вопрос.
Штатный с Паджеро из той же серии оповещений, по сферическому коню в невесомости. По этом цена нездоровая.
Я решил поискать что то поплавковое для масла.
Я нашел от мотоцикла. Типа такого, длина ноги бывает разная.
https://www.heradas.lt/daviklis-tepalo- ... otorolerio
Цена вопроса вполне гуманная. Подсоединить лампочку и зуммер - работа получаса вместе с установкой в панели.
Нога, я уверен, гнется, и можно сбоку вход и согнуть вниз.
Возник вопрос- на какой уровень в поддоне надо выставлять сработку? Какой уровень масла в поддоне болтается, когда машина работает?
Собираюсь сверлить поддон сбоку и вводить датчик. Надо знать минимальный уровень.
Последний раз редактировалось Aleksej2000 19 мар 2024, 14:36, всего редактировалось 2 раза.
- dvm99
- Сообщения: 21742
- Зарегистрирован: 21 май 2012, 20:59
- Двигатель:: 6G72, 12клап.,
- Мой автомобиль(и):: Pajero2, Запорожец- Ланос
- Откуда: Свердловская обл.
- Благодарил (а): 706 раз
- Поблагодарили: 1028 раз
Установка своего датчика уровня масла, с звуковым предупреждением ( Паджеро Спорт1)
А купить поддон с дырой под датчик?Aleksej2000 писал(а): ↑09 мар 2024, 10:16 Собираюсь сверлить поддон сбоку и вводить датчик. Надо знать минимальный уровень.
Датчик лучше такого плана, как родной https://www.drive2.ru/l/483511888655679744/
Тогда гнуть ничего не придётся.
Дмитрий
Боливар2 - П2, 92г., V43, 6G72(12V), V4AW2, RD/L, пруль (чистокровный японский рысак)
Боливар1 - П2, 93г., 6G72(12V), МКПП, V43, RD/L, Европа (славный был конь, но уже донор)
Боливар2 - П2, 92г., V43, 6G72(12V), V4AW2, RD/L, пруль (чистокровный японский рысак)
Боливар1 - П2, 93г., 6G72(12V), МКПП, V43, RD/L, Европа (славный был конь, но уже донор)
-
Aleksej2000
- Сообщения: 1839
- Зарегистрирован: 15 окт 2021, 19:50
- Двигатель:: Дизель 2.5 4D56
- Мой автомобиль(и):: Митсубиси Паджеро Спорт 2007
- Откуда: Visaginas
- Откуда: Литва
- Благодарил (а): 1089 раз
- Поблагодарили: 68 раз
Установка своего датчика уровня масла, с звуковым предупреждением ( Паджеро Спорт1)
Зачем за дырку платить?
Датчик родной, кроме цены, ещё отличается и остальными заморочками мицу. Тормознутость, непонятный алгоритм.
Мне это нафиг не нужно. Надо просто уровень ушел - моментальное оповещение. Даже если на ухабах будет попикивать при краткосрочном оттоке масла, ничего страшного.
-
Aleksej2000
- Сообщения: 1839
- Зарегистрирован: 15 окт 2021, 19:50
- Двигатель:: Дизель 2.5 4D56
- Мой автомобиль(и):: Митсубиси Паджеро Спорт 2007
- Откуда: Visaginas
- Откуда: Литва
- Благодарил (а): 1089 раз
- Поблагодарили: 68 раз
Установка своего датчика уровня масла, с звуковым предупреждением ( Паджеро Спорт1)
Просьба, у кого есть штатный датчик уровня, замерить расположение датчика до дна картера и до блока. От центра датчика. Тогда можно будет понять, где стоит уровень масла на работающем двигателе.
- dvm99
- Сообщения: 21742
- Зарегистрирован: 21 май 2012, 20:59
- Двигатель:: 6G72, 12клап.,
- Мой автомобиль(и):: Pajero2, Запорожец- Ланос
- Откуда: Свердловская обл.
- Благодарил (а): 706 раз
- Поблагодарили: 1028 раз
Установка своего датчика уровня масла, с звуковым предупреждением ( Паджеро Спорт1)
За то, что дыра будет в нужном месте.
Я ж не зря спросил у дизелистов
И ты ведел, что они ответили. Это важный момент!
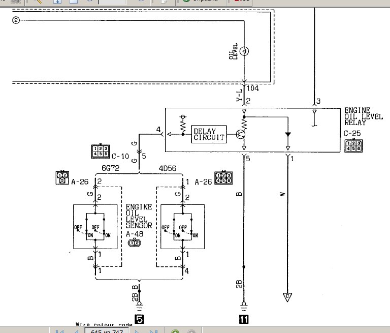
Он не сам тормозит, а реле задержки (блочок). Если не нужен, его можно выкинуть и подать сигнал прямо на лампу/зуммер.Aleksej2000 писал(а): ↑09 мар 2024, 17:28 Датчик родной, кроме цены, ещё отличается и остальными заморочками мицу. Тормознутость, непонятный алгоритм.
Вот схема, там всё просто...
Дмитрий
Боливар2 - П2, 92г., V43, 6G72(12V), V4AW2, RD/L, пруль (чистокровный японский рысак)
Боливар1 - П2, 93г., 6G72(12V), МКПП, V43, RD/L, Европа (славный был конь, но уже донор)
Боливар2 - П2, 92г., V43, 6G72(12V), V4AW2, RD/L, пруль (чистокровный японский рысак)
Боливар1 - П2, 93г., 6G72(12V), МКПП, V43, RD/L, Европа (славный был конь, но уже донор)
-
Aleksej2000
- Сообщения: 1839
- Зарегистрирован: 15 окт 2021, 19:50
- Двигатель:: Дизель 2.5 4D56
- Мой автомобиль(и):: Митсубиси Паджеро Спорт 2007
- Откуда: Visaginas
- Откуда: Литва
- Благодарил (а): 1089 раз
- Поблагодарили: 68 раз
Установка своего датчика уровня масла, с звуковым предупреждением ( Паджеро Спорт1)
Ради интереса поискал на разборе картера. Так вот, с дырами для датчика нашел лишь несколько штук. Остальные без них. Т.е. мицу не закладывает на многих машинах эту функцию. С дырой 65 евро картер, датчик 200+ евро, и работы день. И зачем, если коронкой пробил жестянку, и вставил датчик за 25 евро.
Я посмотрел, где эта дыра для датчика, примерно можно понять, где мертвый уровень при работающем двигателе.
Сделаю машину,заеду к знакомому, у кого есть паджерик, сунксь под машину и посмотрю.
- dvm99
- Сообщения: 21742
- Зарегистрирован: 21 май 2012, 20:59
- Двигатель:: 6G72, 12клап.,
- Мой автомобиль(и):: Pajero2, Запорожец- Ланос
- Откуда: Свердловская обл.
- Благодарил (а): 706 раз
- Поблагодарили: 1028 раз
Установка своего датчика уровня масла, с звуковым предупреждением ( Паджеро Спорт1)
Там в поддоне есть горизонтальная перегородка, ниже которой находится лейка забора масла.Aleksej2000 писал(а): ↑09 мар 2024, 21:51 Сделаю машину,заеду к знакомому, у кого есть паджерик, сунксь под машину и посмотрю.
Если ориентироваться на неисправность (обрыв шланга), когда масло пулей вылетает, тебе в принципе пофиг уровень с точностью до копейки. Т.е. можно прижаться к перегородке...
Будет гораздо хреновее, когда зуммер пикает на каждой кочке. Т.е. лучше заглубить, чем сделать выше.
Но, уровень масла на жор, как и прежде, проверять щупом!
Дмитрий
Боливар2 - П2, 92г., V43, 6G72(12V), V4AW2, RD/L, пруль (чистокровный японский рысак)
Боливар1 - П2, 93г., 6G72(12V), МКПП, V43, RD/L, Европа (славный был конь, но уже донор)
Боливар2 - П2, 92г., V43, 6G72(12V), V4AW2, RD/L, пруль (чистокровный японский рысак)
Боливар1 - П2, 93г., 6G72(12V), МКПП, V43, RD/L, Европа (славный был конь, но уже донор)
-
Aleksej2000
- Сообщения: 1839
- Зарегистрирован: 15 окт 2021, 19:50
- Двигатель:: Дизель 2.5 4D56
- Мой автомобиль(и):: Митсубиси Паджеро Спорт 2007
- Откуда: Visaginas
- Откуда: Литва
- Благодарил (а): 1089 раз
- Поблагодарили: 68 раз
Установка своего датчика уровня масла, с звуковым предупреждением ( Паджеро Спорт1)
Ну да, только на аварийный случай, чтобы принять моментальные меры выключения мотора, чтобы его сберечь.. Тогда просто прокрутить картер в верхней точке, и проволочкой нащупать перегородку, и низ датчика положить на него.
А щупом я смотрю раз в пару недель. По крайней мере, не было у меня случаев, чтобы масложор появился за один два дня. Датчик точно не для этого.
-
Aleksej2000
- Сообщения: 1839
- Зарегистрирован: 15 окт 2021, 19:50
- Двигатель:: Дизель 2.5 4D56
- Мой автомобиль(и):: Митсубиси Паджеро Спорт 2007
- Откуда: Visaginas
- Откуда: Литва
- Благодарил (а): 1089 раз
- Поблагодарили: 68 раз
Установка своего датчика уровня масла, с звуковым предупреждением ( Паджеро Спорт1)
Что интересно, посмотрел много картеров, у меня стоит такой, пробка сливная снизу. А на других картерах сбоку.
https://rrr.lt/autodalis/bug3393-mitsub ... 0-karteris
https://rrr.lt/autodalis/bug3393-mitsub ... 0-karteris
- dvm99
- Сообщения: 21742
- Зарегистрирован: 21 май 2012, 20:59
- Двигатель:: 6G72, 12клап.,
- Мой автомобиль(и):: Pajero2, Запорожец- Ланос
- Откуда: Свердловская обл.
- Благодарил (а): 706 раз
- Поблагодарили: 1028 раз
Установка своего датчика уровня масла, с звуковым предупреждением ( Паджеро Спорт1)
А меня вот интересует (много раз упоминал, я не дизелист, а бензинщик), насколько критична запитка вакуумных систем в дизеле от впускного коллектора? Ну, там ВУТ и переключайки привода...
В бензинке всё просто- от рессивера идут трубки туда и сюда.
А в дизеле почему собрана отдельная вакуумная система на генераторе? Причём наволокла на себя кучу всякого проблемного, мало того, что генератор стоит в самом поганом месте...
Ну, понятно, что утечки от порывов мембран, срывов вакуумных шлангов в бензинке покрываются лямбда-зондом по качеству смеси (а есть, допустим арабы, которые даж лямда-зондов не имеют!).
Но, насколько это критично для дизеля?
Мож проще насверлить дырок во впускном коллекторе, выкинуть вакуумник с генератора и забыть это как страшный сон?
Насколько знаю, дизеля могут работать на бедных смесях (опять же в отличие от бензнок, для которых это смерть)
В бензинке всё просто- от рессивера идут трубки туда и сюда.
А в дизеле почему собрана отдельная вакуумная система на генераторе? Причём наволокла на себя кучу всякого проблемного, мало того, что генератор стоит в самом поганом месте...
Ну, понятно, что утечки от порывов мембран, срывов вакуумных шлангов в бензинке покрываются лямбда-зондом по качеству смеси (а есть, допустим арабы, которые даж лямда-зондов не имеют!).
Но, насколько это критично для дизеля?
Мож проще насверлить дырок во впускном коллекторе, выкинуть вакуумник с генератора и забыть это как страшный сон?
Насколько знаю, дизеля могут работать на бедных смесях (опять же в отличие от бензнок, для которых это смерть)
Последний раз редактировалось dvm99 09 мар 2024, 23:48, всего редактировалось 1 раз.
Дмитрий
Боливар2 - П2, 92г., V43, 6G72(12V), V4AW2, RD/L, пруль (чистокровный японский рысак)
Боливар1 - П2, 93г., 6G72(12V), МКПП, V43, RD/L, Европа (славный был конь, но уже донор)
Боливар2 - П2, 92г., V43, 6G72(12V), V4AW2, RD/L, пруль (чистокровный японский рысак)
Боливар1 - П2, 93г., 6G72(12V), МКПП, V43, RD/L, Европа (славный был конь, но уже донор)
- SNOOPER
- Модератор
- Сообщения: 56904
- Зарегистрирован: 11 дек 2004, 19:49
- Двигатель:: 4D56
- Мой автомобиль(и):: NewMPS
- Откуда: 78
- Откуда: Spb
- Благодарил (а): 1007 раз
- Поблагодарили: 4665 раз
Установка своего датчика уровня масла, с звуковым предупреждением ( Паджеро Спорт1)
Датчик ниже перегородки.Aleksej2000 писал(а): ↑09 мар 2024, 23:10 Тогда просто прокрутить картер в верхней точке, и проволочкой нащупать перегородку, и низ датчика положить на него.
Вот тут видно на фото как приварена перегородка, и где крепление датчика
https://rrr.lt/ru/zapchasti/duc12529-md ... ero-karter
- SNOOPER
- Модератор
- Сообщения: 56904
- Зарегистрирован: 11 дек 2004, 19:49
- Двигатель:: 4D56
- Мой автомобиль(и):: NewMPS
- Откуда: 78
- Откуда: Spb
- Благодарил (а): 1007 раз
- Поблагодарили: 4665 раз
Установка своего датчика уровня масла, с звуковым предупреждением ( Паджеро Спорт1)
На дизеле нет вакуума во впускном коллекторе. Только при забитом воздухане и то чутка разряжение.
Атмосфера, или наддув )
- dvm99
- Сообщения: 21742
- Зарегистрирован: 21 май 2012, 20:59
- Двигатель:: 6G72, 12клап.,
- Мой автомобиль(и):: Pajero2, Запорожец- Ланос
- Откуда: Свердловская обл.
- Благодарил (а): 706 раз
- Поблагодарили: 1028 раз
Установка своего датчика уровня масла, с звуковым предупреждением ( Паджеро Спорт1)
Саш, а что тогда ломает датчик, когда его не снимают при демонтаже поддона?
Дмитрий
Боливар2 - П2, 92г., V43, 6G72(12V), V4AW2, RD/L, пруль (чистокровный японский рысак)
Боливар1 - П2, 93г., 6G72(12V), МКПП, V43, RD/L, Европа (славный был конь, но уже донор)
Боливар2 - П2, 92г., V43, 6G72(12V), V4AW2, RD/L, пруль (чистокровный японский рысак)
Боливар1 - П2, 93г., 6G72(12V), МКПП, V43, RD/L, Европа (славный был конь, но уже донор)
- dvm99
- Сообщения: 21742
- Зарегистрирован: 21 май 2012, 20:59
- Двигатель:: 6G72, 12клап.,
- Мой автомобиль(и):: Pajero2, Запорожец- Ланос
- Откуда: Свердловская обл.
- Благодарил (а): 706 раз
- Поблагодарили: 1028 раз
Установка своего датчика уровня масла, с звуковым предупреждением ( Паджеро Спорт1)
Т.е воздушной заслонки/дросселя нету?
Дмитрий
Боливар2 - П2, 92г., V43, 6G72(12V), V4AW2, RD/L, пруль (чистокровный японский рысак)
Боливар1 - П2, 93г., 6G72(12V), МКПП, V43, RD/L, Европа (славный был конь, но уже донор)
Боливар2 - П2, 92г., V43, 6G72(12V), V4AW2, RD/L, пруль (чистокровный японский рысак)
Боливар1 - П2, 93г., 6G72(12V), МКПП, V43, RD/L, Европа (славный был конь, но уже донор)
- SNOOPER
- Модератор
- Сообщения: 56904
- Зарегистрирован: 11 дек 2004, 19:49
- Двигатель:: 4D56
- Мой автомобиль(и):: NewMPS
- Откуда: 78
- Откуда: Spb
- Благодарил (а): 1007 раз
- Поблагодарили: 4665 раз
Установка своего датчика уровня масла, с звуковым предупреждением ( Паджеро Спорт1)
На современных есть, но она для других целей. Для глушения, и увеличения потока ЕГР.
На дизеле заслонка не нужна, как не нужно и большое разряжение для обогащения смеси на ХХ.
Он и так работает. Ибо принцип работы другой.
- dvm99
- Сообщения: 21742
- Зарегистрирован: 21 май 2012, 20:59
- Двигатель:: 6G72, 12клап.,
- Мой автомобиль(и):: Pajero2, Запорожец- Ланос
- Откуда: Свердловская обл.
- Благодарил (а): 706 раз
- Поблагодарили: 1028 раз
Установка своего датчика уровня масла, с звуковым предупреждением ( Паджеро Спорт1)
Блин, плюсики почему-то в теме отсутствуют, Роме выговор!
А меня точит русский язык- в данном случае надо писать разрЕжение
От слова "рЕдкий", а не зарЯд.
Саш, извини...
Дмитрий
Боливар2 - П2, 92г., V43, 6G72(12V), V4AW2, RD/L, пруль (чистокровный японский рысак)
Боливар1 - П2, 93г., 6G72(12V), МКПП, V43, RD/L, Европа (славный был конь, но уже донор)
Боливар2 - П2, 92г., V43, 6G72(12V), V4AW2, RD/L, пруль (чистокровный японский рысак)
Боливар1 - П2, 93г., 6G72(12V), МКПП, V43, RD/L, Европа (славный был конь, но уже донор)
-
Aleksej2000
- Сообщения: 1839
- Зарегистрирован: 15 окт 2021, 19:50
- Двигатель:: Дизель 2.5 4D56
- Мой автомобиль(и):: Митсубиси Паджеро Спорт 2007
- Откуда: Visaginas
- Откуда: Литва
- Благодарил (а): 1089 раз
- Поблагодарили: 68 раз
Установка своего датчика уровня масла, с звуковым предупреждением ( Паджеро Спорт1)
Саша, спасибо!
На фото четко видно, что поплавок почти у дна, с учётом изгиба крепления.
Получается, что ставить сработку на 1-1.5 см от дна, чтобы на кочках не гудел, и если сработал, сразу глушить мотор.
Хорошо, посмотрел на перегородку, теперь вижу, что сверлить надо на несколько см ближе к мелкой части картера.
Лучше снять картер или если немного мелких опилок, соберёт фильтр? Или по насосу массялнному проудут и подерут?
-
алексей - Маленький Мук
- Модератор
- Сообщения: 20299
- Зарегистрирован: 11 дек 2008, 16:10
- Откуда: москва м Академическая
- Благодарил (а): 101 раз
- Поблагодарили: 1323 раза
Установка своего датчика уровня масла, с звуковым предупреждением ( Паджеро Спорт1)
Лучше снять. крепить как? он прикручен болтиками м6. в картере "ответка приварена". на саморезы не посадишь
у меня валяется картер от кирпича. с 56м мотором он с датчиком. если хош промерю
Всем добра.......
