TRT "107-108" Для стандарта и не только! (4.04.2026) Форум Обсуждение FAQ

6G72 и 6G72M

Все что связанно с бензиновыми двигателями Pajero (6G72, 4G54, etc.)

Модераторы: SNOOPER, Nbf, Romik, BAlex, drcham, алексей - Маленький Мук, DenVer

zmey13
Сообщения: 4
Зарегистрирован: 06 авг 2010, 21:51
Двигатель:: 6G72 бензин
Мой автомобиль(и):: Mitsubishi Pajero
Откуда: г.Саранск

6G72 и 6G72M

Сообщение zmey13 »

Здраствуйте!
Так получилось,что есть поперечный 6G72M(SOHC)-24клапана,а у меня стоит-6G72(SOHC)-12клапанов .КТО ЗНАЕТ,подскажите тех.параметры6G72M
что означает "М"?
можно ли поставить 12клапаные головы на блок 6G72M?
СпАСИБО!
_______________
Pajero2,1992г/в,6G72(SOHC)-12клапанов,трамблёр,механикаGLS

[ Post made via Mobile Device ] Изображение

[ Post made via Mobile Device ] Изображение
Аватара пользователя
ZILLA
Сообщения: 7553
Зарегистрирован: 22 май 2007, 16:31
Двигатель:: 0,75
Мой автомобиль(и):: Hooooondaaaaa
Откуда: течет нефть?
Откуда: 101 км от Москвы
Благодарил (а): 1 раз
Поблагодарили: 282 раза

Re: 6G72 и 6G72M

Сообщение ZILLA »

zmey13, 12 кл и 24 кл - разные двиглы. Головки блока у них разные, не взаимозаменяемые. И не только головки блока.
Восстановление неисправных акпп Mitsubishi, Hyundai, Toyota, Mersedes и т.п. Диагностика и обслуживание всех видов акпп, вариаторов и роботов.
+79О3 6З561О5, ватсап +791О 6О8О191
zmey13
Сообщения: 4
Зарегистрирован: 06 авг 2010, 21:51
Двигатель:: 6G72 бензин
Мой автомобиль(и):: Mitsubishi Pajero
Откуда: г.Саранск

Re: 6G72 и 6G72M

Сообщение zmey13 »

Спасибо!

[ Post made via Mobile Device ] Изображение
benzovoz
Сообщения: 1
Зарегистрирован: 16 фев 2017, 08:45
Двигатель:: 6G72
Мой автомобиль(и):: Mitsubishi DELICA
Откуда: Чайковский

6G72 и 6G72M

Сообщение benzovoz »

Приветствую форумчане, что бы не поднимать новую тему, спрошу тут, у меня 6г72 24 клапана(не траьблёр), подойдёт ли мне столбик с головами 6г72м 24 клапана (трамблёр), одинаковые ли они? Естественно без навески.
Аватара пользователя
SNOOPER
Модератор
Сообщения: 57314
Зарегистрирован: 11 дек 2004, 19:49
Двигатель:: 4D56
Мой автомобиль(и):: NewMPS
Откуда: 78
Откуда: Spb
Благодарил (а): 1020 раз
Поблагодарили: 4762 раза

6G72 и 6G72M

Сообщение SNOOPER »

benzovoz писал(а): 18 июн 2025, 16:30 6г72м 24 клапана (трамблёр),
Это что такое?
Аватара пользователя
dvm99
Сообщения: 22446
Зарегистрирован: 21 май 2012, 20:59
Двигатель:: 6G72, 12клап.,
Мой автомобиль(и):: Pajero2, Запорожец- Ланос
Откуда: Свердловская обл.
Благодарил (а): 744 раза
Поблагодарили: 1088 раз

6G72 и 6G72M

Сообщение dvm99 »

SNOOPER писал(а): 18 июн 2025, 18:39 Это что такое?
Наверно кто-то путает с 12 клапанным...
Дмитрий

Боливар2 - П2, 92г., V43, 6G72(12V), V4AW2, RD/L, пруль (чистокровный японский рысак)
Боливар1 - П2, 93г., 6G72(12V), МКПП, V43, RD/L, Европа (славный был конь, но уже донор)
Sergei Stepanenko
Сообщения: 16
Зарегистрирован: 10 авг 2025, 15:36
Двигатель:: 6G72 Бензин
Мой автомобиль(и):: Хундай Галлопер
Откуда: Екатеринбург

6G72 и 6G72M

Сообщение Sergei Stepanenko »

Добрый день!
Подскажите, у меня в пользовании недоПаджеро, а именно Хундай Галлопер 1993 года V6 6G72 3 литра бензин, мкпп
Проблемы с ЭБУ, ищу распиновку на свой блок 64 пин
В интернете все как то скудно по ним особенно по Галопперу
Может есть у кого информация?
Или возможно я вообще не туда зашёл?
Помогите псж
За ранее Благодарю за ответ!
Аватара пользователя
dvm99
Сообщения: 22446
Зарегистрирован: 21 май 2012, 20:59
Двигатель:: 6G72, 12клап.,
Мой автомобиль(и):: Pajero2, Запорожец- Ланос
Откуда: Свердловская обл.
Благодарил (а): 744 раза
Поблагодарили: 1088 раз

6G72 и 6G72M

Сообщение dvm99 »

Sergei Stepanenko писал(а): 10 авг 2025, 18:00 ищу распиновку на свой блок 64 пин
В паджере с этим мотором ЭБУ другой, там не один разъём, а три
1111.jpg
И в сумме контактов 52 шт. Поэтому у хюндая явно своё управление и свой обвес датчиками и т.п.
Sergei Stepanenko писал(а): 10 авг 2025, 18:00 Проблемы с ЭБУ
А какие проблемы, в чём заключаются?
Дмитрий

Боливар2 - П2, 92г., V43, 6G72(12V), V4AW2, RD/L, пруль (чистокровный японский рысак)
Боливар1 - П2, 93г., 6G72(12V), МКПП, V43, RD/L, Европа (славный был конь, но уже донор)
Sergei Stepanenko
Сообщения: 16
Зарегистрирован: 10 авг 2025, 15:36
Двигатель:: 6G72 Бензин
Мой автомобиль(и):: Хундай Галлопер
Откуда: Екатеринбург

6G72 и 6G72M

Сообщение Sergei Stepanenko »

dvm99 писал(а): 10 авг 2025, 20:15 В паджере с этим мотором ЭБУ другой, там не один разъём, а три
И у меня три, только на 64 пин
Датчик ДПДЗ четырехконтактный
Вложения
IMG_20250811_084045_642.jpg
Sergei Stepanenko
Сообщения: 16
Зарегистрирован: 10 авг 2025, 15:36
Двигатель:: 6G72 Бензин
Мой автомобиль(и):: Хундай Галлопер
Откуда: Екатеринбург

6G72 и 6G72M

Сообщение Sergei Stepanenko »

dvm99 писал(а): 10 авг 2025, 20:15 А какие проблемы, в чём заключаются?
Теперь на чинаю смешить.
Купил это чудо пару лет назад, с установленным ГБО.
Оно то работало, то нет, я не фанат ГБО поэтому ездил на бензине, с мыслями потом уберу, работает машина что лезть тачка всегда нужна, на прикол некогда.
Тут мотор заплавал, то троит, то дымит все не постоянно периодами.
Пришёл к выводу что идёт подсос воздуха в систему.
Так и было. Удалил газовые форсунки заглушил коллектор болтами и лактайтом и мотор зашелестел, отзыв по педали отменный, хотел резко, хоть плавно.
Тут как обычно пришёл "потом удалю", тк времени нет постоянно, решил косу газовую пока не трогать.
Смотал как было возможно, захомутил и уложил аккуратно под капот в районе главного тормозного цилиндра.
Дальше предположить не сложно что произошло, смотал не совсем аккуратно, часть провода вылезла из пучка из-за тряски, и благополучно на выпускной колллектор.
Было в пути, сразу с мотором беда те-же симптомы как и раньше.
Сейчас у меня нет 0.45v-4.5v ( открытие, закрытие заслонки)
Посмотрел мозги б/у, у цены конечно не понятные, разброс от 5 до 30 тысяч.
Инет говорит от Монтеро подходят, на Дроме появились за 5000 руб, забрал.
Вот хотел прозвонить на столе с подключением 12v,a схемы нет оказывается нигде.
На моем родном ЭБУ при первичном осмотре вижу спайку двух резисторов, но пока не понятно.
Сейчас у меня два ЭБУ, разматываб жгут по тихоньку и ищу схему.
Предохраны смотрел, тоже норм
Такие дела!
Аватара пользователя
dvm99
Сообщения: 22446
Зарегистрирован: 21 май 2012, 20:59
Двигатель:: 6G72, 12клап.,
Мой автомобиль(и):: Pajero2, Запорожец- Ланос
Откуда: Свердловская обл.
Благодарил (а): 744 раза
Поблагодарили: 1088 раз

6G72 и 6G72M

Сообщение dvm99 »

Sergei Stepanenko писал(а): 11 авг 2025, 07:45 Сейчас у меня нет 0.45v-4.5v ( открытие, закрытие заслонки)
Если проблема в этом, то, скорее всего, где-то обрыв цепи питания датчика (или датчиков) +5В.
Там не совсем +5В, а где-то 4 с копейками.
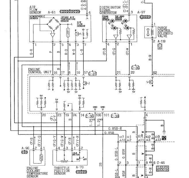
Вот наша схема, в принципе она построена по типовому принципу как на всех машинах.
222.jpg
Питание выходит с 23 пина ЭБУ и идёт на ДПДЗ и на ДМРВ.
Как у тебя, я не знаю, но что-то наверняк похожее.
ЭБУ упалить по этой части довольно сложно, у него есть защита.
Отцепляй разъёмы от всех основных датчиков и ЭБУ и вызванивай проводку, ищи обрыв!
Дмитрий

Боливар2 - П2, 92г., V43, 6G72(12V), V4AW2, RD/L, пруль (чистокровный японский рысак)
Боливар1 - П2, 93г., 6G72(12V), МКПП, V43, RD/L, Европа (славный был конь, но уже донор)
Аватара пользователя
dvm99
Сообщения: 22446
Зарегистрирован: 21 май 2012, 20:59
Двигатель:: 6G72, 12клап.,
Мой автомобиль(и):: Pajero2, Запорожец- Ланос
Откуда: Свердловская обл.
Благодарил (а): 744 раза
Поблагодарили: 1088 раз

6G72 и 6G72M

Сообщение dvm99 »

Ещё вопрос: а ошибка-то горит на панели?
Дмитрий

Боливар2 - П2, 92г., V43, 6G72(12V), V4AW2, RD/L, пруль (чистокровный японский рысак)
Боливар1 - П2, 93г., 6G72(12V), МКПП, V43, RD/L, Европа (славный был конь, но уже донор)
Sergei Stepanenko
Сообщения: 16
Зарегистрирован: 10 авг 2025, 15:36
Двигатель:: 6G72 Бензин
Мой автомобиль(и):: Хундай Галлопер
Откуда: Екатеринбург

6G72 и 6G72M

Сообщение Sergei Stepanenko »

dvm99 писал(а): 11 авг 2025, 11:23 Ещё вопрос: а ошибка-то горит на панели?
Да, загорелась сразу.
Когда ГБО форсунки удалил все пропало.
Потом после этого КЗ, появилась снова
Sergei Stepanenko
Сообщения: 16
Зарегистрирован: 10 авг 2025, 15:36
Двигатель:: 6G72 Бензин
Мой автомобиль(и):: Хундай Галлопер
Откуда: Екатеринбург

6G72 и 6G72M

Сообщение Sergei Stepanenko »

dvm99 писал(а): 11 авг 2025, 10:55 Отцепляй разъёмы от всех основных датчиков и ЭБУ и вызванивай проводку, ищи обрыв!
Спасибо за схему!
Буду разматывать по тихоньку
Теперь уж спешить не куда
Аватара пользователя
dvm99
Сообщения: 22446
Зарегистрирован: 21 май 2012, 20:59
Двигатель:: 6G72, 12клап.,
Мой автомобиль(и):: Pajero2, Запорожец- Ланос
Откуда: Свердловская обл.
Благодарил (а): 744 раза
Поблагодарили: 1088 раз

6G72 и 6G72M

Сообщение dvm99 »

Sergei Stepanenko писал(а): 11 авг 2025, 13:00 Потом после этого КЗ, появилась снова
Надо попробовать считать. Если колодка диагностики такая же как у нас, то вот так viewtopic.php?p=2847353#p2847353
Дмитрий

Боливар2 - П2, 92г., V43, 6G72(12V), V4AW2, RD/L, пруль (чистокровный японский рысак)
Боливар1 - П2, 93г., 6G72(12V), МКПП, V43, RD/L, Европа (славный был конь, но уже донор)
Sergei Stepanenko
Сообщения: 16
Зарегистрирован: 10 авг 2025, 15:36
Двигатель:: 6G72 Бензин
Мой автомобиль(и):: Хундай Галлопер
Откуда: Екатеринбург

6G72 и 6G72M

Сообщение Sergei Stepanenko »

dvm99 писал(а): 11 авг 2025, 13:24 Надо попробовать считать
Да пробовал, звал диагностов с Авито, когда только взял его.
Были проблема с ДПДЗ, это сам потом установил.
А так подключали сканер OBD, папку иммобилайзера видит, АБС тоже, на моторе крест, не пускает.
Слышал краем уха о замени каких то чипов в диагностическом оборудовании.
Ну не суть не помогли, только денег за выезд отдал.
Поставил новый датчик, выставил заслонку по мультику и забыл до сегодняшнего дня.
Вот это интересно конечно попробую, если честно не знал что так можно с диодом слелать
Разъем вроде такой же, не рядом сейчас, но по памяти вроде он.
Спасибо Огромное!!!
Буду пробовать.
Аватара пользователя
dvm99
Сообщения: 22446
Зарегистрирован: 21 май 2012, 20:59
Двигатель:: 6G72, 12клап.,
Мой автомобиль(и):: Pajero2, Запорожец- Ланос
Откуда: Свердловская обл.
Благодарил (а): 744 раза
Поблагодарили: 1088 раз

6G72 и 6G72M

Сообщение dvm99 »

Sergei Stepanenko писал(а): 11 авг 2025, 15:07 папку иммобилайзера видит
К сведению: на Паджерах с таким мотором иммобилайзера нету.
Сканер я давным давно пробовал подключать у знакомых в сервисе.
Помню, тоже был какой-то геммор, но в итоге подключился.
Только толку с него мало. Выдавал только инфу по ошибке, температуру мотора и сигнал по лямбде. Других данных не было.
А вот светодиодом я считывал любые ошибки, т.ч. и по АБС.
ЗЫ
О! Я тебе всё нашёл ::-D: https://yandex.ru/search/?clid=9582&tex ... u&lr=11161
Дмитрий

Боливар2 - П2, 92г., V43, 6G72(12V), V4AW2, RD/L, пруль (чистокровный японский рысак)
Боливар1 - П2, 93г., 6G72(12V), МКПП, V43, RD/L, Европа (славный был конь, но уже донор)
Sergei Stepanenko
Сообщения: 16
Зарегистрирован: 10 авг 2025, 15:36
Двигатель:: 6G72 Бензин
Мой автомобиль(и):: Хундай Галлопер
Откуда: Екатеринбург

6G72 и 6G72M

Сообщение Sergei Stepanenko »

dvm99 писал(а): 12 авг 2025, 10:59 на Паджерах с таким мотором иммобилайзера нету
Слушай, я тут мотор отопителя менял и так ещё по мелочи смотрел, так у меня стоит эта коробочка под панелью Иммобилайзера.
Слева в низу в районе где тросик открытия капота
Тут другой прикол.
Вчера нашёл всетаки схему на свой ЭБУ 64 пина, чувак из Благовещенска сбросил.
Датчик купил на Озоне, сегодня пошёл звонить, устанавливать и даже без задней мысли не стал сопротивление мерить, когда пришёл, перед установкой.
Ты если что поправь меня если не правильно делал.
Короче, соеденяю разъем ДПДЗ с датчиком проводами через папу и маму, один на чёрный, другой где ловим 0.4 вольта закрыта и 4.5 открыта.
А у меня все наоборот 4.5 сразу показывает, заслонку начинаешь открывать показания падают до нуля, все в обратную сторону 🤣
Инет пишет инверсия, заводской брак
Ну заказал, ещё один, через два дня придёт.
Так разъем без него звонишь, вроде все ровно, аномалий нет, по жгуту тоже ничего не нашёл или пока не нашел😀
Нашёл сгоревший предохранитель на 15 ампер в коробке под капотом, поменял, целый не перегорает.
Пока короче хз, похвастать нечем кроме того что нашёл свою распиновку, на испанском но это уже мелочи.
Аватара пользователя
dvm99
Сообщения: 22446
Зарегистрирован: 21 май 2012, 20:59
Двигатель:: 6G72, 12клап.,
Мой автомобиль(и):: Pajero2, Запорожец- Ланос
Откуда: Свердловская обл.
Благодарил (а): 744 раза
Поблагодарили: 1088 раз

6G72 и 6G72M

Сообщение dvm99 »

Sergei Stepanenko писал(а): 12 авг 2025, 11:47 Инет пишет инверсия, заводской брак
Вряд ли... Скорее, это датчик от другой машины, где заслонка работает в другую сторону.
Надо аналоги аккуратнее выбирать.
Слушай, ты ж писал, что на ДПДЗ нет напряжения. Датчик-то тут причём?
Обычно ДПДЗ разом не умирает, у него дорожки изнашиваются постепенно. И это отражается на работе мотора тоже постепенно, т.е. начинаются рывки, перебои и т.п. всё чаще и чаще. Но всё это очень постепенно.
А вот если произошёл обрыв по питанию, то ЭБУ переключается на обходной алгоритм (по усреднённым параметрам) и высвечивает ошибку. Работать мотор должен.
Честно говоря, сам не пробовал без датчика заводиться :) . Сейчас на дачу собираюсь, если не забуду, то попробую...
В теории, ЭБУ может работать без любых датчиков (по обходным алгоритмам), кроме двух : ДПКВ и ДПРВ.
Дмитрий

Боливар2 - П2, 92г., V43, 6G72(12V), V4AW2, RD/L, пруль (чистокровный японский рысак)
Боливар1 - П2, 93г., 6G72(12V), МКПП, V43, RD/L, Европа (славный был конь, но уже донор)
Аватара пользователя
dvm99
Сообщения: 22446
Зарегистрирован: 21 май 2012, 20:59
Двигатель:: 6G72, 12клап.,
Мой автомобиль(и):: Pajero2, Запорожец- Ланос
Откуда: Свердловская обл.
Благодарил (а): 744 раза
Поблагодарили: 1088 раз

6G72 и 6G72M

Сообщение dvm99 »

dvm99 писал(а): 12 авг 2025, 12:49 Сейчас на дачу собираюсь, если не забуду, то попробую...
Попробовал. Без датчика нормально заводится и работает.
Ехать не пробовал, но на газ реагирует адекватно.
Холостые чуток плавают. Но у меня в дпдз есть ещё один датчик, если ты заметил. Это контак, который замыкается при полностью закрытой заслонке.
И, что самое интересное, ошибка не загорается! :*PARDON*:
Дмитрий

Боливар2 - П2, 92г., V43, 6G72(12V), V4AW2, RD/L, пруль (чистокровный японский рысак)
Боливар1 - П2, 93г., 6G72(12V), МКПП, V43, RD/L, Европа (славный был конь, но уже донор)
Ответить

Вернуться в «Бензиновый двигатель Mitsubishi»