TRT - Вдоль р.Киржач. Для стандартных 4х4 (08.11.25) Форум Обсуждение FAQ
Движение накатом на АКПП.
Модераторы: SNOOPER, Alex_SH, Nbf, BAlex, drcham, SoundSpeed
Правила форума
Дорогие друзья!
Пожалуйста, при создании и поиске сообщений не забывайте пользоваться гиперссылками на тематические разделы, расположенными на главной странице раздела "Новый Pajero Sport"
Дорогие друзья!
Пожалуйста, при создании и поиске сообщений не забывайте пользоваться гиперссылками на тематические разделы, расположенными на главной странице раздела "Новый Pajero Sport"
-
mic
- Сообщения: 69
- Зарегистрирован: 21 мар 2011, 21:26
- Двигатель:: 4D56
- Мой автомобиль(и):: НовыйМПС
- Откуда: Питер
- Откуда: Питер
- Благодарил (а): 1 раз
Движение накатом на АКПП.
Джентельмены.
Просветите мя на предмет возможности движения накатом при наличии АКПП.
Вводные - мотор работает, метров за 500 вижу красный свет. Ставлю селектор в нейтраль. Качусь... Есть ли вред МАШИНЕ от такого движения?
Ну и буксировка тоже интересна. Можно ли? И как?
Только не тычте в мануал. Хочется чтоб по дружески, своими словами.
Спс.
Просветите мя на предмет возможности движения накатом при наличии АКПП.
Вводные - мотор работает, метров за 500 вижу красный свет. Ставлю селектор в нейтраль. Качусь... Есть ли вред МАШИНЕ от такого движения?
Ну и буксировка тоже интересна. Можно ли? И как?
Только не тычте в мануал. Хочется чтоб по дружески, своими словами.
Спс.
- Семнадцатый
- Сообщения: 1651
- Зарегистрирован: 17 ноя 2010, 20:22
- Двигатель:: 4D56
- Мой автомобиль(и):: Pajero Sport II
- Благодарил (а): 11 раз
- Поблагодарили: 130 раз
- Контактная информация:
Re: Движение накатом на АКПП.
Буксировку лучше через нетраль раздатки. На автомате к светофору можно подкатываться просто сбросив газ. Если не гонщег то будут ХХ. Если коробка настроилась на спорт то тормложение двигателем будет при-накате. На нетралке тоже можно спокойно подкатываться.
Есть направления, а дорогу выберет каждый свою....
BFG MT KM2 265/75 R16 | 605 Hi-Lift X-TREME Jack | Tmax 9500 на съёмной площадке
BFG MT KM2 265/75 R16 | 605 Hi-Lift X-TREME Jack | Tmax 9500 на съёмной площадке
- gary_tmp
- Сообщения: 445
- Зарегистрирован: 01 ноя 2010, 10:50
- Двигатель:: 4D56 DID 2.5 АКПП
- Мой автомобиль(и):: NMPS, 2010, S66 Ultimate , W54
- Откуда: Киев
- Благодарил (а): 71 раз
- Поблагодарили: 17 раз
Re: Движение накатом на АКПП.
mic
Насколько я помню движение на АКПП , на нейтрали , в описанном тобой случае - запрещено, так в книжке написано вроде.
Думаю что вреда во время движения нет вообще, а вот когда будешь переключать в драйв. Имхо
По буксировке - на нейтрали буксировать НУЖНО.
Как написал Семнадцатый, проще сбросить газ. Я бы не стал эксперементировать с коробкой , на свой страх и риск.
Насколько я помню движение на АКПП , на нейтрали , в описанном тобой случае - запрещено, так в книжке написано вроде.
Думаю что вреда во время движения нет вообще, а вот когда будешь переключать в драйв. Имхо
По буксировке - на нейтрали буксировать НУЖНО.
Как написал Семнадцатый, проще сбросить газ. Я бы не стал эксперементировать с коробкой , на свой страх и риск.
- SNOOPER
- Модератор
- Сообщения: 56893
- Зарегистрирован: 11 дек 2004, 19:49
- Двигатель:: 4D56
- Мой автомобиль(и):: NewMPS
- Откуда: 78
- Откуда: Spb
- Благодарил (а): 1007 раз
- Поблагодарили: 4664 раза
Re: Движение накатом на АКПП.
Совсем недавно ремонтировали коробку на служебном микрике от КИА. Там тоже наёмный водила бывший таксист, так ездил.mic писал(а): Хочется чтоб по дружески, своими словами.
Спс.
Раз пришлось с ним проехать...........
На вопрос зачем он так делает, был получен ответ: что всю жизнь так ездит, топливо экономит.
Была проведена "поучительная беседа", но ему это не помогло. Так как "всю жизнь" не смог переступить.
Финиш истории, ремонт АКПП за его счёт, и теперь он наверное "экономит" топливо в другой конторе.........
Не надо так делать, "итого" получится не в пользу экономии топлива.
Да и езда накатом даже на механике относительно небезопасна, так как нет связи с двигателем, а одним рулением можно машину и не удержать на дороге, причём такая ситуация может произойти и как говорится "на ровном месте"
- olegro
- Сообщения: 2445
- Зарегистрирован: 15 фев 2011, 06:15
- Двигатель:: 4М41 200лс
- Мой автомобиль(и):: Pajero IV
- Откуда: Красноярск
- Откуда: Красноярск
- Благодарил (а): 158 раз
- Поблагодарили: 290 раз
Re: Движение накатом на АКПП.
12 лет катаюсь на АКПП, на разных машинах. На нейтралке ни разу не катился, не подкатывался, не скатывался и тп. Коробки ни разу не чинил, ТТТ.
Pajero Sport 3.2 4AT Webasto OME - был
Pajero IV 3.2 5AT Webasto, ОМЕ+EFS
Pajero IV 3.2 5AT Webasto, ОМЕ+EFS
- CoolBDW
- Сообщения: 3630
- Зарегистрирован: 20 янв 2010, 10:11
- Двигатель:: 4D56
- Мой автомобиль(и):: был - NMPS 2010 2.5 TD 5AT S04
- Откуда: Тула
- Откуда: Тула
- Благодарил (а): 210 раз
- Поблагодарили: 284 раза
Re: Движение накатом на АКПП.
Во-первых, не понятен вообще смысл езды на нейтралке. Т.е. для чего? Экономия в современных авто получается именно при подкатывании к светофору на передаче, а не на нейтралке, это не древние Волги
Смотрится, кстати, любым нормальным БК, правильно показывающим мгновенный расход топлива.
Во-вторых, как правильно заметил SNOOPER, это НЕБЕЗОПАСНО. Тем более под горку. Особенно, если тормозуха меняется как привыкли "в гаражах у дяди Васи" - "а что ей будет, зачем менять".
В-третьих, стОит задуматься, почему производитель запрещает буксировать авто с АКПП (50/50 - это совсем если уж припекло). Не с бодуна же?
При нейтрали в коробке, часть её деталей, начиная от выходного вала, будет вращаться от колёс. При этом, смазка туда поступать не будет, т.к. селектор в нейтрали. При длительной езде на нейтрали, особенно, на высокой скорости это не может не пройти незаметно для здоровья коробки.
Опять же, почему зимой надо греть коробку на передаче (D)? Потому что на N/P не гоняется масло.
Так что надо забросить эти опасные мысли и ездить так, как положено на автомате - поставить в D в начале поездки, а в конце - в P. И всё, не теребить коробку на светофорах, не ездить накатом на N под горку и т.д.
Но! Если случайно включить N на скорости и аккуратно вернуть в D, то с одного раза ничего, конечно не будет.
А на малых скоростях вне дорог так тормозить даже правильно, чтобы колёса в снегу/песке не нагребали перед собой - скинул в N, она и сама остановилась. Километров с 5-10 в час, не более.
Во-вторых, как правильно заметил SNOOPER, это НЕБЕЗОПАСНО. Тем более под горку. Особенно, если тормозуха меняется как привыкли "в гаражах у дяди Васи" - "а что ей будет, зачем менять".
В-третьих, стОит задуматься, почему производитель запрещает буксировать авто с АКПП (50/50 - это совсем если уж припекло). Не с бодуна же?
При нейтрали в коробке, часть её деталей, начиная от выходного вала, будет вращаться от колёс. При этом, смазка туда поступать не будет, т.к. селектор в нейтрали. При длительной езде на нейтрали, особенно, на высокой скорости это не может не пройти незаметно для здоровья коробки.
Опять же, почему зимой надо греть коробку на передаче (D)? Потому что на N/P не гоняется масло.
Так что надо забросить эти опасные мысли и ездить так, как положено на автомате - поставить в D в начале поездки, а в конце - в P. И всё, не теребить коробку на светофорах, не ездить накатом на N под горку и т.д.
Но! Если случайно включить N на скорости и аккуратно вернуть в D, то с одного раза ничего, конечно не будет.
А на малых скоростях вне дорог так тормозить даже правильно, чтобы колёса в снегу/песке не нагребали перед собой - скинул в N, она и сама остановилась. Километров с 5-10 в час, не более.
Дмитрий
было когда-то:
NMPS 2010 2.5 TD 5AT чёрный
Webasto, Multitronics VC731, DRL, RedPower 8994, FGC, без EGR (+заглушка -фишка)
Yokohama G012 & F700Z 265/65R17, пружины от Влада
было когда-то:
NMPS 2010 2.5 TD 5AT чёрный
Webasto, Multitronics VC731, DRL, RedPower 8994, FGC, без EGR (+заглушка -фишка)
Yokohama G012 & F700Z 265/65R17, пружины от Влада
- Napic
- Сообщения: 5982
- Зарегистрирован: 29 июл 2010, 06:51
- Двигатель:: дизель 4d56
- Мой автомобиль(и):: НМПСпорт 2010
- Откуда: Сибирь
- Благодарил (а): 423 раза
- Поблагодарили: 1021 раз
Re: Движение накатом на АКПП.
Могу только предположить, что запрещается буксировать авто с выключенным мотором, возможно с работающим мотором и нет никаких ограничений.CoolBDW писал(а): В-третьих, стОит задуматься, почему производитель запрещает буксировать авто с АКПП (50/50 - это совсем если уж припекло). Не с бодуна же?
Возможно также, что правило 50 на 50 возникло из-за того, что перегревается жидкость АКПП с последующим разрушением коробки, где-то видел, что рекомендуют постоять после пробега в 50 км, а потом двигаться дальше опять на 50...
Но лучше спросить у atservice - он знает точно!
НМПСпорт 2010 4d56 2500 дизель S05 5AT
лето BridgeStone HT 265/65R17, зима Hakka 5 SUV 265/65R17
Eberspacher Hydronic 5 кВт, доп. вентилятор кондиционера
Egr off + дроссель On (нержавейка + программное отключение)
лето BridgeStone HT 265/65R17, зима Hakka 5 SUV 265/65R17
Eberspacher Hydronic 5 кВт, доп. вентилятор кондиционера
Egr off + дроссель On (нержавейка + программное отключение)
- atservice
- Сообщения: 798
- Зарегистрирован: 16 янв 2011, 09:24
- Двигатель:: 4D56
- Мой автомобиль(и):: Mitsubishi Pajero Sport 2010
- Откуда: Новокузнецк
- Благодарил (а): 2 раза
- Поблагодарили: 182 раза
- Контактная информация:
Re: Движение накатом на АКПП.
Человек же спросил можно или нет.mic писал(а):Джентельмены.
Просветите мя на предмет возможности движения накатом при наличии АКПП.
Вводные - мотор работает, метров за 500 вижу красный свет. Ставлю селектор в нейтраль. Качусь... Есть ли вред МАШИНЕ от такого движения?
Ну и буксировка тоже интересна. Можно ли? И как?
Только не тычте в мануал. Хочется чтоб по дружески, своими словами.
Спс.
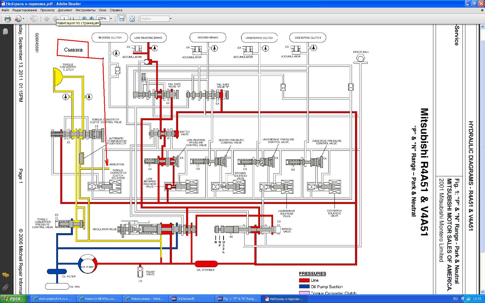
Вот масляные схемы. Как вы можете видеть, (там выделено стрелочкой) давление в системе смазки АКПП одинаково, что на Парковке-Нейтрали, что на первой передаче (и на остальных тоже - можете поверить). Отсюда вывод - само движение накатом вреда нанести не может. Двигатель ведь работает - давление есть (не путайте с буксировкой при заглушенном моторе - тогда смазки нет). Другой вопрос - нафига дёргать рычаг? Учитывая что нет шифтлока можно на кочке и на заднюю продёрнуть. Кроме того износ фрикционов в исправной АКПП идёт именно в момент переключения - меньше дерготни - меньше износ. Оно вам надо? Топлива вы тоже не особо сэкономите. При движении накатом при включенной передаче работает обгонная муфта. Так что мотор не особо то и нагружен.
НМПС белый 5А/Т, 2,5. зима Hankook RW11, лето - сток.
-
Heretic
- Сообщения: 93
- Зарегистрирован: 04 сен 2011, 20:19
- Двигатель:: 4D56 2,5 л
- Мой автомобиль(и):: Pajero Sport New 2011 5AT Instyle
- Откуда: Псковская область
- Благодарил (а): 3 раза
- Поблагодарили: 5 раз
Re: Движение накатом на АКПП.
Уважаемый atservice!
Скажите, пожалуйста, Ваше мнение - нужно ли греть при отрицательных температурах (например, если ниже 0, или -10 градусов, или вообще, -30) АКП в положении "D" (т.е. перевести рычаг в "D" и держать машину тормозом некоторое время)?
Сейчас езжу на Форд S-Max с 6-ти ступенчатой коробкой Айсин, но на этот счёт в мануале вообще ничего не сказано (как и про прогрев двигателя перед движением).
Сорри за офф-топ
Скажите, пожалуйста, Ваше мнение - нужно ли греть при отрицательных температурах (например, если ниже 0, или -10 градусов, или вообще, -30) АКП в положении "D" (т.е. перевести рычаг в "D" и держать машину тормозом некоторое время)?
Сейчас езжу на Форд S-Max с 6-ти ступенчатой коробкой Айсин, но на этот счёт в мануале вообще ничего не сказано (как и про прогрев двигателя перед движением).
Сорри за офф-топ
- atservice
- Сообщения: 798
- Зарегистрирован: 16 янв 2011, 09:24
- Двигатель:: 4D56
- Мой автомобиль(и):: Mitsubishi Pajero Sport 2010
- Откуда: Новокузнецк
- Благодарил (а): 2 раза
- Поблагодарили: 182 раза
- Контактная информация:
Re: Движение накатом на АКПП.
При температуре ниже -20 такой прогрев нужен на ЛЮБОЙ машине с автоматом (не путать с DSG, роботами, вариаторами без гидротрансформаторов). Дело в том, что масло в радиаторе холодное и прокачка через него затруднена. А через него масло идёт в смазочный канал - и так на очень многих современных трансмиссиях. Не всех конечно - но многих. К нашим машинам это относится (см. масляную схему). Долго держать конечно смысла нет - но 3-4 минуты - нужно. И дело даже не в том, что масло прокачается по каналам - прокачки нет в парковке только на старых АКПП. Дело в том, что когда включена передача, но машина стоит (и соответственно стоит первичный вал) - то вся мощность вырабатываемая мотором идёт на перемешивание масла в гидротрансформаторе (далее ГТР) и соответственно уходит только на нагрев масла (именно поэтому запрещается делать сталл-тест более 5 секунд). А так как нагретое масло выходя из ГТР идёт напрямую в радиатор - то и прокачка масла по каналам смазки быстро восстанавливается. По другому пожалуй только на старых Тойотах - там масло после радиатора просто сливается в поддон.Heretic писал(а):Уважаемый atservice!
Скажите, пожалуйста, Ваше мнение - нужно ли греть при отрицательных температурах (например, если ниже 0, или -10 градусов, или вообще, -30) АКП в положении "D" (т.е. перевести рычаг в "D" и держать машину тормозом некоторое время)?
Сейчас езжу на Форд S-Max с 6-ти ступенчатой коробкой Айсин, но на этот счёт в мануале вообще ничего не сказано (как и про прогрев двигателя перед движением).
Сорри за офф-топ
НМПС белый 5А/Т, 2,5. зима Hankook RW11, лето - сток.
-
ura7
- Сообщения: 54
- Зарегистрирован: 27 янв 2011, 23:16
- Двигатель:: 4Д56
- Мой автомобиль(и):: НМПС\Ш.Октавия А5
- Откуда: Волгоград
Re: Движение накатом на АКПП.
купил парень в гаражах бумера с автоматом(б\у) и делает теперь коробку,мотор у него 2,5литров и типа хотел сэкономить и покататься накатом.
- atservice
- Сообщения: 798
- Зарегистрирован: 16 янв 2011, 09:24
- Двигатель:: 4D56
- Мой автомобиль(и):: Mitsubishi Pajero Sport 2010
- Откуда: Новокузнецк
- Благодарил (а): 2 раза
- Поблагодарили: 182 раза
- Контактная информация:
Re: Движение накатом на АКПП.
На БМВ с мотором 2,5 устанавливалось 8 видов АКПП - 4L30E,5L40E,4HP22,5HP18,5HP19,5HP30,6HP19,RE5R05A. И не на всех переключение в нейтраль на ходу, пройдёт безболезненно для АКПП. Именно поэтому я и привёл на КОНКРЕТНО поставленный вопрос КОНКРЕТНЫЙ ответ - именно по АКПП соотвествующей названию форума. То есть от НМПС (ну и соотвественно П-4 и всех авто где она стоит). В каждом конкретном случае нужно смотреть масляную схему. У меня желания нету,ura7 писал(а):купил парень в гаражах бумера с автоматом(б\у) и делает теперь коробку,мотор у него 2,5литров и типа хотел сэкономить и покататься накатом.
лопатить такой объём информации, просто из любопытства.
НМПС белый 5А/Т, 2,5. зима Hankook RW11, лето - сток.
- Napic
- Сообщения: 5982
- Зарегистрирован: 29 июл 2010, 06:51
- Двигатель:: дизель 4d56
- Мой автомобиль(и):: НМПСпорт 2010
- Откуда: Сибирь
- Благодарил (а): 423 раза
- Поблагодарили: 1021 раз
Re: Движение накатом на АКПП.
вообщем можно накатом именно на НМПС катиться чтобы.... выбег автомобиля замерить! Во всех остальных случаях повышенный износ при переключениях...
НМПСпорт 2010 4d56 2500 дизель S05 5AT
лето BridgeStone HT 265/65R17, зима Hakka 5 SUV 265/65R17
Eberspacher Hydronic 5 кВт, доп. вентилятор кондиционера
Egr off + дроссель On (нержавейка + программное отключение)
лето BridgeStone HT 265/65R17, зима Hakka 5 SUV 265/65R17
Eberspacher Hydronic 5 кВт, доп. вентилятор кондиционера
Egr off + дроссель On (нержавейка + программное отключение)
- Гаваец
- Сообщения: 511
- Зарегистрирован: 06 авг 2011, 22:49
- Двигатель:: Паджеро 2 4м40
- Мой автомобиль(и):: митсубиси
Re: Движение накатом на АКПП.
еще вопрос, в мануале не нашел ответа. Можно ли переключать акп в движении с режима D на 2 или L и наоборот?
Бейся там ,где стоишь!
- sn1
- Сообщения: 7637
- Зарегистрирован: 23 авг 2010, 11:28
- Двигатель:: 4D56+
- Мой автомобиль(и):: Pajero Sport II
- Откуда: Византийская Империя
- Благодарил (а): 309 раз
- Поблагодарили: 673 раза
Re: Движение накатом на АКПП.
Дружище! Ты кочергу-то на спорте видел?Гаваец писал(а):еще вопрос, в мануале не нашел ответа. Можно ли переключать акп в движении с режима D на 2 или L и наоборот?
Говори правду, и тогда не придется ничего запоминать!
- sn1
- Сообщения: 7637
- Зарегистрирован: 23 авг 2010, 11:28
- Двигатель:: 4D56+
- Мой автомобиль(и):: Pajero Sport II
- Откуда: Византийская Империя
- Благодарил (а): 309 раз
- Поблагодарили: 673 раза
Re: Движение накатом на АКПП.
Гаваец писал(а):а,ну,да,тут мужики не в теме,понятно.
Все тут в теме! Вопросы то ты задаешь. А про какой автомобиль ты сам не понял по ходу.
По твоему вопросу! Включай на здоровье на ходу 3, 2, L только постарайся скорость рассчитывать правильно. Если что защита от "дурака" сработает.
ПС
В этой теме обсуждается накат АКПП NewPajeroSport. У нее нет положений 2 и L
Говори правду, и тогда не придется ничего запоминать!
-
mic
- Сообщения: 69
- Зарегистрирован: 21 мар 2011, 21:26
- Двигатель:: 4D56
- Мой автомобиль(и):: НовыйМПС
- Откуда: Питер
- Откуда: Питер
- Благодарил (а): 1 раз
Re: Движение накатом на АКПП.
2 atservice Спасибо! Приятно иметь дело со знающим и понимающим человеком. Я услышал ответ на свой вопрос. Резюмэ - накат не вредит НМПС с АКПП.
И по фиг мотивация (экономия, привычка и пр.). Главное что "так можно" прозвучало аргументировано.
И по фиг мотивация (экономия, привычка и пр.). Главное что "так можно" прозвучало аргументировано.
- Гаваец
- Сообщения: 511
- Зарегистрирован: 06 авг 2011, 22:49
- Двигатель:: Паджеро 2 4м40
- Мой автомобиль(и):: митсубиси
Re: Движение накатом на АКПП.
я с "активных тем" зашел там пишется только раздел и название темы . Повелся на заголовок -бывает. Надо же газ сбрасывать перед включением?
Бейся там ,где стоишь!
- Гаваец
- Сообщения: 511
- Зарегистрирован: 06 авг 2011, 22:49
- Двигатель:: Паджеро 2 4м40
- Мой автомобиль(и):: митсубиси
Re: Движение накатом на АКПП.
А водилу тут один насальник развел на ремонт АКПП и уволил. Постарадал парень за идею почем зря!mic писал(а):2 atservice Спасибо! Приятно иметь дело со знающим и понимающим человеком. Я услышал ответ на свой вопрос. Резюмэ - накат не вредит НМПС с АКПП.
И по фиг мотивация (экономия, привычка и пр.). Главное что "так можно" прозвучало аргументировано.
Бейся там ,где стоишь!
