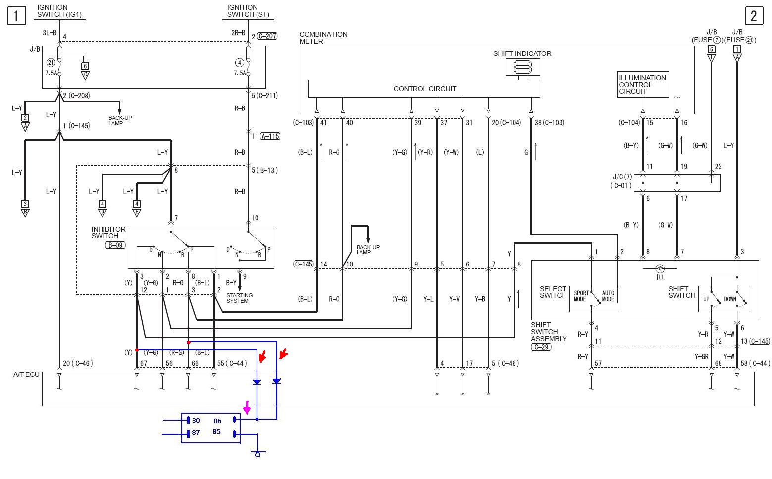
Вопросов два:
1. Нужно ли в точках, обозаченных красными стрелками, вешать какую-то нагрузку типа резисторов, и если да - то с какими параметрами (сопротивление, мощность). Или можно один резистор в точке, обозначенной фиолетовой стрелкой?
2. Какие взять диоды - наименование или хотя бы тип, ну и параметры.
Боюсь пожечь ЭБУ АКПП, поэтому сомневаюсь. Сам в этом всём ну совсем не силён, поэтому не пинайте за глупые для кого-то вопросы
Заранее спасибо
