Вобщем погас ближний левый свет, думал лампа, тем боее там почему то всегда были проблемы, колодка плавится со временем, лампа часто перегарает. Купил уже с таким "счастьем". Вобщем поменял лампу, ноль имоций. Стал тыкать щупом, оказалось, что в положении "ближний" под напругой два вывода на колодке, ближний и дальний
Домино Трофи 2026 - 25 Апреля - Обсудить и спросить тут.
Не горит левый ближний свет на МПС 2000 г.в.
Модераторы: SNOOPER, Nbf, Romik, BAlex
- Sfinks
- Сообщения: 13149
- Зарегистрирован: 18 ноя 2008, 21:10
- Двигатель:: 4D56 был, 6G72
- Мой автомобиль(и):: MPS K94W, 2000 г.в. был, Pajero IV 3.0
- Откуда: Кронштадт
- Благодарил (а): 432 раза
- Поблагодарили: 343 раза
Не горит левый ближний свет на МПС 2000 г.в.
Всем доброго времени суток!
Вобщем погас ближний левый свет, думал лампа, тем боее там почему то всегда были проблемы, колодка плавится со временем, лампа часто перегарает. Купил уже с таким "счастьем". Вобщем поменял лампу, ноль имоций. Стал тыкать щупом, оказалось, что в положении "ближний" под напругой два вывода на колодке, ближний и дальний
, но при этом не гори ни ближний не дальний. Дальний свет горит нормально на этой же лампе. Подскажите, где смотреть, как лечить?
Вобщем погас ближний левый свет, думал лампа, тем боее там почему то всегда были проблемы, колодка плавится со временем, лампа часто перегарает. Купил уже с таким "счастьем". Вобщем поменял лампу, ноль имоций. Стал тыкать щупом, оказалось, что в положении "ближний" под напругой два вывода на колодке, ближний и дальний
Все почему то забывают о том что нужно общаться как минимум уважительно. (С) SNOOPER.
- Captain Sergio
- Сообщения: 4557
- Зарегистрирован: 30 янв 2012, 22:01
- Двигатель:: 4G18
- Мой автомобиль(и):: Pajero Пинин, 1999, АКПП, BMW X5
- Откуда: Ульяновск
- Благодарил (а): 264 раза
- Поблагодарили: 346 раз
Re: Не горит левый ближний свет на МПС 2000 г.в.
На Паджеро Спорт коммутируется масса. Поэтому плюс при включении подается через реле на среднюю точку ламп, а минус (масса) коммутируется через выключатель. Собственно проверять надо как раз эти точки. Вынь лампочку и прибором (или контролькой) проверь приход массы на клемные колодки. Если не будет - иди по проводке до колонки. Можно снять нижний кожух на колонке - там два раъема на подрулевом переключателе. Там посмотри. Если разберешься - дам схему, там цвета проводов есть.
Сергей. Все будет хорошо! Грязезащита для рамных автомобилей.
- Captain Sergio
- Сообщения: 4557
- Зарегистрирован: 30 янв 2012, 22:01
- Двигатель:: 4G18
- Мой автомобиль(и):: Pajero Пинин, 1999, АКПП, BMW X5
- Откуда: Ульяновск
- Благодарил (а): 264 раза
- Поблагодарили: 346 раз
Re: Не горит левый ближний свет на МПС 2000 г.в.
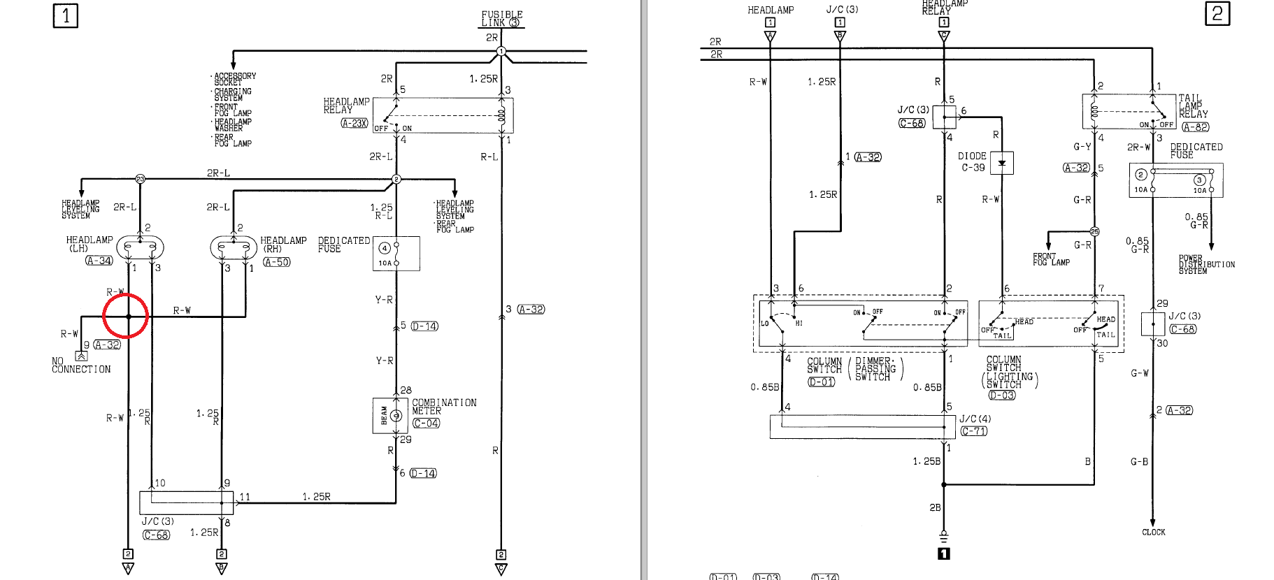
В принципе, если горит только одна фара можно посмотреть тут (кружочком выделил). По проводочкам дойди до стыка. Они обычно от старости отваливаются. Схема от 99 года. У Тебя скорее всего изменений нет. А насчет "плавится" - у меня тоже плавилось как купил. И ближний свет "белИй-белИй" был, но нихрена ночью не видно было. Заглянул в лампы - там стоватки стоят "супербелИе", типа ксенон. Поставил обычный филипс. Стало светить не "белИм", зато сразу все видно стало и колодки полавиться перестали. Посмотри мощность на лампах, возможно твой вариант.
Сергей. Все будет хорошо! Грязезащита для рамных автомобилей.
- Sfinks
- Сообщения: 13149
- Зарегистрирован: 18 ноя 2008, 21:10
- Двигатель:: 4D56 был, 6G72
- Мой автомобиль(и):: MPS K94W, 2000 г.в. был, Pajero IV 3.0
- Откуда: Кронштадт
- Благодарил (а): 432 раза
- Поблагодарили: 343 раза
Re: Не горит левый ближний свет на МПС 2000 г.в.
Огромное спасибо! Буду посмотреть. По результатам отпишусь.
Все почему то забывают о том что нужно общаться как минимум уважительно. (С) SNOOPER.
- Captain Sergio
- Сообщения: 4557
- Зарегистрирован: 30 янв 2012, 22:01
- Двигатель:: 4G18
- Мой автомобиль(и):: Pajero Пинин, 1999, АКПП, BMW X5
- Откуда: Ульяновск
- Благодарил (а): 264 раза
- Поблагодарили: 346 раз
Re: Не горит левый ближний свет на МПС 2000 г.в.
Давай. Будут вопросы - пиши, поможем!
Сергей. Все будет хорошо! Грязезащита для рамных автомобилей.
- Sfinks
- Сообщения: 13149
- Зарегистрирован: 18 ноя 2008, 21:10
- Двигатель:: 4D56 был, 6G72
- Мой автомобиль(и):: MPS K94W, 2000 г.в. был, Pajero IV 3.0
- Откуда: Кронштадт
- Благодарил (а): 432 раза
- Поблагодарили: 343 раза
Re: Не горит левый ближний свет на МПС 2000 г.в.
Всё, решил. Оказалось всё оч просто. Заменил плавленную колодку, кстати она на скрутках стояла, такую купил уже, и всё стало Ок. Я просто был в недоумении от того, что щуп показывал ток на ближней и дальней клемме на колодке при включённом ближнем, но ближний сцуко так и не горел. Машина не новая, вот такие "глюки" настораживают, начинаешь думать на прогнившие провода и всё такое. Теперь всё Ок.
Спасибо за помощь!
Спасибо за помощь!
Все почему то забывают о том что нужно общаться как минимум уважительно. (С) SNOOPER.
