Позвольте въехать на Montero Sport 03, 6G72, AWD :)
Модераторы: Nbf, Romik, BAlex, Анубис
- kyzya11
- Сообщения: 9224
- Зарегистрирован: 07 июл 2009, 14:13
- Двигатель:: 6G74
- Мой автомобиль(и):: был Montero Shprot 3.5 AWD
- Откуда: 77
- Благодарил (а): 422 раза
- Поблагодарили: 239 раз
Re: Позвольте въехать на Montero Sport 03, 6G72, AWD :)
чего то не пойму, у меня там меньше расстояние помоему
был MMS XLS '02, AWD, 6G74, МТ32, Т-Max 6500
Славик.
Славик.
- skodec
- Сообщения: 214
- Зарегистрирован: 26 апр 2013, 13:33
- Двигатель:: 6G72
- Мой автомобиль(и):: ММS AWD
- Откуда: Москва
- Благодарил (а): 4 раза
- Поблагодарили: 10 раз
Re: Позвольте въехать на Montero Sport 03, 6G72, AWD :)
Когда снимаешь штатный диффузор, расстояние от радиатора до вентилятора приблизительно 9-10см. Зазор у меня сейчас 2см.
MMS `03 AWD. Hankook 265/75R16,лайтовый силовичок, лебедь EW 12000, бодик 4см. http://www.drive2.ru/r/mitsubishi/851414/
- skodec
- Сообщения: 214
- Зарегистрирован: 26 апр 2013, 13:33
- Двигатель:: 6G72
- Мой автомобиль(и):: ММS AWD
- Откуда: Москва
- Благодарил (а): 4 раза
- Поблагодарили: 10 раз
Re: Позвольте въехать на Montero Sport 03, 6G72, AWD :)
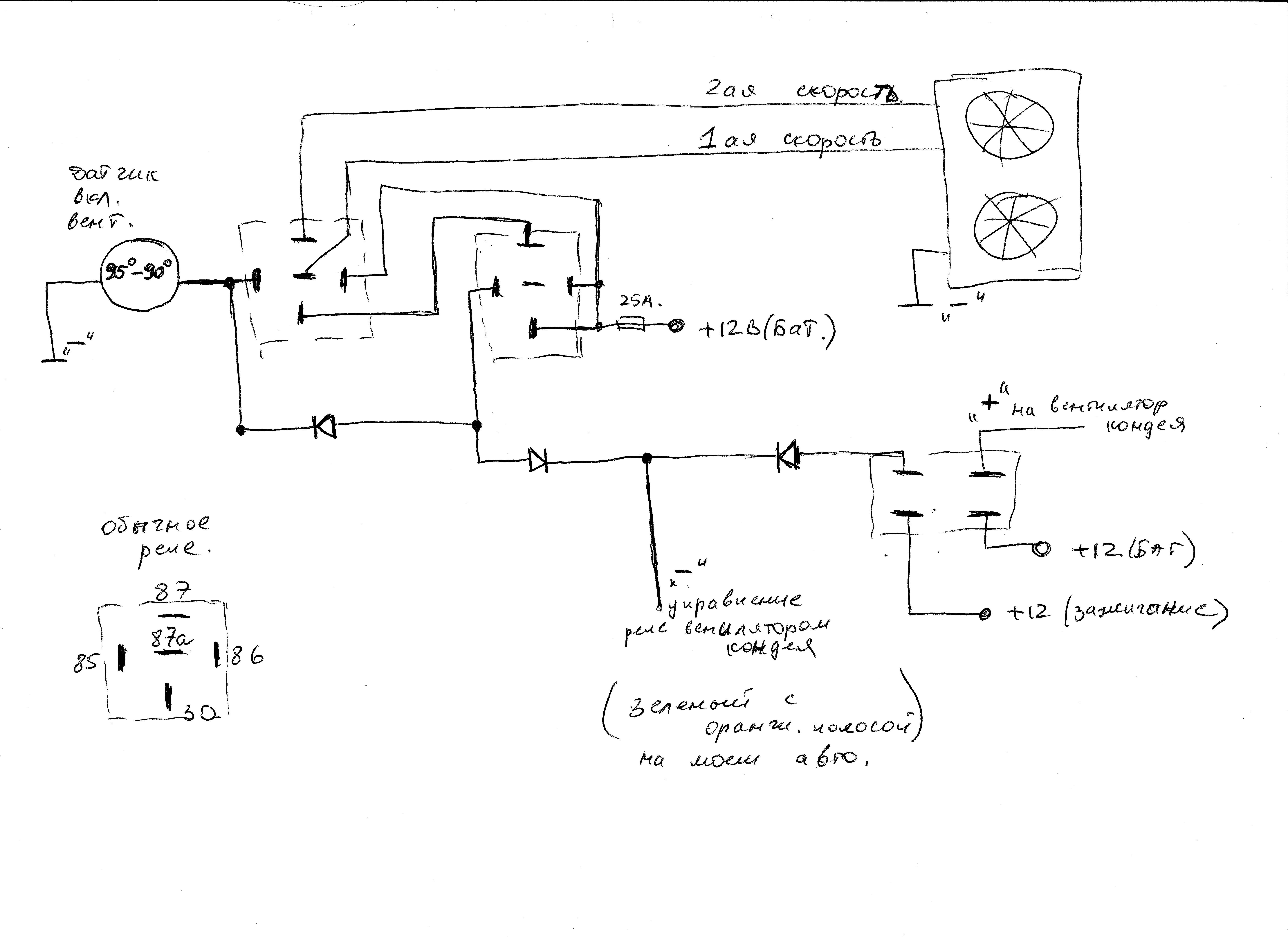
Ну вот, доделал сегодня. Жду жаркой погоды. Схема от руки, если кто-то захочет повторить. 
MMS `03 AWD. Hankook 265/75R16,лайтовый силовичок, лебедь EW 12000, бодик 4см. http://www.drive2.ru/r/mitsubishi/851414/
- skodec
- Сообщения: 214
- Зарегистрирован: 26 апр 2013, 13:33
- Двигатель:: 6G72
- Мой автомобиль(и):: ММS AWD
- Откуда: Москва
- Благодарил (а): 4 раза
- Поблагодарили: 10 раз
Re: Позвольте въехать на Montero Sport 03, 6G72, AWD :)
Продолжаю серию очумелых ручек
. Захотелось бамперочек посерьезнее чем штатный пластиковый, но и не такой чтоб стены ломать. Т.к площадка под лебедку из 20 швелера уже стояла, решил пристроить к ней все остальное. Закупил уголок, метал 2мм, 3мм, диски для болгарки проволоку для сварочника и понеслась. Ну вот спустя 2 недели вышел таки "каменный цветок". Сегодня с утра на строительном рынке за 200руб загнул трубы будущего кенгурина и примерил. При желании бампер можно снять минут за 20, и останется только лебедка. Осталось все обварить и покрасить. Отзывы приветствутся.
Последний раз редактировалось skodec 14 июл 2014, 22:53, всего редактировалось 1 раз.
MMS `03 AWD. Hankook 265/75R16,лайтовый силовичок, лебедь EW 12000, бодик 4см. http://www.drive2.ru/r/mitsubishi/851414/
- skodec
- Сообщения: 214
- Зарегистрирован: 26 апр 2013, 13:33
- Двигатель:: 6G72
- Мой автомобиль(и):: ММS AWD
- Откуда: Москва
- Благодарил (а): 4 раза
- Поблагодарили: 10 раз
Re: Позвольте въехать на Montero Sport 03, 6G72, AWD :)
Продолжение: Вот так вот было и стало.
MMS `03 AWD. Hankook 265/75R16,лайтовый силовичок, лебедь EW 12000, бодик 4см. http://www.drive2.ru/r/mitsubishi/851414/
- eatm
- Сообщения: 626
- Зарегистрирован: 30 июн 2010, 11:26
- Двигатель:: 6G72
- Мой автомобиль(и):: TLC Prado 120
- Откуда: Москва
- Откуда: Москва, Отрадное
- Благодарил (а): 34 раза
- Поблагодарили: 10 раз
Re: Позвольте въехать на Montero Sport 03, 6G72, AWD :)
Офигеть
Под бампером 4 швеллера загушить бы чем-нибудь еще, но это ерунда. В остальном - офигеть.
Это у тебя гаражик такой?
Под бампером 4 швеллера загушить бы чем-нибудь еще, но это ерунда. В остальном - офигеть.
Это у тебя гаражик такой?
Montero Sport XLS, 2001, 6G72 3.0 V6/24, V4A51, LSD, SuperSelect (SNOOPER делал)
- skodec
- Сообщения: 214
- Зарегистрирован: 26 апр 2013, 13:33
- Двигатель:: 6G72
- Мой автомобиль(и):: ММS AWD
- Откуда: Москва
- Благодарил (а): 4 раза
- Поблагодарили: 10 раз
Re: Позвольте въехать на Montero Sport 03, 6G72, AWD :)
Под бампером профильная труба 60х60. Та которая верхняя под хайджек(обварил ее сегодня), и опора для бампера. Нижняя(внутри нее болты крепленя площадки под лебедку) закроется листом защиты(буду ее еще усиливать). Гаражик - это мой офис, работа, склад всего ...
Товарищ завтра плазморез привезет, еще пару листов защиты сделаю, а то болгаркой надоело пилить. Сегодня закруглил все углы, практически по техрегламенту(радиус закруглений около 5мм). Я вот думаю сделать в верхних трубах пару отверстий для снегоотвала на дачу
. Сейчас размышляю чем покрасить. Порошком делать точно не буду. Не ремонтопригодна. Пока думаю сделать так, сначала преобразователь ржавчины, потом грунт раптор, затем сам раптор. Только как себя поведут преобразователь вместе с протравляющим грунтом? Есть у кого опыт?
Товарищ завтра плазморез привезет, еще пару листов защиты сделаю, а то болгаркой надоело пилить. Сегодня закруглил все углы, практически по техрегламенту(радиус закруглений около 5мм). Я вот думаю сделать в верхних трубах пару отверстий для снегоотвала на дачу
MMS `03 AWD. Hankook 265/75R16,лайтовый силовичок, лебедь EW 12000, бодик 4см. http://www.drive2.ru/r/mitsubishi/851414/
- skodec
- Сообщения: 214
- Зарегистрирован: 26 апр 2013, 13:33
- Двигатель:: 6G72
- Мой автомобиль(и):: ММS AWD
- Откуда: Москва
- Благодарил (а): 4 раза
- Поблагодарили: 10 раз
Re: Позвольте въехать на Montero Sport 03, 6G72, AWD :)
Ну вот вчера наконец доделал защиты, забрал комплект раптора и отпескоструенный бампер, и даже успел загрунтовать и покрасить первым слоем. Раптор брал колеруемый. Долго размышлял в какой цвет покрасить: белый, золотистый, черный. В итоге остановился на черном. Купил эмаль VIKA(черная) и заколеровал раптор. Прикольно получилось. Раптор все таки прикольная штука, только воняет прилично, как и грунт.
MMS `03 AWD. Hankook 265/75R16,лайтовый силовичок, лебедь EW 12000, бодик 4см. http://www.drive2.ru/r/mitsubishi/851414/
- eatm
- Сообщения: 626
- Зарегистрирован: 30 июн 2010, 11:26
- Двигатель:: 6G72
- Мой автомобиль(и):: TLC Prado 120
- Откуда: Москва
- Откуда: Москва, Отрадное
- Благодарил (а): 34 раза
- Поблагодарили: 10 раз
Re: Позвольте въехать на Montero Sport 03, 6G72, AWD :)
Бампер очень нравится как получился.
Ну а расскажи - ты какие препятствия штурмуешь?
Ну а расскажи - ты какие препятствия штурмуешь?
Montero Sport XLS, 2001, 6G72 3.0 V6/24, V4A51, LSD, SuperSelect (SNOOPER делал)
- skodec
- Сообщения: 214
- Зарегистрирован: 26 апр 2013, 13:33
- Двигатель:: 6G72
- Мой автомобиль(и):: ММS AWD
- Откуда: Москва
- Благодарил (а): 4 раза
- Поблагодарили: 10 раз
Re: Позвольте въехать на Montero Sport 03, 6G72, AWD :)
Препятствия штурмую с клубом 4x4 Дороги нет. Выбираю маршруты со сложностью 3-4(по их классификации), дальше мне колесики нужны другие и лифт подвески. Последний разы выезжал 23 марта и 27 апреля(еще не затягивал торсионы), итог погнутый и заклинивший задний аммо, разбортировка двух передних колес, оторванная запаска(сломан механизм), выдавленные задние птф, ну и так пластик немного на переднем бампере и пришлось выкинуть заводскую защиту. Посмотреть разные киношки можно здесь http://www.4x4dorogi.net/viewforum.php?f=205 .Ближайший месяц выезжать не планирую, т.к раптор сохнет около 20дней. Ждемс. Ну и конечно итоговая фотка.eatm писал(а):Бампер очень нравится как получился.
Ну а расскажи - ты какие препятствия штурмуешь?
MMS `03 AWD. Hankook 265/75R16,лайтовый силовичок, лебедь EW 12000, бодик 4см. http://www.drive2.ru/r/mitsubishi/851414/
-
alexsiv76
- Сообщения: 205
- Зарегистрирован: 06 окт 2013, 23:07
- Двигатель:: Был 6G74 теперь 4.2 D
- Мой автомобиль(и):: Pajero2 6G74 продан ,куплен TLC 80.
- Откуда: МО Красногорск, Тверская обл. г.Зубцов.
- Благодарил (а): 1 раз
- Поблагодарили: 2 раза
Re: Позвольте въехать на Montero Sport 03, 6G72, AWD :)
Привет ! подскажи как кислотник лег на преобразователь , не было ли проблем ,а то протравил ржавчину на порогах преобразователем хочу загрунтовать кислотником и покрасить не уверен в совместимости материалов.
P.S Постоянно катаюсь с Сашей " Дороги нет" , а не разу не пересекались
P.S Постоянно катаюсь с Сашей " Дороги нет" , а не разу не пересекались
- skodec
- Сообщения: 214
- Зарегистрирован: 26 апр 2013, 13:33
- Двигатель:: 6G72
- Мой автомобиль(и):: ММS AWD
- Откуда: Москва
- Благодарил (а): 4 раза
- Поблагодарили: 10 раз
Re: Позвольте въехать на Montero Sport 03, 6G72, AWD :)
Я не решился эксперементировать, много разного пишут. После того как отпескоструили получился чистый матовый металл, и я сразу же его обезжирил и покрыл кислотным грунтом. Тоже хочу пороги покрыть, но пока не решился. Зачищать надо хорошо, а то отвалиться все.
Я последний раз с Сашей выезжал в апреле, поэтому наверное не пересекались.
Я последний раз с Сашей выезжал в апреле, поэтому наверное не пересекались.
MMS `03 AWD. Hankook 265/75R16,лайтовый силовичок, лебедь EW 12000, бодик 4см. http://www.drive2.ru/r/mitsubishi/851414/
- skodec
- Сообщения: 214
- Зарегистрирован: 26 апр 2013, 13:33
- Двигатель:: 6G72
- Мой автомобиль(и):: ММS AWD
- Откуда: Москва
- Благодарил (а): 4 раза
- Поблагодарили: 10 раз
Re: Позвольте въехать на Montero Sport 03, 6G72, AWD :)
Вчера 19.09 поучаствовал на корпоративе в качестве инструктора по джип туру. Т.к у меня авто на автомате, мне посадили 3х женщин водителей. При прохождении одного участка с ходу не вписываемся в поворот и в прыжке влетаем в березу (диаметром см 20), после чего нас отбрасывает в сторону на 1метр и мы продолжаем движение по глубокой колее. У водительницы небольшой шок, у меня шишка на голове и "большой шок" (как хорошо что подушки не сработали). Доехав до конца участка вышел посмотрел и на меня накатила сначала грусть, а потом осознав что произошло пару минут назад гордость за свой бампер. Удар пришелся в районе противотуманки. Результат: бампер ушел назад на 3см, правая часть немного оторвалась по шву от средней, потянуло крыло. Снял сегодня бампер, поправил его кувалдой часа 3, вытянул немного крыло. Выяснил что крыло потянуло бампером, из-за того, что я сделал маленький зазор между бампером и крылом. Что меня больше всего удивило что раптор практически вообще не пострадал и что фара осталась целой. Так что как ранее писали в коментах — таран все таки получился.
MMS `03 AWD. Hankook 265/75R16,лайтовый силовичок, лебедь EW 12000, бодик 4см. http://www.drive2.ru/r/mitsubishi/851414/
- eatm
- Сообщения: 626
- Зарегистрирован: 30 июн 2010, 11:26
- Двигатель:: 6G72
- Мой автомобиль(и):: TLC Prado 120
- Откуда: Москва
- Откуда: Москва, Отрадное
- Благодарил (а): 34 раза
- Поблагодарили: 10 раз
Re: Позвольте въехать на Montero Sport 03, 6G72, AWD :)
Э-эх. Но зато малыми потерями отделался!
Montero Sport XLS, 2001, 6G72 3.0 V6/24, V4A51, LSD, SuperSelect (SNOOPER делал)
- skodec
- Сообщения: 214
- Зарегистрирован: 26 апр 2013, 13:33
- Двигатель:: 6G72
- Мой автомобиль(и):: ММS AWD
- Откуда: Москва
- Благодарил (а): 4 раза
- Поблагодарили: 10 раз
Re: Позвольте въехать на Montero Sport 03, 6G72, AWD :)
Ну вот накрылся стартер, месяц он еле еле заводил авто, я думал акб умирает, а оказалось щетки(как потом оказалось). Жужжит но не заводит. Снял стартер(стал практически Гудини пока откручивал и вынимал его). Решил заменить бендикс, втягивающее и щетки чтобы больше не лазить ближайшее время. Щетки оказались уже стертыми и уже истиралась косичка провода. Цены на оригинал чуть не толкнули меня взять ружье и поехать в японию..... Начал изучать разные каталоги и exist. В итоге купил щетки lka 0.1976.1(410руб), втягивающее cargo 133049(1290руб), бендикс решил взять оригинал, но корейский Hyundai/Kia 36145-32510(ВСЕГО 970 РУБ). Щетки подошли не совсем, т.к у меня держатель щеток с внутренними пружинами, все щетки пришлось укорачивать на 3мм, а то все это хозяйство не налезало на ротор. Старые 2 щетки отпилил, зачистил и 100 ватным паяльником впаял новые. Все собрал, запихнул стартер обратно и урррааа, заводиться теперь с пол оборота.
MMS `03 AWD. Hankook 265/75R16,лайтовый силовичок, лебедь EW 12000, бодик 4см. http://www.drive2.ru/r/mitsubishi/851414/
- skodec
- Сообщения: 214
- Зарегистрирован: 26 апр 2013, 13:33
- Двигатель:: 6G72
- Мой автомобиль(и):: ММS AWD
- Откуда: Москва
- Благодарил (а): 4 раза
- Поблагодарили: 10 раз
Re: Позвольте въехать на Montero Sport 03, 6G72, AWD :)
Давно здесь ничего не писал. Продублирую с драйва сразу три поста.
Весна, руки чешутся что нибудь сделать для любимого авто. Стоит в гараже лист алюминия рифленого алюминия, который был куплен для порогов, красивый такой. Думал, думал куда прилепить и придумал. Купил винты под шестигранник и гайки из нержавейки, немного попилил, посверлил и вуаля. Смотрится здорово.
Весна, руки чешутся что нибудь сделать для любимого авто. Стоит в гараже лист алюминия рифленого алюминия, который был куплен для порогов, красивый такой. Думал, думал куда прилепить и придумал. Купил винты под шестигранник и гайки из нержавейки, немного попилил, посверлил и вуаля. Смотрится здорово.
Последний раз редактировалось skodec 06 май 2015, 15:14, всего редактировалось 1 раз.
MMS `03 AWD. Hankook 265/75R16,лайтовый силовичок, лебедь EW 12000, бодик 4см. http://www.drive2.ru/r/mitsubishi/851414/
- skodec
- Сообщения: 214
- Зарегистрирован: 26 апр 2013, 13:33
- Двигатель:: 6G72
- Мой автомобиль(и):: ММS AWD
- Откуда: Москва
- Благодарил (а): 4 раза
- Поблагодарили: 10 раз
Re: Позвольте въехать на Montero Sport 03, 6G72, AWD :)
Как говорится Мир, ТРУД, Май! Решил все таки обновить, салон изнутри, а то уже выцвел весь и в разводах, особенно водительская. Т.к карпет был куплен еще в сентябре прошлого года, докупил только клей в аэрозольном балончике(2шт) и подложку под ламинат(2м). Снял обивки, принес домой на балкон и понеслась. Балкон прежде оклеил пленкой чтобы клеем не запачкать. Ткань от дверей оторвалась на ура, а вот поролон пришлось счищать металлической щеткой. В общем клеим, сушим, разглаживаем… На все ушел весь день. Итог меня порадовал. Свежо, ярко. На очереди потолок(снят), т.к сейчас делаю силовые рейлинги, карпет куплен, клей тоже…
MMS `03 AWD. Hankook 265/75R16,лайтовый силовичок, лебедь EW 12000, бодик 4см. http://www.drive2.ru/r/mitsubishi/851414/
- skodec
- Сообщения: 214
- Зарегистрирован: 26 апр 2013, 13:33
- Двигатель:: 6G72
- Мой автомобиль(и):: ММS AWD
- Откуда: Москва
- Благодарил (а): 4 раза
- Поблагодарили: 10 раз
Re: Позвольте въехать на Montero Sport 03, 6G72, AWD :)
Ну вот наконец то заменил штатные(жидкие) на хенд мэйд силовые рейлинги. Решил делать из трубы диам 32мм толщина стенки 2мм, пластины 60х5, профиля 80х40х1,5. Т.к у меня высокая крыша пришлось повозиться с выпиливанием опор, особенно передней. Раньше рука еле пролизала между рейлингом и крышей, да и верхняя граница старых слегка выше крыши была. Старые рейлинги шатались если их потрясти, а после установки на них экспедиционного багажника стало стремно ездить, а вдруг вырвет. Теперь эта проблема решена — поднял рейлинги на 2 см., и фиг чего качается, только вместе с автомобилем. После снятия потолка, был и обнаружены усилители на крыше, что меня порадовало и шпильки с гайками М6, которыми прикручивались штатные рейлинги — недорозумение. Было принято расширить отверстия в крыше до 9мм и прикрутить новые рейлинги на болты М8. Из полосы были сделаны опорные площадки и в них вварены болты. Все это было покрашено порошковой краской. Вырезаны резинки и прикручено к крыше. Были куплены U-образные скобы(хомуты), которыми теперь будет крепиться багажник. В багажнике придеться пересверлить отверстия под крепеж. Завтра планирую перетянуть потолок карпетом и установить на место. Единственное что пока не нашел на рынке, это круглые пластиковые заглушки назад, пока обошелся пробкой от шампанского. Цена вопроса: металл — 650р., хомуты 8шт — 250р., покраска — 500р., шайбы, гайки, болты — 150р., Трудозатраты — бесценны
, Радости — вагон с тележкой.
MMS `03 AWD. Hankook 265/75R16,лайтовый силовичок, лебедь EW 12000, бодик 4см. http://www.drive2.ru/r/mitsubishi/851414/
-
Vitaliy666
- Сообщения: 2727
- Зарегистрирован: 02 сен 2011, 07:53
- Двигатель:: =--=
- Мой автомобиль(и):: =----=
- Откуда: =--=
- Благодарил (а): 11 раз
- Поблагодарили: 143 раза
Re: Позвольте въехать на Montero Sport 03, 6G72, AWD :)
Пусть я сейчас буду может быть не прав и резокskodec писал(а):Как говорится Мир, ТРУД, Май! Решил все таки обновить, салон изнутри, а то уже выцвел весь и в разводах, особенно водительская. Т.к карпет был куплен еще в сентябре прошлого года, докупил только клей в аэрозольном балончике(2шт) и подложку под ламинат(2м). Снял обивки, принес домой на балкон и понеслась. Балкон прежде оклеил пленкой чтобы клеем не запачкать. Ткань от дверей оторвалась на ура, а вот поролон пришлось счищать металлической щеткой. В общем клеим, сушим, разглаживаем… На все ушел весь день. Итог меня порадовал. Свежо, ярко. На очереди потолок(снят), т.к сейчас делаю силовые рейлинги, карпет куплен, клей тоже…
