TRT - Вдоль р.Киржач. Для стандартных 4х4 (08.11.25) Форум Обсуждение FAQ
Поиск неоригинального радиатора охлаждения
Модераторы: SNOOPER, Nbf, Romik, BAlex, drcham, DenVer, SoundSpeed
- ГАНС
- Сообщения: 4102
- Зарегистрирован: 07 июл 2011, 11:56
- Двигатель:: зажигалка
- Мой автомобиль(и):: паджеро-3
- Откуда: рАшА
- Благодарил (а): 967 раз
- Поблагодарили: 383 раза
Поиск неоригинального радиатора охлаждения
кстати на бензинках под воздушной заслонкой на квпускном коллекторе подходят тонкие шланги ОЖ на 8-10 мм., можно поставить небольшой металлический топливный фильт туда которые есть для инжекторных тазов

- BabyHummer A-328
- Сообщения: 6030
- Зарегистрирован: 27 июн 2012, 12:30
- Двигатель:: Бензин 3.8
- Мой автомобиль(и):: Mitsubishi Pajero IV
- Откуда: Москва, Бабушкинская
- Откуда: Москва
- Благодарил (а): 166 раз
- Поблагодарили: 211 раз
Поиск неоригинального радиатора охлаждения
Андрюх, я не знаю, что надо было сделать с системой охлаждения, чтобы несчастный фильтр так раздуло. В моей 31 летней практике за рулем, ничего, даже намека на подобное не было. Даже если поток через обратку слабый, но он есть! И весь объем ОЖ постепенно проходит через фильтр. И значит грязь тоже. Даже несмотря на "однотрубную" систему.
Я постараюсь на днях, когда куда-нить поеду, снять видео, где будет виден поток из обратки радиатора. Думаю, это расставит точки над Ё
С уважением, Андрей
Псакой буду, если вру! :-)
Псакой буду, если вру! :-)
- BabyHummer A-328
- Сообщения: 6030
- Зарегистрирован: 27 июн 2012, 12:30
- Двигатель:: Бензин 3.8
- Мой автомобиль(и):: Mitsubishi Pajero IV
- Откуда: Москва, Бабушкинская
- Откуда: Москва
- Благодарил (а): 166 раз
- Поблагодарили: 211 раз
Поиск неоригинального радиатора охлаждения
Я бы не стал туда устанавливать, т.к в жару, располагаясь непосредственно над двигателем и выпускным коллектором, есть шанс, что бензин в таком фильтре закипит, что наверняка приведет к образованию паровой пробки и отказу двигателя, соответственно. Вспомните проблемы в жару с бензонасосами карбюраторных машин(тех же Москвичей, да и жигулей тоже), когда приходилось на бензонасос класть мокрую тряпку для его охлаждения.
С уважением, Андрей
Псакой буду, если вру! :-)
Псакой буду, если вру! :-)
- ГАНС
- Сообщения: 4102
- Зарегистрирован: 07 июл 2011, 11:56
- Двигатель:: зажигалка
- Мой автомобиль(и):: паджеро-3
- Откуда: рАшА
- Благодарил (а): 967 раз
- Поблагодарили: 383 раза
Поиск неоригинального радиатора охлаждения
Какай-такай бензин когда все тут речь об ОЖ ведутBabyHummer A-328 писал(а): ↑28 май 2019, 13:53 Я бы не стал туда устанавливать, т.к в жару, располагаясь непосредственно над двигателем и выпускным коллектором, есть шанс, что бензин в таком фильтре закипит, что наверняка приведет к образованию паровой пробки и отказу двигателя, соответственно. Вспомните проблемы в жару с бензонасосами карбюраторных машин(тех же Москвичей, да и жигулей тоже), когда приходилось на бензонасос класть мокрую тряпку для его охлаждения.
- Lebed
- Сообщения: 10748
- Зарегистрирован: 25 июл 2010, 11:23
- Двигатель:: ******
- Мой автомобиль(и):: ******
- Откуда: ***
- Откуда: ***
- Благодарил (а): 236 раз
- Поблагодарили: 431 раз
Поиск неоригинального радиатора охлаждения
"Если театр начинается с вешалки, то за такие пьесы нужно вешать." (с)
P.S. Для упырей- "Мы с тобой Гималаи; остальные — ничтожества." (с)
P.S. Для упырей- "Мы с тобой Гималаи; остальные — ничтожества." (с)
- Lebed
- Сообщения: 10748
- Зарегистрирован: 25 июл 2010, 11:23
- Двигатель:: ******
- Мой автомобиль(и):: ******
- Откуда: ***
- Откуда: ***
- Благодарил (а): 236 раз
- Поблагодарили: 431 раз
Поиск неоригинального радиатора охлаждения
А почему он слабый ? ВспоминайBabyHummer A-328 писал(а): ↑28 май 2019, 13:50 Андрюх, я не знаю, что надо было сделать с системой охлаждения, чтобы несчастный фильтр так раздуло. В моей 31 летней практике за рулем, ничего, даже намека на подобное не было. Даже если поток через обратку слабый, но он есть! И весь объем ОЖ постепенно проходит через фильтр. И значит грязь тоже. Даже несмотря на "однотрубную" систему.
Я постараюсь на днях, когда куда-нить поеду, снять видео, где будет виден поток из обратки радиатора. Думаю, это расставит точки над Ё
Касательно "почему раздуло". Человек врезался в правильное место, а вот сам фильтр.. Что корпус, что начинка- не для этих задач.
Почему таких фото мало? Да потому что, одно дело выложить фото с новым подобным фильтром и с каментом "как я 3,14здато сделал", а другое дело фото с последствиями и каментом "как я 3,14 обо..ся с эти фильтром")) И само собой- место врезки.
Погугли, фото с по поведённым корпусом подобного фильтра после 200-300 км полно
"Если театр начинается с вешалки, то за такие пьесы нужно вешать." (с)
P.S. Для упырей- "Мы с тобой Гималаи; остальные — ничтожества." (с)
P.S. Для упырей- "Мы с тобой Гималаи; остальные — ничтожества." (с)
- Lebed
- Сообщения: 10748
- Зарегистрирован: 25 июл 2010, 11:23
- Двигатель:: ******
- Мой автомобиль(и):: ******
- Откуда: ***
- Откуда: ***
- Благодарил (а): 236 раз
- Поблагодарили: 431 раз
Поиск неоригинального радиатора охлаждения
Врежешь- увидишь, как там всё бурлит и клокочет)) Если прозрачный врежешь))BabyHummer A-328 писал(а): ↑28 май 2019, 13:53 Я бы не стал туда устанавливать, т.к в жару, располагаясь непосредственно над двигателем и выпускным коллектором, есть шанс, что бензин в таком фильтре закипит, что наверняка приведет к образованию паровой пробки и отказу двигателя, соответственно. Вспомните проблемы в жару с бензонасосами карбюраторных машин(тех же Москвичей, да и жигулей тоже), когда приходилось на бензонасос класть мокрую тряпку для его охлаждения.
"Если театр начинается с вешалки, то за такие пьесы нужно вешать." (с)
P.S. Для упырей- "Мы с тобой Гималаи; остальные — ничтожества." (с)
P.S. Для упырей- "Мы с тобой Гималаи; остальные — ничтожества." (с)
- Lebed
- Сообщения: 10748
- Зарегистрирован: 25 июл 2010, 11:23
- Двигатель:: ******
- Мой автомобиль(и):: ******
- Откуда: ***
- Откуда: ***
- Благодарил (а): 236 раз
- Поблагодарили: 431 раз
Поиск неоригинального радиатора охлаждения
"Если театр начинается с вешалки, то за такие пьесы нужно вешать." (с)
P.S. Для упырей- "Мы с тобой Гималаи; остальные — ничтожества." (с)
P.S. Для упырей- "Мы с тобой Гималаи; остальные — ничтожества." (с)
- BabyHummer A-328
- Сообщения: 6030
- Зарегистрирован: 27 июн 2012, 12:30
- Двигатель:: Бензин 3.8
- Мой автомобиль(и):: Mitsubishi Pajero IV
- Откуда: Москва, Бабушкинская
- Откуда: Москва
- Благодарил (а): 166 раз
- Поблагодарили: 211 раз
Поиск неоригинального радиатора охлаждения
Все. Писец. Уработался я, видимо... Умолкаю до лучших времен. А то я еще и по работе ошибок наделаю.
С уважением, Андрей
Псакой буду, если вру! :-)
Псакой буду, если вру! :-)
- Lebed
- Сообщения: 10748
- Зарегистрирован: 25 июл 2010, 11:23
- Двигатель:: ******
- Мой автомобиль(и):: ******
- Откуда: ***
- Откуда: ***
- Благодарил (а): 236 раз
- Поблагодарили: 431 раз
Поиск неоригинального радиатора охлаждения
Лан тебе, Андрей))
"Если театр начинается с вешалки, то за такие пьесы нужно вешать." (с)
P.S. Для упырей- "Мы с тобой Гималаи; остальные — ничтожества." (с)
P.S. Для упырей- "Мы с тобой Гималаи; остальные — ничтожества." (с)
- BabyHummer A-328
- Сообщения: 6030
- Зарегистрирован: 27 июн 2012, 12:30
- Двигатель:: Бензин 3.8
- Мой автомобиль(и):: Mitsubishi Pajero IV
- Откуда: Москва, Бабушкинская
- Откуда: Москва
- Благодарил (а): 166 раз
- Поблагодарили: 211 раз
Поиск неоригинального радиатора охлаждения
Минимум 10, а чаще всего по 12 часов ежедневно...
С уважением, Андрей
Псакой буду, если вру! :-)
Псакой буду, если вру! :-)
- Губернатор
- Сообщения: 2706
- Зарегистрирован: 27 фев 2012, 15:54
- Двигатель:: 6G72
- Мой автомобиль(и):: PAJERO-4
- Откуда: Хабаровск
- Откуда: Сев.Сахалин-Хабаровск
- Благодарил (а): 46 раз
- Поблагодарили: 107 раз
Поиск неоригинального радиатора охлаждения
А можно мне на пальцах объяснить работу фильтра на расширительный бачок. Пожалуйстаааа.
Только хорошо подумайте сначала о принципе "работы" бочка
Только хорошо подумайте сначала о принципе "работы" бочка
"Водитель-самый опасный узел машины"
(Виталий) 891Ч7729610
(Виталий) 891Ч7729610
-
Андрей005
- Сообщения: 354
- Зарегистрирован: 25 мар 2013, 11:52
- Двигатель:: 4M40-T
- Мой автомобиль(и):: Мицубиси Паджеро
- Откуда: Химки
- Благодарил (а): 6 раз
- Поблагодарили: 13 раз
Поиск неоригинального радиатора охлаждения
Подробности про систему охлаждения тут:https://pandia.ru/text/80/644/65206.php
Расширитель под давлением 2108,(можно внедрить фильтр), 2105 то же под давлением, но с одним шлангом(смысла в фильтре нет, надо внедряться в шланг печки)
- Lebed
- Сообщения: 10748
- Зарегистрирован: 25 июл 2010, 11:23
- Двигатель:: ******
- Мой автомобиль(и):: ******
- Откуда: ***
- Откуда: ***
- Благодарил (а): 236 раз
- Поблагодарили: 431 раз
Поиск неоригинального радиатора охлаждения
8 часовой рабочий день с перерывом на какаву , это тебе не на земле
"Если театр начинается с вешалки, то за такие пьесы нужно вешать." (с)
P.S. Для упырей- "Мы с тобой Гималаи; остальные — ничтожества." (с)
P.S. Для упырей- "Мы с тобой Гималаи; остальные — ничтожества." (с)
- Lebed
- Сообщения: 10748
- Зарегистрирован: 25 июл 2010, 11:23
- Двигатель:: ******
- Мой автомобиль(и):: ******
- Откуда: ***
- Откуда: ***
- Благодарил (а): 236 раз
- Поблагодарили: 431 раз
Поиск неоригинального радиатора охлаждения
Губернатор писал(а): ↑29 май 2019, 10:58 А можно мне на пальцах объяснить работу фильтра на расширительный бачок. Пожалуйстаааа.
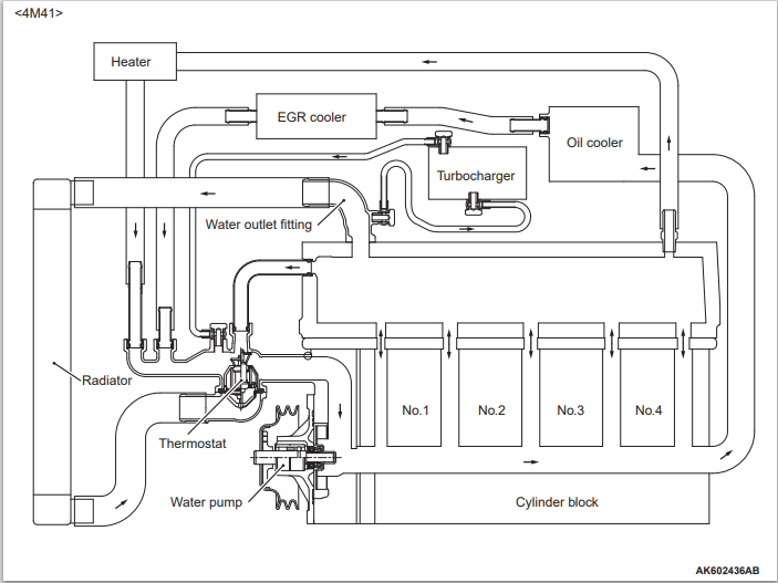
Зачем на примере Жигулей?)) Вот наша схемаАндрей005 писал(а): ↑29 май 2019, 12:13 Подробности про систему охлаждения тут:https://pandia.ru/text/80/644/65206.php
Расширитель под давлением 2108,(можно внедрить фильтр), 2105 то же под давлением, но с одним шлангом(смысла в фильтре нет, надо внедряться в шланг печки)
"Если театр начинается с вешалки, то за такие пьесы нужно вешать." (с)
P.S. Для упырей- "Мы с тобой Гималаи; остальные — ничтожества." (с)
P.S. Для упырей- "Мы с тобой Гималаи; остальные — ничтожества." (с)
- Губернатор
- Сообщения: 2706
- Зарегистрирован: 27 фев 2012, 15:54
- Двигатель:: 6G72
- Мой автомобиль(и):: PAJERO-4
- Откуда: Хабаровск
- Откуда: Сев.Сахалин-Хабаровск
- Благодарил (а): 46 раз
- Поблагодарили: 107 раз
Поиск неоригинального радиатора охлаждения
Остались.
Смысл в фильтре в данном месте (фото далеко-высоко)??
Так как фильтр работает с "однотрубной" системой расширительного бочка.
Извиняюсь, упертый я, но больше любопытный
А это тебе Андрон - лишнего накидал. Мне работа расширительного .... нужно было только, а Андрей005 тебя немножко выбил из "русла" вопроса.
Мелкий шрифт читали?
Андрюха, напоминает 12-13 год
А мне это нравилось Андрюха
Не забывай, нам еще поругаться надо, а то получиться тема не тема
"Водитель-самый опасный узел машины"
(Виталий) 891Ч7729610
(Виталий) 891Ч7729610
- Губернатор
- Сообщения: 2706
- Зарегистрирован: 27 фев 2012, 15:54
- Двигатель:: 6G72
- Мой автомобиль(и):: PAJERO-4
- Откуда: Хабаровск
- Откуда: Сев.Сахалин-Хабаровск
- Благодарил (а): 46 раз
- Поблагодарили: 107 раз
Поиск неоригинального радиатора охлаждения
Жаль Den очень редко заходит
"Водитель-самый опасный узел машины"
(Виталий) 891Ч7729610
(Виталий) 891Ч7729610
-
Андрей005
- Сообщения: 354
- Зарегистрирован: 25 мар 2013, 11:52
- Двигатель:: 4M40-T
- Мой автомобиль(и):: Мицубиси Паджеро
- Откуда: Химки
- Благодарил (а): 6 раз
- Поблагодарили: 13 раз
Поиск неоригинального радиатора охлаждения
У меня на схемах есть расширитель, а на "наших" схемах надо додумывать. Кстати в "не наших" схемах оба бачка под давлением. Клапан расположен в крышке бачка, а у нас в крышке радиатора.
- Губернатор
- Сообщения: 2706
- Зарегистрирован: 27 фев 2012, 15:54
- Двигатель:: 6G72
- Мой автомобиль(и):: PAJERO-4
- Откуда: Хабаровск
- Откуда: Сев.Сахалин-Хабаровск
- Благодарил (а): 46 раз
- Поблагодарили: 107 раз
Поиск неоригинального радиатора охлаждения
Ниссан любит такую схему, но все равно у нас фильтр полная бессмыслица и трата денег, хоть и копейки, но кОлхОз.
"Водитель-самый опасный узел машины"
(Виталий) 891Ч7729610
(Виталий) 891Ч7729610
-
Андрей005
- Сообщения: 354
- Зарегистрирован: 25 мар 2013, 11:52
- Двигатель:: 4M40-T
- Мой автомобиль(и):: Мицубиси Паджеро
- Откуда: Химки
- Благодарил (а): 6 раз
- Поблагодарили: 13 раз
Поиск неоригинального радиатора охлаждения
Может быть... Но то что я вытряхивал из фильтра, установленного перед радиатором отопителя, после смены головки, не хотелось совсем иметь в радиаторе отопителя.
