TRT - Вдоль р.Киржач. Для стандартных 4х4 (08.11.25) Форум Обсуждение FAQ
Система облегчения пуска двигателя SELF-REGULATING GLOW
Модераторы: SNOOPER, Nbf, Romik, BAlex, drcham, алексей - Маленький Мук, DenVer, Алекс
- drcham
- Модератор
- Сообщения: 14443
- Зарегистрирован: 08 апр 2006, 13:42
- Двигатель:: Бензин
- Мой автомобиль(и):: Wrangler JLU Rubicon
- Откуда: Москва
- Откуда: Москва ЮЗАО
- Благодарил (а): 62 раза
- Поблагодарили: 229 раз
- Контактная информация:
Re: Система облегчения пуска двигателя SELF-REGULATING GLOW
Это реле нет никакого смысла на сопротивление проверять. Надо лишь удостовериться замыкает ли оно цепь или нет между G и B... и по нему же можно определить сколько времени работают свечки.
4LO&GO! Wrangler JLU Rubicon
- MoVinG
- Сообщения: 990
- Зарегистрирован: 07 сен 2008, 23:27
- Двигатель:: 4М40T
- Мой автомобиль(и):: Pajero II, 1998г.в., левый руль, 4M40, 5 дв, МКПП, Super Select
- Откуда: Башкирия
- Откуда: Башкирия, 160км от Уфы
- Благодарил (а): 9 раз
- Поблагодарили: 40 раз
Re: Система облегчения пуска двигателя SELF-REGULATING GLOW
Раньше, когда штудировал темы по ремонтам блоков управления свечами, встречал вот такую характерную неисправность:

Дорожка от контактов управляющего реле до первого контакта разъёма на плате прогорала. Теперь понятно почему Митсу стали делать силовые реле с сопротивлением обмотки 20 Ом. Как раз для того, чтобы не прогорали дорожки подобным образом. Всё таки ток в 4-6А очень большой для контактов управляющего реле и дорожек на плате.
Так что, КДВ, следующей неисправностью у вас возможно будет именно то что на этом фото.
Дорожка от контактов управляющего реле до первого контакта разъёма на плате прогорала. Теперь понятно почему Митсу стали делать силовые реле с сопротивлением обмотки 20 Ом. Как раз для того, чтобы не прогорали дорожки подобным образом. Всё таки ток в 4-6А очень большой для контактов управляющего реле и дорожек на плате.
Так что, КДВ, следующей неисправностью у вас возможно будет именно то что на этом фото.
Последний раз редактировалось MoVinG 04 дек 2013, 13:41, всего редактировалось 1 раз.
- КДВ
- Сообщения: 270
- Зарегистрирован: 06 янв 2009, 11:12
- Откуда: МО
- Благодарил (а): 1 раз
- Поблагодарили: 4 раза
Re: Система облегчения пуска двигателя SELF-REGULATING GLOW
Не, у меня там чистенько все пока. Может термопредохранитель впаять в схему, пока не поздно? Всяко лучше, чем горелую дорожку потом восстанавливать.
Типа вот такого.
Типа вот такого.
- Вложения
-
- 711638527.jpg (7.64 КБ) 2360 просмотров
П2 2.8TD 1995 г.в. 2дв. АКПП Super Select
- КДВ
- Сообщения: 270
- Зарегистрирован: 06 янв 2009, 11:12
- Откуда: МО
- Благодарил (а): 1 раз
- Поблагодарили: 4 раза
Re: Система облегчения пуска двигателя SELF-REGULATING GLOW
А еще лучше самовосстанавливаюшийся ампер на 8.
П2 2.8TD 1995 г.в. 2дв. АКПП Super Select
- w1nter
- Сообщения: 151
- Зарегистрирован: 02 окт 2009, 13:15
- Двигатель:: 4M40
- Мой автомобиль(и):: Pajero II 2.8TD
- Откуда: Алматы
- Откуда: Almaty
- Благодарил (а): 9 раз
- Поблагодарили: 9 раз
Re: Система облегчения пуска двигателя SELF-REGULATING GLOW
Всем привет!
Форумчане, необходима помощь.
Просмотрел все 7 страниц форума, подчерпнул много полезной информации.
У самого обозначилась следующая проблема.
Начну с конца.
Блок АКПП стал получать не верный сигнал с TPS. Сначала думал на таблетку, потом проверил приходящее на неё напряжение - оно скачет и немного меньше 5 В.
На холодную более менее, с прогревом хуже.
Полез в блок SRG. Снял и разобрал. Ничего криминального. Дорожки целы, кондёры на вид не потёкшие. Начал проверять дома с подключенным компьютерным БП.
На выходе 4 микросхемы TA7900S присутствует 4,97 В. Реле RL101 включается и отключается через примерно 8 секунд.
Есть одна особенность: при увеличении оборотов ДВС напряжение (5В) уменьшается. При включении любой нагрузки - так же уменьшается.
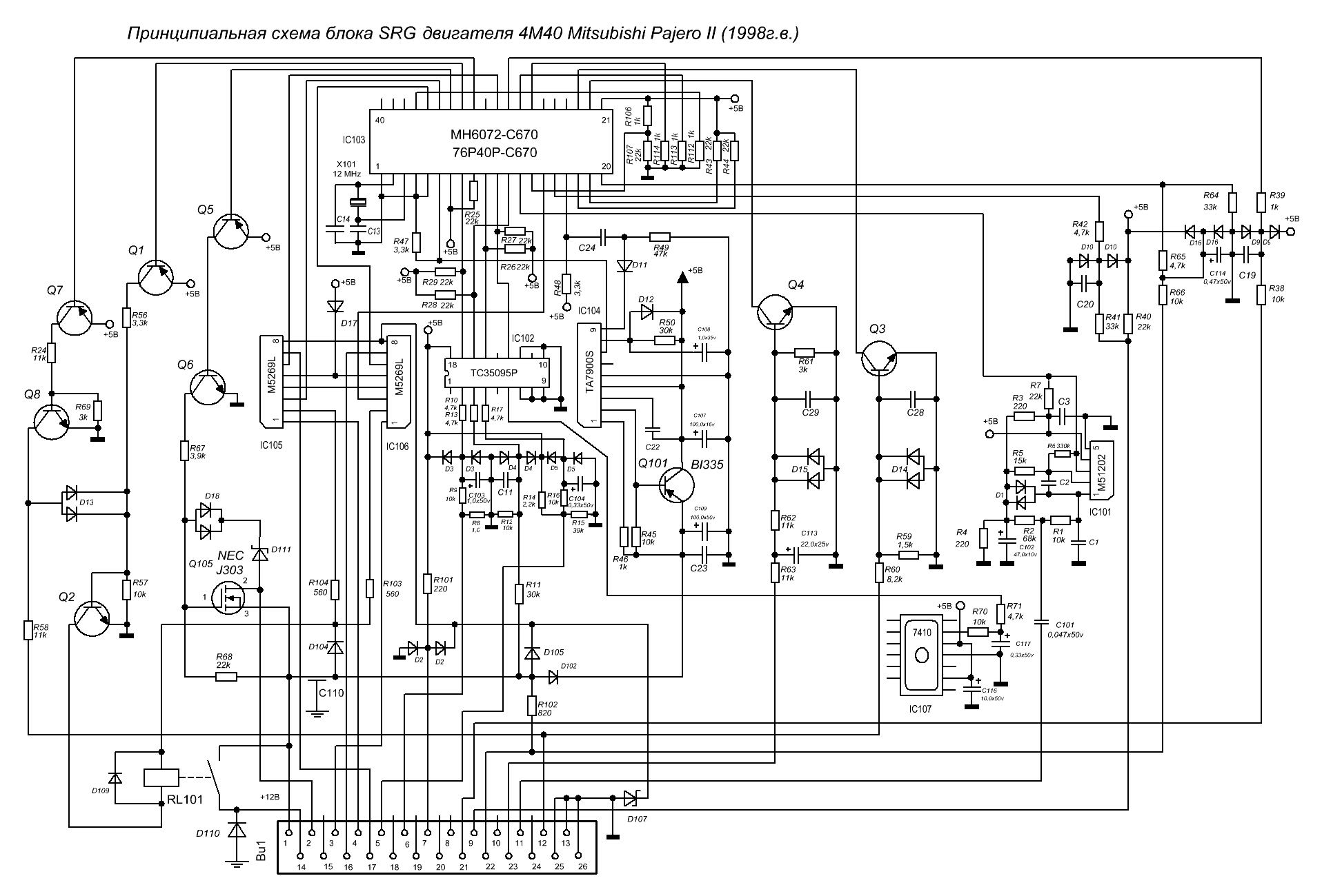
Приложу схему, ранее выложенную MoVinG
Форумчане, необходима помощь.
Просмотрел все 7 страниц форума, подчерпнул много полезной информации.
У самого обозначилась следующая проблема.
Начну с конца.
Блок АКПП стал получать не верный сигнал с TPS. Сначала думал на таблетку, потом проверил приходящее на неё напряжение - оно скачет и немного меньше 5 В.
На холодную более менее, с прогревом хуже.
Полез в блок SRG. Снял и разобрал. Ничего криминального. Дорожки целы, кондёры на вид не потёкшие. Начал проверять дома с подключенным компьютерным БП.
На выходе 4 микросхемы TA7900S присутствует 4,97 В. Реле RL101 включается и отключается через примерно 8 секунд.
Есть одна особенность: при увеличении оборотов ДВС напряжение (5В) уменьшается. При включении любой нагрузки - так же уменьшается.
Приложу схему, ранее выложенную MoVinG
- MoVinG
- Сообщения: 990
- Зарегистрирован: 07 сен 2008, 23:27
- Двигатель:: 4М40T
- Мой автомобиль(и):: Pajero II, 1998г.в., левый руль, 4M40, 5 дв, МКПП, Super Select
- Откуда: Башкирия
- Откуда: Башкирия, 160км от Уфы
- Благодарил (а): 9 раз
- Поблагодарили: 40 раз
Re: Система облегчения пуска двигателя SELF-REGULATING GLOW
Привет!
То, что на выходе 5в присутствует, говорит, скорее всего, об исправности цепей блока SRG.
Возможно, что причина не в нём. Попробуйте поискать исправную ТПС или замерьте напряжение на её выходе при разных положениях рычага газа. Но напряжение нужно мерить стрелочным вольтметром, так как современные цифровые не успевают среагировать на скачки напряжения. Когда будете перемещать рычаг подачи топлива на ТНВД, то напряжение должно плавно падать (или наоборот расти, точно уже не помню), если появятся провалы в виде дёргания стрелки вольтметра, то ТПС сильно изношена.
То, что на выходе 5в присутствует, говорит, скорее всего, об исправности цепей блока SRG.
Возможно, что причина не в нём. Попробуйте поискать исправную ТПС или замерьте напряжение на её выходе при разных положениях рычага газа. Но напряжение нужно мерить стрелочным вольтметром, так как современные цифровые не успевают среагировать на скачки напряжения. Когда будете перемещать рычаг подачи топлива на ТНВД, то напряжение должно плавно падать (или наоборот расти, точно уже не помню), если появятся провалы в виде дёргания стрелки вольтметра, то ТПС сильно изношена.
- w1nter
- Сообщения: 151
- Зарегистрирован: 02 окт 2009, 13:15
- Двигатель:: 4M40
- Мой автомобиль(и):: Pajero II 2.8TD
- Откуда: Алматы
- Откуда: Almaty
- Благодарил (а): 9 раз
- Поблагодарили: 9 раз
Re: Система облегчения пуска двигателя SELF-REGULATING GLOW
При нажатии на педаль газа напряжение на выводе 6 блока SRG увеличивается.
Изначально, я выставил правильно. Даже не предположу, отчего мог произойти глюк.
Дело в том, что при отключенном разъеме на самой TPS, всё равно напряжение "5В" меньше и не стабильно.
Доброе утро!
Вчера по пути домой вс. дорогу наблюдал за показаниями на выводе 6 - они стали более стабильны и минимальный предел держался на 0,7 В. От этого и АКПП вела себя предсказуемо.
Сегодня утром по пути на работу наблюдал напряжение на выводе 7 - на холодную ближе к 5, с прогревом и далее от 3,3 до 4,2 В. Любая нагрузка уменьшает напругу. Да и скачет оно по непонятным причинам.
Я вот думаю, может всё таки перепаять все кондёры, как никак им более 20 лет.
На счет конденсаторов тоже не уверен. Выходной транзистор Q101 надо бы проверить. Он кстати немного теплый при работе дома.
Про отдельный стабилизатор на 5В тоже думал, Но в даташите на ta7900s написано, что:
The TA7900S, TA7900F is an IC specially designed for
micro-computer systems. It produces an output voltage of
5±0.25V without need for adjustment from its accurate reference
voltage and amplifier circuit.
At power-on, it outputs a reset signal to reset the system. It will
also output a reset signal when the 5V output voltage drops
below 92% because of external disturbance or other problem. It
also incorporates a watchdog timer for self-diagnosing the system.
When the system malfunctions, the IC generates reset pulses
intermittently to prevent the system from running away.
Features
Accurate output : 5±0.25V
Output voltage adjusting pin attached
Power-on reset timer incorporated
Watchdog timer incorporated
Operating temperature range : from −40 to 85°C
Wide operating voltage range : 40V (max.)
SIP-9 pin (TA7900S)
SOP-14 pin (TA7900F)
TA79
TA7900S, TA7900F представляет собой ИС разработанную специально для
микро-компьютерных систем. Она производит выходное напряжение
5 ± 0,25 В, не нуждается в корректировке с его точной ссылкой
напряжения и схемы усилителя.
При включении, она выводит сигнал сброса для сброса системы. Она будет
также выводить сигнал сброса, когда выходное напряжение
ниже 92% из-за внешнего воздействия или другой проблемы. Она
также включает в себя сторожевой таймер для диагностики состояния системы.
Когда система неисправностей, ИС генерирует импульсы сброса
периодически, чтобы предотвратить систему от бежать.
черты
? Точная мощность: 5 ± 0,25 В
? Выход изменить напряжение контактный прилагается
Питание-по таймеру сброса включены
? Сторожевой таймер включен
? Диапазон рабочих температур: от -40 до 85 ° C
? Широкий диапазон рабочего напряжения: 40V (макс.)
? SIP-9-контактный (TA7900S)
? SOP-14 контактный (TA7900F)
TA79
Может быть данная ИС тоже неисправна? И постоянно дает сигнал сброса?
Изначально, я выставил правильно. Даже не предположу, отчего мог произойти глюк.
Дело в том, что при отключенном разъеме на самой TPS, всё равно напряжение "5В" меньше и не стабильно.
MoVinG писал(а):А что значит меньше и не стабильно? 4,97 это вполне себе нормальные 5в, в пределах погрешности. На выводе 6 оно и должно меняться, всё правильно - это сигнал идёт с ТПС.
Вот на сколько нестабильно само напряжение на выводе 7 ? Сильно скачет или в пределах 0,2в?
Доброе утро!
Вчера по пути домой вс. дорогу наблюдал за показаниями на выводе 6 - они стали более стабильны и минимальный предел держался на 0,7 В. От этого и АКПП вела себя предсказуемо.
Сегодня утром по пути на работу наблюдал напряжение на выводе 7 - на холодную ближе к 5, с прогревом и далее от 3,3 до 4,2 В. Любая нагрузка уменьшает напругу. Да и скачет оно по непонятным причинам.
Я вот думаю, может всё таки перепаять все кондёры, как никак им более 20 лет.
Под нагрузкой я имею в виду включение потребителей: фары, печка, магнитола и т.п. Т.е. по напряжению идёт просадка.MoVinG писал(а):Вот почему так может происходить? Странное поведение. На выводе 7 постоянно должно быть 5в или около того в пределах 4,8-5в. И от нагрузки это не должно зависеть. Конденсаторы тут не при чём. Они бы сразу просадили напряжение. Может выходной транзистор накрылся Q101.
А когда ты пишешь про нагрузку, то что имеешь в виду? Нагрузку на двигатель или на генератор?
Посмотри натяжение ремней на генераторе, замерь напряжение зарядки. Может генератор проседает и не даёт положенные 13,7-14,5в? Тогда это диодный мост внутри гены.
Если это всё исправно, то можно попробовать собрать простейший стабилизатор на +5В на КРЕН5А или аналогичной, и подать напрямую на ТПС в обход вывода 7.
В самом блоке SRG ещё попробуй на выводе 1 замерить напряжение и покататься. Должно быть не менее 12В.
На счет конденсаторов тоже не уверен. Выходной транзистор Q101 надо бы проверить. Он кстати немного теплый при работе дома.
Про отдельный стабилизатор на 5В тоже думал, Но в даташите на ta7900s написано, что:
The TA7900S, TA7900F is an IC specially designed for
micro-computer systems. It produces an output voltage of
5±0.25V without need for adjustment from its accurate reference
voltage and amplifier circuit.
At power-on, it outputs a reset signal to reset the system. It will
also output a reset signal when the 5V output voltage drops
below 92% because of external disturbance or other problem. It
also incorporates a watchdog timer for self-diagnosing the system.
When the system malfunctions, the IC generates reset pulses
intermittently to prevent the system from running away.
Features
Accurate output : 5±0.25V
Output voltage adjusting pin attached
Power-on reset timer incorporated
Watchdog timer incorporated
Operating temperature range : from −40 to 85°C
Wide operating voltage range : 40V (max.)
SIP-9 pin (TA7900S)
SOP-14 pin (TA7900F)
TA79
TA7900S, TA7900F представляет собой ИС разработанную специально для
микро-компьютерных систем. Она производит выходное напряжение
5 ± 0,25 В, не нуждается в корректировке с его точной ссылкой
напряжения и схемы усилителя.
При включении, она выводит сигнал сброса для сброса системы. Она будет
также выводить сигнал сброса, когда выходное напряжение
ниже 92% из-за внешнего воздействия или другой проблемы. Она
также включает в себя сторожевой таймер для диагностики состояния системы.
Когда система неисправностей, ИС генерирует импульсы сброса
периодически, чтобы предотвратить систему от бежать.
черты
? Точная мощность: 5 ± 0,25 В
? Выход изменить напряжение контактный прилагается
Питание-по таймеру сброса включены
? Сторожевой таймер включен
? Диапазон рабочих температур: от -40 до 85 ° C
? Широкий диапазон рабочего напряжения: 40V (макс.)
? SIP-9-контактный (TA7900S)
? SOP-14 контактный (TA7900F)
TA79
Может быть данная ИС тоже неисправна? И постоянно дает сигнал сброса?
- MoVinG
- Сообщения: 990
- Зарегистрирован: 07 сен 2008, 23:27
- Двигатель:: 4М40T
- Мой автомобиль(и):: Pajero II, 1998г.в., левый руль, 4M40, 5 дв, МКПП, Super Select
- Откуда: Башкирия
- Откуда: Башкирия, 160км от Уфы
- Благодарил (а): 9 раз
- Поблагодарили: 40 раз
Re: Система облегчения пуска двигателя SELF-REGULATING GLOW
Ещё могу предложить попробовать отсоединить вывод 7 от ТПС и посмотреть какое на нём будет напряжение при изменении нагрузки на генераторе. Это позволит понять, что просаживает напряжение - ТПС или внутренняя проблема блока SRG.
- w1nter
- Сообщения: 151
- Зарегистрирован: 02 окт 2009, 13:15
- Двигатель:: 4M40
- Мой автомобиль(и):: Pajero II 2.8TD
- Откуда: Алматы
- Откуда: Almaty
- Благодарил (а): 9 раз
- Поблагодарили: 9 раз
Re: Система облегчения пуска двигателя SELF-REGULATING GLOW
Это идея. Потому как дома от стабильного напряжения 12В блок SRG выдавал 4,97 Вольт.
Нужно пойти дальше, чтобы исключать по частям.
У меня есть ещё одна TPS (когда-то колхозил ВАЗовскую). Подключу её на снятом блоке SRG и буду мерить напряжение на выводе 6, изменяя угол вращения на TPS.
Но предварительно, конечно же, надо убедиться в исправности генератора (стабилизатора и моста).
PS есть ещё одно предположение. Намедни пропали STOP огни. Причиной оказалось банальное КЗ. Где-то под панелью в пучке.
Пришлось от одного разъёма к другому пустить провод в обход.
Жаль нет тёплого бокса, чтобы сразу все привести в порядок.
Нужно пойти дальше, чтобы исключать по частям.
У меня есть ещё одна TPS (когда-то колхозил ВАЗовскую). Подключу её на снятом блоке SRG и буду мерить напряжение на выводе 6, изменяя угол вращения на TPS.
Но предварительно, конечно же, надо убедиться в исправности генератора (стабилизатора и моста).
PS есть ещё одно предположение. Намедни пропали STOP огни. Причиной оказалось банальное КЗ. Где-то под панелью в пучке.
Пришлось от одного разъёма к другому пустить провод в обход.
Жаль нет тёплого бокса, чтобы сразу все привести в порядок.
- MoVinG
- Сообщения: 990
- Зарегистрирован: 07 сен 2008, 23:27
- Двигатель:: 4М40T
- Мой автомобиль(и):: Pajero II, 1998г.в., левый руль, 4M40, 5 дв, МКПП, Super Select
- Откуда: Башкирия
- Откуда: Башкирия, 160км от Уфы
- Благодарил (а): 9 раз
- Поблагодарили: 40 раз
Re: Система облегчения пуска двигателя SELF-REGULATING GLOW
Да, только перед снятием SRG убедись сначала, что на вывод 1 поступает нормальное напряжение +12в под нагрузкой.
Мне кажется, что у тебя причина сидит в генераторе.
Мне кажется, что у тебя причина сидит в генераторе.
- w1nter
- Сообщения: 151
- Зарегистрирован: 02 окт 2009, 13:15
- Двигатель:: 4M40
- Мой автомобиль(и):: Pajero II 2.8TD
- Откуда: Алматы
- Откуда: Almaty
- Благодарил (а): 9 раз
- Поблагодарили: 9 раз
Re: Система облегчения пуска двигателя SELF-REGULATING GLOW
ОК. Спасибо MoVinG. Совместными усилиями выведем недуг! 
- MoVinG
- Сообщения: 990
- Зарегистрирован: 07 сен 2008, 23:27
- Двигатель:: 4М40T
- Мой автомобиль(и):: Pajero II, 1998г.в., левый руль, 4M40, 5 дв, МКПП, Super Select
- Откуда: Башкирия
- Откуда: Башкирия, 160км от Уфы
- Благодарил (а): 9 раз
- Поблагодарили: 40 раз
Re: Система облегчения пуска двигателя SELF-REGULATING GLOW
Да не за что, всегда рад помочь! Обязательно выведем!
У меня изначально ведь тоже причина была в генераторе, но чтобы это понять, пришлось разобраться в схеме и принципе работы этой "Шайтан-коробки"!
У меня изначально ведь тоже причина была в генераторе, но чтобы это понять, пришлось разобраться в схеме и принципе работы этой "Шайтан-коробки"!
- w1nter
- Сообщения: 151
- Зарегистрирован: 02 окт 2009, 13:15
- Двигатель:: 4M40
- Мой автомобиль(и):: Pajero II 2.8TD
- Откуда: Алматы
- Откуда: Almaty
- Благодарил (а): 9 раз
- Поблагодарили: 9 раз
Re: Система облегчения пуска двигателя SELF-REGULATING GLOW
Итак, вести с полей )
Двиг. холодный. Заводим. Измеряем.
Бортовое напряжение 12,6 В.
На выводе "1" - 12,4 В.
На выводе "7" - 4,08 В.
Отключаем аккумуляторы.
Ток заряда от генератора (на клеммах) - 13,78 В.
На выводе "1" самого разъема - 13,44 В.
На вставленном разъеме в блок SRG - 13,28 В.
Отключаем TPS. Все так же без изменений.
Двигатель начинает прогреваться. Свечи уже давно отключились.
Изменилось только напряжение на выводе "7" - стало почти стабильное 4,84 В.
Глушим двигатель. Через пару минут измеряем снова. Все те же 4,84 Вольта.
Возможно, сбросилась ошибка на блоке АКПП.
Позже, когда двигатель остынет, сделаю ещё замеры.
Предположительно, мысли такие: необходимо смотреть блок SRG. А в частности, конденсаторы, диоды и транзисторы.
Так же, питание на блок приходит от замка зажигания и на белом проводе есть просадка напряжения на около полвольта. Причем, при прогреве - меньше.
Сдается мне, что коса проводов, идущая под панелью приборов, очень просится на проверку
PS Ах да, в то время, пока свечи накала ещё работают, напряжение "5 Вольт" падает при увеличении оборотов ДВС и включении нагрузок (фары, печка и т.п.) После отключения свечей влияния на нагрузку не замечено. Чего не сказать про пару дней назад (читай, до вскрытия блока SRG).
Двиг. холодный. Заводим. Измеряем.
Бортовое напряжение 12,6 В.
На выводе "1" - 12,4 В.
На выводе "7" - 4,08 В.
Отключаем аккумуляторы.
Ток заряда от генератора (на клеммах) - 13,78 В.
На выводе "1" самого разъема - 13,44 В.
На вставленном разъеме в блок SRG - 13,28 В.
Отключаем TPS. Все так же без изменений.
Двигатель начинает прогреваться. Свечи уже давно отключились.
Изменилось только напряжение на выводе "7" - стало почти стабильное 4,84 В.
Глушим двигатель. Через пару минут измеряем снова. Все те же 4,84 Вольта.
Возможно, сбросилась ошибка на блоке АКПП.
Позже, когда двигатель остынет, сделаю ещё замеры.
Предположительно, мысли такие: необходимо смотреть блок SRG. А в частности, конденсаторы, диоды и транзисторы.
Так же, питание на блок приходит от замка зажигания и на белом проводе есть просадка напряжения на около полвольта. Причем, при прогреве - меньше.
Сдается мне, что коса проводов, идущая под панелью приборов, очень просится на проверку
PS Ах да, в то время, пока свечи накала ещё работают, напряжение "5 Вольт" падает при увеличении оборотов ДВС и включении нагрузок (фары, печка и т.п.) После отключения свечей влияния на нагрузку не замечено. Чего не сказать про пару дней назад (читай, до вскрытия блока SRG).
- atas80
- Сообщения: 2880
- Зарегистрирован: 21 янв 2009, 19:38
- Двигатель:: 4M40
- Мой автомобиль(и):: Pajero 2 46 ATF
- Откуда: Киров
- Откуда: Kirov [43]
- Благодарил (а): 7 раз
- Поблагодарили: 72 раза
Re: Система облегчения пуска двигателя SELF-REGULATING GLOW
Прошу прощения, а 7 вывод на чем меряете ? Автомат прогрева работает ?
Mitsubishi PAJERO-II | 1995 | 4M40 | V46W | АКПП | GLS
Я горд за РОССИЙСКУЮ ИМПЕРИЮ - мы можем управлять "белым домом" и сажать своих людей в "овальный кабинет" !!!
Я горд за РОССИЙСКУЮ ИМПЕРИЮ - мы можем управлять "белым домом" и сажать своих людей в "овальный кабинет" !!!
- w1nter
- Сообщения: 151
- Зарегистрирован: 02 окт 2009, 13:15
- Двигатель:: 4M40
- Мой автомобиль(и):: Pajero II 2.8TD
- Откуда: Алматы
- Откуда: Almaty
- Благодарил (а): 9 раз
- Поблагодарили: 9 раз
Re: Система облегчения пуска двигателя SELF-REGULATING GLOW
Напряжение на выводе 7 измеряю на блоке SRG конечно.
Автомат прогрева работает не совсем так, как должен.
Да и он никак не влияет на "5 Вольт". Напряжение должно быть 5 Вольт в независимости от положения ДПДЗ.
Автомат прогрева работает не совсем так, как должен.
Да и он никак не влияет на "5 Вольт". Напряжение должно быть 5 Вольт в независимости от положения ДПДЗ.
- w1nter
- Сообщения: 151
- Зарегистрирован: 02 окт 2009, 13:15
- Двигатель:: 4M40
- Мой автомобиль(и):: Pajero II 2.8TD
- Откуда: Алматы
- Откуда: Almaty
- Благодарил (а): 9 раз
- Поблагодарили: 9 раз
Re: Система облегчения пуска двигателя SELF-REGULATING GLOW
Проверил транзисторы на плате - исправны, и заменил электролиты по выходу.
Проверить работу блока пока не успел - стартер клинанул (((
Проверить работу блока пока не успел - стартер клинанул (((
- w1nter
- Сообщения: 151
- Зарегистрирован: 02 окт 2009, 13:15
- Двигатель:: 4M40
- Мой автомобиль(и):: Pajero II 2.8TD
- Откуда: Алматы
- Откуда: Almaty
- Благодарил (а): 9 раз
- Поблагодарили: 9 раз
Re: Система облегчения пуска двигателя SELF-REGULATING GLOW
Победа, друзья!
Замена кондёров на выходе помогла!
Теперь блок держит стабильные 4,87 Вольта.
Не знаю, мало или нет, но за то стабильные )).
В блоке ещё есть электролиты емкостью 0,33 мкФ. Их не трогал, потому как не нашёл.
PS В стартере сгорели щётки. Заменили и без проблем.
Замена кондёров на выходе помогла!
Теперь блок держит стабильные 4,87 Вольта.
Не знаю, мало или нет, но за то стабильные )).
В блоке ещё есть электролиты емкостью 0,33 мкФ. Их не трогал, потому как не нашёл.
PS В стартере сгорели щётки. Заменили и без проблем.
- MoVinG
- Сообщения: 990
- Зарегистрирован: 07 сен 2008, 23:27
- Двигатель:: 4М40T
- Мой автомобиль(и):: Pajero II, 1998г.в., левый руль, 4M40, 5 дв, МКПП, Super Select
- Откуда: Башкирия
- Откуда: Башкирия, 160км от Уфы
- Благодарил (а): 9 раз
- Поблагодарили: 40 раз
Re: Система облегчения пуска двигателя SELF-REGULATING GLOW
Ну, поздравляю! 4.87 это в пределах нормы.
- w1nter
- Сообщения: 151
- Зарегистрирован: 02 окт 2009, 13:15
- Двигатель:: 4M40
- Мой автомобиль(и):: Pajero II 2.8TD
- Откуда: Алматы
- Откуда: Almaty
- Благодарил (а): 9 раз
- Поблагодарили: 9 раз
Re: Система облегчения пуска двигателя SELF-REGULATING GLOW
Счастье было не долгим ((
Ну, по порядку.
Стоп-сигналы перестали гореть по причине сгоревшего и замкнутого дополнительного стопаря в спойлере.
Убрал замыкающие провода, и провод в косе (под панелью) перестал коротить.
Совпадение ли, пришлось перебрать генератор. Теперь выдаёт положенные значения.
На блок SRG приходит напряжение сети чуть больше 12 В.
НО! На TPS уходит менее 5 вольт СНОВА!
Прозвонил провода до TPS - всё в норме.
Отключил TPS, замерил напряжение, оно такое же, как и на 7 выводе блока SRG.
Получается, из-за неверных значений TPS, блок АКПП не правильно управляет коробкой.
На холодную она ведёт себя адекватно, после небольшого прогрева - работает только на 2-й передаче.
При том, что в аварийный режим не уходит и показывает 11 ошибку (ошибка TPS) при самодиагностике.
Ну, по порядку.
Стоп-сигналы перестали гореть по причине сгоревшего и замкнутого дополнительного стопаря в спойлере.
Убрал замыкающие провода, и провод в косе (под панелью) перестал коротить.
Совпадение ли, пришлось перебрать генератор. Теперь выдаёт положенные значения.
На блок SRG приходит напряжение сети чуть больше 12 В.
НО! На TPS уходит менее 5 вольт СНОВА!
Прозвонил провода до TPS - всё в норме.
Отключил TPS, замерил напряжение, оно такое же, как и на 7 выводе блока SRG.
Получается, из-за неверных значений TPS, блок АКПП не правильно управляет коробкой.
На холодную она ведёт себя адекватно, после небольшого прогрева - работает только на 2-й передаче.
При том, что в аварийный режим не уходит и показывает 11 ошибку (ошибка TPS) при самодиагностике.
- w1nter
- Сообщения: 151
- Зарегистрирован: 02 окт 2009, 13:15
- Двигатель:: 4M40
- Мой автомобиль(и):: Pajero II 2.8TD
- Откуда: Алматы
- Откуда: Almaty
- Благодарил (а): 9 раз
- Поблагодарили: 9 раз
Re: Система облегчения пуска двигателя SELF-REGULATING GLOW
Ничего не понимаю...
Дома блок, подключенный к БП 12 вольт отлично работает. На выходе 5,02 вольта.
В авто же начинается гон ((
Дома блок, подключенный к БП 12 вольт отлично работает. На выходе 5,02 вольта.
В авто же начинается гон ((
