TRT - Вдоль р.Киржач. Для стандартных 4х4 (08.11.25) Форум Обсуждение FAQ
масляный радиатор на двигатель)
Модераторы: SNOOPER, Nbf, Romik, BAlex, drcham, Podzemshik
- <Вавил>
- Сообщения: 4190
- Зарегистрирован: 06 июн 2010, 08:40
- Двигатель:: 6G72
- Мой автомобиль(и):: Mitsubishi Montero Sport
- Откуда: Волгоград
- Откуда: Волгоград
- Благодарил (а): 13 раз
- Поблагодарили: 90 раз
Re: масляный радиатор на двигатель)
У меня по экзисту из одной части...
maxxis 265\75\R16mt762, пружины ТЛК80, переставлены торсионы, чистый ЕГР, ШЕРИФ 4 листа, доп. радиатор и вентилятор АКПП и масла движки, выкинут катализатор и ВСЕ стабилизаторы, шнорк
Все на D2 https://www.drive2.ru/r/mitsubishi/576735/
Все на D2 https://www.drive2.ru/r/mitsubishi/576735/
- <Вавил>
- Сообщения: 4190
- Зарегистрирован: 06 июн 2010, 08:40
- Двигатель:: 6G72
- Мой автомобиль(и):: Mitsubishi Montero Sport
- Откуда: Волгоград
- Откуда: Волгоград
- Благодарил (а): 13 раз
- Поблагодарили: 90 раз
Re: масляный радиатор на двигатель)
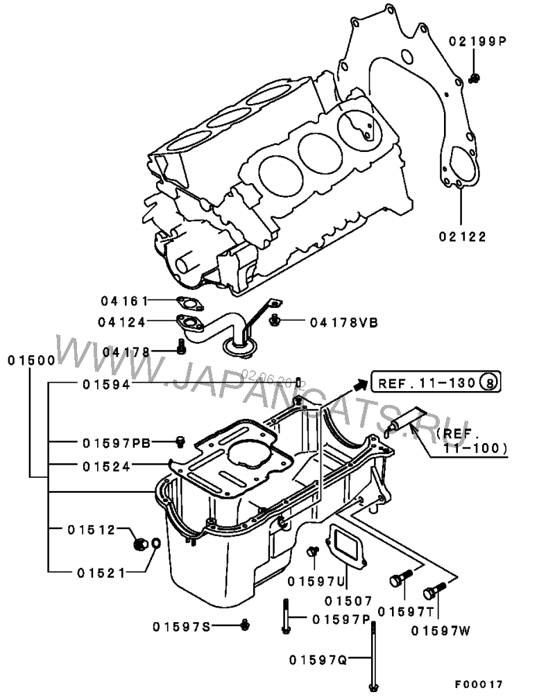
Я так понял что Вы имели в виду двойной поддон как на картинке? Но по моему VIN даёт только одинарный - значит всё будет ОК?GrifonII писал(а):На этот вопрос походу никто не ответит, такой переделкой думаю еще никто не озадачивался, и проверить получится только после инстоляции с манометром.
И еще на последок перед установкой проверите на сколько смещен вперед по ходу движения пояс крепления маслянного поддона, так как для этого кронштеина подиум крепления должен немного выступать за маслянный поддон. У меня например придется делать проставку 4см для выдвижения места крепления.... иначе кронштеин упрется в поддон.
немного коряво но вроди понтяно
maxxis 265\75\R16mt762, пружины ТЛК80, переставлены торсионы, чистый ЕГР, ШЕРИФ 4 листа, доп. радиатор и вентилятор АКПП и масла движки, выкинут катализатор и ВСЕ стабилизаторы, шнорк
Все на D2 https://www.drive2.ru/r/mitsubishi/576735/
Все на D2 https://www.drive2.ru/r/mitsubishi/576735/
- GrifonII
- Сообщения: 1192
- Зарегистрирован: 24 авг 2011, 20:04
- Двигатель:: 6G74 DOHC
- Мой автомобиль(и):: Montero Sport, 2000MY, SuperAWD
- Откуда: Краснодар
- Откуда: Краснодар
- Благодарил (а): 7 раз
- Поблагодарили: 41 раз
Re: масляный радиатор на двигатель)
да про это. мне меньше повезло... надеюсь с проставкой под крепление получится поставить.<Вавил> писал(а):Я так понял что Вы имели в виду двойной поддон как на картинке? Но по моему VIN даёт только одинарный - значит всё будет ОК?
Montero Sport 2000, 6G74DOHC, 230лс, nonline 3-0. продан
- <Вавил>
- Сообщения: 4190
- Зарегистрирован: 06 июн 2010, 08:40
- Двигатель:: 6G72
- Мой автомобиль(и):: Mitsubishi Montero Sport
- Откуда: Волгоград
- Откуда: Волгоград
- Благодарил (а): 13 раз
- Поблагодарили: 90 раз
Re: масляный радиатор на двигатель)
Всё! Пришли последние шаёбочки последние и болтики! Трубки сначала не те пришли... Вот такие надо. Они подлиннее! Короче в ближайшее время займусь колхозом! Но не покидают разные сомнения... Гуру!!! Оно нам точно НАДО?
maxxis 265\75\R16mt762, пружины ТЛК80, переставлены торсионы, чистый ЕГР, ШЕРИФ 4 листа, доп. радиатор и вентилятор АКПП и масла движки, выкинут катализатор и ВСЕ стабилизаторы, шнорк
Все на D2 https://www.drive2.ru/r/mitsubishi/576735/
Все на D2 https://www.drive2.ru/r/mitsubishi/576735/
- <Вавил>
- Сообщения: 4190
- Зарегистрирован: 06 июн 2010, 08:40
- Двигатель:: 6G72
- Мой автомобиль(и):: Mitsubishi Montero Sport
- Откуда: Волгоград
- Откуда: Волгоград
- Благодарил (а): 13 раз
- Поблагодарили: 90 раз
Re: масляный радиатор на двигатель)
Короче покупайте билеты в первый ряд! Запасайтесь пивом и попкорном! Начинается многосерийный разказ о установке сего девайса! Значица обо всём по порядку. 1. Для того чтобы добраться до болтов крепления кронштейна надо разобрать движок почти до ГРМа не стал снимать только кожух (но надо открутить и обыгрывать вокруг шкива для того что бы вытащить болт, шо под кожухом.) И собственно сам шкиф не стал снимать. Открутилось всё нормально. При установке кронштейна были сомнения, что термостат упрёться в ремень кондёра, но он чётко всал между ремнями. Дальше датчик давления упёрся в кронштейн кондёра. Пришлось подработать болгаркой. При прикрутке, правый нижний болт на 12 оказался коротким (новый кронштейн тоще в этом месте). Был заменён свеже найденным в гараже. По кронштейну всё! Далее трубки. Ставить радиатор туда, где стоит у П2 не было возможности, там у меня АКППшный стоит. Поэтому было принято решение ставить перед вентилятором кондёра. Трубки, что на предыдущем фото пришлось гнуть, благо они стальные. И тащить по разным сторонам кузова. Только тогда получилось эротично! Длинная пошла по правой. Короткая по левой. ... Собственно пока всё, т.к. намеченного сегодня дня не хватило, а я уже сел в поезд и поехал в командировку. По приезду буду доделывать. Воь несколько фото
- Вложения
maxxis 265\75\R16mt762, пружины ТЛК80, переставлены торсионы, чистый ЕГР, ШЕРИФ 4 листа, доп. радиатор и вентилятор АКПП и масла движки, выкинут катализатор и ВСЕ стабилизаторы, шнорк
Все на D2 https://www.drive2.ru/r/mitsubishi/576735/
Все на D2 https://www.drive2.ru/r/mitsubishi/576735/
- <Вавил>
- Сообщения: 4190
- Зарегистрирован: 06 июн 2010, 08:40
- Двигатель:: 6G72
- Мой автомобиль(и):: Mitsubishi Montero Sport
- Откуда: Волгоград
- Откуда: Волгоград
- Благодарил (а): 13 раз
- Поблагодарили: 90 раз
Re: масляный радиатор на двигатель)
Обращу внимание, что я не снимал ни кенгурин ни бампер! Можно было бы! Но обошлось. Короче продолжение через 2 недели!
maxxis 265\75\R16mt762, пружины ТЛК80, переставлены торсионы, чистый ЕГР, ШЕРИФ 4 листа, доп. радиатор и вентилятор АКПП и масла движки, выкинут катализатор и ВСЕ стабилизаторы, шнорк
Все на D2 https://www.drive2.ru/r/mitsubishi/576735/
Все на D2 https://www.drive2.ru/r/mitsubishi/576735/
- GriFon
- Сообщения: 1185
- Зарегистрирован: 21 май 2010, 09:55
- Двигатель:: 6G72 Газ Ri-500
- Мой автомобиль(и):: Montero Sport 2000 XLimited Super Select A4WD
- Откуда: Almaty
- Откуда: Montero Sport Club Almaty
- Благодарил (а): 2 раза
- Поблагодарили: 19 раз
Re: масляный радиатор на двигатель)
можно фото снизу? сколько растояние между кронштеином и юбкой поддона?
6G72, nonline body 3-0, радиатор от 4M40, термос TAMA88, электровеники от MPV, радиатор АКПП, ri-500, чип Е0 (удалены катализаторы, EGR, EVAP), Super Select, ГБО, калитка, пружины от патруля. в разработке задняя печка и 3.5DOHC.
- <Вавил>
- Сообщения: 4190
- Зарегистрирован: 06 июн 2010, 08:40
- Двигатель:: 6G72
- Мой автомобиль(и):: Mitsubishi Montero Sport
- Откуда: Волгоград
- Откуда: Волгоград
- Благодарил (а): 13 раз
- Поблагодарили: 90 раз
Re: масляный радиатор на двигатель)
Теперь только по возвращению домой... Но чисто зрительно, от фильтра до юбки сантиметра полтора. Может не получиться если у Вас 2х составной поддон. Кстати с проставкой вообще не вариант-кронштейн упрётся в ремень кондиционера! Но как вернусь, сфоткаю с приложенной рулеткой для ориентировки.GriFon писал(а):можно фото снизу? сколько растояние между кронштеином и юбкой поддона?
maxxis 265\75\R16mt762, пружины ТЛК80, переставлены торсионы, чистый ЕГР, ШЕРИФ 4 листа, доп. радиатор и вентилятор АКПП и масла движки, выкинут катализатор и ВСЕ стабилизаторы, шнорк
Все на D2 https://www.drive2.ru/r/mitsubishi/576735/
Все на D2 https://www.drive2.ru/r/mitsubishi/576735/
- <Вавил>
- Сообщения: 4190
- Зарегистрирован: 06 июн 2010, 08:40
- Двигатель:: 6G72
- Мой автомобиль(и):: Mitsubishi Montero Sport
- Откуда: Волгоград
- Откуда: Волгоград
- Благодарил (а): 13 раз
- Поблагодарили: 90 раз
Re: масляный радиатор на двигатель)
А вот у меня теперь вопрос кстати, будет ли масло в трубках и радиаторе стекать в поддон при заглушенном двигателе? Ведь получается так: двигатель холодный, в толькочто установленном радиаторе воздух, термостат в кронштейне маслонасоса закрыт. Завожу двигатель, масло начинает гулять мо малому кругу не заходя в радиатор. По мере прогрева масло заходит в радиатор. Воздух из радиатора выходит при этом в систему смазки? Потом когда термос полностью открыт, масло гуляет через радиатор, я глушу движок. Никаких обратных клапанов нет. Система через сапун завоздушена, соответственно под действием силы тяжести ото всюду сольётся в поддон так? Отсуда 2 вопроса: ничего ли страшного, что воздух из радиатора выходит в систему смазки? И надо ли мне теперь при контроле уровня масла делать поправку на объём, необходимый для заполнения радиатора? Если надо делать поправку, то получается, если я залил масло до максимума с учётом поправки, пока термос не откроется и не заполнит объём радиатора у меня будет повышенный уровень?
maxxis 265\75\R16mt762, пружины ТЛК80, переставлены торсионы, чистый ЕГР, ШЕРИФ 4 листа, доп. радиатор и вентилятор АКПП и масла движки, выкинут катализатор и ВСЕ стабилизаторы, шнорк
Все на D2 https://www.drive2.ru/r/mitsubishi/576735/
Все на D2 https://www.drive2.ru/r/mitsubishi/576735/
- <Вавил>
- Сообщения: 4190
- Зарегистрирован: 06 июн 2010, 08:40
- Двигатель:: 6G72
- Мой автомобиль(и):: Mitsubishi Montero Sport
- Откуда: Волгоград
- Откуда: Волгоград
- Благодарил (а): 13 раз
- Поблагодарили: 90 раз
Re: масляный радиатор на двигатель)
А что то у нас ГУРУ отстранились от сего обсуждения? Или честно ждут результатов эксперимента?<Вавил> писал(а):А вот у меня теперь вопрос кстати, будет ли масло в трубках и радиаторе стекать в поддон при заглушенном двигателе? Ведь получается так: двигатель холодный, в толькочто установленном радиаторе воздух, термостат в кронштейне маслонасоса закрыт. Завожу двигатель, масло начинает гулять мо малому кругу не заходя в радиатор. По мере прогрева масло заходит в радиатор. Воздух из радиатора выходит при этом в систему смазки? Потом когда термос полностью открыт, масло гуляет через радиатор, я глушу движок. Никаких обратных клапанов нет. Система через сапун завоздушена, соответственно под действием силы тяжести ото всюду сольётся в поддон так? Отсуда 2 вопроса: ничего ли страшного, что воздух из радиатора выходит в систему смазки? И надо ли мне теперь при контроле уровня масла делать поправку на объём, необходимый для заполнения радиатора? Если надо делать поправку, то получается, если я залил масло до максимума с учётом поправки, пока термос не откроется и не заполнит объём радиатора у меня будет повышенный уровень?
maxxis 265\75\R16mt762, пружины ТЛК80, переставлены торсионы, чистый ЕГР, ШЕРИФ 4 листа, доп. радиатор и вентилятор АКПП и масла движки, выкинут катализатор и ВСЕ стабилизаторы, шнорк
Все на D2 https://www.drive2.ru/r/mitsubishi/576735/
Все на D2 https://www.drive2.ru/r/mitsubishi/576735/
- <Вавил>
- Сообщения: 4190
- Зарегистрирован: 06 июн 2010, 08:40
- Двигатель:: 6G72
- Мой автомобиль(и):: Mitsubishi Montero Sport
- Откуда: Волгоград
- Откуда: Волгоград
- Благодарил (а): 13 раз
- Поблагодарили: 90 раз
Re: масляный радиатор на двигатель)
А где предположения то? Первопроходца, значит, нашли, а советами не помогают!<Вавил> писал(а):А вот у меня теперь вопрос кстати, будет ли масло в трубках и радиаторе стекать в поддон при заглушенном двигателе? Ведь получается так: двигатель холодный, в толькочто установленном радиаторе воздух, термостат в кронштейне маслонасоса закрыт. Завожу двигатель, масло начинает гулять мо малому кругу не заходя в радиатор. По мере прогрева масло заходит в радиатор. Воздух из радиатора выходит при этом в систему смазки? Потом когда термос полностью открыт, масло гуляет через радиатор, я глушу движок. Никаких обратных клапанов нет. Система через сапун завоздушена, соответственно под действием силы тяжести ото всюду сольётся в поддон так? Отсуда 2 вопроса: ничего ли страшного, что воздух из радиатора выходит в систему смазки? И надо ли мне теперь при контроле уровня масла делать поправку на объём, необходимый для заполнения радиатора? Если надо делать поправку, то получается, если я залил масло до максимума с учётом поправки, пока термос не откроется и не заполнит объём радиатора у меня будет повышенный уровень?
Кстати, надумал, что искомые трубочки наверное длинноваты. Попробую поискать от 4-го паджеры. У них крепёж одинаковый, но они односоставные и короче. Тогда их можно по прямой от кронштейна под тосольным и кондёровским радиатором пропустить в нужное место!
maxxis 265\75\R16mt762, пружины ТЛК80, переставлены торсионы, чистый ЕГР, ШЕРИФ 4 листа, доп. радиатор и вентилятор АКПП и масла движки, выкинут катализатор и ВСЕ стабилизаторы, шнорк
Все на D2 https://www.drive2.ru/r/mitsubishi/576735/
Все на D2 https://www.drive2.ru/r/mitsubishi/576735/
- GriFon
- Сообщения: 1185
- Зарегистрирован: 21 май 2010, 09:55
- Двигатель:: 6G72 Газ Ri-500
- Мой автомобиль(и):: Montero Sport 2000 XLimited Super Select A4WD
- Откуда: Almaty
- Откуда: Montero Sport Club Almaty
- Благодарил (а): 2 раза
- Поблагодарили: 19 раз
Re: масляный радиатор на двигатель)
А там точно в насосе нету обратно клапана? Чето мне кажется это не гумманно по отношению к двигателю, при каждом пуске прокачивать магистрать, чето мне сдается что есть клапан, так как масленка после смены дольше горит, а в этот момент масла реально от фильтра до блока слито.
6G72, nonline body 3-0, радиатор от 4M40, термос TAMA88, электровеники от MPV, радиатор АКПП, ri-500, чип Е0 (удалены катализаторы, EGR, EVAP), Super Select, ГБО, калитка, пружины от патруля. в разработке задняя печка и 3.5DOHC.
- <Вавил>
- Сообщения: 4190
- Зарегистрирован: 06 июн 2010, 08:40
- Двигатель:: 6G72
- Мой автомобиль(и):: Mitsubishi Montero Sport
- Откуда: Волгоград
- Откуда: Волгоград
- Благодарил (а): 13 раз
- Поблагодарили: 90 раз
Re: масляный радиатор на двигатель)
В том то и дело, что клапана не видел. И кронштейн когда снимал, там небыло масла. Только в фильтре.
maxxis 265\75\R16mt762, пружины ТЛК80, переставлены торсионы, чистый ЕГР, ШЕРИФ 4 листа, доп. радиатор и вентилятор АКПП и масла движки, выкинут катализатор и ВСЕ стабилизаторы, шнорк
Все на D2 https://www.drive2.ru/r/mitsubishi/576735/
Все на D2 https://www.drive2.ru/r/mitsubishi/576735/
- GriFon
- Сообщения: 1185
- Зарегистрирован: 21 май 2010, 09:55
- Двигатель:: 6G72 Газ Ri-500
- Мой автомобиль(и):: Montero Sport 2000 XLimited Super Select A4WD
- Откуда: Almaty
- Откуда: Montero Sport Club Almaty
- Благодарил (а): 2 раза
- Поблагодарили: 19 раз
Re: масляный радиатор на двигатель)
клапан должен быть в насосе, у меня когда снимают из под фильтра бежит масло, как раз из магистрали я так думаю.<Вавил> писал(а):В том то и дело, что клапана не видел. И кронштейн когда снимал, там небыло масла. Только в фильтре.
6G72, nonline body 3-0, радиатор от 4M40, термос TAMA88, электровеники от MPV, радиатор АКПП, ri-500, чип Е0 (удалены катализаторы, EGR, EVAP), Super Select, ГБО, калитка, пружины от патруля. в разработке задняя печка и 3.5DOHC.
- <Вавил>
- Сообщения: 4190
- Зарегистрирован: 06 июн 2010, 08:40
- Двигатель:: 6G72
- Мой автомобиль(и):: Mitsubishi Montero Sport
- Откуда: Волгоград
- Откуда: Волгоград
- Благодарил (а): 13 раз
- Поблагодарили: 90 раз
Re: масляный радиатор на двигатель)
Сегодня возвращяюсь домой! После обеда буду продолжать пляски с бубном! Так что завтра, послезавтра ожидайте окончание этой истории!
maxxis 265\75\R16mt762, пружины ТЛК80, переставлены торсионы, чистый ЕГР, ШЕРИФ 4 листа, доп. радиатор и вентилятор АКПП и масла движки, выкинут катализатор и ВСЕ стабилизаторы, шнорк
Все на D2 https://www.drive2.ru/r/mitsubishi/576735/
Все на D2 https://www.drive2.ru/r/mitsubishi/576735/
- <Вавил>
- Сообщения: 4190
- Зарегистрирован: 06 июн 2010, 08:40
- Двигатель:: 6G72
- Мой автомобиль(и):: Mitsubishi Montero Sport
- Откуда: Волгоград
- Откуда: Волгоград
- Благодарил (а): 13 раз
- Поблагодарили: 90 раз
Re: масляный радиатор на двигатель)
Ну ... короче закончил... сразу скажу - что получилось - не понравилось. буду переделывать! Не понравилось то, что трубки от П2 реально длинные и расчитаны на установку в то место, где у нас радиатор коробки стоит. Поэтому пришлось крутить трубки в бараний рог и выводить в более менее приемлимое место. Но место в большинстве своём определилось трубками. В результате при установке туда - не закрывается до конца решотка радиатора, да и сам радиатор стоит криво и закрыт нижней частью решотки.
Буду короче искать трубки от П4, или вообще найду где пресуют шланги для грузовиков и соберу необходимую длину трубки-шланг.
Короче учитывая вышесказанное - время не переустановленного радиатора будем считать эксперементом по исследованию вредоносного или положительного его влияния но движок.
Ну и о хорошем...
Давление при заводке набирается так же как и раньше. Только схваться двигатель, через секунду гаснет лампа. Ни на холстых ни при полностью прогретом на D при стоянке не моргает. Вроде всё хорошо.
Температура радиатора на ощюпь схожа с коробочным.
Ну как говориться будем дальше посмотреть.
Ну и обещянные фото:
Буду короче искать трубки от П4, или вообще найду где пресуют шланги для грузовиков и соберу необходимую длину трубки-шланг.
Короче учитывая вышесказанное - время не переустановленного радиатора будем считать эксперементом по исследованию вредоносного или положительного его влияния но движок.
Ну и о хорошем...
Давление при заводке набирается так же как и раньше. Только схваться двигатель, через секунду гаснет лампа. Ни на холстых ни при полностью прогретом на D при стоянке не моргает. Вроде всё хорошо.
Температура радиатора на ощюпь схожа с коробочным.
Ну как говориться будем дальше посмотреть.
Ну и обещянные фото:
- Вложения
maxxis 265\75\R16mt762, пружины ТЛК80, переставлены торсионы, чистый ЕГР, ШЕРИФ 4 листа, доп. радиатор и вентилятор АКПП и масла движки, выкинут катализатор и ВСЕ стабилизаторы, шнорк
Все на D2 https://www.drive2.ru/r/mitsubishi/576735/
Все на D2 https://www.drive2.ru/r/mitsubishi/576735/
- GriFon
- Сообщения: 1185
- Зарегистрирован: 21 май 2010, 09:55
- Двигатель:: 6G72 Газ Ri-500
- Мой автомобиль(и):: Montero Sport 2000 XLimited Super Select A4WD
- Откуда: Almaty
- Откуда: Montero Sport Club Almaty
- Благодарил (а): 2 раза
- Поблагодарили: 19 раз
Re: масляный радиатор на двигатель)
Ну как ощущения после апгрейта?
Интересно при затяжных подъемах какой из 3-х радиаторов горячее, АКПП, масло двигателя или радиатор антифриза?
Давление масла в магистрале не мерили после установки?
Интересно при затяжных подъемах какой из 3-х радиаторов горячее, АКПП, масло двигателя или радиатор антифриза?
Давление масла в магистрале не мерили после установки?
6G72, nonline body 3-0, радиатор от 4M40, термос TAMA88, электровеники от MPV, радиатор АКПП, ri-500, чип Е0 (удалены катализаторы, EGR, EVAP), Super Select, ГБО, калитка, пружины от патруля. в разработке задняя печка и 3.5DOHC.
- <Вавил>
- Сообщения: 4190
- Зарегистрирован: 06 июн 2010, 08:40
- Двигатель:: 6G72
- Мой автомобиль(и):: Mitsubishi Montero Sport
- Откуда: Волгоград
- Откуда: Волгоград
- Благодарил (а): 13 раз
- Поблагодарили: 90 раз
Re: масляный радиатор на двигатель)
Давление не мерил, но по ощущениям при недавнозаглушенном движке лампочка гаснет так же как и всегда, а после ночной стоянки на полсекунды подольше горит. Сравнения по температурам радиатора пока не проводил, но обычной езде на ощюпь одинаковые. Но очень уже интересно подключить МУТ и понаблюдать, т.к. по показаниям показометра, есть мнение, что в теме ГРЕЕТСЯ я теперь только советы раздавать буду. Стрелка показометра стоит на без 17-18.
maxxis 265\75\R16mt762, пружины ТЛК80, переставлены торсионы, чистый ЕГР, ШЕРИФ 4 листа, доп. радиатор и вентилятор АКПП и масла движки, выкинут катализатор и ВСЕ стабилизаторы, шнорк
Все на D2 https://www.drive2.ru/r/mitsubishi/576735/
Все на D2 https://www.drive2.ru/r/mitsubishi/576735/
- GriFon
- Сообщения: 1185
- Зарегистрирован: 21 май 2010, 09:55
- Двигатель:: 6G72 Газ Ri-500
- Мой автомобиль(и):: Montero Sport 2000 XLimited Super Select A4WD
- Откуда: Almaty
- Откуда: Montero Sport Club Almaty
- Благодарил (а): 2 раза
- Поблагодарили: 19 раз
Re: масляный радиатор на двигатель)
Понятно, я вот теперь думаю что делать или поддон менять на одинарный или проставку точить, к первому пункту еще распологает рыжик недавно обнаруженный на поддоне, но блин поддон только от монтера > 04.2000 подойдет паджеровские имеют иную конфигурацию хотя посадочные одни и теже должны быть....
Еще информация для размышления, на 4.0л тойотовском двигле реализован метод охлаждения масла антифризом через проставку крепящуюся между кронштеином и фильтром.
Еще информация для размышления, на 4.0л тойотовском двигле реализован метод охлаждения масла антифризом через проставку крепящуюся между кронштеином и фильтром.
6G72, nonline body 3-0, радиатор от 4M40, термос TAMA88, электровеники от MPV, радиатор АКПП, ri-500, чип Е0 (удалены катализаторы, EGR, EVAP), Super Select, ГБО, калитка, пружины от патруля. в разработке задняя печка и 3.5DOHC.
- <Вавил>
- Сообщения: 4190
- Зарегистрирован: 06 июн 2010, 08:40
- Двигатель:: 6G72
- Мой автомобиль(и):: Mitsubishi Montero Sport
- Откуда: Волгоград
- Откуда: Волгоград
- Благодарил (а): 13 раз
- Поблагодарили: 90 раз
Re: масляный радиатор на двигатель)
Такая же фигня и на 4х паджерах дизельных и на спортах новых 2,5 дизель.GriFon писал(а):Еще информация для размышления, на 4.0л тойотовском двигле реализован метод охлаждения масла антифризом через проставку крепящуюся между кронштеином и фильтром.
maxxis 265\75\R16mt762, пружины ТЛК80, переставлены торсионы, чистый ЕГР, ШЕРИФ 4 листа, доп. радиатор и вентилятор АКПП и масла движки, выкинут катализатор и ВСЕ стабилизаторы, шнорк
Все на D2 https://www.drive2.ru/r/mitsubishi/576735/
Все на D2 https://www.drive2.ru/r/mitsubishi/576735/
