ЮЮ, Вы неисправимы.юрий юрикович писал(а): так что буду принимать роды отбойным молотком!
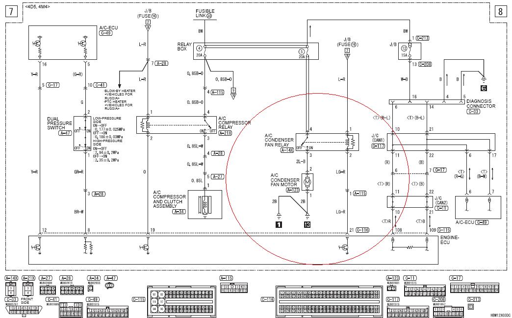
Есть же заводская схема работы доп вентилятора!
вот она http://pajero4x4.ru/bbs/phpBB2/download ... &mode=view
Лучше ее все равно не сделаешь. Она и вентиль на скорости не крутит понапрасну и включает его когда нужно, независимо от желания водителя.
Чего изобретать велосипед?
повышение оборотов двигателя при включенном кондиционере - это фича прошивки. Если муфта замкнута, то обороты повышаются до 900. Если нагрузка на кондиционер высокая, то включается электровентиль.
Все уже продумано до нас на заводе!
Если сильно хочется чтобы вентиль сам крутился, то от реле вентилятора нужно подать минус на землю. Поставьте кнопку да и всё.
Там ECU само минус подает чтобы реле сработало. Развязок не нужно.
