TRT - Вдоль р.Киржач. Для стандартных 4х4 (08.11.25) Форум Обсуждение FAQ
Система облегчения пуска двигателя SELF-REGULATING GLOW
Модераторы: SNOOPER, Nbf, Romik, BAlex, drcham, алексей - Маленький Мук, DenVer, Алекс
- MoVinG
- Сообщения: 990
- Зарегистрирован: 07 сен 2008, 23:27
- Двигатель:: 4М40T
- Мой автомобиль(и):: Pajero II, 1998г.в., левый руль, 4M40, 5 дв, МКПП, Super Select
- Откуда: Башкирия
- Откуда: Башкирия, 160км от Уфы
- Благодарил (а): 9 раз
- Поблагодарили: 40 раз
Re: Система облегчения пуска двигателя SELF-REGULATING GLOW
Привет!
А что с генератором у тебя было?
Может один из диодов полетел в выпрямителе? И четкого стабильного напряжения не поступает в блок.
А что с генератором у тебя было?
Может один из диодов полетел в выпрямителе? И четкого стабильного напряжения не поступает в блок.
- w1nter
- Сообщения: 151
- Зарегистрирован: 02 окт 2009, 13:15
- Двигатель:: 4M40
- Мой автомобиль(и):: Pajero II 2.8TD
- Откуда: Алматы
- Откуда: Almaty
- Благодарил (а): 9 раз
- Поблагодарили: 9 раз
Re: Система облегчения пуска двигателя SELF-REGULATING GLOW
В генераторе поменяли реле-регулятор и мост, плюс подшипники.
-
maxcheb
- Сообщения: 186
- Зарегистрирован: 22 апр 2008, 14:49
- Двигатель:: 4М40
- Мой автомобиль(и):: Pajero II, Коротыш, ПРуль
- Откуда: Мытищи
- Благодарил (а): 3 раза
- Поблагодарили: 2 раза
- Контактная информация:
Re: Система облегчения пуска двигателя SELF-REGULATING GLOW
Добрый день. Подскажите пожалуйста в чем может быть проблема:
Стала чудить коробка, думал опять ТПСка мозг парит. При попытке отрегулировать на выходе от ТПСки(6 выход на блоке SRG)оказалось 5,7 вольта на холостых. А на входе на ТПСку (7 выход SRG) - 11,1 вольта, тогда как должно быть 5в. Вскрыл блок SRG визуально никакого криминала не обнаружил. В схемах не особо силен. Подскажите что можно глянуть(замерить, проверить)?
Стала чудить коробка, думал опять ТПСка мозг парит. При попытке отрегулировать на выходе от ТПСки(6 выход на блоке SRG)оказалось 5,7 вольта на холостых. А на входе на ТПСку (7 выход SRG) - 11,1 вольта, тогда как должно быть 5в. Вскрыл блок SRG визуально никакого криминала не обнаружил. В схемах не особо силен. Подскажите что можно глянуть(замерить, проверить)?
японец-коротыш, 4M40, Super Select, АКПП
- w1nter
- Сообщения: 151
- Зарегистрирован: 02 окт 2009, 13:15
- Двигатель:: 4M40
- Мой автомобиль(и):: Pajero II 2.8TD
- Откуда: Алматы
- Откуда: Almaty
- Благодарил (а): 9 раз
- Поблагодарили: 9 раз
Re: Система облегчения пуска двигателя SELF-REGULATING GLOW
Заедьте к электрику, раз в схемах не силён.
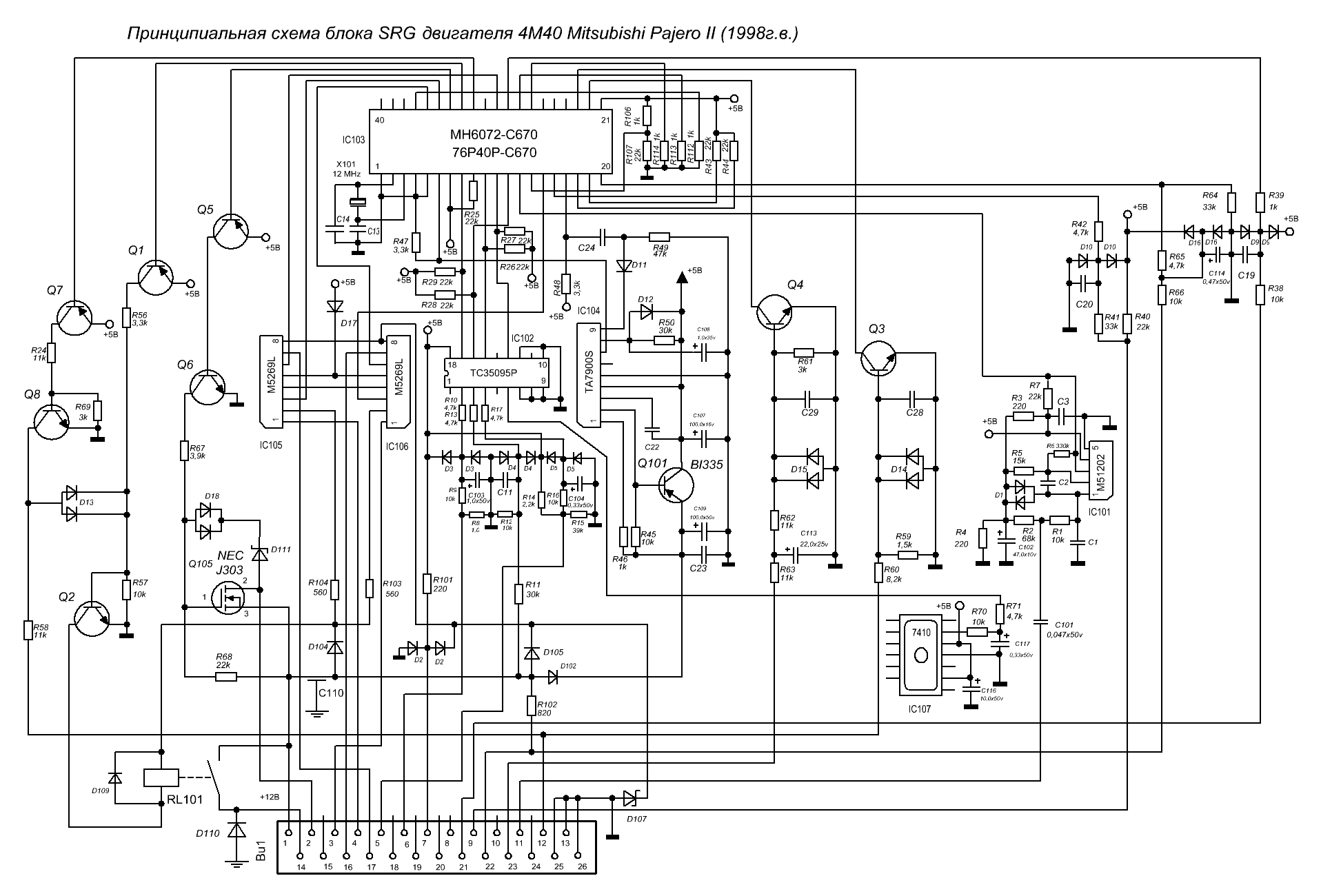
Вроде в этой теме выкладывали схему блока самописную ))
5 вольт на ТПС выдает стабилизатор ТС35395Р.
Так же сам блок может питаться неправильно.
На 1 ноге блока должно быть 12 вольт. Дальше по цепи стоит полевик Q105.
И вообще, посмотри внимательно кондёры. Не должны быть вздутые и потёкшие.
Вроде в этой теме выкладывали схему блока самописную ))
5 вольт на ТПС выдает стабилизатор ТС35395Р.
Так же сам блок может питаться неправильно.
На 1 ноге блока должно быть 12 вольт. Дальше по цепи стоит полевик Q105.
И вообще, посмотри внимательно кондёры. Не должны быть вздутые и потёкшие.
-
maxcheb
- Сообщения: 186
- Зарегистрирован: 22 апр 2008, 14:49
- Двигатель:: 4М40
- Мой автомобиль(и):: Pajero II, Коротыш, ПРуль
- Откуда: Мытищи
- Благодарил (а): 3 раза
- Поблагодарили: 2 раза
- Контактная информация:
Re: Система облегчения пуска двигателя SELF-REGULATING GLOW
На 1 ноге 12 вольт. Кондеры с виду нормальные. Отдал более понимающему. О результате расскажу.w1nter писал(а):Заедьте к электрику, раз в схемах не силён.
Вроде в этой теме выкладывали схему блока самописную ))
5 вольт на ТПС выдает стабилизатор ТС35395Р.
Так же сам блок может питаться неправильно.
На 1 ноге блока должно быть 12 вольт. Дальше по цепи стоит полевик Q105.
И вообще, посмотри внимательно кондёры. Не должны быть вздутые и потёкшие.
японец-коротыш, 4M40, Super Select, АКПП
-
igorDmt
- Сообщения: 73
- Зарегистрирован: 18 апр 2014, 19:47
- Двигатель:: 4M40
- Мой автомобиль(и):: митсубиси паджеро-2
- Откуда: Абакан
Re: Система облегчения пуска двигателя SELF-REGULATING GLOW
Подскажите какая напруга должна быть на свечах во втором режиме прогрева. У меня погорели все четыре свечи СР-05 за неделю (новые) , взял по 600руб. Змери напругу: 2-й режим 14,5в. Мерил на сгоревших свечах. Может так и должно быть?
- MoVinG
- Сообщения: 990
- Зарегистрирован: 07 сен 2008, 23:27
- Двигатель:: 4М40T
- Мой автомобиль(и):: Pajero II, 1998г.в., левый руль, 4M40, 5 дв, МКПП, Super Select
- Откуда: Башкирия
- Откуда: Башкирия, 160км от Уфы
- Благодарил (а): 9 раз
- Поблагодарили: 40 раз
Re: Система облегчения пуска двигателя SELF-REGULATING GLOW
Для этой системы подходият только керамические свечи. Если не хотите каждую неделю покупать дешевые свечи, то возьмите 1 раз дорогие Denso dg-306.
Хотя, 14.5в что-то многовато, но по мануалу номинал в пределах 12-15в. На них напряжение подается через силовое реле напрямую от АКБ через предохранитель №3 на плюсовой клемме. При заведённом авто, если генератор хороший заряд даёт, то 14,5в вполне может быть.
Хотя, 14.5в что-то многовато, но по мануалу номинал в пределах 12-15в. На них напряжение подается через силовое реле напрямую от АКБ через предохранитель №3 на плюсовой клемме. При заведённом авто, если генератор хороший заряд даёт, то 14,5в вполне может быть.
-
igorDmt
- Сообщения: 73
- Зарегистрирован: 18 апр 2014, 19:47
- Двигатель:: 4M40
- Мой автомобиль(и):: митсубиси паджеро-2
- Откуда: Абакан
Re: Система облегчения пуска двигателя SELF-REGULATING GLOW
Возможен ли выход из строя свечей накаливания из-за того, что бьют форсунки, или аппаратура недоробатывает?
- w1nter
- Сообщения: 151
- Зарегистрирован: 02 окт 2009, 13:15
- Двигатель:: 4M40
- Мой автомобиль(и):: Pajero II 2.8TD
- Откуда: Алматы
- Откуда: Almaty
- Благодарил (а): 9 раз
- Поблагодарили: 9 раз
Re: Система облегчения пуска двигателя SELF-REGULATING GLOW
Теоретически, из-за раннего впрыска может быть больше температура в цилиндрах. И, возможно, свечи быстрее прогорят.
Но это бред )))
На практике, свечи горят из-за не правильного предназначения.
Многие, замечал, ставят железные свечи на 6 вольт. (от 2,5 л. Паджеро), вот они и горят.
Но это бред )))
На практике, свечи горят из-за не правильного предназначения.
Многие, замечал, ставят железные свечи на 6 вольт. (от 2,5 л. Паджеро), вот они и горят.
- MoVinG
- Сообщения: 990
- Зарегистрирован: 07 сен 2008, 23:27
- Двигатель:: 4М40T
- Мой автомобиль(и):: Pajero II, 1998г.в., левый руль, 4M40, 5 дв, МКПП, Super Select
- Откуда: Башкирия
- Откуда: Башкирия, 160км от Уфы
- Благодарил (а): 9 раз
- Поблагодарили: 40 раз
Re: Система облегчения пуска двигателя SELF-REGULATING GLOW
Ставьте только керамику Denso DG306 и на год точно хватит.
-
igorDmt
- Сообщения: 73
- Зарегистрирован: 18 апр 2014, 19:47
- Двигатель:: 4M40
- Мой автомобиль(и):: митсубиси паджеро-2
- Откуда: Абакан
Re: Система облегчения пуска двигателя SELF-REGULATING GLOW
Если форсунка льёт на свечи, свеча по-моему тоже сгорит от разности температур. А это либо форсунки, либо аппаратура. Хотя расход в норме. Перед тем как ставить свечи, мне кажется надо проверить форсунки. А то как то не хочется чтобы ещё комплект Denso 306 сгорели.
-
maxcheb
- Сообщения: 186
- Зарегистрирован: 22 апр 2008, 14:49
- Двигатель:: 4М40
- Мой автомобиль(и):: Pajero II, Коротыш, ПРуль
- Откуда: Мытищи
- Благодарил (а): 3 раза
- Поблагодарили: 2 раза
- Контактная информация:
Re: Система облегчения пуска двигателя SELF-REGULATING GLOW
Поменял кондёры все восстановилось. Спасибо огромное.w1nter писал(а):Заедьте к электрику, раз в схемах не силён.
Вроде в этой теме выкладывали схему блока самописную ))
5 вольт на ТПС выдает стабилизатор ТС35395Р.
Так же сам блок может питаться неправильно.
На 1 ноге блока должно быть 12 вольт. Дальше по цепи стоит полевик Q105.
И вообще, посмотри внимательно кондёры. Не должны быть вздутые и потёкшие.
японец-коротыш, 4M40, Super Select, АКПП
- w1nter
- Сообщения: 151
- Зарегистрирован: 02 окт 2009, 13:15
- Двигатель:: 4M40
- Мой автомобиль(и):: Pajero II 2.8TD
- Откуда: Алматы
- Откуда: Almaty
- Благодарил (а): 9 раз
- Поблагодарили: 9 раз
Re: Система облегчения пуска двигателя SELF-REGULATING GLOW
Ну и славненько! Катайтесь и не ломайтесь! 
-
maxcheb
- Сообщения: 186
- Зарегистрирован: 22 апр 2008, 14:49
- Двигатель:: 4М40
- Мой автомобиль(и):: Pajero II, Коротыш, ПРуль
- Откуда: Мытищи
- Благодарил (а): 3 раза
- Поблагодарили: 2 раза
- Контактная информация:
Re: Система облегчения пуска двигателя SELF-REGULATING GLOW
Спасибо еще раз. Кстати, даже ушли срабатывания реле свечей накала на горячем двигателе. Что до этого наблюдалось даже в летнее время.
японец-коротыш, 4M40, Super Select, АКПП
-
PIA
- Сообщения: 4
- Зарегистрирован: 03 апр 2014, 01:18
- Двигатель:: only Turbo
- Мой автомобиль(и):: Automobike
- Откуда: Новороссиск
Re: Система облегчения пуска двигателя SELF-REGULATING GLOW
Добрый день!
Есть проблема с блоком - не можем его найти в машине...
Мотор 4D56, система подогрева свечей с двумя реле... Левойрукий паджерик 1992 гв
По описанию под левой ногой водителя, но после обследования мест под бардачком, магнитофоном, левой и правой ногой водителя данного блока не нашлось. Весьма вероятно что предыдущий хозяин его просто выкинул, тк в машине была заколхозена кнопка и прямой провод на реле, так "кулибины" колхозные решили.
Наша задача:
1. Найти разъем, может быть отрезан или спрятан
2. Найти где все таки стоял блок
Буду благодарен за любую помощь!!! Спасибо!
Есть проблема с блоком - не можем его найти в машине...
Мотор 4D56, система подогрева свечей с двумя реле... Левойрукий паджерик 1992 гв
По описанию под левой ногой водителя, но после обследования мест под бардачком, магнитофоном, левой и правой ногой водителя данного блока не нашлось. Весьма вероятно что предыдущий хозяин его просто выкинул, тк в машине была заколхозена кнопка и прямой провод на реле, так "кулибины" колхозные решили.
Наша задача:
1. Найти разъем, может быть отрезан или спрятан
2. Найти где все таки стоял блок
Буду благодарен за любую помощь!!! Спасибо!
- w1nter
- Сообщения: 151
- Зарегистрирован: 02 окт 2009, 13:15
- Двигатель:: 4M40
- Мой автомобиль(и):: Pajero II 2.8TD
- Откуда: Алматы
- Откуда: Almaty
- Благодарил (а): 9 раз
- Поблагодарили: 9 раз
Re: Система облегчения пуска двигателя SELF-REGULATING GLOW
Блок SRG находится в вашем случае с правой стороны от пассажира под пластиком. В самом внизу по стойке ).
Сами реле свечей накала под капотом.
Сами реле свечей накала под капотом.
-
PIA
- Сообщения: 4
- Зарегистрирован: 03 апр 2014, 01:18
- Двигатель:: only Turbo
- Мой автомобиль(и):: Automobike
- Откуда: Новороссиск
Re: Система облегчения пуска двигателя SELF-REGULATING GLOW
Юмор заценил!w1nter писал(а):Сами реле свечей накала под капотом.
Спасибо! Была мысль вскрыть ту область но подумал "логика японцев" тянуть через всю машину провода от контрольного блока до исполнительных механизмов не логично, не вскрывал )) Мда блока там нет, выкинули и шурупчики вкрутили на старые места...
Еще вопрос (нет схемы с двумя реле - нашел только с одним реле накала) на реле управление идет по:
Светло зеленый - ???
Светло зеленый с черной полосой - основное или "подогрева" после запуска через резистор?
Какой блок управления свечами накала ставился на данную модель?
Будьте добры подскажите его номер. Придется покупать БУ.
Еще висит рядом не далеко от реле накала темно зеленый с черной полосой, возможно он был где-то с интеркуллером рядом в жгуте, не могу найти что он и куда ... в схемах нет.
Но это не так важно.
- w1nter
- Сообщения: 151
- Зарегистрирован: 02 окт 2009, 13:15
- Двигатель:: 4M40
- Мой автомобиль(и):: Pajero II 2.8TD
- Откуда: Алматы
- Откуда: Almaty
- Благодарил (а): 9 раз
- Поблагодарили: 9 раз
Re: Система облегчения пуска двигателя SELF-REGULATING GLOW
Да зачем тебе этот блок?! ))
Собери простейшую схему на обычных реле.
Где-то было в теме.
Собери простейшую схему на обычных реле.
Где-то было в теме.
- Deem-On
- Сообщения: 1014
- Зарегистрирован: 18 мар 2011, 17:49
- Двигатель:: 4M40
- Мой автомобиль(и):: Паджеро 2, был
- Откуда: Ярославль
- Благодарил (а): 8 раз
- Поблагодарили: 95 раз
Re: Система облегчения пуска двигателя SELF-REGULATING GLOW
[/quote]PIA писал(а): Еще вопрос (нет схемы с двумя реле - нашел только с одним реле накала) на реле управление идет по:
Светло зеленый - ???
Светло зеленый с черной полосой - основное или "подогрева" после запуска через резистор?
Какой блок управления свечами накала ставился на данную модель?
Будьте добры подскажите его номер. Придется покупать БУ.
Еще висит рядом не далеко от реле накала темно зеленый с черной полосой, возможно он был где-то с интеркуллером рядом в жгуте, не могу найти что он и куда ... в схемах нет.
Но это не так важно.
Плохо искал, все схемы есть в разделе "электрика", тема специально так и называется "Схемы на Паджеро и..". Качаешь схему П2 91-94, ищешь внутри схему 91-93 год, и там оно и есть. Светлозеленый подогрев, а с черной полосой основное.
Блок подбирать лучше по VIN-у, т.к. он еще управляет и системой EGR, а были машины и без нее, то блоки, а соответственно и проводка и разъемы отличаются.
П-2 1994 длинный,GLS,4М40,АКПП,SS,А/Т32"-увы, уже донор
