Еще как могут!! окисляется контакт, который не в масле а в сухой части датчика. Можно аккуратно вскрыть его и почистить. На экзисте отдельно от раздатки не нашел.алексей - Маленький Мук писал(а):Датчики в раздатке в маслеи закисать они не могут
индикация супер-селект
Модераторы: SNOOPER, Nbf, Romik, BAlex, drcham, алексей - Маленький Мук
- КДВ
- Сообщения: 270
- Зарегистрирован: 06 янв 2009, 11:12
- Откуда: МО
- Благодарил (а): 1 раз
- Поблагодарили: 4 раза
Re: индикация супер-селект
П2 2.8TD 1995 г.в. 2дв. АКПП Super Select
- Deem-On
- Сообщения: 1014
- Зарегистрирован: 18 мар 2011, 17:49
- Двигатель:: 4M40
- Мой автомобиль(и):: Паджеро 2, был
- Откуда: Ярославль
- Благодарил (а): 8 раз
- Поблагодарили: 95 раз
Re: индикация супер-селект
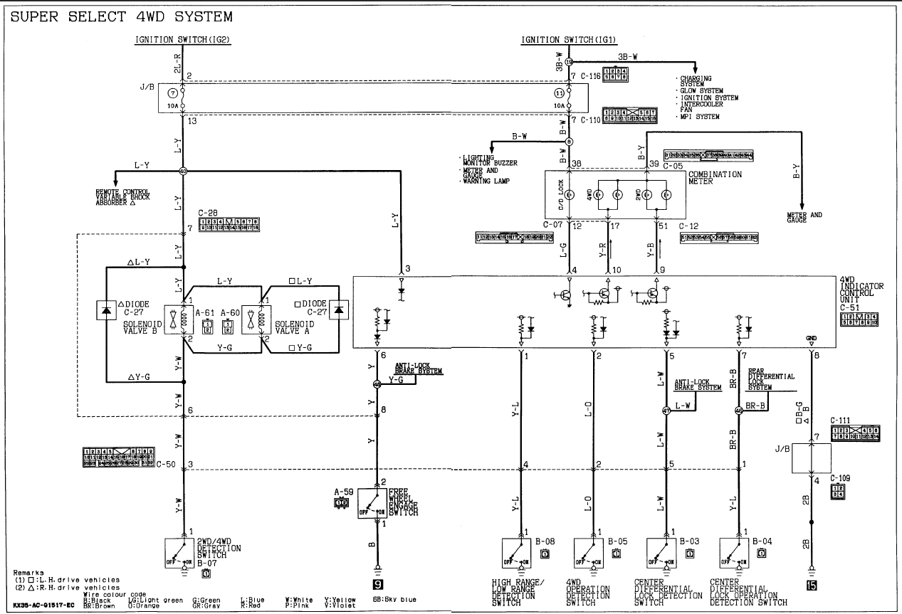
Дим, если не сложно, ткни пальцем, в каком мануале и на какой странице, чето перерыл все, и русский и англицкий, и нигде не попалась такая чудесная табличка....dvm99 писал(а): Можно открыть русский мануал, там есть карта, в каком положении рычагов какой датчик замкнут.
Таким образом на стоячей машине каждый датчик можно замкнуть, прозвонить и сделать выводы о его состоянии...


П-2 1994 длинный,GLS,4М40,АКПП,SS,А/Т32"-увы, уже донор
-
- Сообщения: 1
- Зарегистрирован: 15 янв 2017, 17:56
- Двигатель:: 4M40
- Мой автомобиль(и):: Pajero 2
- Откуда: Благовещенск
Re: индикация супер-селект
приобрел паджеро2, решил протестировать рычаг раздатки и показания на панели. Все работало замечательно во всех положениях и загорались лампочки в нужных положениях. После переключения в режим LLc погасли колеса.... в чем может быть причина?
- Смайлик
- Сообщения: 10907
- Зарегистрирован: 25 янв 2007, 01:08
- Двигатель:: 3,5 MPI и 3,5 GDI
- Мой автомобиль(и):: паджеро II, паджеро III, пинин был
- Откуда: Тушино, теперь почти Истра заМКАДыш
- Откуда: Тушино, теперь почти Истра заМКАДыш
- Благодарил (а): 236 раз
- Поблагодарили: 625 раз
- Контактная информация:
Re: индикация супер-селект
В том, что нужно сдвинутся с места...
8(9О3)156 ТРИ ВОСЭМ 65
Паджеро ll 3,5 3dor 37х14,5r15 был
Паджеро lll 3,5 GDI 3dor сильвер (для жены)чип ЁжикПых
Паджеро lll 3,5 GDI 3dor сильвер (для меня)чип ЁжикПых на пневме)))
МицуКольт грин "клоп" (для дочи) выросла до... П2 3,5 3dor 32х11,5r15 стандарт... пока)))
Паджеро ll 3,5 3dor 37х14,5r15 был
Паджеро lll 3,5 GDI 3dor сильвер (для жены)чип ЁжикПых
Паджеро lll 3,5 GDI 3dor сильвер (для меня)чип ЁжикПых на пневме)))
МицуКольт грин "клоп" (для дочи) выросла до... П2 3,5 3dor 32х11,5r15 стандарт... пока)))
-
- Сообщения: 353
- Зарегистрирован: 09 апр 2013, 12:05
- Двигатель:: 6G72, 4D56, 1GR-FE
- Мой автомобиль(и):: МПС-l, МПС-II, TLC Prado 120
- Откуда: Москва
- Благодарил (а): 2 раза
- Поблагодарили: 8 раз
Re: индикация супер-селект
Коллеги, подскажите, какой всё-таки датчик сигнализирует что произошла блокировка дифа (перестает моргать ораньжевый квадратик), а то у меня при переводе в положение 4HLc по факту диф блокируется, а индикатор так и не перестает моргать. Авто МПС 2013 г.в.
Был ММС 2002 г.в. с 2013 по 2021 г.
-
- Сообщения: 353
- Зарегистрирован: 09 апр 2013, 12:05
- Двигатель:: 6G72, 4D56, 1GR-FE
- Мой автомобиль(и):: МПС-l, МПС-II, TLC Prado 120
- Откуда: Москва
- Благодарил (а): 2 раза
- Поблагодарили: 8 раз
Re: индикация супер-селект
Сегодня с полной уверенностью найти неисправный датчик раздатки и победить незагорающуюся лампочку блокировки межосевого дифа, я тщательно все разобрал и вот что обнаружил, все датчики, у меня их 6 штук работают, на датчик который отвечает за нахождение ручки раздатки в положение блокировки дифа, не приходит напряжение, т.е на скинутой фишки нет ничего, на остальных 5 датчиках, на их фишках есть в районе 12 вольт. Сам датчик работает и звонится, ставишь ручку в положение блокировки звенит, ставишь в положение 4 H не звенит. Думал может в фишке проблема, нет контакта или обрыв, но нет, все целом, нет напряжение и в самом проводке, что идёт на фишку. Теперь вопрос что это за фигня такая, куда лезть и что делать?
Был ММС 2002 г.в. с 2013 по 2021 г.
- atas80
- Сообщения: 2880
- Зарегистрирован: 21 янв 2009, 19:38
- Двигатель:: 4M40
- Мой автомобиль(и):: Pajero 2 46 ATF
- Откуда: Киров
- Откуда: Kirov [43]
- Благодарил (а): 7 раз
- Поблагодарили: 72 раза
Re: индикация супер-селект
От куда у вас там напряжение взялось ? Там все датчики на массу замыкаются. На скинутой фишки со стороны датчика при его включении должна появляться масса.Артем 13 писал(а):Сегодня с полной уверенностью найти неисправный датчик раздатки и победить незагорающуюся лампочку блокировки межосевого дифа, я тщательно все разобрал и вот что обнаружил, все датчики, у меня их 6 штук работают, на датчик который отвечает за нахождение ручки раздатки в положение блокировки дифа, не приходит напряжение, т.е на скинутой фишки нет ничего, на остальных 5 датчиках, на их фишках есть в районе 12 вольт. Сам датчик работает и звонится, ставишь ручку в положение блокировки звенит, ставишь в положение 4 H не звенит. Думал может в фишке проблема, нет контакта или обрыв, но нет, все целом, нет напряжение и в самом проводке, что идёт на фишку. Теперь вопрос что это за фигня такая, куда лезть и что делать?
Mitsubishi PAJERO-II | 1995 | 4M40 | V46W | АКПП | GLS
Я горд за РОССИЙСКУЮ ИМПЕРИЮ - мы можем управлять "белым домом" и сажать своих людей в "овальный кабинет" !!!
Я горд за РОССИЙСКУЮ ИМПЕРИЮ - мы можем управлять "белым домом" и сажать своих людей в "овальный кабинет" !!!
-
- Сообщения: 2015
- Зарегистрирован: 23 янв 2015, 02:07
- Двигатель:: бензин 6G74
- Мой автомобиль(и):: gw deer3, pajero2 3,5 SOHC 1998г.рест.
- Откуда: пермь
- Благодарил (а): 43 раза
- Поблагодарили: 74 раза
Re: индикация супер-селект
Ну вот и у меня хрень началась, мигают лампы пер. моста. трубки в норме. на соленойдах, которые на арке крыла, напруги нет. соб-на вопрос: предохранитель есть в этой цепи и откуда идет напруга?
- atas80
- Сообщения: 2880
- Зарегистрирован: 21 янв 2009, 19:38
- Двигатель:: 4M40
- Мой автомобиль(и):: Pajero 2 46 ATF
- Откуда: Киров
- Откуда: Kirov [43]
- Благодарил (а): 7 раз
- Поблагодарили: 72 раза
Re: индикация супер-селект
Тут довольно все доступно !
Mitsubishi PAJERO-II | 1995 | 4M40 | V46W | АКПП | GLS
Я горд за РОССИЙСКУЮ ИМПЕРИЮ - мы можем управлять "белым домом" и сажать своих людей в "овальный кабинет" !!!
Я горд за РОССИЙСКУЮ ИМПЕРИЮ - мы можем управлять "белым домом" и сажать своих людей в "овальный кабинет" !!!
-
- Сообщения: 353
- Зарегистрирован: 09 апр 2013, 12:05
- Двигатель:: 6G72, 4D56, 1GR-FE
- Мой автомобиль(и):: МПС-l, МПС-II, TLC Prado 120
- Откуда: Москва
- Благодарил (а): 2 раза
- Поблагодарили: 8 раз
Re: индикация супер-селект
Совершенно верно! Это я не так выразился, напряжение конечно не на датчиках, ибо это простой концевик на массу, а на разъемах подходящим к датчикам. Я нашел искомый датчик, отвечающий за блокировку дифа раздатки, скинул с него разъем и замкнул разъем на массу, и удивился что нет результата. Далее я со всей тщательностью все проверил и прозвонил, оказалось что сам датчик замыкается на массу, а на разьеме этого датчика нет никакого напряжения. Далее я подобным образом обследовал оставшиеся 5 датчиков, они тоже замыкаются на массу в зависимости от положения рычага и на их разъемах есть опорное напряжение порядка 12 вольт, на всех одинаковое, кроме того о котором я уже сказал. Значит разъем датчика на котором нет напряжения, я тоже проверил, взял иголку, проткнул изоляцию провода и замерил, там тоже ничего нет, значит по проводу ничего не поступает. Осмотрел жгут проводов, он никаких видимых повреждений, вмешательств не имеет, пошатал жгут на всякий случай, но ничего не нашел. По опыту знаю, что внутри жгутов редко что то обрывается.atas80 писал(а):От куда у вас там напряжение взялось ? Там все датчики на массу замыкаются. На скинутой фишки со стороны датчика при его включении должна появляться масса.Артем 13 писал(а):Сегодня с полной уверенностью найти неисправный датчик раздатки и победить незагорающуюся лампочку блокировки межосевого дифа, я тщательно все разобрал и вот что обнаружил, все датчики, у меня их 6 штук работают, на датчик который отвечает за нахождение ручки раздатки в положение блокировки дифа, не приходит напряжение, т.е на скинутой фишки нет ничего, на остальных 5 датчиках, на их фишках есть в районе 12 вольт. Сам датчик работает и звонится, ставишь ручку в положение блокировки звенит, ставишь в положение 4 H не звенит. Думал может в фишке проблема, нет контакта или обрыв, но нет, все целом, нет напряжение и в самом проводке, что идёт на фишку. Теперь вопрос что это за фигня такая, куда лезть и что делать?
Далее надо понять где находится блок отвечающий за работу датчиков и уже искать вокруг него видимо.
Сфоткать я не могу пока, но устройство индикации раздаточной коробки в целом очень примитивное. Например за индикацию блокировки дифа раздатки отвечают два датчика-концевика на массу. Когда оба датчика разомкнуты, ничего не горит и не моргает, когда замкнут один из двух датчиков, индикатор моргает, когда замкнуты оба датчика индикатор горит постоянно. Один из датчиков отвечает за нахождение самого рычага раздатки (4H - 4HLc), а другой датчик за муфту рычага, которая блокирует. У меня нет сигнала по датчику именно рычага раздатки, когда рычаг перевожу в положение 4 HLc ничего не происходит в части индикации, а когда замыкает муфта (если подергать за колесо и услышать слабый щелчок) начинает моргать оранжевый квадратик.
По подключению переднего моста, все аналогично, у меня пока работает.
Далее есть датчик, как я понимаю нейтрали, если он разомкнут или с него скинуть фишку, то индикация колес (зеленая) гаснет, это происходит в положение нейтрали раздатки (не фиксированное положение).
И есть датчик пониженной передачи, но он вроде индикатора в виде лампочки на приборах не имеет.
Если я не прав поправьте меня.
За схему спасибо, но мне пока пока не понятно, почему при исправном датчике -концевике не работает индикация???
Был ММС 2002 г.в. с 2013 по 2021 г.
- -General-
- Сообщения: 172
- Зарегистрирован: 31 июл 2013, 15:22
- Двигатель:: 4м40
- Мой автомобиль(и):: Pajero 2
- Откуда: Н.Новгород
- Благодарил (а): 8 раз
- Поблагодарили: 7 раз
Re: индикация супер-селект
Парни, ситуация следующая, мост передний отключается, включается всеок, но при включенном межосевом дифе моргает лампа дифа, всегда, сам блок работает, задний тоже блокируется, до неморгающего состояния, при отключении межоси лампочка дифа перестает моргать и гаснет.
Другими словами - физически все работает, но моргающая лампа межосевого дифа раздражает. Что может быть такое?
Другими словами - физически все работает, но моргающая лампа межосевого дифа раздражает. Что может быть такое?
Наш YouTube канал о путешествиях, рейдах и соревнованиях OffroadNN, подписывайся, чтоб ничего не пропустить )))
- atas80
- Сообщения: 2880
- Зарегистрирован: 21 янв 2009, 19:38
- Двигатель:: 4M40
- Мой автомобиль(и):: Pajero 2 46 ATF
- Откуда: Киров
- Откуда: Kirov [43]
- Благодарил (а): 7 раз
- Поблагодарили: 72 раза
Re: индикация супер-селект
Смотреть датчики B-03
Логика японская проста. Датчик B-04 отвечает как бы за положение ручки и разрешает блокировать задний дифференциал, а датчик B-03 за факт блокировки дифференциала по факту.
Сдается мне, что можно под центральной консолью у разъема просто замкнуть провода с обоих датчиков, тем самым вы обманите "лампочку", но не датчики
Логика японская проста. Датчик B-04 отвечает как бы за положение ручки и разрешает блокировать задний дифференциал, а датчик B-03 за факт блокировки дифференциала по факту.
Сдается мне, что можно под центральной консолью у разъема просто замкнуть провода с обоих датчиков, тем самым вы обманите "лампочку", но не датчики

Mitsubishi PAJERO-II | 1995 | 4M40 | V46W | АКПП | GLS
Я горд за РОССИЙСКУЮ ИМПЕРИЮ - мы можем управлять "белым домом" и сажать своих людей в "овальный кабинет" !!!
Я горд за РОССИЙСКУЮ ИМПЕРИЮ - мы можем управлять "белым домом" и сажать своих людей в "овальный кабинет" !!!
-
- Модератор
- Сообщения: 20270
- Зарегистрирован: 11 дек 2008, 16:10
- Откуда: москва м Академическая
- Благодарил (а): 101 раз
- Поблагодарили: 1322 раза
индикация супер-селект
Чет посмотрел датчик переднего моста издох, родной стоит космос какой то, глянул на датчик заднего хода от Портера. чета в районе 800-900 р. ток провод чуть короче, ни кто не пробовал ставить? оригинальный номер 93860-4А010
Всем добра.......
- Жипер
- Сообщения: 22073
- Зарегистрирован: 02 дек 2005, 06:06
- Двигатель:: 4d56, 4m40, 5vz
- Мой автомобиль(и):: П2 - 3 штуки
- Откуда: Приморье
- Откуда: Владивосток
- Благодарил (а): 39 раз
- Поблагодарили: 498 раз
индикация супер-селект
Какой космос?алексей - Маленький Мук писал(а): ↑ Чет посмотрел датчик переднего моста издох, родной стоит космос какой то,
Для тебя 500 ру всего.

Джипер , это утонченная творческая личность , а уж потом небритая пьяная сволочь.
ftsyuri1@mail.ru
8-908-44-69761. При звонке учитывайте разницу во времени. +7 часов к Москве
По запчастям стучитесь в воцап или телегу.
ftsyuri1@mail.ru
8-908-44-69761. При звонке учитывайте разницу во времени. +7 часов к Москве
По запчастям стучитесь в воцап или телегу.
-
- Модератор
- Сообщения: 20270
- Зарегистрирован: 11 дек 2008, 16:10
- Откуда: москва м Академическая
- Благодарил (а): 101 раз
- Поблагодарили: 1322 раза
индикация супер-селект





Всем добра.......
-
- Модератор
- Сообщения: 20270
- Зарегистрирован: 11 дек 2008, 16:10
- Откуда: москва м Академическая
- Благодарил (а): 101 раз
- Поблагодарили: 1322 раза
индикация супер-селект
забрел ща в магаз, облом, резьбовая часть м 10алексей - Маленький Мук писал(а): ↑ оригинальный номер 93860-4А010

Всем добра.......
- dvm99
- Сообщения: 21695
- Зарегистрирован: 21 май 2012, 20:59
- Двигатель:: 6G72, 12клап.,
- Мой автомобиль(и):: Pajero2, Запорожец- Ланос
- Откуда: Свердловская обл.
- Благодарил (а): 703 раза
- Поблагодарили: 1024 раза
индикация супер-селект
Юра, вот тут я восстанавливал датчик с твоего моста

Напрочь глухой был.
Но проблем нет... Как видишь, восстанавился прямо в кадре.
Дмитрий
Боливар2 - П2, 92г., V43, 6G72(12V), V4AW2, RD/L, пруль (чистокровный японский рысак)
Боливар1 - П2, 93г., 6G72(12V), МКПП, V43, RD/L, Европа (славный был конь, но уже донор)
Боливар2 - П2, 92г., V43, 6G72(12V), V4AW2, RD/L, пруль (чистокровный японский рысак)
Боливар1 - П2, 93г., 6G72(12V), МКПП, V43, RD/L, Европа (славный был конь, но уже донор)
-
- Модератор
- Сообщения: 20270
- Зарегистрирован: 11 дек 2008, 16:10
- Откуда: москва м Академическая
- Благодарил (а): 101 раз
- Поблагодарили: 1322 раза
индикация супер-селект
Ща полез открутил датчик из моста, проводок оторвалсо
спаяю
тож самое видимо и на раздатке. тод вылечил, тож оборван проводок 



Всем добра.......
-
- Модератор
- Сообщения: 20270
- Зарегистрирован: 11 дек 2008, 16:10
- Откуда: москва м Академическая
- Благодарил (а): 101 раз
- Поблагодарили: 1322 раза