Кста по тем ссылкам не в том ни в другом случае нет шнорхелей у них по представленным ценам
Установка дополнительного звукового сигнала.
Модераторы: SNOOPER, Nbf, drcham, Romik, BAlex, DenVer, SoundSpeed
- Denya
- Сообщения: 1025
- Зарегистрирован: 18 дек 2011, 02:13
- Двигатель:: Дизель
- Мой автомобиль(и):: паджеро4
- Откуда: Красноярск
- Благодарил (а): 5 раз
- Поблагодарили: 46 раз
Re: Установка дополнительного звукового сигнала.
приеду но без авто
Кста по тем ссылкам не в том ни в другом случае нет шнорхелей у них по представленным ценам
Кста по тем ссылкам не в том ни в другом случае нет шнорхелей у них по представленным ценам
- eugene97rus
- Сообщения: 194
- Зарегистрирован: 26 дек 2010, 22:22
- Двигатель:: 6G72
- Мой автомобиль(и):: Pajero 4 3.0 MPI 2010 S85
- Откуда: Москва
- Благодарил (а): 6 раз
- Поблагодарили: 2 раза
Re: Установка дополнительного звукового сигнала.
Ох как все сложно..
Езжу уже 3 года с четырьмя волговскими дуделками (2 низких и 2 высоких тона) - превосходно и без проблем.
Езжу уже 3 года с четырьмя волговскими дуделками (2 низких и 2 высоких тона) - превосходно и без проблем.
- Lebed
- Сообщения: 10748
- Зарегистрирован: 25 июл 2010, 11:23
- Двигатель:: ******
- Мой автомобиль(и):: ******
- Откуда: ***
- Откуда: ***
- Благодарил (а): 236 раз
- Поблагодарили: 431 раз
Re: Установка дополнительного звукового сигнала.
А кто писал о сложностях?))) Всяк лучше, чем "где то стучит", "что то не работает, потому что сам не прав" и т.п.
Читать то умеете? "...умер волговский сигнал, вот и полез..".
Читать то умеете? "...умер волговский сигнал, вот и полез..".
"Если театр начинается с вешалки, то за такие пьесы нужно вешать." (с)
P.S. Для упырей- "Мы с тобой Гималаи; остальные — ничтожества." (с)
P.S. Для упырей- "Мы с тобой Гималаи; остальные — ничтожества." (с)
- eugene97rus
- Сообщения: 194
- Зарегистрирован: 26 дек 2010, 22:22
- Двигатель:: 6G72
- Мой автомобиль(и):: Pajero 4 3.0 MPI 2010 S85
- Откуда: Москва
- Благодарил (а): 6 раз
- Поблагодарили: 2 раза
Re: Установка дополнительного звукового сигнала.
Читаю, но так же считаю, что заменить вышедший из строя волговский сигнал проще и быстрее, чем городить вот такое с компрессором.
- Lebed
- Сообщения: 10748
- Зарегистрирован: 25 июл 2010, 11:23
- Двигатель:: ******
- Мой автомобиль(и):: ******
- Откуда: ***
- Откуда: ***
- Благодарил (а): 236 раз
- Поблагодарили: 431 раз
Re: Установка дополнительного звукового сигнала.
Может быть, может быть. Покупать волговский сигнал не стал из-за того, что дудки с катера уже как месяц были куплены)))) Решил поэкспериментировать, результатом доволен. Думаю, это максимум, что можно выжать из электрических звуковых сигналов.
По варианту Дениса (с компрессором) ничего плохого не скажу, это его выбор.
По варианту Дениса (с компрессором) ничего плохого не скажу, это его выбор.
"Если театр начинается с вешалки, то за такие пьесы нужно вешать." (с)
P.S. Для упырей- "Мы с тобой Гималаи; остальные — ничтожества." (с)
P.S. Для упырей- "Мы с тобой Гималаи; остальные — ничтожества." (с)
- Ratnik
- Сообщения: 225
- Зарегистрирован: 13 ноя 2011, 17:34
- Двигатель:: 3,2 DI-D
- Мой автомобиль(и):: Паджеро 4
- Откуда: Нефтеюганск ХМАО
- Откуда: из СССР
- Благодарил (а): 6 раз
- Поблагодарили: 11 раз
Re: Установка дополнительного звукового сигнала.
Ставить нужно обязательно, иначе труба от мембраны может отвалится от вибрации, преценденты на мотоциклах с одной точкой крепления - были, с двумя - проблемм нет ...Lebed писал(а): Скорее всего, для нижнего сигнала поставлю ещё одну точку крепления на кузов.
Потребление 10 А - пара, сам мерял.
- Lebed
- Сообщения: 10748
- Зарегистрирован: 25 июл 2010, 11:23
- Двигатель:: ******
- Мой автомобиль(и):: ******
- Откуда: ***
- Откуда: ***
- Благодарил (а): 236 раз
- Поблагодарили: 431 раз
Re: Установка дополнительного звукового сигнала.
Понял, спасиб.
"Если театр начинается с вешалки, то за такие пьесы нужно вешать." (с)
P.S. Для упырей- "Мы с тобой Гималаи; остальные — ничтожества." (с)
P.S. Для упырей- "Мы с тобой Гималаи; остальные — ничтожества." (с)
- MAVR64
- Сообщения: 2881
- Зарегистрирован: 28 авг 2010, 20:51
- Двигатель:: Дизель
- Мой автомобиль(и):: Pajero
- Откуда: Саратов
- Благодарил (а): 134 раза
- Поблагодарили: 146 раз
Re: Установка дополнительного звукового сигнала.
Поставил HELLA 3BB002768151. Звучит громче, конечно, чем штатный. Но звук так себе.
PAJERO SHOGUN 2014my 3200 200hp A/T БК, регистратор, антирадар, Защита=композит+алюминий
Yokohama Geolandar A/T G012 size 265/60 R18
Yokohama Geolandar A/T G012 size 265/60 R18
-
AdB0kaT
- Сообщения: 878
- Зарегистрирован: 05 мар 2014, 07:37
- Двигатель:: 6G72
- Мой автомобиль(и):: Pajero IV Instyle 2013г.
- Откуда: Магнитогорск
- Благодарил (а): 16 раз
- Поблагодарили: 45 раз
Re: Установка дополнительного звукового сигнала.
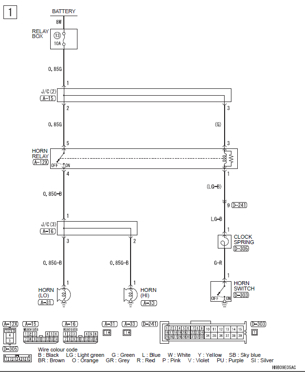
Сегодня ставил защитную сетку в бампер и радиатор и до кучи решил поставить волговские сигналы. Смонтировал их точно также как автор темы. Только вместо штатных волговских кронштейнов использовал пластину из нержавейки. Подключил аналогично, параллельно штатным гудкам. Предохранитель заменил на 20А, так как сила тока всех 4 сигналов выходит в районе этой цифры. Реле вроде бы всего на 15 А. Кстати, кто нибудь может подсказать распиновку четырехконтактного реле на Паджеро 4? Она стандартная, то есть на ножки, расположенные в ближайших друг другу углах подается управляющий сигнал (например для звукового сигнала это клаксон на руле). А силовые контакты с размыкатеем это центральный и параллельный ему боковой. Все верно?
P.S. Если распиновка ножек такая, как описано выше, можно попробовать заменить стандартное реле на реле от калины, оно рассчитано на 20A.
P.S. Если распиновка ножек такая, как описано выше, можно попробовать заменить стандартное реле на реле от калины, оно рассчитано на 20A.
- Lebed
- Сообщения: 10748
- Зарегистрирован: 25 июл 2010, 11:23
- Двигатель:: ******
- Мой автомобиль(и):: ******
- Откуда: ***
- Откуда: ***
- Благодарил (а): 236 раз
- Поблагодарили: 431 раз
Re: Установка дополнительного звукового сигнала.
Полезная штука под названием Руководство по ..... 
"Если театр начинается с вешалки, то за такие пьесы нужно вешать." (с)
P.S. Для упырей- "Мы с тобой Гималаи; остальные — ничтожества." (с)
P.S. Для упырей- "Мы с тобой Гималаи; остальные — ничтожества." (с)
-
AdB0kaT
- Сообщения: 878
- Зарегистрирован: 05 мар 2014, 07:37
- Двигатель:: 6G72
- Мой автомобиль(и):: Pajero IV Instyle 2013г.
- Откуда: Магнитогорск
- Благодарил (а): 16 раз
- Поблагодарили: 45 раз
Re: Установка дополнительного звукового сигнала.
Да я в курсе, но чукча писатель) есть что по сути вопроса?)Lebed писал(а):Полезная штука под названием Руководство по .....
- Lebed
- Сообщения: 10748
- Зарегистрирован: 25 июл 2010, 11:23
- Двигатель:: ******
- Мой автомобиль(и):: ******
- Откуда: ***
- Откуда: ***
- Благодарил (а): 236 раз
- Поблагодарили: 431 раз
Re: Установка дополнительного звукового сигнала.
Поможет?
"Если театр начинается с вешалки, то за такие пьесы нужно вешать." (с)
P.S. Для упырей- "Мы с тобой Гималаи; остальные — ничтожества." (с)
P.S. Для упырей- "Мы с тобой Гималаи; остальные — ничтожества." (с)
-
AdB0kaT
- Сообщения: 878
- Зарегистрирован: 05 мар 2014, 07:37
- Двигатель:: 6G72
- Мой автомобиль(и):: Pajero IV Instyle 2013г.
- Откуда: Магнитогорск
- Благодарил (а): 16 раз
- Поблагодарили: 45 раз
Re: Установка дополнительного звукового сигнала.
Да, эта картинка вкупе с нижеследующей помогли разрешить вопрос. Митсубовское четырехконтактное реле взаимозаменяемо с аналогичным калиновским по расположению контактов. Только калиновское посильнее будет (20 А). Ну и дешевле в разы и в наличии почти во всех магазинах. С ним не жалко экспериментировать)
контакты № 1 и 3 - слаботочные служат для замыкания и размыкания силовой цепи между контактами 4 и 5. У калиновского реле все аналогично, только нумерация ножек другая но сути это не меняет.
- Lebed
- Сообщения: 10748
- Зарегистрирован: 25 июл 2010, 11:23
- Двигатель:: ******
- Мой автомобиль(и):: ******
- Откуда: ***
- Откуда: ***
- Благодарил (а): 236 раз
- Поблагодарили: 431 раз
Re: Установка дополнительного звукового сигнала.
Так на схеме и распиновка есть))) Касательно преда на 20А и реле на 20А, тем более от Калины. Ну его нах, такие эксперименты. Ладно бы отдельно самостоятельно установленное реле, а помощнее в штатном блоке.... Тянет прекрасно нагрузку от четырёх сигналов тандем "пред 15А и штатное реле". Без каких либо последствий. Который год и на втором авто. Обдудись, не хочу)))
"Если театр начинается с вешалки, то за такие пьесы нужно вешать." (с)
P.S. Для упырей- "Мы с тобой Гималаи; остальные — ничтожества." (с)
P.S. Для упырей- "Мы с тобой Гималаи; остальные — ничтожества." (с)
-
AdB0kaT
- Сообщения: 878
- Зарегистрирован: 05 мар 2014, 07:37
- Двигатель:: 6G72
- Мой автомобиль(и):: Pajero IV Instyle 2013г.
- Откуда: Магнитогорск
- Благодарил (а): 16 раз
- Поблагодарили: 45 раз
Re: Установка дополнительного звукового сигнала.
Да, не заметил, что внизу схемы есть распиновка реле. Не нужно бояться отечественных релюшек, они достаточно надежны. По крайней мере не хуже китайских сигналов от волги и прочих дуделок родом оттуда же)Lebed писал(а):Так на схеме и распиновка есть)))
Только распиновку реле проверять надо всегда на предмет совпадения с логикой монтажного блока. Один знакомый когда ставил на уаз патриот хелловскую оптику до кучи воткнул реле hella, которое шло в комплекте вместо штатного реле ПТФ. Совпадение контактов естественно не проверил, подумав, что раз посадочное гнездо совпадает то все ок. В итоге пришлось бежать в магазин за новым монтажным блоком) Реле кстати осталось вполне рабочим)
- Lebed
- Сообщения: 10748
- Зарегистрирован: 25 июл 2010, 11:23
- Двигатель:: ******
- Мой автомобиль(и):: ******
- Откуда: ***
- Откуда: ***
- Благодарил (а): 236 раз
- Поблагодарили: 431 раз
Re: Установка дополнительного звукового сигнала.
Ну, нагрузку от сигналов то можно замерить, а на счёт надёжности реле от Калины ради интереса погуглил)))
ПыСы. Какое из трёх штатное Калиновское?))) Все три типА сделаны в России)))
ПыСы. Какое из трёх штатное Калиновское?))) Все три типА сделаны в России)))
"Если театр начинается с вешалки, то за такие пьесы нужно вешать." (с)
P.S. Для упырей- "Мы с тобой Гималаи; остальные — ничтожества." (с)
P.S. Для упырей- "Мы с тобой Гималаи; остальные — ничтожества." (с)
- liss1975
- Сообщения: 1758
- Зарегистрирован: 02 окт 2010, 17:39
- Двигатель:: бензин 3.0
- Мой автомобиль(и):: паджеро 4
- Откуда: Москва
- Откуда: Россия-Москва
- Благодарил (а): 9 раз
- Поблагодарили: 102 раза
- Контактная информация:
Re: Установка дополнительного звукового сигнала.
Lebed писал(а):
ПыСы. Какое из трёх штатное Калиновское?))) Все три типА сделаны в России)))
Выбирай любое не промахнешся - Китай рулит мля
PAJERO IV 3.0 2010 г.в Николай
______________________________________________
Говорят за твоей спиной — значит, ты впереди.
Обсуждают твою жизнь — значит, она интересней их.
Пытаются найти недостатки —значит, завидуют.
______________________________________________
Говорят за твоей спиной — значит, ты впереди.
Обсуждают твою жизнь — значит, она интересней их.
Пытаются найти недостатки —значит, завидуют.
- Lebed
- Сообщения: 10748
- Зарегистрирован: 25 июл 2010, 11:23
- Двигатель:: ******
- Мой автомобиль(и):: ******
- Откуда: ***
- Откуда: ***
- Благодарил (а): 236 раз
- Поблагодарили: 431 раз
Re: Установка дополнительного звукового сигнала.
Одно наше, отечественное, Николай))) Привет!)))
"Если театр начинается с вешалки, то за такие пьесы нужно вешать." (с)
P.S. Для упырей- "Мы с тобой Гималаи; остальные — ничтожества." (с)
P.S. Для упырей- "Мы с тобой Гималаи; остальные — ничтожества." (с)
-
AdB0kaT
- Сообщения: 878
- Зарегистрирован: 05 мар 2014, 07:37
- Двигатель:: 6G72
- Мой автомобиль(и):: Pajero IV Instyle 2013г.
- Откуда: Магнитогорск
- Благодарил (а): 16 раз
- Поблагодарили: 45 раз
Re: Установка дополнительного звукового сигнала.
Эти квадратные реле не от калины, в наш блок они не пойдут. Ну а насчет китая мысль понял, у меня где то валялась калиновская релюха, как нибудь на днях вскрою его и отпишусь) Кстати чтобы окончательно быть уверенным, что релюшка подойдет надо сравнить сопротивление обмотки штатного реле и калиновского. А то можно поджечь ключ в переднем ECU если сопротивление обмотки альтернативного реле намного меньше оригинального.Lebed писал(а):ПыСы. Какое из трёх штатное Калиновское?))) Все три типА сделаны в России)))
- Lebed
- Сообщения: 10748
- Зарегистрирован: 25 июл 2010, 11:23
- Двигатель:: ******
- Мой автомобиль(и):: ******
- Откуда: ***
- Откуда: ***
- Благодарил (а): 236 раз
- Поблагодарили: 431 раз
Re: Установка дополнительного звукового сигнала.
Да не вопрос))) Какое из этих отечественное?)))
ПыСы. Одно из золотых правил электрика.
Включай - все ненужное отгорит. 
ПыСы. Одно из золотых правил электрика.
"Если театр начинается с вешалки, то за такие пьесы нужно вешать." (с)
P.S. Для упырей- "Мы с тобой Гималаи; остальные — ничтожества." (с)
P.S. Для упырей- "Мы с тобой Гималаи; остальные — ничтожества." (с)
