с чего ты взял что он не сообщает???sn1 писал(а):Ну вот я и не понял зачем он есть если после того как заглушил ЕГР он не сообщает компу, что расход воздуха вырос?Napic писал(а):Кстати, я до сих пор не знаю зачем дизелю MAF сенсор... Map может давление турбины показывать, а maf что делает? Если воздух считает, то зачем? Атавизм какой-то, может МАФ сенсор выкинем и посмотрим как ездить будет?![]()
![]()
TRT - Вдоль р.Киржач. Для стандартных 4х4 (08.11.25) Форум Обсуждение FAQ
Глушение EGR на CR
Модераторы: SNOOPER, Nbf, Romik, BAlex, drcham, алексей - Маленький Мук, DenVer, Алекс
-
DenisR
- Сообщения: 3006
- Зарегистрирован: 12 окт 2009, 16:46
- Двигатель:: 4M41
- Мой автомобиль(и):: Pajero Sport New
- Откуда: Москва. Сев.Тушино
- Откуда: Москва. Сев.Тушино
- Благодарил (а): 15 раз
- Поблагодарили: 185 раз
Re: Глушение EGR
3.2 АКПП, лето Maxxis razr at 285\75\R16, зима nokian lt2 285\75\R16. Силовые пороги. T-MAX11000 . MJ 600 Turbo+Lemm TURBO 2001
- Napic
- Сообщения: 5982
- Зарегистрирован: 29 июл 2010, 06:51
- Двигатель:: дизель 4d56
- Мой автомобиль(и):: НМПСпорт 2010
- Откуда: Сибирь
- Благодарил (а): 423 раза
- Поблагодарили: 1021 раз
Re: Глушение EGR
Ну даже если и сообщает, то что с этого? Чека то нет, если больше прыснет горючки компьютер исходя из показаний сенсора - то вся она и сгорит, а мы меньше на тапку нажмем при разгоне - снивелируем.DenisR писал(а):с чего ты взял что он не сообщает???sn1 писал(а):Ну вот я и не понял зачем он есть если после того как заглушил ЕГР он не сообщает компу, что расход воздуха вырос?Napic писал(а):Кстати, я до сих пор не знаю зачем дизелю MAF сенсор... Map может давление турбины показывать, а maf что делает? Если воздух считает, то зачем? Атавизм какой-то, может МАФ сенсор выкинем и посмотрим как ездить будет?![]()
![]()
На оборотах холостого хода МАФ считает плохо - погрешность большая, если на средних и высоких оборотах считает точно, то турбина есть и кислорода и так нормально много, чего его считать... Это же не бензинка, где нужно точто 14.7 к 1 высчитывать...
Я как только заглушил ЕГР чека ждал - ведь есть же МАФ, но так и не дождался
Кстати, МАФ сенсор имеет свойство засираться и его люди иногда чистят очень осторожно беличьей кисточкой.
Только вот как грязный МАФ на дизеле диагностируется и меняет ли он динамику или эластичность дизеля? Может он уже давно у всех не работает, типа считает неправильно - вот и черный дым с блоком
НМПСпорт 2010 4d56 2500 дизель S05 5AT
лето BridgeStone HT 265/65R17, зима Hakka 5 SUV 265/65R17
Eberspacher Hydronic 5 кВт, доп. вентилятор кондиционера
Egr off + дроссель On (нержавейка + программное отключение)
лето BridgeStone HT 265/65R17, зима Hakka 5 SUV 265/65R17
Eberspacher Hydronic 5 кВт, доп. вентилятор кондиционера
Egr off + дроссель On (нержавейка + программное отключение)
-
DenisR
- Сообщения: 3006
- Зарегистрирован: 12 окт 2009, 16:46
- Двигатель:: 4M41
- Мой автомобиль(и):: Pajero Sport New
- Откуда: Москва. Сев.Тушино
- Откуда: Москва. Сев.Тушино
- Благодарил (а): 15 раз
- Поблагодарили: 185 раз
Re: Глушение EGR
ну как бы комон рыло близко к бензинке в плане подачи топлива, форсунке же надо знать сколько прыскать топлива (на сколько по времени открываться), форсунки они ж на комон рыле электричеством открываются а не как раньше чисто механически.Napic писал(а):Это же не бензинка, где нужно точто 14.7 к 1 высчитывать...
Я как только заглушил ЕГР чека ждал - ведь есть же МАФ, но так и не дождался![]()
3.2 АКПП, лето Maxxis razr at 285\75\R16, зима nokian lt2 285\75\R16. Силовые пороги. T-MAX11000 . MJ 600 Turbo+Lemm TURBO 2001
- Napic
- Сообщения: 5982
- Зарегистрирован: 29 июл 2010, 06:51
- Двигатель:: дизель 4d56
- Мой автомобиль(и):: НМПСпорт 2010
- Откуда: Сибирь
- Благодарил (а): 423 раза
- Поблагодарили: 1021 раз
Re: Глушение EGR
Вообщем слушайте сюдыDenisR писал(а):ну как бы комон рыло близко к бензинке в плане подачи топлива, форсунке же надо знать сколько прыскать топлива (на сколько по времени открываться), форсунки они ж на комон рыле электричеством открываются а не как раньше чисто механически.Napic писал(а):Это же не бензинка, где нужно точто 14.7 к 1 высчитывать...
Я как только заглушил ЕГР чека ждал - ведь есть же МАФ, но так и не дождался![]()
В дизеле есть датчик температуры во впускном коллекторе возле воздушного фильтра и МАФ сенсор или по другому датчик массового расхода воздуха, который находится там же возле фильтра. Так вот, эти датчики в вычислении количества топлива для впрыска не участвуют
Они нужны только для работы системы ЕГР.
Соответственно грязь в сенсоре MAФ нас уже не волнует с заглушкой ЕГР, т.к. можно вообще, если есть заглушка конечно, его выкинуть, только будет чек...
Те, у кого ЕГР работает (заглушка не стоит) могут нарваться на ситуацию, когда МАФ сенсор, если будет грязным, то будет неправильно выставлять степень открытия клапана ЕГР или другими словами, неправильно выставлять перепуск газов.
Следовательно возможны трудности с динамикой или увеличение расхода топлива.
Для вычисления количества впрыскиваемого топлива участвует MAP сенсор или т.н. датчик давления во впускном коллекторе. Он тоже участвует в системе ЕГР регулирования но пассивным способом, главное его предназначение считать количество впрыска, а точнее поправку на базовый ammount volume.
Т.е. ставя заглушку мы исключаем из работы MAF сенсор, который может засираться и температурный сенсор, которому правда ничего не бывает
Для сведения (если не ошибаюсь), есть еще один температурный сенсор возле дроссельной заслонки, который меряет эффективность интеркулера и вносит поправку во впрыск.
Вообщем, если поставите заглушку ЕГР, то проблем будет однозначно меньше!
Вот поэтому я и не дождался чека - ведь клапан ЕГР вертится как ему надо, основываясь на датчике МАФ, только зрителей из-за заглушки нету
НМПСпорт 2010 4d56 2500 дизель S05 5AT
лето BridgeStone HT 265/65R17, зима Hakka 5 SUV 265/65R17
Eberspacher Hydronic 5 кВт, доп. вентилятор кондиционера
Egr off + дроссель On (нержавейка + программное отключение)
лето BridgeStone HT 265/65R17, зима Hakka 5 SUV 265/65R17
Eberspacher Hydronic 5 кВт, доп. вентилятор кондиционера
Egr off + дроссель On (нержавейка + программное отключение)
- Семнадцатый
- Сообщения: 1651
- Зарегистрирован: 17 ноя 2010, 20:22
- Двигатель:: 4D56
- Мой автомобиль(и):: Pajero Sport II
- Благодарил (а): 11 раз
- Поблагодарили: 130 раз
- Контактная информация:
Re: Глушение EGR
Вот чашу репу, и думаю, как вернуть механический впрыск Гы) - шютка.
Зато знаю какой двигатель будет стоять после этого у меня, 1ХЗ или ТД42.
А так ЕГР НАДО убивать 100%.
Зато знаю какой двигатель будет стоять после этого у меня, 1ХЗ или ТД42.
А так ЕГР НАДО убивать 100%.
Есть направления, а дорогу выберет каждый свою....
BFG MT KM2 265/75 R16 | 605 Hi-Lift X-TREME Jack | Tmax 9500 на съёмной площадке
BFG MT KM2 265/75 R16 | 605 Hi-Lift X-TREME Jack | Tmax 9500 на съёмной площадке
- Andrey74300
- Сообщения: 70
- Зарегистрирован: 29 апр 2010, 20:05
- Двигатель:: 4D56 2,5 DI-D
- Мой автомобиль(и):: NMPS 2010 (черный).
- Откуда: Московский регион
- Откуда: Московский регион
- Благодарил (а): 7 раз
- Поблагодарили: 9 раз
- Контактная информация:
Re: Глушение EGR
А может кто-нить упростит жизнь всем желающим поставить заглушку, и выложит чертежик с размерами этой самой заглушки? Это что б сразу можно было заглушку изготовить безо-всяких примерок-обводок и быстренько ее поставить. Заранее благодарен! 
Так и быть, живите... ...с миром. ;)
- Napic
- Сообщения: 5982
- Зарегистрирован: 29 июл 2010, 06:51
- Двигатель:: дизель 4d56
- Мой автомобиль(и):: НМПСпорт 2010
- Откуда: Сибирь
- Благодарил (а): 423 раза
- Поблагодарили: 1021 раз
Re: Глушение EGR
Тут уже важен не конечный результат, а сам процесс.Andrey74300 писал(а):А может кто-нить упростит жизнь всем желающим поставить заглушку, и выложит чертежик с размерами этой самой заглушки? Это что б сразу можно было заглушку изготовить безо-всяких примерок-обводок и быстренько ее поставить. Заранее благодарен!
Я вот никому рекомендовать не буду ставить эту заглушку - т.к. нарушается баланс двигателя, заложенный конструкторами, нарушается экология, ведь окислы азота сильно вредные...
Но мне интересен сам процесс установки этой заглушки, что меняется, как реагирует, как это работает. Просто интересно.
Большим дядькам - большие игрушки и охота все разобрать по винтикам.
А заглушку самое простое заказать на Exist-е, как придет, то по ней и вырезать или на завод отдать чтобы сделали такую же но без центрального отверстия
НМПСпорт 2010 4d56 2500 дизель S05 5AT
лето BridgeStone HT 265/65R17, зима Hakka 5 SUV 265/65R17
Eberspacher Hydronic 5 кВт, доп. вентилятор кондиционера
Egr off + дроссель On (нержавейка + программное отключение)
лето BridgeStone HT 265/65R17, зима Hakka 5 SUV 265/65R17
Eberspacher Hydronic 5 кВт, доп. вентилятор кондиционера
Egr off + дроссель On (нержавейка + программное отключение)
- CoolBDW
- Сообщения: 3630
- Зарегистрирован: 20 янв 2010, 10:11
- Двигатель:: 4D56
- Мой автомобиль(и):: был - NMPS 2010 2.5 TD 5AT S04
- Откуда: Тула
- Откуда: Тула
- Благодарил (а): 210 раз
- Поблагодарили: 284 раза
Re: Глушение EGR
Ну этта, заглушил 
Заглушку сделал из тонкого шпателя (эх, лопата не попалась...
) из нержавейки. Всунул внутрь родной (заранее купленной). Умучался с этим шпателем мама не горюй - он не сверлится (пару свёрл спалил) и не режется (нужны хорошие ножницы по металлу), это при том, что он 0.1-0.2 мм в толщину где-то
Кто будет делать из лопаты (т.е. толстую) - там места совсем мало, ИМХО не стОит 
Фотки заготовок и результата - вот (за качество - сорри, с телефона) Советую всем, кто соберётся глушить, купить родную прокладку и спокойно сделать заглушку, иначе рискуете повторять операцию съёма-установки родной заглушки, если вдруг не справитесь с изготовлением заглушки
Процедура не трудная хотя - снимаем основной аккумулятор, минус где-нибудь закрепляем, плюс обернуть чем-то, чтобы коротыша не было на корпус. У мну в процессе (минут 10) плюс держала жена
Ставил в точку "2" (см. рисунок на первой странице) - отвернуть два болта на 10, снять экранчик, два болта на 12, чуть отклонить патрубок и поменять родную прокладку на подготовленную заглушку. Всё собрать в обратном порядке. Времени 10-15 минут максимум со снятием-установкой акка.
Теперь о главном. Наблюдения продолжаю, но предварительные результаты оглашу. Звук двигателя на оборотах стал лучше, "дребезга" стало меньше. Приёмистость особо не изменилась, но, возможно, чуть получше в режиме "пол-педали". Температура - пока не понял. Вчера возвращаясь с дачи температура по трассе (120 в горку с газом) дошла до 96, в принципе - особо не изменилась. Сегодня (как дурак
) прогрел с утра движок вебастой, чтобы сразу на рабочую температуру выйти. По городу температура либо такая же, либо на 1-2 градуса ниже. Т.е. не выше - точно. Это всё (и трасса, и город) на 5-й карте FGC. На линейном надо тоже посмотреть, но не могу себя заставить
Вечером опять поеду на дачу - гляну и город (будет жарко, а не как утром 23), и трассу.
Но общее ощущение уже сложилось - при малом газу (город, от светофора до светофора в медленном потоке без ускорений - газ то отпущен, но слегка прижат для поддержания скорости) температура либо та же, либо ниже на 1-2 градуса. По поводу дыма пока сказать трудно, но вчера не видел.
В общем, наблюдения продолжаю, завтра очередную порцию наблюдений выложу.
Да, родная прокладка была в налёте сажи. Не сильном, но было.
Как-то так
Заглушку сделал из тонкого шпателя (эх, лопата не попалась...
Фотки заготовок и результата - вот (за качество - сорри, с телефона) Советую всем, кто соберётся глушить, купить родную прокладку и спокойно сделать заглушку, иначе рискуете повторять операцию съёма-установки родной заглушки, если вдруг не справитесь с изготовлением заглушки
Процедура не трудная хотя - снимаем основной аккумулятор, минус где-нибудь закрепляем, плюс обернуть чем-то, чтобы коротыша не было на корпус. У мну в процессе (минут 10) плюс держала жена
Ставил в точку "2" (см. рисунок на первой странице) - отвернуть два болта на 10, снять экранчик, два болта на 12, чуть отклонить патрубок и поменять родную прокладку на подготовленную заглушку. Всё собрать в обратном порядке. Времени 10-15 минут максимум со снятием-установкой акка.
Теперь о главном. Наблюдения продолжаю, но предварительные результаты оглашу. Звук двигателя на оборотах стал лучше, "дребезга" стало меньше. Приёмистость особо не изменилась, но, возможно, чуть получше в режиме "пол-педали". Температура - пока не понял. Вчера возвращаясь с дачи температура по трассе (120 в горку с газом) дошла до 96, в принципе - особо не изменилась. Сегодня (как дурак
Но общее ощущение уже сложилось - при малом газу (город, от светофора до светофора в медленном потоке без ускорений - газ то отпущен, но слегка прижат для поддержания скорости) температура либо та же, либо ниже на 1-2 градуса. По поводу дыма пока сказать трудно, но вчера не видел.
В общем, наблюдения продолжаю, завтра очередную порцию наблюдений выложу.
Да, родная прокладка была в налёте сажи. Не сильном, но было.
Как-то так
Дмитрий
было когда-то:
NMPS 2010 2.5 TD 5AT чёрный
Webasto, Multitronics VC731, DRL, RedPower 8994, FGC, без EGR (+заглушка -фишка)
Yokohama G012 & F700Z 265/65R17, пружины от Влада
было когда-то:
NMPS 2010 2.5 TD 5AT чёрный
Webasto, Multitronics VC731, DRL, RedPower 8994, FGC, без EGR (+заглушка -фишка)
Yokohama G012 & F700Z 265/65R17, пружины от Влада
- Napic
- Сообщения: 5982
- Зарегистрирован: 29 июл 2010, 06:51
- Двигатель:: дизель 4d56
- Мой автомобиль(и):: НМПСпорт 2010
- Откуда: Сибирь
- Благодарил (а): 423 раза
- Поблагодарили: 1021 раз
Re: Глушение EGR
Просто отлично!CoolBDW писал(а): По городу температура либо такая же, либо на 1-2 градуса ниже. Т.е. не выше - точно. Это всё (и трасса, и город) на 5-й карте FGC. На линейном надо тоже посмотреть, но не могу себя заставить![]()
Наблюдаем за процессом дальше, тебе
НМПСпорт 2010 4d56 2500 дизель S05 5AT
лето BridgeStone HT 265/65R17, зима Hakka 5 SUV 265/65R17
Eberspacher Hydronic 5 кВт, доп. вентилятор кондиционера
Egr off + дроссель On (нержавейка + программное отключение)
лето BridgeStone HT 265/65R17, зима Hakka 5 SUV 265/65R17
Eberspacher Hydronic 5 кВт, доп. вентилятор кондиционера
Egr off + дроссель On (нержавейка + программное отключение)
- Napic
- Сообщения: 5982
- Зарегистрирован: 29 июл 2010, 06:51
- Двигатель:: дизель 4d56
- Мой автомобиль(и):: НМПСпорт 2010
- Откуда: Сибирь
- Благодарил (а): 423 раза
- Поблагодарили: 1021 раз
Re: Глушение EGR
добавлю важную информацию о работе ЕГР...
Оказывается я ошибался, что ЕГР не работает на ХХ, холодном моторе и полной нагрузке...
Вернее, это справедливо только для бензинки, у которых ЕГР простой и имеет только два положения открыто и закрыто и управляется вакуумом.
Тем не менее глушить я ЕГР на бензинке бы не стал.
Для дизеля, к сожалению, все сложнее.
ЕГР все-таки работает на ХХ (холостом ходу) и еще как работает! Как минимум клапан ЕГР на холостом ходу, после прогрева конечно, открыт на 50% или даже более!
Вот почему, те, кто глушили ЕГР на дизеле, отмечали более ровную работу на ХХ и меньшую тряску ручки раздатки
По мере нарастания оборотов, ЕГР постепенно прикрывается и доходит до 10% своего открытия на оборотах 3500, а если обороты более чем 3500, то клапан прикрывается еще дальше...
Пока не знаю что с этой информацией делать, вернее как ее обработать в своем мозгу.
Вроде должен на прогретом двигателе или увеличиться или уменьшиться расход дизтоплива либо не измениться совсем.
С температурой именно холостого хода тоже непонятно
Надо мерить температуру на длительном холостом ходу с заглушкой и без.
Вот почему, при старте с места с ХХ, блоком FGC и заглушке меньше черного дыма.
Вообщем полное
Кто что думает?
Оказывается я ошибался, что ЕГР не работает на ХХ, холодном моторе и полной нагрузке...
Вернее, это справедливо только для бензинки, у которых ЕГР простой и имеет только два положения открыто и закрыто и управляется вакуумом.
Тем не менее глушить я ЕГР на бензинке бы не стал.
Для дизеля, к сожалению, все сложнее.
ЕГР все-таки работает на ХХ (холостом ходу) и еще как работает! Как минимум клапан ЕГР на холостом ходу, после прогрева конечно, открыт на 50% или даже более!
Вот почему, те, кто глушили ЕГР на дизеле, отмечали более ровную работу на ХХ и меньшую тряску ручки раздатки
По мере нарастания оборотов, ЕГР постепенно прикрывается и доходит до 10% своего открытия на оборотах 3500, а если обороты более чем 3500, то клапан прикрывается еще дальше...
Пока не знаю что с этой информацией делать, вернее как ее обработать в своем мозгу.
Вроде должен на прогретом двигателе или увеличиться или уменьшиться расход дизтоплива либо не измениться совсем.
С температурой именно холостого хода тоже непонятно
Надо мерить температуру на длительном холостом ходу с заглушкой и без.
Вот почему, при старте с места с ХХ, блоком FGC и заглушке меньше черного дыма.
Вообщем полное
Кто что думает?
НМПСпорт 2010 4d56 2500 дизель S05 5AT
лето BridgeStone HT 265/65R17, зима Hakka 5 SUV 265/65R17
Eberspacher Hydronic 5 кВт, доп. вентилятор кондиционера
Egr off + дроссель On (нержавейка + программное отключение)
лето BridgeStone HT 265/65R17, зима Hakka 5 SUV 265/65R17
Eberspacher Hydronic 5 кВт, доп. вентилятор кондиционера
Egr off + дроссель On (нержавейка + программное отключение)
- MAVR64
- Сообщения: 2881
- Зарегистрирован: 28 авг 2010, 20:51
- Двигатель:: Дизель
- Мой автомобиль(и):: Pajero
- Откуда: Саратов
- Благодарил (а): 134 раза
- Поблагодарили: 146 раз
Re: Глушение EGR
Думаю, что на холостом ходу условия для полного сгорания топлива не оптимальные, и ЕГР открыт для возврата газов и полного сгорания саляры. На больших оборотах КПД увеличивается и дожиг не сгоревшего топлива не требуется. Если я правильно понимаю назначение этой приблуды.
PAJERO SHOGUN 2014my 3200 200hp A/T БК, регистратор, антирадар, Защита=композит+алюминий
Yokohama Geolandar A/T G012 size 265/60 R18
Yokohama Geolandar A/T G012 size 265/60 R18
- Napic
- Сообщения: 5982
- Зарегистрирован: 29 июл 2010, 06:51
- Двигатель:: дизель 4d56
- Мой автомобиль(и):: НМПСпорт 2010
- Откуда: Сибирь
- Благодарил (а): 423 раза
- Поблагодарили: 1021 раз
Re: Глушение EGR
Нет, не то. У дизеля самое полное сгорание топлива на хх и без системы ЕГР.MAVR64 писал(а):Думаю, что на холостом ходу условия для полного сгорания топлива не оптимальные, и ЕГР открыт для возврата газов и полного сгорания саляры. На больших оборотах КПД увеличивается и дожиг не сгоревшего топлива не требуется. Если я правильно понимаю назначение этой приблуды.
Скорее всего именно на хх больше всего и образуются те самые окислы азота.
А на оборотах нельзя сильно большим делать перепуск газов, иначе будет вялый разгон из-за недостатка кислорода.
Обычно именно на оборотах топливо может не полностью сгорать , т.к. просто может не успеть... а ЕГР при этом прикрывается до минимума.
НМПСпорт 2010 4d56 2500 дизель S05 5AT
лето BridgeStone HT 265/65R17, зима Hakka 5 SUV 265/65R17
Eberspacher Hydronic 5 кВт, доп. вентилятор кондиционера
Egr off + дроссель On (нержавейка + программное отключение)
лето BridgeStone HT 265/65R17, зима Hakka 5 SUV 265/65R17
Eberspacher Hydronic 5 кВт, доп. вентилятор кондиционера
Egr off + дроссель On (нержавейка + программное отключение)
- MAVR64
- Сообщения: 2881
- Зарегистрирован: 28 авг 2010, 20:51
- Двигатель:: Дизель
- Мой автомобиль(и):: Pajero
- Откуда: Саратов
- Благодарил (а): 134 раза
- Поблагодарили: 146 раз
Re: Глушение EGR
Я конечно не крутой спец в теории ДВС, но посудите сами: наиболее полное сгорание должно быть при наибольшем КПД. А наибольший КПД должен быть или при наибольшей мощности или при наибольшем моменте.
PAJERO SHOGUN 2014my 3200 200hp A/T БК, регистратор, антирадар, Защита=композит+алюминий
Yokohama Geolandar A/T G012 size 265/60 R18
Yokohama Geolandar A/T G012 size 265/60 R18
- CoolBDW
- Сообщения: 3630
- Зарегистрирован: 20 янв 2010, 10:11
- Двигатель:: 4D56
- Мой автомобиль(и):: был - NMPS 2010 2.5 TD 5AT S04
- Откуда: Тула
- Откуда: Тула
- Благодарил (а): 210 раз
- Поблагодарили: 284 раза
Re: Глушение EGR
Napic
А откуда знания? Где прочитал - дай ссылку
По теме - поток сознания
Максимальный КПД ДВС будет при максимальном сгорании топлива (это не зависит от максимума момента или выдуманной величины по имени "мощность"). Соответственно, максимальный КПД ДВС будет достигаться при максимальном притоке кислорода, чтобы топливо сгорало полностью, и пофиг, какие обороты, на самом деле. Если топливо сгорает полностью, то и КПД будет максимальный. Это КПД самого ДВС.
А при работе на оборотах максимального момента максимальным будет КПД не самого двигателя (т.е. может быть, а может и нет), а некая величина, которая будет характеризоваться максимальной отдачей момента на единицу сгораемого топлива. Т.е. на оборотах максимального момента будет совершаться максимально возможная работа (ускорение авто). Но это не говорит о том, что на ХХ КПД ДВС будет не максимальным. Ну, как-то так. Идея моя понятна?
КПД ДВС характеризуется количеством отдаваемого момента на единицу потребляемого топлива. А обороты максимального момента - для получения максимума производимой работы на ту же единицу потребляемого топлива.
Пример - электродвигатель. КПД у него постоянен и равен, скажем, 96 процентам. А максимум работы будет на максимальных оборотах - там зависимость отдаваемого момента от оборотов линейная. При этом КПД электродвигателя практически всегда максимален, хоть на 100 rpm, хоть на 10,000 rpm.
Далее. Если EGR перекрыт совсем, то, по идее, в двигатель поступает БОЛЬШЕ кислорода. Соответственно, КПД ДВС должен увеличиваться, т.к. топлива сгорает БОЛЬШЕ. Соответственно, при одинаковых нагрузках должны получить более ЭКОНОМИЧНУЮ работу ДВС при заглушенном EGR, т.к. КПД будет больше. Особенно это должно наблюдаться в тех режимах, где EGR должен быть открыт - т.е. на малом/среднем газу, а также (как говорит Napic) и на ХХ. Чем больше EGR закрывается своим клапаном, тем больше КПД стремится к возможному максимуму. Т.е. при максимальной нагрузке, когда клапан EGR перекрыт, КПД ДВС максимален, т.е. сгорает максимум топлива.
По идее, это должно выражаться в том, что при заглушенном EGR надо меньше жать на педаль, т.к. отдача двигателя будет лучше, чем при неполном сгорании топлива (EGR открыт). Субъективно движок должен лучше тянуть. Соответственно, чем меньше жмём на педаль, тем экономичней езда получается.
Другой вопрос, что будет с температурой. Думается, что особо ничего не должно быть, т.к. при максимальной нагрузке EGR и так перекрывается, т.е. как раз в тех режимах, когда выделяется максимум тепла (максимум сгораемого топлива), EGR и не работает.
Для эксперимента, чтобы убедиться в этом, когда у меня представится более-менее длительная поездка по трассе (Тула-Москва-Тула) попробую поехать в линейном режиме и сравнить расход с базовым (до установки FGC).
Ну а пока ещё порция наблюдений. По температуре. Прямо вот каких-то бросающихся в глаза отличий не вижу. Т.е. если заглушенный EGR и влияет как-то на температуру, то явно НЕ однозначно.
Но есть ощущение, что на малом газу движок лучше (быстрее) остывает и меньше нагревается, а на большом газу (почти в пол в горку на большой скорости) наоборот, быстрее набирает температуру. Пока только ощущение - слишком много погрешностей в измерениях. Но то, что на малых оборотах температура на 1-2 градуса меньше - кажется всё больше...
Что ещё субъективно чувствуется - более ровная работа движка, чуть лучший приём, изменился звук на средней нагрузке/оборотах - ИМХО помягче стало, меньше "дребезга" в звуке. По ХХ сказать трудно, но тоже как-то больше нравится. Всё субъективно, конечно.
А откуда знания? Где прочитал - дай ссылку
По теме - поток сознания
Максимальный КПД ДВС будет при максимальном сгорании топлива (это не зависит от максимума момента или выдуманной величины по имени "мощность"). Соответственно, максимальный КПД ДВС будет достигаться при максимальном притоке кислорода, чтобы топливо сгорало полностью, и пофиг, какие обороты, на самом деле. Если топливо сгорает полностью, то и КПД будет максимальный. Это КПД самого ДВС.
А при работе на оборотах максимального момента максимальным будет КПД не самого двигателя (т.е. может быть, а может и нет), а некая величина, которая будет характеризоваться максимальной отдачей момента на единицу сгораемого топлива. Т.е. на оборотах максимального момента будет совершаться максимально возможная работа (ускорение авто). Но это не говорит о том, что на ХХ КПД ДВС будет не максимальным. Ну, как-то так. Идея моя понятна?
КПД ДВС характеризуется количеством отдаваемого момента на единицу потребляемого топлива. А обороты максимального момента - для получения максимума производимой работы на ту же единицу потребляемого топлива.
Пример - электродвигатель. КПД у него постоянен и равен, скажем, 96 процентам. А максимум работы будет на максимальных оборотах - там зависимость отдаваемого момента от оборотов линейная. При этом КПД электродвигателя практически всегда максимален, хоть на 100 rpm, хоть на 10,000 rpm.
Далее. Если EGR перекрыт совсем, то, по идее, в двигатель поступает БОЛЬШЕ кислорода. Соответственно, КПД ДВС должен увеличиваться, т.к. топлива сгорает БОЛЬШЕ. Соответственно, при одинаковых нагрузках должны получить более ЭКОНОМИЧНУЮ работу ДВС при заглушенном EGR, т.к. КПД будет больше. Особенно это должно наблюдаться в тех режимах, где EGR должен быть открыт - т.е. на малом/среднем газу, а также (как говорит Napic) и на ХХ. Чем больше EGR закрывается своим клапаном, тем больше КПД стремится к возможному максимуму. Т.е. при максимальной нагрузке, когда клапан EGR перекрыт, КПД ДВС максимален, т.е. сгорает максимум топлива.
По идее, это должно выражаться в том, что при заглушенном EGR надо меньше жать на педаль, т.к. отдача двигателя будет лучше, чем при неполном сгорании топлива (EGR открыт). Субъективно движок должен лучше тянуть. Соответственно, чем меньше жмём на педаль, тем экономичней езда получается.
Другой вопрос, что будет с температурой. Думается, что особо ничего не должно быть, т.к. при максимальной нагрузке EGR и так перекрывается, т.е. как раз в тех режимах, когда выделяется максимум тепла (максимум сгораемого топлива), EGR и не работает.
Для эксперимента, чтобы убедиться в этом, когда у меня представится более-менее длительная поездка по трассе (Тула-Москва-Тула) попробую поехать в линейном режиме и сравнить расход с базовым (до установки FGC).
Ну а пока ещё порция наблюдений. По температуре. Прямо вот каких-то бросающихся в глаза отличий не вижу. Т.е. если заглушенный EGR и влияет как-то на температуру, то явно НЕ однозначно.
Но есть ощущение, что на малом газу движок лучше (быстрее) остывает и меньше нагревается, а на большом газу (почти в пол в горку на большой скорости) наоборот, быстрее набирает температуру. Пока только ощущение - слишком много погрешностей в измерениях. Но то, что на малых оборотах температура на 1-2 градуса меньше - кажется всё больше...
Что ещё субъективно чувствуется - более ровная работа движка, чуть лучший приём, изменился звук на средней нагрузке/оборотах - ИМХО помягче стало, меньше "дребезга" в звуке. По ХХ сказать трудно, но тоже как-то больше нравится. Всё субъективно, конечно.
Дмитрий
было когда-то:
NMPS 2010 2.5 TD 5AT чёрный
Webasto, Multitronics VC731, DRL, RedPower 8994, FGC, без EGR (+заглушка -фишка)
Yokohama G012 & F700Z 265/65R17, пружины от Влада
было когда-то:
NMPS 2010 2.5 TD 5AT чёрный
Webasto, Multitronics VC731, DRL, RedPower 8994, FGC, без EGR (+заглушка -фишка)
Yokohama G012 & F700Z 265/65R17, пружины от Влада
- Napic
- Сообщения: 5982
- Зарегистрирован: 29 июл 2010, 06:51
- Двигатель:: дизель 4d56
- Мой автомобиль(и):: НМПСпорт 2010
- Откуда: Сибирь
- Благодарил (а): 423 раза
- Поблагодарили: 1021 раз
Re: Глушение EGR
Ссылку не дам, по сервис-мануалу искал поиском. Вот поэтому и ошибся, прочитал про ЕГР что на хх не работает и отложил в голове, а оказывается это только к бензинкам относится - названия тем поиск по сервисмануалу не кажет,CoolBDW писал(а):Napic
А откуда знания? Где прочитал - дай ссылку![]()
а потом наткнулся на информацию именно про 4d56 и там уже все по другому с этим ЕГР
вот сохранил в файл
НМПСпорт 2010 4d56 2500 дизель S05 5AT
лето BridgeStone HT 265/65R17, зима Hakka 5 SUV 265/65R17
Eberspacher Hydronic 5 кВт, доп. вентилятор кондиционера
Egr off + дроссель On (нержавейка + программное отключение)
лето BridgeStone HT 265/65R17, зима Hakka 5 SUV 265/65R17
Eberspacher Hydronic 5 кВт, доп. вентилятор кондиционера
Egr off + дроссель On (нержавейка + программное отключение)
-
DenisR
- Сообщения: 3006
- Зарегистрирован: 12 окт 2009, 16:46
- Двигатель:: 4M41
- Мой автомобиль(и):: Pajero Sport New
- Откуда: Москва. Сев.Тушино
- Откуда: Москва. Сев.Тушино
- Благодарил (а): 15 раз
- Поблагодарили: 185 раз
Re: Глушение EGR
Napic писал(а):Ссылку не дам, по сервис-мануалу искал поиском. Вот поэтому и ошибся, прочитал про ЕГР что на хх не работает и отложил в голове, а оказывается это только к бензинкам относится - названия тем поиск по сервисмануалу не кажет,CoolBDW писал(а):Napic
А откуда знания? Где прочитал - дай ссылку![]()
а потом наткнулся на информацию именно про 4d56 и там уже все по другому с этим ЕГР
вот сохранил в файл
запости это на пикап-клубе, там народ уже долго спорит как работает ЕГР
3.2 АКПП, лето Maxxis razr at 285\75\R16, зима nokian lt2 285\75\R16. Силовые пороги. T-MAX11000 . MJ 600 Turbo+Lemm TURBO 2001
- CoolBDW
- Сообщения: 3630
- Зарегистрирован: 20 янв 2010, 10:11
- Двигатель:: 4D56
- Мой автомобиль(и):: был - NMPS 2010 2.5 TD 5AT S04
- Откуда: Тула
- Откуда: Тула
- Благодарил (а): 210 раз
- Поблагодарили: 284 раза
Re: Глушение EGR
Вот молодец! А я, блин, читал как он устроен и как работает, а там таких данных нет - одно бла-бла-бла...Napic писал(а):Ссылку не дам, по сервис-мануалу искал поиском. Вот поэтому и ошибся, прочитал про ЕГР что на хх не работает и отложил в голове, а оказывается это только к бензинкам относится - названия тем поиск по сервисмануалу не кажет,CoolBDW писал(а):Napic
А откуда знания? Где прочитал - дай ссылку![]()
а потом наткнулся на информацию именно про 4d56 и там уже все по другому с этим ЕГР
вот сохранил в файл
Ну, что? Получается, заглушенный EGR полезен не только под нагрузкой
ЗЫ
Дмитрий
было когда-то:
NMPS 2010 2.5 TD 5AT чёрный
Webasto, Multitronics VC731, DRL, RedPower 8994, FGC, без EGR (+заглушка -фишка)
Yokohama G012 & F700Z 265/65R17, пружины от Влада
было когда-то:
NMPS 2010 2.5 TD 5AT чёрный
Webasto, Multitronics VC731, DRL, RedPower 8994, FGC, без EGR (+заглушка -фишка)
Yokohama G012 & F700Z 265/65R17, пружины от Влада
-
Нидзя
- Сообщения: 199
- Зарегистрирован: 12 май 2010, 14:29
- Двигатель:: бензин
- Мой автомобиль(и):: NMPS 2010
- Откуда: Собянск
Re: Глушение EGR
Напыч, дружище, вот с этого момента можно поподробней? Нам бензинщикам тож крайне нтересно про ЕГР. Може нам его тоже надо глушить к такой-то маме?Napic писал(а):прочитал про ЕГР что на хх не работает и отложил в голове, а оказывается это только к бензинкам относится - названия тем поиск по сервисмануалу не кажет,CoolBDW писал(а):Napic
А откуда знания? Где прочитал - дай ссылку![]()
а потом наткнулся на информацию именно про 4d56 и там уже все по другому с этим ЕГР
вот сохранил в файл
Расскажи пожалста, что ты там про бензинки вычитал и их ЕГР? Что нам делать?
Вы с Дмитрием, я гляжу, в этой теме по упряжке собак съели, так поделитесь знаниями..кстате глянул ссылку твою про ЕГР....и ничего в ней не понял, всё на заграничном языке написано, как не для нас.
НМПС- 2010, 3.0 Ultimate. Лето - Geolandar G012 -275х65 R17.... Зима - Хакка-5
- Napic
- Сообщения: 5982
- Зарегистрирован: 29 июл 2010, 06:51
- Двигатель:: дизель 4d56
- Мой автомобиль(и):: НМПСпорт 2010
- Откуда: Сибирь
- Благодарил (а): 423 раза
- Поблагодарили: 1021 раз
Re: Глушение EGR
Вообщем, если с дизелем все понятно, хотя мне уже нетНидзя писал(а): Расскажи пожалста, что ты там про бензинки вычитал и их ЕГР? Что нам делать?
У бензинок ЕГР не работает на ХХ, прогреве и режиме полной мощности - это 100% точно.
В отличии от дизеля, у бензинок ЕГР может принимать только 2-ва положения - открыт или закрыт.
Если ЕГР не до конца открывается или не до конца закрывается - возможны проблемы.
Соответственно вроде бы глушить и дело в шляпе, но есть 2 "но"
1) у бензинок стоит лямбда зонд до катализатора и возможно 2-ой - после и скорее всего заглушка ЕГР зажжет чек. Надо просто заглушить и посмотреть, если чек будет - то заглушку снять, а если чека не будет, то остается 2-ое "но"
2) На бензинках стоит трехкомпонентный катализатор. Он окисляет С, НС и NOx
Если при заглушке будет повышенное содержание NOx в выхлопе (а оно будет 100%) то я не знаю насколько хватит ресурса этого катализатора и как он будет дожигать первые два компонента - вопрос! там все взаимосвязано не по детски.
Если и глушить на бензинках ЕГР, то лучше это сделать с удалением катализатора и ставить обманку на второй кислородный датчик или просто чиповаться и уже в чиповке удалить ЕГР - пусть работает по программе евро-3, а не евро-4
А еще лучше, если хочешь заглушить ЕГР, то купить автомобиль с дизелем и там уже избавиться!
НМПСпорт 2010 4d56 2500 дизель S05 5AT
лето BridgeStone HT 265/65R17, зима Hakka 5 SUV 265/65R17
Eberspacher Hydronic 5 кВт, доп. вентилятор кондиционера
Egr off + дроссель On (нержавейка + программное отключение)
лето BridgeStone HT 265/65R17, зима Hakka 5 SUV 265/65R17
Eberspacher Hydronic 5 кВт, доп. вентилятор кондиционера
Egr off + дроссель On (нержавейка + программное отключение)
- Napic
- Сообщения: 5982
- Зарегистрирован: 29 июл 2010, 06:51
- Двигатель:: дизель 4d56
- Мой автомобиль(и):: НМПСпорт 2010
- Откуда: Сибирь
- Благодарил (а): 423 раза
- Поблагодарили: 1021 раз
Re: Глушение EGR
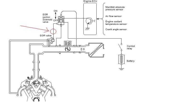
посмотрел я схему ЕГР бензинок.
Можно просто заглушить вакуумную трубку к клапану ЕГР и работать он не будет, если не завис в приоткрытом положении и не прогорел
По рисунку, смущают меня две вакуумные трубки до дроссельной заслонки и после - возможно, что тоже может ЕГР принимать промежуточные положения в зависимости от нажатия на педаль газа... и при полном газе (дроссельная открыта полностью) разряжения нет и клапан ЕГР закрыт.
Вообшем, заглушить вакуум, по месту, которое стрелкой показано и нам отписать, что на новой машине это дало!
Можно просто заглушить вакуумную трубку к клапану ЕГР и работать он не будет, если не завис в приоткрытом положении и не прогорел
По рисунку, смущают меня две вакуумные трубки до дроссельной заслонки и после - возможно, что тоже может ЕГР принимать промежуточные положения в зависимости от нажатия на педаль газа... и при полном газе (дроссельная открыта полностью) разряжения нет и клапан ЕГР закрыт.
Вообшем, заглушить вакуум, по месту, которое стрелкой показано и нам отписать, что на новой машине это дало!
НМПСпорт 2010 4d56 2500 дизель S05 5AT
лето BridgeStone HT 265/65R17, зима Hakka 5 SUV 265/65R17
Eberspacher Hydronic 5 кВт, доп. вентилятор кондиционера
Egr off + дроссель On (нержавейка + программное отключение)
лето BridgeStone HT 265/65R17, зима Hakka 5 SUV 265/65R17
Eberspacher Hydronic 5 кВт, доп. вентилятор кондиционера
Egr off + дроссель On (нержавейка + программное отключение)
