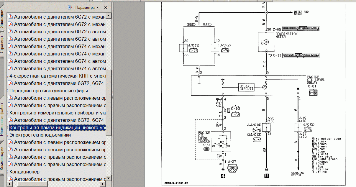
Я сейчас не могу посмотреть есть ли там этот датчик, хотя на этой машине катаю уже более 16-и лет,и только сейчас обратил внимание на эту лампу (возможно она просто не загоралась ранее,а сейчас я перетряхнул лампочки,и эта лампа стала гореть). Другой вопрос, обе этих лампы - и давления, и уровня - загораются при включении зажигания,и тухнут после запуска двигателя. Вопрос - так и должно быть? Я понимаю что лампа давления должна потухнуть после того,как это давление появляется после запуска, но почему горит лампа уровня при включении зажигания?? И почему она тухнет после запуска??алексей - Маленький Мук писал(а): ↑28 авг 2019, 06:40 Вторая масленка это уровень масла, но не у всех он стоит и работает( датчик) сам датчик справа внизу картера
TRT - Вдоль р.Киржач. Для стандартных 4х4 (08.11.25) Форум Обсуждение FAQ
ТАХОМЕТР
Модераторы: SNOOPER, Nbf, Romik, BAlex
- EXCITER
- Сообщения: 206
- Зарегистрирован: 14 дек 2009, 00:36
- Двигатель:: 6G74 Бензин
- Мой автомобиль(и):: Mitsubishi Pajero II 1998 МКПП 3500 Короткий
- Откуда: Пенза
- Откуда: Пенза
- Благодарил (а): 12 раз
- Поблагодарили: 2 раза
ТАХОМЕТР
MMC Pajero II 3-х дверн, 1998 г.в., механика Super Select, дв. 6G74 3500 24 кл., 194 л.с., пробег 182 000
-
алексей - Маленький Мук
- Модератор
- Сообщения: 20299
- Зарегистрирован: 11 дек 2008, 16:10
- Откуда: москва м Академическая
- Благодарил (а): 101 раз
- Поблагодарили: 1323 раза
ТАХОМЕТР
вынь лампу и не парь себе мозг
я как то тож снял приборку( на Спорте) увидел что не горит лампа давления масла. вставил лампу и чуть инфаркт не схватил
она начала гореть
не должно ея там быть
Всем добра.......
- dvm99
- Сообщения: 21743
- Зарегистрирован: 21 май 2012, 20:59
- Двигатель:: 6G72, 12клап.,
- Мой автомобиль(и):: Pajero2, Запорожец- Ланос
- Откуда: Свердловская обл.
- Благодарил (а): 706 раз
- Поблагодарили: 1028 раз
ТАХОМЕТР
Да! Это проверка лампы...
Датчик управляет лампочкой не напрямую, а через схему.
Если этот датчик у тебя живой, то ты счастливчик
Дмитрий
Боливар2 - П2, 92г., V43, 6G72(12V), V4AW2, RD/L, пруль (чистокровный японский рысак)
Боливар1 - П2, 93г., 6G72(12V), МКПП, V43, RD/L, Европа (славный был конь, но уже донор)
Боливар2 - П2, 92г., V43, 6G72(12V), V4AW2, RD/L, пруль (чистокровный японский рысак)
Боливар1 - П2, 93г., 6G72(12V), МКПП, V43, RD/L, Европа (славный был конь, но уже донор)
-
алексей - Маленький Мук
- Модератор
- Сообщения: 20299
- Зарегистрирован: 11 дек 2008, 16:10
- Откуда: москва м Академическая
- Благодарил (а): 101 раз
- Поблагодарили: 1323 раза
ТАХОМЕТР
у меня лампа есть, а дачтчика нет
и даж концов под капотом не торчит. а вот в Спорте разьем есть , висит .
Датчики ломают по незнанию как его пральна достать из картера 
Всем добра.......
- dvm99
- Сообщения: 21743
- Зарегистрирован: 21 май 2012, 20:59
- Двигатель:: 6G72, 12клап.,
- Мой автомобиль(и):: Pajero2, Запорожец- Ланос
- Откуда: Свердловская обл.
- Благодарил (а): 706 раз
- Поблагодарили: 1028 раз
ТАХОМЕТР
Вернее, снимают поддон, не сняв датчик...алексей - Маленький Мук писал(а): ↑01 сен 2019, 08:44 Датчики ломают по незнанию как его пральна достать из картера
Дмитрий
Боливар2 - П2, 92г., V43, 6G72(12V), V4AW2, RD/L, пруль (чистокровный японский рысак)
Боливар1 - П2, 93г., 6G72(12V), МКПП, V43, RD/L, Европа (славный был конь, но уже донор)
Боливар2 - П2, 92г., V43, 6G72(12V), V4AW2, RD/L, пруль (чистокровный японский рысак)
Боливар1 - П2, 93г., 6G72(12V), МКПП, V43, RD/L, Европа (славный был конь, но уже донор)
-
алексей - Маленький Мук
- Модератор
- Сообщения: 20299
- Зарегистрирован: 11 дек 2008, 16:10
- Откуда: москва м Академическая
- Благодарил (а): 101 раз
- Поблагодарили: 1323 раза
- EXCITER
- Сообщения: 206
- Зарегистрирован: 14 дек 2009, 00:36
- Двигатель:: 6G74 Бензин
- Мой автомобиль(и):: Mitsubishi Pajero II 1998 МКПП 3500 Короткий
- Откуда: Пенза
- Откуда: Пенза
- Благодарил (а): 12 раз
- Поблагодарили: 2 раза
ТАХОМЕТР
Большое спасибо за разъяснения! Теперь буду знать,что если лампа уровня масла при повороте ключа загорается,а при запуске гаснет,то всё ОК,так и должно быть. А значит и датчик живой? Или пока такое только про лампу сказать можно?)
Согласен, оффтоп по ходу возник) по ходу проверки-перетряски панели) лампочек поменял 4 штуки. в индикации редима трансмиссии три из них. при этом до снятия панели вроде все работало, стоило на место поставить - лампы уже не горели. видимо уже настолько плохие спиральки были, что малейшее шевеление их стрясло, лампы именно не горели,вынутые из цоколя. заменил,все нормально теперь.алексей - Маленький Мук писал(а): ↑01 сен 2019, 09:33 Ваще чета нас понесло в другую сторону от ТАХОМЕТРА
Что интересно,у меня там еще обнаружилась рабочая лампа круиза, но самого круиза в машине нет. При этом если бить по VIN на japancars , то там в запчастях есть этот круиз!!! И вот не знаю что думать,то ли у меня франкенштейн, то ли так и должно быть и это нормально.. Можно было бы предположить, что панель с другой паджеры поставили, с круизом которая (чтобы обмануть с пробегом к примеру), но тогда бы круиза не было по VIN. С другой стороны,если панель родная,то куда делся тогда круиз)) Какие мысли??
MMC Pajero II 3-х дверн, 1998 г.в., механика Super Select, дв. 6G74 3500 24 кл., 194 л.с., пробег 182 000
-
алексей - Маленький Мук
- Модератор
- Сообщения: 20299
- Зарегистрирован: 11 дек 2008, 16:10
- Откуда: москва м Академическая
- Благодарил (а): 101 раз
- Поблагодарили: 1323 раза
ТАХОМЕТР
проводка закладывается почти одинаковая на все машинки, эт упрощает процес сборки
а комплектуха может быть разной. ток добавляй опцию 
Всем добра.......
-
Саня 57
- Сообщения: 181
- Зарегистрирован: 07 янв 2020, 18:38
- Двигатель:: 6g74
- Мой автомобиль(и):: Митцубиши Паджеро 2
- Откуда: Ливны
- Благодарил (а): 4 раза
- Поблагодарили: 19 раз
ТАХОМЕТР
Добрый день форумчане.Вчера при поездке отказал тахометр,также пропала тяга,доехав до дома,вытащил сам тахометр из приборки и пропаял контакты,так как были трещины,но не помогло,копаю дальше и замечаю,что на заведенной машине,если дать примерно на слух 1200-1500 оборотов,то мотор начинает трусить,и идут пропуски зажигания.И тут самое интересное,при отсоединении провода тахо от коммутатора обороты выравниваются,при его подключении мотор начинает колбасить.Такое впечатление что сигнальный провод сел на массу,кто что думает,подскажите пожалуйста.
- dvm99
- Сообщения: 21743
- Зарегистрирован: 21 май 2012, 20:59
- Двигатель:: 6G72, 12клап.,
- Мой автомобиль(и):: Pajero2, Запорожец- Ланос
- Откуда: Свердловская обл.
- Благодарил (а): 706 раз
- Поблагодарили: 1028 раз
ТАХОМЕТР
Странная конечно картина...
Схема сделана так, что ей пофиг тахометр, как бы он там не коротил.
По крайней мере на зажигании не должно сказываться.
В схеме я пометил узлы, которые участвуют в формировании сигнала тахо.
С мозгов идёт ограниченный резистором постоянный ток, который коротится на массу специальным транзистором в МЗ (модуль зажигания), транзистор управляется интегратором, который собирает воедино импульсы с ключей управления катушками.
Т.е. транзистор уже сам короит на массу при формировании сигнала.
Посмотреть бы, что творится на сервисном разъёме А-66 при поднятии оборотов. Но нужен осцилограф...
Второй момент: я бы проверил массу на МЗ на всякий случай.
Ну и что.
Схема сделана так, что ей пофиг тахометр, как бы он там не коротил.
По крайней мере на зажигании не должно сказываться.
В схеме я пометил узлы, которые участвуют в формировании сигнала тахо.
С мозгов идёт ограниченный резистором постоянный ток, который коротится на массу специальным транзистором в МЗ (модуль зажигания), транзистор управляется интегратором, который собирает воедино импульсы с ключей управления катушками.
Т.е. транзистор уже сам короит на массу при формировании сигнала.
Посмотреть бы, что творится на сервисном разъёме А-66 при поднятии оборотов. Но нужен осцилограф...
Второй момент: я бы проверил массу на МЗ на всякий случай.
Дмитрий
Боливар2 - П2, 92г., V43, 6G72(12V), V4AW2, RD/L, пруль (чистокровный японский рысак)
Боливар1 - П2, 93г., 6G72(12V), МКПП, V43, RD/L, Европа (славный был конь, но уже донор)
Боливар2 - П2, 92г., V43, 6G72(12V), V4AW2, RD/L, пруль (чистокровный японский рысак)
Боливар1 - П2, 93г., 6G72(12V), МКПП, V43, RD/L, Европа (славный был конь, но уже донор)
-
Саня 57
- Сообщения: 181
- Зарегистрирован: 07 янв 2020, 18:38
- Двигатель:: 6g74
- Мой автомобиль(и):: Митцубиши Паджеро 2
- Откуда: Ливны
- Благодарил (а): 4 раза
- Поблагодарили: 19 раз
ТАХОМЕТР
Спасибо за ответ,то что на зажигании не должно сказываться я и сам понимаю,но факт остается фактом.Вся эта фигня произошла во время дождя "по лужам не летал в моторном сухо",а вот разъемы под панелью с правой стороны мокрые.
- dvm99
- Сообщения: 21743
- Зарегистрирован: 21 май 2012, 20:59
- Двигатель:: 6G72, 12клап.,
- Мой автомобиль(и):: Pajero2, Запорожец- Ланос
- Откуда: Свердловская обл.
- Благодарил (а): 706 раз
- Поблагодарили: 1028 раз
ТАХОМЕТР
Надо было с этого и начинать!
Просушивай капитально!
Убирай накладку возле мозгов, и сам мозг можешь вскрыть (по обстановке)...
Ищи протечки. Основное внимание- на вклейку лобового.
Дмитрий
Боливар2 - П2, 92г., V43, 6G72(12V), V4AW2, RD/L, пруль (чистокровный японский рысак)
Боливар1 - П2, 93г., 6G72(12V), МКПП, V43, RD/L, Европа (славный был конь, но уже донор)
Боливар2 - П2, 92г., V43, 6G72(12V), V4AW2, RD/L, пруль (чистокровный японский рысак)
Боливар1 - П2, 93г., 6G72(12V), МКПП, V43, RD/L, Европа (славный был конь, но уже донор)
-
Саня 57
- Сообщения: 181
- Зарегистрирован: 07 янв 2020, 18:38
- Двигатель:: 6g74
- Мой автомобиль(и):: Митцубиши Паджеро 2
- Откуда: Ливны
- Благодарил (а): 4 раза
- Поблагодарили: 19 раз
ТАХОМЕТР
Тахометр заработал после промывки и просушки контактов,зато пропал минус с эбу на главное реле,вчера был а сегодня нетути
,.эбу сухое.
-
Олег....
- Сообщения: 1711
- Зарегистрирован: 21 май 2010, 15:43
- Двигатель:: 6G72
- Мой автомобиль(и):: Montero Sport
- Откуда: Таганрог
- Благодарил (а): 69 раз
- Поблагодарили: 86 раз
- Контактная информация:
ТАХОМЕТР
Я всегда когда сомневаюсь - просто выдергиваю паяльник из розетки и паяю. Он же не мгновенно остывает.
Montero Sport 2003 6G72. 32е ATэшечки, хобот, радейка. Спальник.
ПРОДАН Montero'94 6G74 АККП Длинный, 31-е мудричи, хобот и крепкий бампер. Рации всякие.
ПРОДАН Montero'94 6G74 АККП Длинный, 31-е мудричи, хобот и крепкий бампер. Рации всякие.
-
Искандер 32
- Сообщения: 50
- Зарегистрирован: 04 мар 2020, 07:08
- Двигатель:: 4G54
- Мой автомобиль(и):: Паджеро 2 ; МВ W210 Е240 ; Шевроле Нива.
- Откуда: Клинцы
- Благодарил (а): 4 раза
- Поблагодарили: 1 раз
ТАХОМЕТР
Добрый вечер. Понятно, не работает тахо. Как я понял на фото с цифрой 150 -это резистор на 15 Ом. Правильно? Как то он не очень выглядит. То ли паять его пытались, то ли перегрелся он. Нашёл ещё несколько трещин пайки, куплю маленький паяльник, пропаяю. Варистор целый. Главных вопросов два: действительно ли это резистор и откуда берет сигнал тахометр на бензинке, 2,6 литра, двиг 4g54?
- dvm99
- Сообщения: 21743
- Зарегистрирован: 21 май 2012, 20:59
- Двигатель:: 6G72, 12клап.,
- Мой автомобиль(и):: Pajero2, Запорожец- Ланос
- Откуда: Свердловская обл.
- Благодарил (а): 706 раз
- Поблагодарили: 1028 раз
ТАХОМЕТР
Правильно.Искандер 32 писал(а): ↑ Как я понял на фото с цифрой 150 -это резистор на 15 Ом. Правильно?
Грелся! Да так сильно, что медь дорожек окислилась.Искандер 32 писал(а): ↑ То ли паять его пытались, то ли перегрелся он.
Резистор скорее всего рабочий, а вот то, что через него подключено (схемы нет), скорее всего сдохшее или управление.
В первую очередь надо проверить транзистор нижний правый (по фото).
С зажигания.Искандер 32 писал(а): ↑ ткуда берет сигнал тахометр на бензинке, 2,6 литра
Где-то в районе катушки должна быть привёрнута маленькая железная коробочка (чуть меньше спичечного коробка)- это фильтр, вот с него идёт на тахо.
Дмитрий
Боливар2 - П2, 92г., V43, 6G72(12V), V4AW2, RD/L, пруль (чистокровный японский рысак)
Боливар1 - П2, 93г., 6G72(12V), МКПП, V43, RD/L, Европа (славный был конь, но уже донор)
Боливар2 - П2, 92г., V43, 6G72(12V), V4AW2, RD/L, пруль (чистокровный японский рысак)
Боливар1 - П2, 93г., 6G72(12V), МКПП, V43, RD/L, Европа (славный был конь, но уже донор)
