Разговор идёт за вот эту лабуду с болтами и разъём в штекере колодкиsn1 писал(а):Нет его в колодке БК. Обсуждали 100 раз.SKS писал(а):
Не помню. Надо смотреть в колодке БК. В теме это неоднократно обсуждалось.

Модераторы: SNOOPER, Alex_SH, Nbf, BAlex, drcham, SoundSpeed
Разговор идёт за вот эту лабуду с болтами и разъём в штекере колодкиsn1 писал(а):Нет его в колодке БК. Обсуждали 100 раз.SKS писал(а):
Не помню. Надо смотреть в колодке БК. В теме это неоднократно обсуждалось.

Таки про ДУТ вроде? Или я чё не вкурил?SNOOPER писал(а):Разговор идёт за вот эту лабуду с болтами и разъём в штекере колодкиsn1 писал(а):Нет его в колодке БК. Обсуждали 100 раз.SKS писал(а):
Не помню. Надо смотреть в колодке БК. В теме это неоднократно обсуждалось.
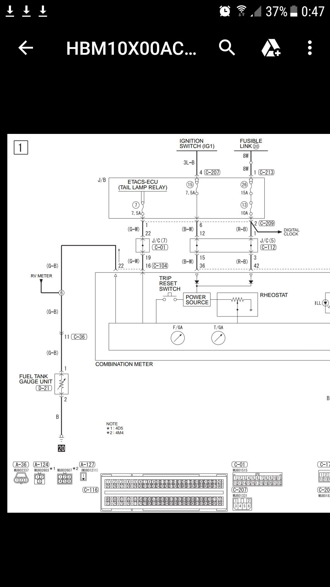
Ну там зелёно-чёрный. Эта я по диагонали.....SNOOPER писал(а):Так дут и подключается к этим проводам.
Костя говорил не про колодку ОБД, а про колодку БК
Зеленый провод от мультика к зеленому с черной полосой на бкOREH25 писал(а):Ребят ну подскажите к каким провадам в бк подключаться? Никак не могу найти
http://www.pajero4x4.ru/bbs/phpBB2/view ... 6#p1399156OREH25 писал(а):Ребят ну подскажите к каким провадам в бк подключаться? Никак не могу найти
Сохранял. Но после восстановления слетел протокол (установился протокол iveco взамен can) и само собой метод измерения расхода. Но у меня точно был протокол can иначе я бы никаких параметров не мог считать до обновления. Остальные все настройки сохранились. Я списал на кривую программу производителя и то что я обновлял сразу через много версий одним обновлением.SKS писал(а):Я в свое время пробовал Круиз и 5D. Но и калибровал соответственно под каждый режим отдельно. А настройки не сохранял в отдельный файл перед прошивкой?
Проверь бортовое напряжение.дед61 писал(а):Привет знатокам. Что происходит с мультиком? ТС 750. Уже второй раз с промежутком примерно в 1500 км. пробега.Отказывается показывать температуру коробки и температуру двиг. Захожу в настройки, там виртуальный замок, ставлю полож. ВКЛ, начинает опять показывать температуру. Почему слетает этот замок. Ране такого не было.
МК "не видит" заправки до полного бака. Попробуйте установить значение полного бака меньше чем на 1 литр или перекалибруйте бак, при этом количество заправленного топлива начнет проговариваться только после второй заправки.sem_tom писал(а):Всем привет. Может кто подскажет. Мультик VC731 что то перестал писать и говорить сколько заправлено. Журнал заправок ведет. А вот на азс молчит. Что то не могу понять почему.
В последних версиях - да.Beerserg писал(а):Всем привет! Подскажите, в экране 2Х2 можно вывести номер включенной передачи в акпп?
Только температуру перестает показывать или все мгновенные параметры за исключением напряжения и забортной температуры?дед61 писал(а):Привет знатокам. Что происходит с мультиком? ТС 750. Уже второй раз с промежутком примерно в 1500 км. пробега.Отказывается показывать температуру коробки и температуру двиг. Захожу в настройки, там виртуальный замок, ставлю полож. ВКЛ, начинает опять показывать температуру. Почему слетает этот замок. Ране такого не было.
Только температуру двиг. и коробки, остальное кажетmultitronics писал(а):Только температуру перестает показывать или все мгновенные параметры за исключением напряжения и забортной температуры?дед61 писал(а):Привет знатокам. Что происходит с мультиком? ТС 750. Уже второй раз с промежутком примерно в 1500 км. пробега.Отказывается показывать температуру коробки и температуру двиг. Захожу в настройки, там виртуальный замок, ставлю полож. ВКЛ, начинает опять показывать температуру. Почему слетает этот замок. Ране такого не было.
- Какой протокол?дед61 писал(а):Только температуру двиг. и коробки, остальное кажетmultitronics писал(а):Только температуру перестает показывать или все мгновенные параметры за исключением напряжения и забортной температуры?дед61 писал(а):Привет знатокам. Что происходит с мультиком? ТС 750. Уже второй раз с промежутком примерно в 1500 км. пробега.Отказывается показывать температуру коробки и температуру двиг. Захожу в настройки, там виртуальный замок, ставлю полож. ВКЛ, начинает опять показывать температуру. Почему слетает этот замок. Ране такого не было.