TRT "107-108" Для стандарта и не только! (4.04.2026) Форум Обсуждение FAQ
4м41 дизтопливо в картере
Модераторы: SNOOPER, Nbf, Romik, BAlex, drcham, алексей - Маленький Мук, DenVer, Алекс
- Vitalya-74
- Сообщения: 3998
- Зарегистрирован: 30 дек 2007, 13:01
- Двигатель:: 4М41
- Мой автомобиль(и):: Pajero
- Откуда: Челябинск
- Откуда: Уссурийск, Белогорск и уже Челябинск [74]
- Благодарил (а): 1 раз
- Поблагодарили: 150 раз
Re: 4м41 дизтопливо в картере
Да этот клапан перекрывает топливо и не даёт системе завоздушиваться, это наверное важнее. Не важно сколько у вас АКБ. Они у вас подключены параллельно (увеличивается ёмкость) и всё эл. снабжение у вас 12В. № 9443612770
Москвич-412, Corolla-88 дв.4е;Crown-89.дв.2LTE; Chaser-90 дв.1G-GE; RVR-95 дв.4D65; Land Cruiser Prado-95 дв.1KZ-TE; Bighorn-99 дв.4JX1; Toyota Harrier-99 дв.5S; Pajero-3-2000 дв.4M41/г.в; AUDI A6 allroad quattro 2007 г.в
- Dizel Man
- Сообщения: 5363
- Зарегистрирован: 16 янв 2005, 13:23
- Двигатель:: 4М41
- Мой автомобиль(и):: Mitsubishi Pajero 3, TLC-60, TLC-78, IFA W50
- Откуда: МО, Мытищи
- Откуда: Мытищи МО
- Благодарил (а): 10 раз
- Поблагодарили: 230 раз
Re: 4м41 дизтопливо в картере
А почему не поставить комплект клапана с неисправного ТНВД?
С уважением, Сергей. Все что мной написано исключительно ИМХО, наработанное годами творческих экспериментов!!!
-
Сержжжжж
- Сообщения: 38
- Зарегистрирован: 24 мар 2012, 16:33
- Двигатель:: 4M41
- Мой автомобиль(и):: Паджерик, Челенджер
- Благодарил (а): 5 раз
Re: 4м41 дизтопливо в картере
а там тоже нет штокаDizel Man писал(а):А почему не поставить комплект клапана с неисправного ТНВД?
-
Nikolav
- Сообщения: 165
- Зарегистрирован: 04 мар 2010, 01:23
- Двигатель:: 4D56
- Мой автомобиль(и):: ПАДЖЕРО2КОРОТЫШ 93Г мкпп ,суперселект пневмоблок зад моста.В,СУЗУЗУКИ САЙДКИК КАБРИО 1,6 ,нива
- Откуда: Тамбов
- Откуда: тамбов-68
- Благодарил (а): 2 раза
- Поблагодарили: 1 раз
- Контактная информация:
Re: 4м41 дизтопливо в картере
Из за переднего сальника тнвд так же может запуск затруднен— потому что магистраль завоздушивается из за не герметичности сальника
П2,4D56 короткий проходимец, мкпп,суперселект,пневмоблок зад моста,93 г.в—теперь с контрактным двиглом,нелинейный бодик,31гудрич,пневмодудка
- Dizel Man
- Сообщения: 5363
- Зарегистрирован: 16 янв 2005, 13:23
- Двигатель:: 4М41
- Мой автомобиль(и):: Mitsubishi Pajero 3, TLC-60, TLC-78, IFA W50
- Откуда: МО, Мытищи
- Откуда: Мытищи МО
- Благодарил (а): 10 раз
- Поблагодарили: 230 раз
Re: 4м41 дизтопливо в картере
На трешках этого не бывает...
С уважением, Сергей. Все что мной написано исключительно ИМХО, наработанное годами творческих экспериментов!!!
- Стяпан
- Сообщения: 187
- Зарегистрирован: 24 июн 2010, 08:43
- Двигатель:: 6G74 GDI
- Мой автомобиль(и):: Pajero 3 Long Wagon АКПП
- Откуда: Ханты-Мансийск
- Откуда: Ханты-Мансийск
- Благодарил (а): 2 раза
- Поблагодарили: 1 раз
Re: 4м41 дизтопливо в картере
Подскажите а каким наиболее простым и наглядным способом узнать откуда травит солярка?Протечка соляра в масло на 41-м моторе возможна только через магистрали форсунок под клапанной крышкой...
Pajero 3'04 6G74 GDI 5АКПП SuperSelect, Люк, Круиз
- Vitalya-74
- Сообщения: 3998
- Зарегистрирован: 30 дек 2007, 13:01
- Двигатель:: 4М41
- Мой автомобиль(и):: Pajero
- Откуда: Челябинск
- Откуда: Уссурийск, Белогорск и уже Челябинск [74]
- Благодарил (а): 1 раз
- Поблагодарили: 150 раз
Re: 4м41 дизтопливо в картере
Если подозрения на обратку, то можно запустить без клапанной крышки и посмотреть. Можно отресовать. Тоже снять клапанную крышку и давануть в штуцер, там где обратка из головы выходит. Если по шлангам или соединениям где то тянет то внешним осмотром при хорошем освещении можно заметить. Эти места будут потеть
Москвич-412, Corolla-88 дв.4е;Crown-89.дв.2LTE; Chaser-90 дв.1G-GE; RVR-95 дв.4D65; Land Cruiser Prado-95 дв.1KZ-TE; Bighorn-99 дв.4JX1; Toyota Harrier-99 дв.5S; Pajero-3-2000 дв.4M41/г.в; AUDI A6 allroad quattro 2007 г.в
- Стяпан
- Сообщения: 187
- Зарегистрирован: 24 июн 2010, 08:43
- Двигатель:: 6G74 GDI
- Мой автомобиль(и):: Pajero 3 Long Wagon АКПП
- Откуда: Ханты-Мансийск
- Откуда: Ханты-Мансийск
- Благодарил (а): 2 раза
- Поблагодарили: 1 раз
Re: 4м41 дизтопливо в картере
Крутить без крышки не заводя (без свечей) пробовал, ни чего не увидел, просто есть сомнения что среди масла летящего в разные стороны можно будет увидеть маленькое просачивание соляра. А вот про давануть в обратку интересно, но есть вопрос - тот воздух (про воздух ведь говорим?) который я буду давить, он ведь будет уходить в насос через одну из магистралей форсунок, или нет.Vitalya-74 писал(а):Если подозрения на обратку, то можно запустить без клапанной крышки и посмотреть. Можно отресовать. Тоже снять клапанную крышку и давануть в штуцер, там где обратка из головы выходит. Если по шлангам или соединениям где то тянет то внешним осмотром при хорошем освещении можно заметить. Эти места будут потеть
Pajero 3'04 6G74 GDI 5АКПП SuperSelect, Люк, Круиз
- Vitalya-74
- Сообщения: 3998
- Зарегистрирован: 30 дек 2007, 13:01
- Двигатель:: 4М41
- Мой автомобиль(и):: Pajero
- Откуда: Челябинск
- Откуда: Уссурийск, Белогорск и уже Челябинск [74]
- Благодарил (а): 1 раз
- Поблагодарили: 150 раз
Re: 4м41 дизтопливо в картере
Нет. Не будет. С другой стороны нет выхода на насос. Но давить лучше топливом, я думаю так виднее будет.
Крутить надо не стартером, а запускать двиг. Можно заткнуть обратку, подождать пока там наберётся давление и смотреть.
Крутить надо не стартером, а запускать двиг. Можно заткнуть обратку, подождать пока там наберётся давление и смотреть.
Москвич-412, Corolla-88 дв.4е;Crown-89.дв.2LTE; Chaser-90 дв.1G-GE; RVR-95 дв.4D65; Land Cruiser Prado-95 дв.1KZ-TE; Bighorn-99 дв.4JX1; Toyota Harrier-99 дв.5S; Pajero-3-2000 дв.4M41/г.в; AUDI A6 allroad quattro 2007 г.в
- Стяпан
- Сообщения: 187
- Зарегистрирован: 24 июн 2010, 08:43
- Двигатель:: 6G74 GDI
- Мой автомобиль(и):: Pajero 3 Long Wagon АКПП
- Откуда: Ханты-Мансийск
- Откуда: Ханты-Мансийск
- Благодарил (а): 2 раза
- Поблагодарили: 1 раз
Re: 4м41 дизтопливо в картере
Да я думаю воздухом плюс мыльный раствор по соединениям пролить - должно быть видно, да и попроще чем топливо давить.
Pajero 3'04 6G74 GDI 5АКПП SuperSelect, Люк, Круиз
- Vitalya-74
- Сообщения: 3998
- Зарегистрирован: 30 дек 2007, 13:01
- Двигатель:: 4М41
- Мой автомобиль(и):: Pajero
- Откуда: Челябинск
- Откуда: Уссурийск, Белогорск и уже Челябинск [74]
- Благодарил (а): 1 раз
- Поблагодарили: 150 раз
Re: 4м41 дизтопливо в картере
Ты смотри, что бы этот мыльный раствор не оказался в картере! Форсунки то внутри, а не снаружи
Москвич-412, Corolla-88 дв.4е;Crown-89.дв.2LTE; Chaser-90 дв.1G-GE; RVR-95 дв.4D65; Land Cruiser Prado-95 дв.1KZ-TE; Bighorn-99 дв.4JX1; Toyota Harrier-99 дв.5S; Pajero-3-2000 дв.4M41/г.в; AUDI A6 allroad quattro 2007 г.в
- Dizel Man
- Сообщения: 5363
- Зарегистрирован: 16 янв 2005, 13:23
- Двигатель:: 4М41
- Мой автомобиль(и):: Mitsubishi Pajero 3, TLC-60, TLC-78, IFA W50
- Откуда: МО, Мытищи
- Откуда: Мытищи МО
- Благодарил (а): 10 раз
- Поблагодарили: 230 раз
Re: 4м41 дизтопливо в картере
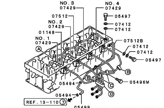
Самый простой и нагялный, это замена всех шайб уплотнения форсунок по обратке и протяжка гайка-штуцеров на форсунках. Те что идут через сальник в ГБЦ на форсы. Те что 01148..Подскажите а каким наиболее простым и наглядным способом узнать откуда травит солярка?
С уважением, Сергей. Все что мной написано исключительно ИМХО, наработанное годами творческих экспериментов!!!
- Dizel Man
- Сообщения: 5363
- Зарегистрирован: 16 янв 2005, 13:23
- Двигатель:: 4М41
- Мой автомобиль(и):: Mitsubishi Pajero 3, TLC-60, TLC-78, IFA W50
- Откуда: МО, Мытищи
- Откуда: Мытищи МО
- Благодарил (а): 10 раз
- Поблагодарили: 230 раз
Re: 4м41 дизтопливо в картере
Частенько давит через 05497...
С уважением, Сергей. Все что мной написано исключительно ИМХО, наработанное годами творческих экспериментов!!!
- Стяпан
- Сообщения: 187
- Зарегистрирован: 24 июн 2010, 08:43
- Двигатель:: 6G74 GDI
- Мой автомобиль(и):: Pajero 3 Long Wagon АКПП
- Откуда: Ханты-Мансийск
- Откуда: Ханты-Мансийск
- Благодарил (а): 2 раза
- Поблагодарили: 1 раз
Re: 4м41 дизтопливо в картере
Собсно на них и грешу, так как их откручивал когда снимал вп.коллектор, остальное ничего не трогал.Dizel Man писал(а):протяжка гайка-штуцеров на форсунках. Те что идут через сальник в ГБЦ на форсы. Те что 01148..
Я так понимаю что нужно тянуть опр. моментом, дабы не сорвать резьбу где не надо, а дин. ключа пока нет, кстати а какой момент затяжки вот этих самых 01148? Еще напрягает, то что к одной из форсунок трубка подходит к изображено на рисунке ниже...
Pajero 3'04 6G74 GDI 5АКПП SuperSelect, Люк, Круиз
- Dizel Man
- Сообщения: 5363
- Зарегистрирован: 16 янв 2005, 13:23
- Двигатель:: 4М41
- Мой автомобиль(и):: Mitsubishi Pajero 3, TLC-60, TLC-78, IFA W50
- Откуда: МО, Мытищи
- Откуда: Мытищи МО
- Благодарил (а): 10 раз
- Поблагодарили: 230 раз
Re: 4м41 дизтопливо в картере
Вот с нее и давит. Отпустите штуцер, установите трубку в плоскости и затяните заново...
С уважением, Сергей. Все что мной написано исключительно ИМХО, наработанное годами творческих экспериментов!!!
- Стяпан
- Сообщения: 187
- Зарегистрирован: 24 июн 2010, 08:43
- Двигатель:: 6G74 GDI
- Мой автомобиль(и):: Pajero 3 Long Wagon АКПП
- Откуда: Ханты-Мансийск
- Откуда: Ханты-Мансийск
- Благодарил (а): 2 раза
- Поблагодарили: 1 раз
Re: 4м41 дизтопливо в картере
В том и проблема, что для того чтобы её нормально выровнять её надо полностью снять, а т.к. это трубка 4 цилиндра то насколько я помню - она снимается последней, по морозу не очень приятное занятие. Хочу попробовать сделать как на картинке. Кстати про момент затяжки не подскажешь?
По поводу выравнивания без снятия - понятно что это колхоз, просто в случае полной неудачи, цена вопроса не очень большая (около 2 т.р за трубку), хотелось бы попробовать обойтись малой кровью.
По поводу выравнивания без снятия - понятно что это колхоз, просто в случае полной неудачи, цена вопроса не очень большая (около 2 т.р за трубку), хотелось бы попробовать обойтись малой кровью.
- Вложения
-
- fuel tube bended.bmp (422.35 КБ) 1380 просмотров
Pajero 3'04 6G74 GDI 5АКПП SuperSelect, Люк, Круиз
- Dizel Man
- Сообщения: 5363
- Зарегистрирован: 16 янв 2005, 13:23
- Двигатель:: 4М41
- Мой автомобиль(и):: Mitsubishi Pajero 3, TLC-60, TLC-78, IFA W50
- Откуда: МО, Мытищи
- Откуда: Мытищи МО
- Благодарил (а): 10 раз
- Поблагодарили: 230 раз
Re: 4м41 дизтопливо в картере
Данные на картинке...
С уважением, Сергей. Все что мной написано исключительно ИМХО, наработанное годами творческих экспериментов!!!
-
Сержжжжж
- Сообщения: 38
- Зарегистрирован: 24 мар 2012, 16:33
- Двигатель:: 4M41
- Мой автомобиль(и):: Паджерик, Челенджер
- Благодарил (а): 5 раз
Re: 4м41 дизтопливо в картере
Очередной раз взываю к помощи коллективного разума.
На двигателе с нужным моментом протянули обратку, поставили новые медные шайбы, установили форсунки после проверки в центре ТНВД, поставили отсекающий клапан. После ночной стоянки машина заводится с трудом, система не герметична и соляра уходит в бак. После того, как машина заводится-дымит. На холостых оборотах тахометр показывает обороты под три тысячи, при включении селектора в в драйв или реверс обороты становятся нормальными (где-то 800-850). Если прогретую машину заглушить, то повторно заводится очень легко. проехали на машине не более 100 км. уровень масла в картере заметно поднялся и слилось смеси масло/соляра литров пятнадцать. После слития этой смеси не стали закручивать сливную пробку и стали подкачивать лягушкой-соляра полилась из картера... Неужели причина в сальнике ТНВД???? Может есть ещё какие мысли? Посторонних металилческих звуков при работе двигателя нет. Компрессия присутствует.
Старые форсунки были в масляно/солярочном налёте-хотя может это уже случилось после того, как уровень смеси в картере поднялся и поршнями эту взвесь затягивало в камеру сгорания... Жду светлых мыслей и соображений на сей счёт.
На двигателе с нужным моментом протянули обратку, поставили новые медные шайбы, установили форсунки после проверки в центре ТНВД, поставили отсекающий клапан. После ночной стоянки машина заводится с трудом, система не герметична и соляра уходит в бак. После того, как машина заводится-дымит. На холостых оборотах тахометр показывает обороты под три тысячи, при включении селектора в в драйв или реверс обороты становятся нормальными (где-то 800-850). Если прогретую машину заглушить, то повторно заводится очень легко. проехали на машине не более 100 км. уровень масла в картере заметно поднялся и слилось смеси масло/соляра литров пятнадцать. После слития этой смеси не стали закручивать сливную пробку и стали подкачивать лягушкой-соляра полилась из картера... Неужели причина в сальнике ТНВД???? Может есть ещё какие мысли? Посторонних металилческих звуков при работе двигателя нет. Компрессия присутствует.
Старые форсунки были в масляно/солярочном налёте-хотя может это уже случилось после того, как уровень смеси в картере поднялся и поршнями эту взвесь затягивало в камеру сгорания... Жду светлых мыслей и соображений на сей счёт.
- Vitalya-74
- Сообщения: 3998
- Зарегистрирован: 30 дек 2007, 13:01
- Двигатель:: 4М41
- Мой автомобиль(и):: Pajero
- Откуда: Челябинск
- Откуда: Уссурийск, Белогорск и уже Челябинск [74]
- Благодарил (а): 1 раз
- Поблагодарили: 150 раз
Re: 4м41 дизтопливо в картере
Уже давно бы снял ТНВД, дал бы на его давление и посмотрел, льёт сальник или нет. Но хотя если всё так как описал, то похоже на него. Потому как больше солярке неоткуда литься.
Москвич-412, Corolla-88 дв.4е;Crown-89.дв.2LTE; Chaser-90 дв.1G-GE; RVR-95 дв.4D65; Land Cruiser Prado-95 дв.1KZ-TE; Bighorn-99 дв.4JX1; Toyota Harrier-99 дв.5S; Pajero-3-2000 дв.4M41/г.в; AUDI A6 allroad quattro 2007 г.в
