TRT - Вдоль р.Киржач. Для стандартных 4х4 (08.11.25) Форум Обсуждение FAQ
Троит, дергаеться и нет динамики
Модераторы: SNOOPER, Nbf, Romik, BAlex, drcham, алексей - Маленький Мук, DenVer
-
- Сообщения: 21
- Зарегистрирован: 21 сен 2023, 15:23
- Двигатель:: 4g64 8 клопп
- Мой автомобиль(и):: Delica p24w
- Откуда: Благовещенск
Троит, дергаеться и нет динамики
Купил ее вообще без движения, но по словам владельца под забор заехала сама и на три года. Похоже на вранье, по всем признакам ее ковыряли и сдались. Первое что смутило фишка на дмрв была скинута и внутри все паяно перепаяно.
-
- Сообщения: 21
- Зарегистрирован: 21 сен 2023, 15:23
- Двигатель:: 4g64 8 клопп
- Мой автомобиль(и):: Delica p24w
- Откуда: Благовещенск
Троит, дергаеться и нет динамики
Изначально был выставлен угол по стробоскопу на фишке блокировали коррекцию угла эбу, в этом режиме сильные прострелы динамика в подьем заехать кое как. После сам завалил трамблер максимально в право стала ехать бодро, но стали глухие хлопки в выхлоп, когда бросаешь газ, двс тормозит передачей.
- dvm99
- Сообщения: 21710
- Зарегистрирован: 21 май 2012, 20:59
- Двигатель:: 6G72, 12клап.,
- Мой автомобиль(и):: Pajero2, Запорожец- Ланос
- Откуда: Свердловская обл.
- Благодарил (а): 705 раз
- Поблагодарили: 1026 раз
Троит, дергаеться и нет динамики
Тяжёлое дело...
Мануал-то хоть есть?
Если нет, то скачивай здесь https://dfiles.eu/ru/files/nc6mzrb14
Открывай папку 13_1 (Топливная система), находи свой мотор и последовательно всё проверяй, что можешь...
Прежде всего- давление топлива.
Если что непонятно или трудности какие, спрашивай здесь, в теме.
ЗЫ
Сейчас ещё глянул случайно, РХХ у тебя фельтиперстовый, эксклюзивный. Я с таким не сталкивался.
ЗЫ2
В электрике понимаешь сколько?
Мануал-то хоть есть?
Если нет, то скачивай здесь https://dfiles.eu/ru/files/nc6mzrb14
Открывай папку 13_1 (Топливная система), находи свой мотор и последовательно всё проверяй, что можешь...
Прежде всего- давление топлива.
Если что непонятно или трудности какие, спрашивай здесь, в теме.
ЗЫ
Сейчас ещё глянул случайно, РХХ у тебя фельтиперстовый, эксклюзивный. Я с таким не сталкивался.
ЗЫ2
В электрике понимаешь сколько?
Дмитрий
Боливар2 - П2, 92г., V43, 6G72(12V), V4AW2, RD/L, пруль (чистокровный японский рысак)
Боливар1 - П2, 93г., 6G72(12V), МКПП, V43, RD/L, Европа (славный был конь, но уже донор)
Боливар2 - П2, 92г., V43, 6G72(12V), V4AW2, RD/L, пруль (чистокровный японский рысак)
Боливар1 - П2, 93г., 6G72(12V), МКПП, V43, RD/L, Европа (славный был конь, но уже донор)
-
- Сообщения: 21
- Зарегистрирован: 21 сен 2023, 15:23
- Двигатель:: 4g64 8 клопп
- Мой автомобиль(и):: Delica p24w
- Откуда: Благовещенск
Троит, дергаеться и нет динамики
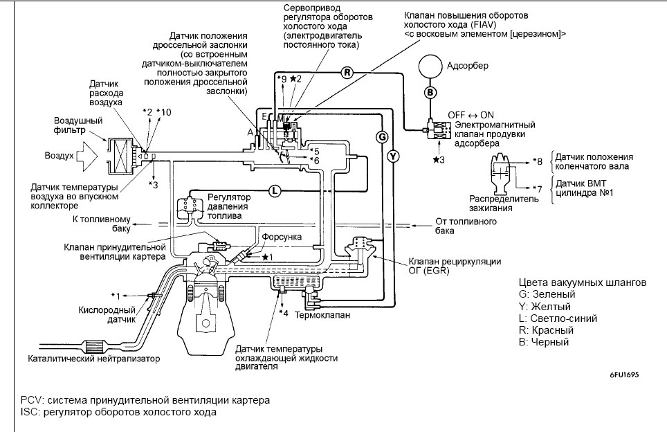
Мануал есть, все проводку трясли от эбу до каждого датчика, и осциллограммы снимали! На рхх есть подозрения т.к. его работу ни разу ни слышал. Разбирал, на моторчик питание подавал, вращаться. Можно по подробнее как он может на прогретом авто влиять на динамику, провалы и нестабильность в работе.
- dvm99
- Сообщения: 21710
- Зарегистрирован: 21 май 2012, 20:59
- Двигатель:: 6G72, 12клап.,
- Мой автомобиль(и):: Pajero2, Запорожец- Ланос
- Откуда: Свердловская обл.
- Благодарил (а): 705 раз
- Поблагодарили: 1026 раз
Троит, дергаеться и нет динамики
Его работа заключается в обеспечении холостых оборотов прогретого и непрогретого мотора. Т.е. через свой возушный канал РХХ регулирует подачу воздуха.
Именно когда дроссель закрыт или открыт незначительно.
По мере открытия дросселя работа РХХ нивелируется.
Т.е. если машина не тянет, вяло разгоняется, то причина скорее не в РХХ.
Дмитрий
Боливар2 - П2, 92г., V43, 6G72(12V), V4AW2, RD/L, пруль (чистокровный японский рысак)
Боливар1 - П2, 93г., 6G72(12V), МКПП, V43, RD/L, Европа (славный был конь, но уже донор)
Боливар2 - П2, 92г., V43, 6G72(12V), V4AW2, RD/L, пруль (чистокровный японский рысак)
Боливар1 - П2, 93г., 6G72(12V), МКПП, V43, RD/L, Европа (славный был конь, но уже донор)
-
- Сообщения: 21
- Зарегистрирован: 21 сен 2023, 15:23
- Двигатель:: 4g64 8 клопп
- Мой автомобиль(и):: Delica p24w
- Откуда: Благовещенск
Троит, дергаеться и нет динамики
Но за все время эксплуатации, я ни Рузу ни видел прогревочных оборотов. Может по этой причине на холодную первых три запуска неудачных. Т.к. эбу на холодную дает порцию Бенза больше, а дроссель воздуха нет?
-
- Сообщения: 21
- Зарегистрирован: 21 сен 2023, 15:23
- Двигатель:: 4g64 8 клопп
- Мой автомобиль(и):: Delica p24w
- Откуда: Благовещенск
Троит, дергаеться и нет динамики
Там моторчик регулятор хх, при подаче на него напряжения он приоткрывает дрочельную заслонку. Воздушных каналов там нет.
- dvm99
- Сообщения: 21710
- Зарегистрирован: 21 май 2012, 20:59
- Двигатель:: 6G72, 12клап.,
- Мой автомобиль(и):: Pajero2, Запорожец- Ланос
- Откуда: Свердловская обл.
- Благодарил (а): 705 раз
- Поблагодарили: 1026 раз
Троит, дергаеться и нет динамики
Так а что ты хочешь, если у тебя со смесью или ещё с чем-то проблемы.
Если мотор не тянет под нагрузкой, глупо ожидать нормального прогрева.
Ты бы хоть видюшки повыкладывал, как там у тебя мотор работает на каких режимах.
А то, знаешь, тяжело не видя рассуждать...
Больше инфы- больше толку!
Я смотрю мануал, там есть! Поэтому, если у тебя есть отличия (а они бывают), то выкладывай.
НО, без разницы, как реализовано (может и заслонку перемещает), у РХХ одна забота- обеспечивать воздухом смесь при работе на холостых оборотах.
Там, помимо всего, по мануалу опять же, есть и свой термостат, который при прогреве открывает воздушный канал. В большинстве мицувских моторов он присутствует.
Что у тебя с ЕГР? Есть/нет , заглушен или как?
ЗЫ
Если посмотреть тему, я тебе херову тучу вопросов задал, на которые ты не ответил!
Надо ответить...
Больше инфы- больше толку!
Дмитрий
Боливар2 - П2, 92г., V43, 6G72(12V), V4AW2, RD/L, пруль (чистокровный японский рысак)
Боливар1 - П2, 93г., 6G72(12V), МКПП, V43, RD/L, Европа (славный был конь, но уже донор)
Боливар2 - П2, 92г., V43, 6G72(12V), V4AW2, RD/L, пруль (чистокровный японский рысак)
Боливар1 - П2, 93г., 6G72(12V), МКПП, V43, RD/L, Европа (славный был конь, но уже донор)
-
- Сообщения: 21
- Зарегистрирован: 21 сен 2023, 15:23
- Двигатель:: 4g64 8 клопп
- Мой автомобиль(и):: Delica p24w
- Откуда: Благовещенск
Троит, дергаеться и нет динамики
Вам dvm99 спасибо большое за помощь и советы. Буду дальше разбираться ( в планах снять весь впуск и кхх в частности) всю информацию выложу с фото.
-
- Сообщения: 21
- Зарегистрирован: 21 сен 2023, 15:23
- Двигатель:: 4g64 8 клопп
- Мой автомобиль(и):: Delica p24w
- Откуда: Благовещенск
Троит, дергаеться и нет динамики
Подниму тему. Вообщем снял впуск и выпуск все проверил, все ок. Но обнаружил капкан прошлого владельца, на блоке двигателя надпись g63b!!! Т.е. головка и всё обеспечение от 4g64 он прописан на шильдике авто, а блок от 2-х литрового мотора 
