TRT - Вдоль р.Киржач. Для стандартных 4х4 (08.11.25) Форум Обсуждение FAQ
Не подскажете что за разъемы такие???
Модераторы: SNOOPER, Nbf, Romik, BAlex, drcham, Podzemshik
- alzh09
- Сообщения: 95
- Зарегистрирован: 01 фев 2010, 11:36
- Двигатель:: 6G72
- Мой автомобиль(и):: pajero sport 1
- Откуда: Moscow
- Откуда: лефортово
- Контактная информация:
Re: Не подскажете что за разъемы такие???
я так и понял дайте угадаю наверно среднее в ряду? а вот и не угадали среднего НЕТ. где может быть еще? (на крышке тоже не каких обозначений)
- podvoh na MMS
- Сообщения: 59
- Зарегистрирован: 20 янв 2013, 23:23
- Двигатель:: 6G72, GA15
- Мой автомобиль(и):: Montero sport, 3.0л, 2001г.в, 24V, V4A51, Part-time, Nissan Sunny 1,5л, 1997г.в
- Откуда: Омск, Амурский посёлок
- Благодарил (а): 2 раза
- Поблагодарили: 4 раза
Re: Не подскажете что за разъемы такие???
Обвёл красным цветом, а вообще всё это можно найти поиском в теме про ПТФ, а мне как бы про разъёмы не подключенные мои помогли бы...alzh09 писал(а):я так и понял дайте угадаю наверно среднее в ряду? а вот и не угадали среднего НЕТ. где может быть еще? (на крышке тоже не каких обозначений)
- alzh09
- Сообщения: 95
- Зарегистрирован: 01 фев 2010, 11:36
- Двигатель:: 6G72
- Мой автомобиль(и):: pajero sport 1
- Откуда: Moscow
- Откуда: лефортово
- Контактная информация:
Re: Не подскажете что за разъемы такие???
Отлично! Книга просто КЛАСС! Только в блоке данного реле НЕТ!!!!!!
- podvoh na MMS
- Сообщения: 59
- Зарегистрирован: 20 янв 2013, 23:23
- Двигатель:: 6G72, GA15
- Мой автомобиль(и):: Montero sport, 3.0л, 2001г.в, 24V, V4A51, Part-time, Nissan Sunny 1,5л, 1997г.в
- Откуда: Омск, Амурский посёлок
- Благодарил (а): 2 раза
- Поблагодарили: 4 раза
Re: Не подскажете что за разъемы такие???
В блоке нет данного реле или нет места контакта под данное реле? Если первое то всё просто...alzh09 писал(а):Отлично! Книга просто КЛАСС! Только в блоке данного реле НЕТ!!!!!!
-
vadym
- Сообщения: 1457
- Зарегистрирован: 12 сен 2007, 00:50
- Откуда: Черновцы
- Благодарил (а): 12 раз
- Поблагодарили: 120 раз
Re: Не подскажете что за разъемы такие???
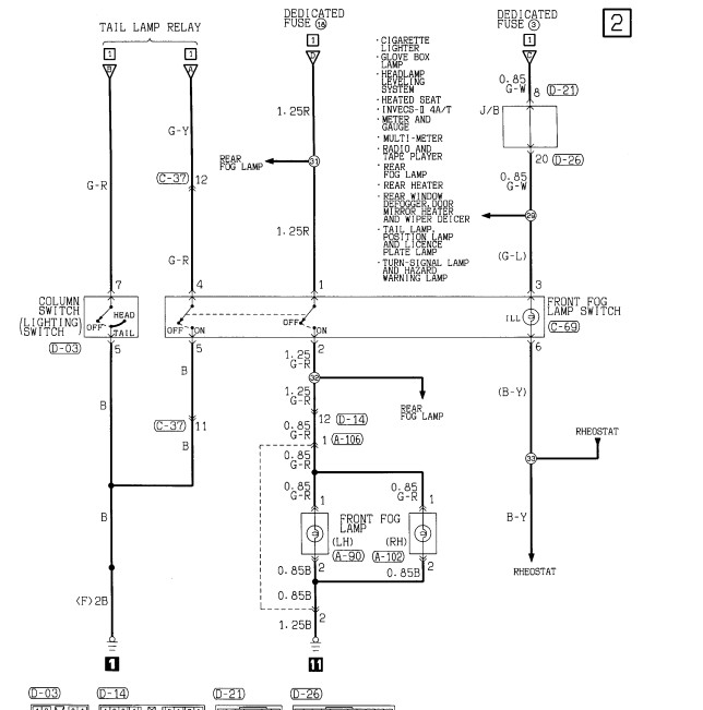
Мужики, в разных комплектациях, в разные годы выпуска, в паджеро или монтеро есть расхождения в электросхемах.
Так в паджеро спортах 2001г. (машина про которую спрашивали) для передних противотуманок реле вообще не ставили, передние противотуманки включаются напрямую кнопкой противотуманок на торпедо см. фото 1.
Для задних противотуманок реле есть, находится оно в салоне под бардачком см. фото 2.
А в моторном отсеке на месте реле А-51Х, что на фото из книги, в паджеро может стоят реле вентилятора интеркуллера в дизельном варианте (см. фото 3) или вообще ничего в бензиновом варианте где нет интеркуллера.
Да и реально в жизни при работе с электрооборудованием лучше пользоваться оригинальными схемами от производителя (правда они на английском), чем книгами по руководству в которых случаются неточности и ошибки.
Так в паджеро спортах 2001г. (машина про которую спрашивали) для передних противотуманок реле вообще не ставили, передние противотуманки включаются напрямую кнопкой противотуманок на торпедо см. фото 1.
Для задних противотуманок реле есть, находится оно в салоне под бардачком см. фото 2.
А в моторном отсеке на месте реле А-51Х, что на фото из книги, в паджеро может стоят реле вентилятора интеркуллера в дизельном варианте (см. фото 3) или вообще ничего в бензиновом варианте где нет интеркуллера.
Да и реально в жизни при работе с электрооборудованием лучше пользоваться оригинальными схемами от производителя (правда они на английском), чем книгами по руководству в которых случаются неточности и ошибки.
- Вложения
PAJERO SPORT 2003 2,5 TD
- alzh09
- Сообщения: 95
- Зарегистрирован: 01 фев 2010, 11:36
- Двигатель:: 6G72
- Мой автомобиль(и):: pajero sport 1
- Откуда: Moscow
- Откуда: лефортово
- Контактная информация:
Re: Не подскажете что за разъемы такие???
в ощем реле так и ненашел а пока лазил передергал все реле и преды и о чудо туманки заработали!
