Нужна ценная информация распиновка ЭБУ 3,2 DID выпуск 2007
Модераторы: SNOOPER, Nbf, drcham, Romik, BAlex, DenVer, SoundSpeed
- Andyfour
- Сообщения: 868
- Зарегистрирован: 23 май 2008, 23:53
- Двигатель:: 5,7HEMI & 6G75 MIVEC
- Мой автомобиль(и):: WK2 HEMI и Pajero Т1 (П3) (Ram продан :()
- Откуда: Москва
- Откуда: Собянинск-сити
- Благодарил (а): 1 раз
- Поблагодарили: 10 раз
Пандект крайне НЕ рекомендую. после полугода плясок около машины и 3х разовой замены батареи был выкинут нахрен.
ОЧЕНЬ не устойчивый прием, НЕРЕАЛЬНЫЙ расход батареи...
Защиту ЭБУ ставят в SoundSpeed... в прошлом году ставил.
ОЧЕНЬ не устойчивый прием, НЕРЕАЛЬНЫЙ расход батареи...
Защиту ЭБУ ставят в SoundSpeed... в прошлом году ставил.
JGC WK2 Hemi + Pajero III (T1 постройка РаллиАрт) 4М40-> 6G75. Алый...
БЫЛИ Pajero EVO 6G74 MIVEC 3.8 MT (DR/Ohlins/SuperBrakes) и Dodge RAM 1500 Hemi
БЫЛИ Pajero EVO 6G74 MIVEC 3.8 MT (DR/Ohlins/SuperBrakes) и Dodge RAM 1500 Hemi
- PajeroWood
- Сообщения: 8
- Зарегистрирован: 30 авг 2009, 01:02
- Откуда: Санкт Петербург
- Контактная информация:
Торжестенно отрезал сервисный разъем и заменил на новый (принял решение что лучше машина без гарантии, чем гарантия без машины), завтра разберу подходы к ЭБУ и начну клепать бронилист! Нашол мастеров в Купчино (Питер). Если бдут вопросы пишите звоните подскажу.
ЭБУ разберу посмотрю чег куда перекинуть и как селать подарок не прошеным гостям..........
ЭБУ разберу посмотрю чег куда перекинуть и как селать подарок не прошеным гостям..........
PajeroWood P4 3,2 DID auto Black, 39 574 км полет нормальный - обожаю эту железяку 
- PajeroWood
- Сообщения: 8
- Зарегистрирован: 30 авг 2009, 01:02
- Откуда: Санкт Петербург
- Контактная информация:
Легко, закончу трансформацию и весь комплекс будт в распоряжении Паджероводов. А тел и адрес в Питере будет на моей страничкеи в реквезитах. Завтра разберу ЭБУ и топеду нужно разораться 
ХОРОШИЕ МАШИНЫ ДОЛЖНЫ БЫТЬ У ХОРОШИХ ЛЮДЕЙ!
ХОРОШИЕ МАШИНЫ ДОЛЖНЫ БЫТЬ У ХОРОШИХ ЛЮДЕЙ!
PajeroWood P4 3,2 DID auto Black, 39 574 км полет нормальный - обожаю эту железяку 
- PajeroWood
- Сообщения: 8
- Зарегистрирован: 30 авг 2009, 01:02
- Откуда: Санкт Петербург
- Контактная информация:
- MAVR64
- Сообщения: 2881
- Зарегистрирован: 28 авг 2010, 20:51
- Двигатель:: Дизель
- Мой автомобиль(и):: Pajero
- Откуда: Саратов
- Благодарил (а): 134 раза
- Поблагодарили: 146 раз
Re: Нужна ценная информация распиновка ЭБУ 3,2 DID выпуск 20
Хочу приподнять темку. Может все же кто даст распиновку ЭБУ Паджеро 4 3,2 л. Только надо последней модификации - 2013 г.
PAJERO SHOGUN 2014my 3200 200hp A/T БК, регистратор, антирадар, Защита=композит+алюминий
Yokohama Geolandar A/T G012 size 265/60 R18
Yokohama Geolandar A/T G012 size 265/60 R18
- megranny
- Сообщения: 6152
- Зарегистрирован: 18 июл 2011, 01:22
- Двигатель:: дизель 4M41
- Мой автомобиль(и):: Subaru Forester III(S12),MP IV-3,2 Di-D Ultimate
- Откуда: ЦФО,76
- Благодарил (а): 16 раз
- Поблагодарили: 79 раз
Re: Нужна ценная информация распиновка ЭБУ 3,2 DID выпуск 20
А там точно есть разница?
12 MY' у мну должна быть,доберусь вечером до компа,гляну.
12 MY' у мну должна быть,доберусь вечером до компа,гляну.
I made in Japan
- MAVR64
- Сообщения: 2881
- Зарегистрирован: 28 авг 2010, 20:51
- Двигатель:: Дизель
- Мой автомобиль(и):: Pajero
- Откуда: Саратов
- Благодарил (а): 134 раза
- Поблагодарили: 146 раз
Re: Нужна ценная информация распиновка ЭБУ 3,2 DID выпуск 20
Глянь, пожалуйста.megranny писал(а):А там точно есть разница?
12 MY' у мну должна быть,доберусь вечером до компа,гляну.
PAJERO SHOGUN 2014my 3200 200hp A/T БК, регистратор, антирадар, Защита=композит+алюминий
Yokohama Geolandar A/T G012 size 265/60 R18
Yokohama Geolandar A/T G012 size 265/60 R18
- megranny
- Сообщения: 6152
- Зарегистрирован: 18 июл 2011, 01:22
- Двигатель:: дизель 4M41
- Мой автомобиль(и):: Subaru Forester III(S12),MP IV-3,2 Di-D Ultimate
- Откуда: ЦФО,76
- Благодарил (а): 16 раз
- Поблагодарили: 79 раз
Re: Нужна ценная информация распиновка ЭБУ 3,2 DID выпуск 20
Там есть существенные различия между AT и MT.Каждая на шести листах.Тебе каку надо?MAVR64 писал(а):Глянь, пожалуйста.megranny писал(а):А там точно есть разница?
12 MY' у мну должна быть,доберусь вечером до компа,гляну.
I made in Japan
- MAVR64
- Сообщения: 2881
- Зарегистрирован: 28 авг 2010, 20:51
- Двигатель:: Дизель
- Мой автомобиль(и):: Pajero
- Откуда: Саратов
- Благодарил (а): 134 раза
- Поблагодарили: 146 раз
Re: Нужна ценная информация распиновка ЭБУ 3,2 DID выпуск 20
megranny, мне надо распиновку ЭБУ для 3.2л АТ. Ты сможешь здесь выложить? Думаю, будет полезно многим.
PAJERO SHOGUN 2014my 3200 200hp A/T БК, регистратор, антирадар, Защита=композит+алюминий
Yokohama Geolandar A/T G012 size 265/60 R18
Yokohama Geolandar A/T G012 size 265/60 R18
- megranny
- Сообщения: 6152
- Зарегистрирован: 18 июл 2011, 01:22
- Двигатель:: дизель 4M41
- Мой автомобиль(и):: Subaru Forester III(S12),MP IV-3,2 Di-D Ultimate
- Откуда: ЦФО,76
- Благодарил (а): 16 раз
- Поблагодарили: 79 раз
Re: Нужна ценная информация распиновка ЭБУ 3,2 DID выпуск 20
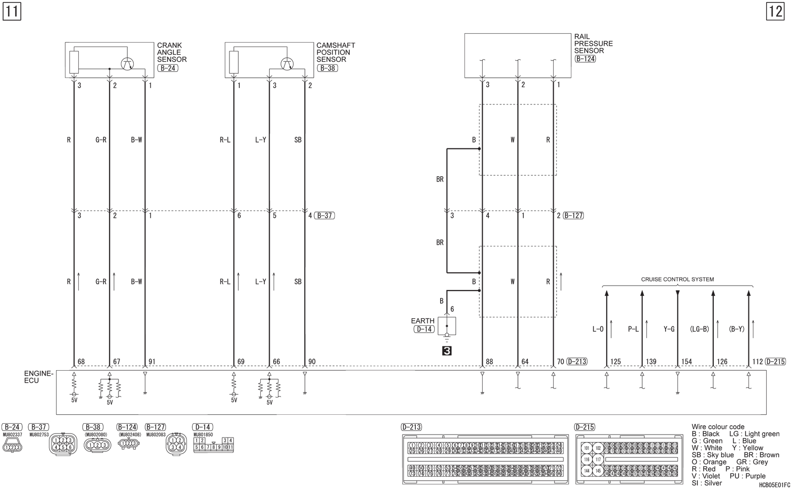
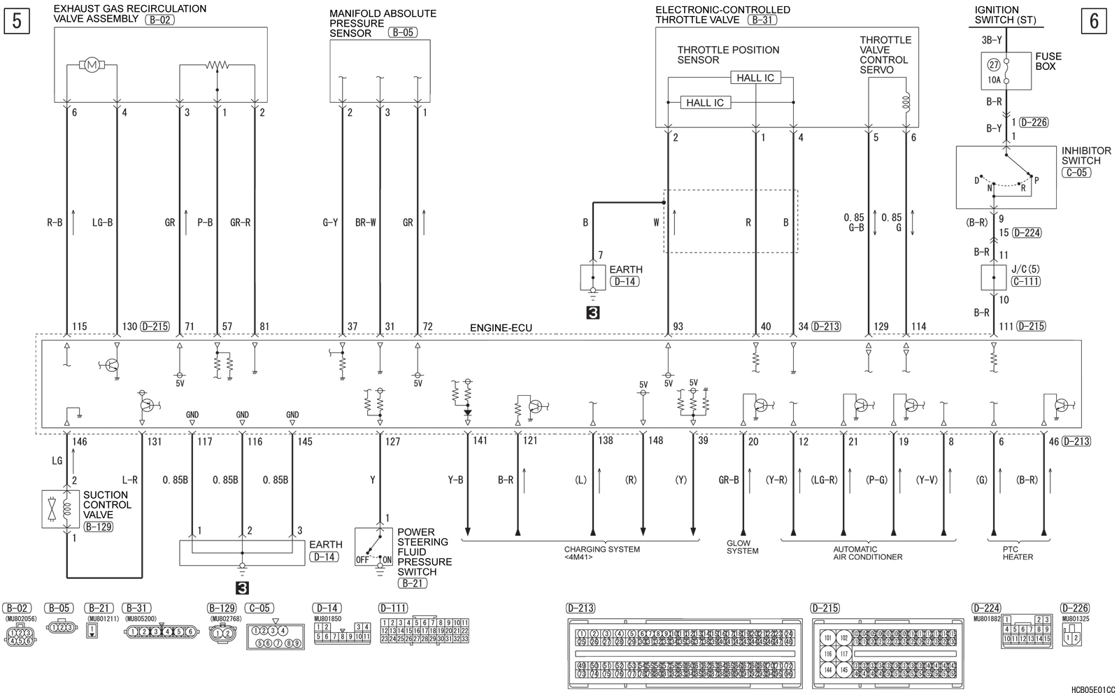
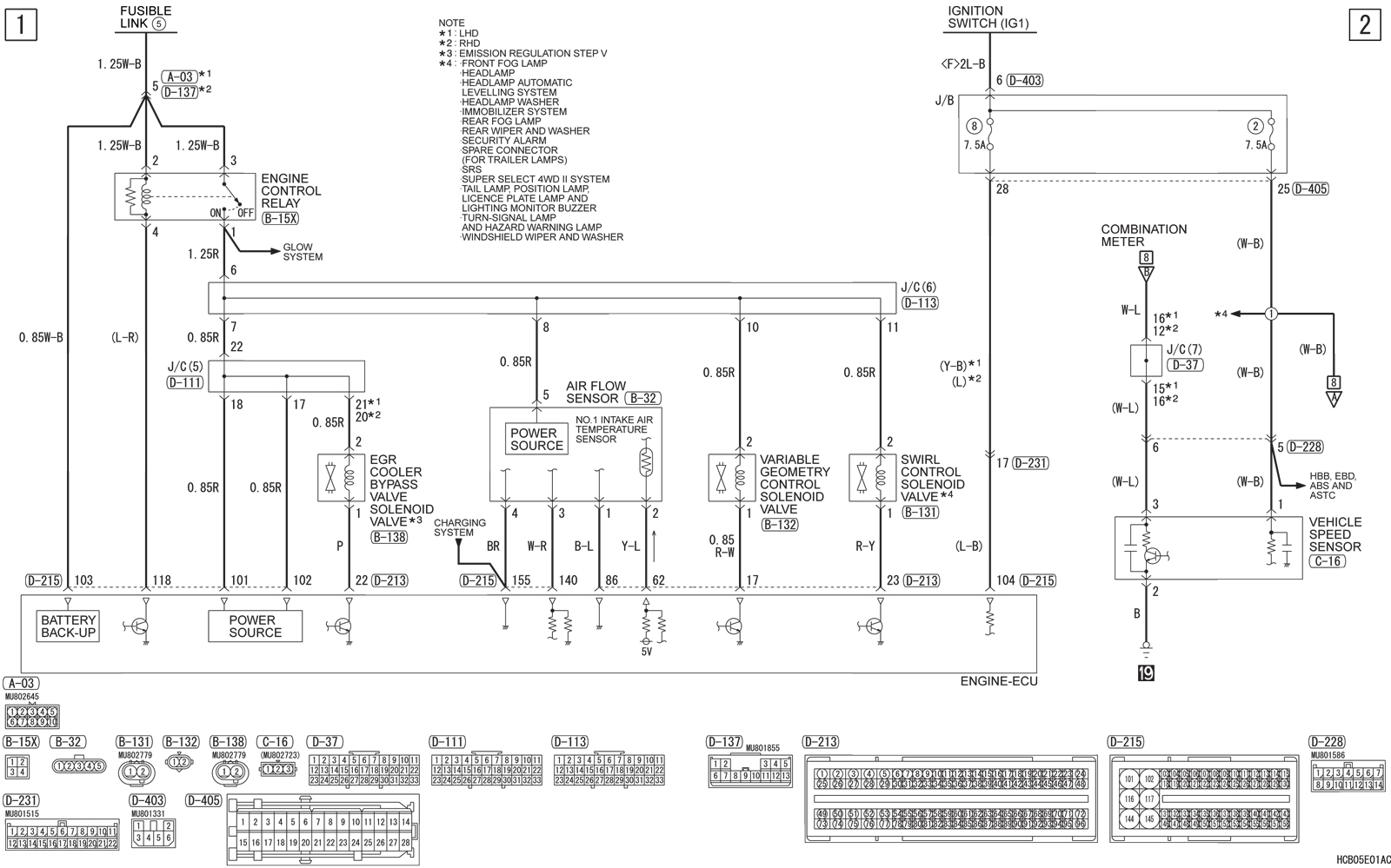
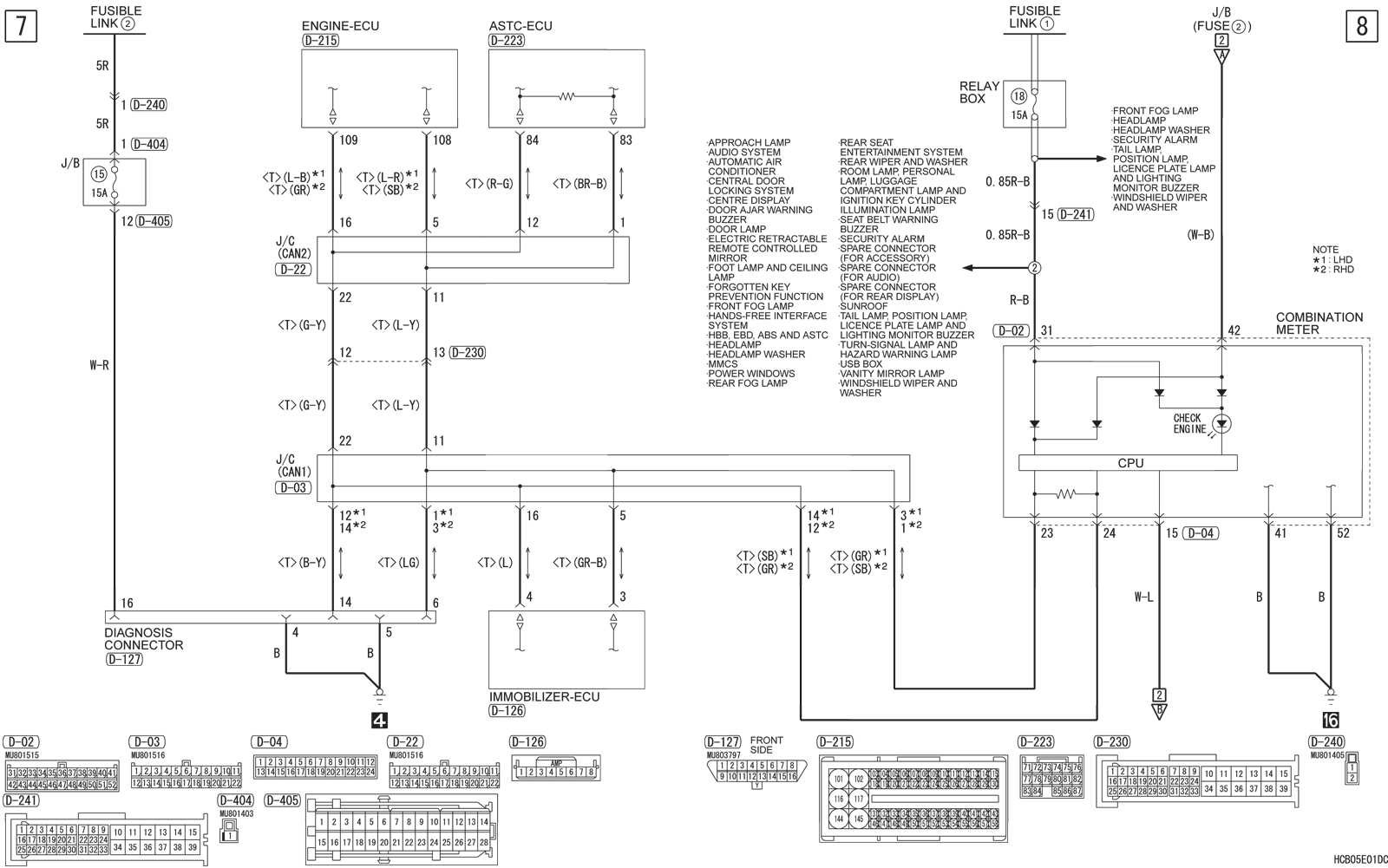
Эл.схема Engine-ECU 12'MY;3,2 Di-D,AT
- Вложения
-
- Engine_ECU.pdf
- (222.13 КБ) 188 скачиваний
-
- Engine_ECU 2.pdf
- (185.37 КБ) 113 скачиваний
-
- Engine_ECU 3.pdf
- (181.32 КБ) 115 скачиваний
-
- Engine_ECU 4.pdf
- (175.33 КБ) 104 скачивания
-
- Engine_ECU 5.pdf
- (137.57 КБ) 109 скачиваний
-
- Engine_ECU 6.pdf
- (128.39 КБ) 148 скачиваний
Последний раз редактировалось megranny 29 сен 2013, 00:29, всего редактировалось 1 раз.
I made in Japan
- MAVR64
- Сообщения: 2881
- Зарегистрирован: 28 авг 2010, 20:51
- Двигатель:: Дизель
- Мой автомобиль(и):: Pajero
- Откуда: Саратов
- Благодарил (а): 134 раза
- Поблагодарили: 146 раз
Re: Нужна ценная информация распиновка ЭБУ 3,2 DID выпуск 20
Спасибо! Очень полезная информация. Предлагаю разместить ее в ФАКе по Паджеро 4.
PAJERO SHOGUN 2014my 3200 200hp A/T БК, регистратор, антирадар, Защита=композит+алюминий
Yokohama Geolandar A/T G012 size 265/60 R18
Yokohama Geolandar A/T G012 size 265/60 R18

