Страница 18 из 20
Re: логика работы климат-контроля
Добавлено: 23 окт 2016, 13:50
Dimc
похолодало, и опять ездить стало крайне некомфортно.
в любом режиме климата, кроме минимальной (забортной) температуры жарит на максимуме, пока не прогреется датчик в недрах панели. минут 15-20 просто баня. приходится крутить ручку минимум-20-минимум, чтоб хоть както снизить температуру.
никто ничего не придумал, как с эти бороться?
Re: логика работы климат-контроля
Добавлено: 23 окт 2016, 14:27
sn1
Dimc писал(а):похолодало, и опять ездить стало крайне некомфортно.
в любом режиме климата, кроме минимальной (забортной) температуры жарит на максимуме, пока не прогреется датчик в недрах панели. минут 15-20 просто баня. приходится крутить ручку минимум-20-минимум, чтоб хоть както снизить температуру.
никто ничего не придумал, как с эти бороться?
Обдув поставь стекло, ноги с небольшим сдвигом на ноги.
Re: логика работы климат-контроля
Добавлено: 23 окт 2016, 18:52
Dimc
и так пробовал и все в ноги, чтоб быстрее прогревалось. все одно-жара зверская. как бы управление в ручном режиме от датчика отвязать. чтоб прям положение крутилки соответствовало положению заслонки.
а может какой аварийный режим есть? например если датчик неисправен. никто не пробовал как климат с "оторваным" датчиком работает?
Re: логика работы климат-контроля
Добавлено: 23 окт 2016, 21:17
sn1
Dimc писал(а):и так пробовал и все в ноги, чтоб быстрее прогревалось. все одно-жара зверская. как бы управление в ручном режиме от датчика отвязать. чтоб прям положение крутилки соответствовало положению заслонки.
а может какой аварийный режим есть? например если датчик неисправен. никто не пробовал как климат с "оторваным" датчиком работает?
Ну вот гет таких проблем у меня стоит авто авто 20. Попробуй обдув вручную крутить. А вообще может датчик кончился.
Re: логика работы климат-контроля
Добавлено: 23 окт 2016, 21:38
Dimc
так я все вручную и кручу. как прогреется потом работает нормально. сегодня после стоянки 5 часовой тоже было нормально. а вот если остудить совсем, то такая хрень. я по ветке понял что я не один такой. он все регулирует, но пока на заданную температуру выходит (условные 20 градусов на крутилке) жарит по максимуму. видимо в панели холодно, а в районе головы уже градусов 40 наверно. просто пекло.
Re: логика работы климат-контроля
Добавлено: 29 янв 2018, 08:29
bozhenov
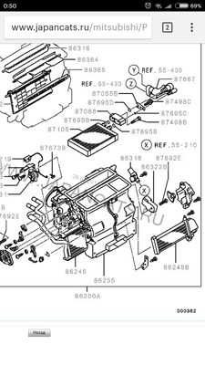
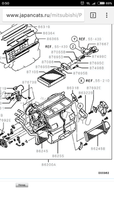
Парни, прочитал всю тему про наш климат. Кто знает для чего после датчика температуры в салоне идёт актуатор? Для чего он там вообще нужен? И ещё вопросик. Никто не решился приколхозить вентилятор перед датчиком температуры салона?

- Актуатор под номером 86318
Re: логика работы климат-контроля
Добавлено: 29 янв 2018, 18:35
Chief
Я его заткнул, оставил проток воздуха через трубку из салона. Разницы особо не заметил. Ставлю температуру на макс, скоростью вентилятора регулирую комфорт в салоне, за 3 года это самый оптимальный для меня вариант.
Re: логика работы климат-контроля
Добавлено: 30 янв 2018, 08:38
avstr
ноги -лицо, авто, температура 23 все устраивает
Re: логика работы климат-контроля
Добавлено: 01 фев 2018, 22:59
sem_tom
Хз что там устраивает) я уже привык.
Завел, стоит авто авто 20
Двигатель нагрелся, поехал.
Печка дует на максимуме, в салоне еще свежо но ноги уже горят.
Ставлю авто а скорость обдува чуть выше минимума 20
Минут через 20 поездки устанавливаю
Авто авто 23
Если поездка продолжается особенно по трассе то температуру постепенно повышаю до 28
Но эти танцы только когда ниже -10
Если выше танцев меньше)
Такой ручной климат у нас)
Отправлено с моего SM-G930F через Tapatalk
Re: логика работы климат-контроля
Добавлено: 02 фев 2018, 10:47
VAZ
avstr писал(а):ноги -лицо, авто, температура 23 все устраивает
При таком режиме, если в ручную не щёлкать, чуть минус или влажность повыше, стекла на раз запотеют. Все же как ни крути а наш климат если в ручную не подстраивать то те или иные проблемы всё равно присутствуют. Чтобы не гемороиться, на 20 Град и на стекло, но тогда, как уже писали с полчаса жарит нещадно, если перетерпеть, то потом более менее адекватно. Если жар терпеть не хочешь, надо щёлкать пока салон равномерно не прогреется и искать золотую середину, как стекла потеть начинают, на стекло, как жар начинает доставать, обратно в сторону ног. Я лично если на дальняк, этим гемороем не страдаю, включаю 20 на стекло, потерпел в начале, потом окей. А если по городу, то по настроению и по погоде.
Re: логика работы климат-контроля
Добавлено: 02 фев 2018, 11:35
avstr
да хрен его знает что у Вас ,у меня ничего не потеет, максимум не дует где то на 60%. 1 ый ноги лицо 2 ой авто 3ий 23" То что по трассе добавляю до 25-26 это да есть.
Re: логика работы климат-контроля
Добавлено: 02 фев 2018, 12:24
DenisR
есть еще один вариант.
у меня примерно раз в 1,5 -2 месяца, в холодное время года, появляются ошибки по климату (смотрю китайским ds150e), пока ошибку не сбросишь, климат работает явно хуже.
Re: логика работы климат-контроля
Добавлено: 02 фев 2018, 14:40
sn1
DenisR писал(а):есть еще один вариант.
у меня примерно раз в 1,5 -2 месяца, в холодное время года, появляются ошибки по климату (смотрю китайским ds150e), пока ошибку не сбросишь, климат работает явно хуже.
Может привод заслонок клинит? Смазать надо например.
Re: логика работы климат-контроля
Добавлено: 02 фев 2018, 14:42
sn1
VAZ писал(а):avstr писал(а):ноги -лицо, авто, температура 23 все устраивает
При таком режиме, если в ручную не щёлкать, чуть минус или влажность повыше, стекла на раз запотеют. Все же как ни крути а наш климат если в ручную не подстраивать то те или иные проблемы всё равно присутствуют. Чтобы не гемороиться, на 20 Град и на стекло, но тогда, как уже писали с полчаса жарит нещадно, если перетерпеть, то потом более менее адекватно. Если жар терпеть не хочешь, надо щёлкать пока салон равномерно не прогреется и искать золотую середину, как стекла потеть начинают, на стекло, как жар начинает доставать, обратно в сторону ног. Я лично если на дальняк, этим гемороем не страдаю, включаю 20 на стекло, потерпел в начале, потом окей. А если по городу, то по настроению и по погоде.
А ноги блин мёрзнут тогда.......
Re: логика работы климат-контроля
Добавлено: 02 фев 2018, 21:30
sem_tom
И на заднем сиденье холодно...а у тебя ноги и лицо горит)))
Отправлено с моего SM-G930F через Tapatalk
Re: логика работы климат-контроля
Добавлено: 08 фев 2018, 22:40
DenisR
вот опять ошибка вылезла, последний раз была примерно 2 месяца назад
Re: логика работы климат-контроля
Добавлено: 29 сен 2018, 20:42
alexall
Napic писал(а):для человека-разумного, еще раз
Выставляем ЖЕЛАЕМУЮ температуру в салоне в 25 градусов (крутилкой с надписью 25 градусов, компьютер при этом думает, что выставлено 22 градуса) - зеленая полоса.
Температура в салоне 26.5
Температура за бортом 25.6 - практически совпадает с ЖЕЛАЕМОЙ в салоне.
Двигая ЖЕЛАЕМУЮ ТЕМПЕРАТУРУ на 1 градус вверх (красная полоса) или вниз (синяя полоса) мы ничего не получаем - никакой реакции климата!
Как была заслонка открыта полностью на нагрев (температура антифриза была при тестах 88 градусов) так и осталась!
Скорость вентилятора печки немного при этом меняется... только какая разница сильно дуть горячим или слабее...
Плюс у меня дополнительно подключен фотодатчик. Компьютер в помещении показывал уровень инсоляции 0.0 Ватт, т.е.погода не солнечная... без датчика также показывает 0.0.
В те времена, когда у тойотовского климата можно регулировать температуру с ценой деления 0.5 градуса и климат адекватно реагирует на установки, делать что изменения целыми градусами в обе стороны, которые ничего не меняют - это просто глупо. И как можно с Япами согласиться в этом?
логика климата.JPG
А моя проблема в том, что выставив авто,авто,20 зимой, в Сибири, при -30 за бортом, в салоне у меня +31 градус - мне жарко!!!, а ногам, простите, потно.
Выставив авто,авто,19 я получу максимальное охлаждение с полностью открытой заслонкой на холод - не вариант.
Поэтому мне приходится пользоваться ручным режимом, но даже ограничив скорость вентилятора в ручном режиме, на выходе я получаю теже +31 градус только значительно позднее по времени...
PS. 31 градус показывает штатный термометр климата, который стоит в своем месте для измерения...
добрый день.
Подскажите каким диагностическим сканером и какой программой вы снимали графики климат контроля, выложенные Пт фев 17, 2012 4:59 am на форуме
http://www.pajero4x4.ru/bbs/phpBB2/view ... 5&start=60.
Заранее спасибо.
Re: логика работы климат-контроля
Добавлено: 30 сен 2018, 12:40
Napic
Использовал МУТ-3.
Но не обязательно использовать его. Китайский DS150e вроде также читает наш климат и умеет рисовать графики.
Re: логика работы климат-контроля
Добавлено: 12 окт 2018, 15:38
alexall
Спрошу мнение у спецов. Паджеро 4, но логика работы климата наверно такая же как и на спорте. Климат работает не адекватно, поэтому было решено проверить показания датчиков при одинаковой температуре. Итак на машине после ночной стоянки, утром, когда еще не потеплело, при выключенном климате у официального диллера были мутом измерены показания датчиков температуры. Датчик салона(INTERIOR TEMPERATURE SENSOR)- 7град, датчик наружной температуры(AMBIENT AIR TEMPERATURE SENSOR)-7град, датчик температуры внутри корпуса смешения воздуха кондиционера (AIR THERMO SENSOR)-13град. Получается что датчик температуры выдуваемого воздуха врет и завышает на 6 град. Следовательно при одинаковых температурах снаружи и внутри салона климат всегда дует на воздухом на 6 град меньше, что и происходит в реальности. Вопрос. Участвует ли датчик температуры внутри корпуса смешения воздуха кондиционера (AIR THERMO SENSOR) в регулировке температуры выдуваемого воздуха или он работает, как заявил диллер, только как датчик обледенения кондиционера. Или диллер навешал мне лапшу на уши, что бы не менять этот датчик на исправный.
Re: логика работы климат-контроля
Добавлено: 27 окт 2018, 14:43
дед61
Здоровья всем и денег боле.
НМПС 3,2 2008 г.в. - все искал причину не нормальной (как мне казалось) работы климат - контроля. Ну и не совсем внимательно прочитал тему. Хотелось улучшить, в связи с чем купил датчик света.
Пришел за 2 недели с ЭКЗИСТа.
=============================================
Заказ Бренд Артикул Описание Кол-во Сумма
US-0037794 Mitsubishi MN 173095 Датчик света 1 1958
Ваш менеджер: Буньков Дмитрий Сергеевич
Телефон(-ы): +7 (34675) 3-45-87
Эл.почта:
sivetskiy@exist.ru
Адрес: Советский, ул. Железнодорожная, д. 42А (первый этаж ТЦ «Автомир»)
=====================================================
Полез ставить!!!!! А он ...ука установлен. Кому отдать. Мля, по нынешней цене топлива, 40 литров соляры.
![:Очень злой: :]:-O:](./images/smilies/Nezloy01.gif)