был человечек с другого форума с таким погонялом/профессией
Проверим возможности и динамику 6g72 , 6g75, 6В31 ?
Модераторы: SNOOPER, Nbf, Romik, BAlex, drcham, алексей - Маленький Мук, DenVer
- ГАНС
- Сообщения: 4109
- Зарегистрирован: 07 июл 2011, 11:56
- Двигатель:: зажигалка
- Мой автомобиль(и):: паджеро-3
- Откуда: рАшА
- Благодарил (а): 981 раз
- Поблагодарили: 385 раз
Проверим возможности и динамику 6g72 , 6g75, 6В31 ?
-
Kaskader
- Сообщения: 5
- Зарегистрирован: 24 янв 2012, 23:26
- Двигатель:: 6G75
- Мой автомобиль(и):: Pajero IV
- Откуда: Москва
- Благодарил (а): 4 раза
- Поблагодарили: 1 раз
Проверим возможности и динамику 6g72 , 6g75, 6В31 ?
Прошился у Сергея. По динамике все как и рассказывали предыдущие его клиенты - реакция на нажатия педали отзывчивее.
АКПП переключается четче, если скидывает на две передачи при нажатии в пол - ревет и РАЗГОНЯЕТСЯ. До прошивки только ревела
.
И да, подкорректировали под 92 бенз.
По расходу напишу позже, пока нет данных.
АКПП переключается четче, если скидывает на две передачи при нажатии в пол - ревет и РАЗГОНЯЕТСЯ. До прошивки только ревела
И да, подкорректировали под 92 бенз.
По расходу напишу позже, пока нет данных.
-
LexxHolm
- Сообщения: 1
- Зарегистрирован: 07 апр 2023, 17:38
- Двигатель:: Бензин 3,8
- Мой автомобиль(и):: Pajero 4
- Откуда: Москва
Проверим возможности и динамику 6g72 , 6g75, 6В31 ?
Кто то может поделиться контактом Сергея? Как его найти? Спасибо.
- Nbf
- Дикий Админ
- Сообщения: 27627
- Зарегистрирован: 30 авг 2006, 17:58
- Двигатель:: 4D56t,
- Мой автомобиль(и):: L200'Беззубик Citroen'Мария
- Откуда: из тех ворот, что и весь народ
- Откуда: Ст.Купавна, Балашиха-1
- Благодарил (а): 1123 раза
- Поблагодарили: 1455 раз
- Контактная информация:
Проверим возможности и динамику 6g72 , 6g75, 6В31 ?
Павел.
Терпение и труд - мне не идут!
______________
L-200, '08, SS, АКПП, 4D56t, MT 285/75/16, EW-12000.
тел. (Ч95)6Ч2ЗО92
Юридические услуги http://www.expertcity.ru
Группа Паджеро в ТГ: https://t.me/pajeroclubru
Группа Паджеро в VK: https://vk.com/pajerorussia
Терпение и труд - мне не идут!
______________
L-200, '08, SS, АКПП, 4D56t, MT 285/75/16, EW-12000.
тел. (Ч95)6Ч2ЗО92
Юридические услуги http://www.expertcity.ru
Группа Паджеро в ТГ: https://t.me/pajeroclubru
Группа Паджеро в VK: https://vk.com/pajerorussia
- Chumahod
- Сообщения: 12900
- Зарегистрирован: 02 дек 2007, 21:56
- Двигатель:: 6G72
- Мой автомобиль(и):: Pajero Sport 2000г
- Откуда: МСК
- Откуда: Москва, ЮВАО
- Благодарил (а): 832 раза
- Поблагодарили: 791 раз
Проверим возможности и динамику 6g72 , 6g75, 6В31 ?
Подниму ка))
Был сегодни у Сергея - машинку не узнать..!
Единственное, о чём жалею - о том, что не сделал этого раньше! И, прошу заменить - у меня древний Спорт с МКПП...
Пообщались в процессе, 5 раз перезаливали корректировки под конкретно мой мотор, накатали около 30км в разных режимах...
Ну по итогу, что сказать... Валит, кушает меньше. На сколько меньше, пока не знаю, но за обратный путь схавал явно меньше. Буду наблюдать)
Был сегодни у Сергея - машинку не узнать..!
Единственное, о чём жалею - о том, что не сделал этого раньше! И, прошу заменить - у меня древний Спорт с МКПП...
Пообщались в процессе, 5 раз перезаливали корректировки под конкретно мой мотор, накатали около 30км в разных режимах...
Ну по итогу, что сказать... Валит, кушает меньше. На сколько меньше, пока не знаю, но за обратный путь схавал явно меньше. Буду наблюдать)
"Есть люди которые помнят добро, а есть все остальные." (с)
МКПП, 395ткм (пробег по н/в), Venom Power Terra Hunter X/T 265/70-16, подвеска ОМЕ, демпфер Proсomp, диодный рабочий свет по кругу, защита, пороги и ещё куча вкусных ништяков на машинке:)
МКПП, 395ткм (пробег по н/в), Venom Power Terra Hunter X/T 265/70-16, подвеска ОМЕ, демпфер Proсomp, диодный рабочий свет по кругу, защита, пороги и ещё куча вкусных ништяков на машинке:)
- dvm99
- Сообщения: 22344
- Зарегистрирован: 21 май 2012, 20:59
- Двигатель:: 6G72, 12клап.,
- Мой автомобиль(и):: Pajero2, Запорожец- Ланос
- Откуда: Свердловская обл.
- Благодарил (а): 737 раз
- Поблагодарили: 1082 раза
Проверим возможности и динамику 6g72 , 6g75, 6В31 ?
Паша, вот объясни мне, сирому, что можно подправить в прошивке, если почти на всех режимах мотор едет по обратной связи на лямбде?
Дмитрий
Боливар2 - П2, 92г., V43, 6G72(12V), V4AW2, RD/L, пруль (чистокровный японский рысак)
Боливар1 - П2, 93г., 6G72(12V), МКПП, V43, RD/L, Европа (славный был конь, но уже донор)
Боливар2 - П2, 92г., V43, 6G72(12V), V4AW2, RD/L, пруль (чистокровный японский рысак)
Боливар1 - П2, 93г., 6G72(12V), МКПП, V43, RD/L, Европа (славный был конь, но уже донор)
- Chumahod
- Сообщения: 12900
- Зарегистрирован: 02 дек 2007, 21:56
- Двигатель:: 6G72
- Мой автомобиль(и):: Pajero Sport 2000г
- Откуда: МСК
- Откуда: Москва, ЮВАО
- Благодарил (а): 832 раза
- Поблагодарили: 791 раз
Проверим возможности и динамику 6g72 , 6g75, 6В31 ?
Дык, всë ж просто... Мозг у первого Спорта примитивен, карт всего две - топливная и зажигания. Датчика детонации нет. Дальше продолжать?)
P. S. В ракету машина конечно не превратилась, но ехать стала гораздо приятнее и интересней. Корректировки в основном были сделаны для низких и средних оборотов. Выше 4000 оставили практически без изменений. И, таки не стоит забывать про егр. У меня он заглушен, и соответственно, в топливную карту тоже внесены корректировки
"Есть люди которые помнят добро, а есть все остальные." (с)
МКПП, 395ткм (пробег по н/в), Venom Power Terra Hunter X/T 265/70-16, подвеска ОМЕ, демпфер Proсomp, диодный рабочий свет по кругу, защита, пороги и ещё куча вкусных ништяков на машинке:)
МКПП, 395ткм (пробег по н/в), Venom Power Terra Hunter X/T 265/70-16, подвеска ОМЕ, демпфер Proсomp, диодный рабочий свет по кругу, защита, пороги и ещё куча вкусных ништяков на машинке:)
- dvm99
- Сообщения: 22344
- Зарегистрирован: 21 май 2012, 20:59
- Двигатель:: 6G72, 12клап.,
- Мой автомобиль(и):: Pajero2, Запорожец- Ланос
- Откуда: Свердловская обл.
- Благодарил (а): 737 раз
- Поблагодарили: 1082 раза
Проверим возможности и динамику 6g72 , 6g75, 6В31 ?
Конечно продолжать.
Особенно про топливную...
Когда мотор едет по лямбде, какие таблицы?
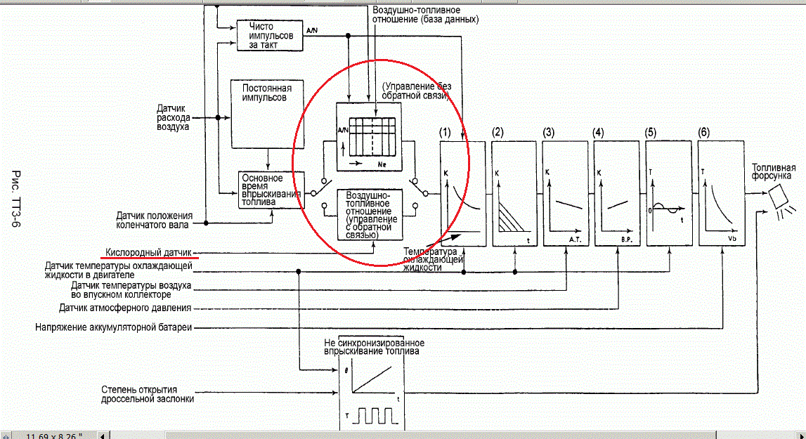
Вот наглядная схема работы впрыска, причём из обучающих материалов ММС Мотор может ехать либо по таблице, либо по лямбде. Одновременно- никак!
ЗЫ
Вот исключения, когда мотор работает по таблице:
Однако при следующих условиях управление обратной связью не работает с целью улучшения
управляемости автомобилем:
При прокрутке двигателя в процессе запуска двигателя
Во время прогрева двигателя, т.е., когда температура охлаждающей жидкости ниже 45о
В процессе разгона/торможения
При высоких нагрузках
Когда отказал кислородный датчик
Последний раз редактировалось dvm99 30 ноя 2025, 13:21, всего редактировалось 1 раз.
Дмитрий
Боливар2 - П2, 92г., V43, 6G72(12V), V4AW2, RD/L, пруль (чистокровный японский рысак)
Боливар1 - П2, 93г., 6G72(12V), МКПП, V43, RD/L, Европа (славный был конь, но уже донор)
Боливар2 - П2, 92г., V43, 6G72(12V), V4AW2, RD/L, пруль (чистокровный японский рысак)
Боливар1 - П2, 93г., 6G72(12V), МКПП, V43, RD/L, Европа (славный был конь, но уже донор)
- Chumahod
- Сообщения: 12900
- Зарегистрирован: 02 дек 2007, 21:56
- Двигатель:: 6G72
- Мой автомобиль(и):: Pajero Sport 2000г
- Откуда: МСК
- Откуда: Москва, ЮВАО
- Благодарил (а): 832 раза
- Поблагодарили: 791 раз
Проверим возможности и динамику 6g72 , 6g75, 6В31 ?
УОЗ он тоже по лябде ставит?))
Сергей не посвящал меня глубоко по корректировкам, но результат есть, и он мне очень нравится. Например, исчез полностью "затык" на второй/третьей передаче при резком нажатии газа на низких оборотах. Я конечно, специально так никогда не делаю, но теперь машина в этих режимах просто едет, ровно и уверенно. И если раньше при обычном движении для ускрения приходилось педаль продавливать больше половины, то теперь при прочих равных, это не более четверти хода. Разгон действительно стал гораздо более уверенным
Последний раз редактировалось Chumahod 30 ноя 2025, 13:28, всего редактировалось 1 раз.
"Есть люди которые помнят добро, а есть все остальные." (с)
МКПП, 395ткм (пробег по н/в), Venom Power Terra Hunter X/T 265/70-16, подвеска ОМЕ, демпфер Proсomp, диодный рабочий свет по кругу, защита, пороги и ещё куча вкусных ништяков на машинке:)
МКПП, 395ткм (пробег по н/в), Venom Power Terra Hunter X/T 265/70-16, подвеска ОМЕ, демпфер Proсomp, диодный рабочий свет по кругу, защита, пороги и ещё куча вкусных ништяков на машинке:)
- dvm99
- Сообщения: 22344
- Зарегистрирован: 21 май 2012, 20:59
- Двигатель:: 6G72, 12клап.,
- Мой автомобиль(и):: Pajero2, Запорожец- Ланос
- Откуда: Свердловская обл.
- Благодарил (а): 737 раз
- Поблагодарили: 1082 раза
Проверим возможности и динамику 6g72 , 6g75, 6В31 ?
Дмитрий
Боливар2 - П2, 92г., V43, 6G72(12V), V4AW2, RD/L, пруль (чистокровный японский рысак)
Боливар1 - П2, 93г., 6G72(12V), МКПП, V43, RD/L, Европа (славный был конь, но уже донор)
Боливар2 - П2, 92г., V43, 6G72(12V), V4AW2, RD/L, пруль (чистокровный японский рысак)
Боливар1 - П2, 93г., 6G72(12V), МКПП, V43, RD/L, Европа (славный был конь, но уже донор)
- Chumahod
- Сообщения: 12900
- Зарегистрирован: 02 дек 2007, 21:56
- Двигатель:: 6G72
- Мой автомобиль(и):: Pajero Sport 2000г
- Откуда: МСК
- Откуда: Москва, ЮВАО
- Благодарил (а): 832 раза
- Поблагодарили: 791 раз
Проверим возможности и динамику 6g72 , 6g75, 6В31 ?
Это всем понятно) но время открытия форсунки относительно одного и того же напряжения лямбды как раз и корректируется. При чем здесь таблица?
"Есть люди которые помнят добро, а есть все остальные." (с)
МКПП, 395ткм (пробег по н/в), Venom Power Terra Hunter X/T 265/70-16, подвеска ОМЕ, демпфер Proсomp, диодный рабочий свет по кругу, защита, пороги и ещё куча вкусных ништяков на машинке:)
МКПП, 395ткм (пробег по н/в), Venom Power Terra Hunter X/T 265/70-16, подвеска ОМЕ, демпфер Proсomp, диодный рабочий свет по кругу, защита, пороги и ещё куча вкусных ништяков на машинке:)
- dvm99
- Сообщения: 22344
- Зарегистрирован: 21 май 2012, 20:59
- Двигатель:: 6G72, 12клап.,
- Мой автомобиль(и):: Pajero2, Запорожец- Ланос
- Откуда: Свердловская обл.
- Благодарил (а): 737 раз
- Поблагодарили: 1082 раза
Проверим возможности и динамику 6g72 , 6g75, 6В31 ?
Ты ж сам с неё начал.
Как? Если лямбда этим временем и управляет!
Дмитрий
Боливар2 - П2, 92г., V43, 6G72(12V), V4AW2, RD/L, пруль (чистокровный японский рысак)
Боливар1 - П2, 93г., 6G72(12V), МКПП, V43, RD/L, Европа (славный был конь, но уже донор)
Боливар2 - П2, 92г., V43, 6G72(12V), V4AW2, RD/L, пруль (чистокровный японский рысак)
Боливар1 - П2, 93г., 6G72(12V), МКПП, V43, RD/L, Европа (славный был конь, но уже донор)
- Chumahod
- Сообщения: 12900
- Зарегистрирован: 02 дек 2007, 21:56
- Двигатель:: 6G72
- Мой автомобиль(и):: Pajero Sport 2000г
- Откуда: МСК
- Откуда: Москва, ЮВАО
- Благодарил (а): 832 раза
- Поблагодарили: 791 раз
Проверим возможности и динамику 6g72 , 6g75, 6В31 ?
Дим, ты запутался...) допустим (условно), сигнал с лямбды 0,8В. Мозг решает, на сколько открыть форсунку. Это зашито в программе. И, именно этот параметр ты меняешь в программе. Т.е. это прям совсем глубоко в программу надо влезть, вот прям на уровне "нулей и еденичек"... Ты можешь прописать что угодно, можешь 0,005 сек, а можешь 0,5...
Вобще, если честно, мне на эту тему совсем не интересно дискутировать... Да и вообще, дискутировать я не люблю, мягко говоря...)) Давайте просто поживëм в своë удовольствие! )
"Есть люди которые помнят добро, а есть все остальные." (с)
МКПП, 395ткм (пробег по н/в), Venom Power Terra Hunter X/T 265/70-16, подвеска ОМЕ, демпфер Proсomp, диодный рабочий свет по кругу, защита, пороги и ещё куча вкусных ништяков на машинке:)
МКПП, 395ткм (пробег по н/в), Venom Power Terra Hunter X/T 265/70-16, подвеска ОМЕ, демпфер Proсomp, диодный рабочий свет по кругу, защита, пороги и ещё куча вкусных ништяков на машинке:)
- dvm99
- Сообщения: 22344
- Зарегистрирован: 21 май 2012, 20:59
- Двигатель:: 6G72, 12клап.,
- Мой автомобиль(и):: Pajero2, Запорожец- Ланос
- Откуда: Свердловская обл.
- Благодарил (а): 737 раз
- Поблагодарили: 1082 раза
Проверим возможности и динамику 6g72 , 6g75, 6В31 ?
Да я просто хотел узнать, что вы там подкручивали.))
Я не поверю, что доморощенный прошивальщик умнее японских инженеров, особенно прошлых лет.
Лямбда держит стехиометрию по топливу в пределах 1%. Что тут можно выгадать?
Дмитрий
Боливар2 - П2, 92г., V43, 6G72(12V), V4AW2, RD/L, пруль (чистокровный японский рысак)
Боливар1 - П2, 93г., 6G72(12V), МКПП, V43, RD/L, Европа (славный был конь, но уже донор)
Боливар2 - П2, 92г., V43, 6G72(12V), V4AW2, RD/L, пруль (чистокровный японский рысак)
Боливар1 - П2, 93г., 6G72(12V), МКПП, V43, RD/L, Европа (славный был конь, но уже донор)
- Nbf
- Дикий Админ
- Сообщения: 27627
- Зарегистрирован: 30 авг 2006, 17:58
- Двигатель:: 4D56t,
- Мой автомобиль(и):: L200'Беззубик Citroen'Мария
- Откуда: из тех ворот, что и весь народ
- Откуда: Ст.Купавна, Балашиха-1
- Благодарил (а): 1123 раза
- Поблагодарили: 1455 раз
- Контактная информация:
Проверим возможности и динамику 6g72 , 6g75, 6В31 ?
Этот, как ты сказал, доморощенный, сделал мой Аутлендер первым стоковым Аутлендером в Москве (про Москву - точно, а в рамках планеты не достаточно данных, но и это возможно), который вышел из 7 секунд до сотни. Причем с багажником на крыше. До этого этим могли похвастаться только владельцы машин, претерпевших физические изменения по железу.
Павел.
Терпение и труд - мне не идут!
______________
L-200, '08, SS, АКПП, 4D56t, MT 285/75/16, EW-12000.
тел. (Ч95)6Ч2ЗО92
Юридические услуги http://www.expertcity.ru
Группа Паджеро в ТГ: https://t.me/pajeroclubru
Группа Паджеро в VK: https://vk.com/pajerorussia
Терпение и труд - мне не идут!
______________
L-200, '08, SS, АКПП, 4D56t, MT 285/75/16, EW-12000.
тел. (Ч95)6Ч2ЗО92
Юридические услуги http://www.expertcity.ru
Группа Паджеро в ТГ: https://t.me/pajeroclubru
Группа Паджеро в VK: https://vk.com/pajerorussia
- dvm99
- Сообщения: 22344
- Зарегистрирован: 21 май 2012, 20:59
- Двигатель:: 6G72, 12клап.,
- Мой автомобиль(и):: Pajero2, Запорожец- Ланос
- Откуда: Свердловская обл.
- Благодарил (а): 737 раз
- Поблагодарили: 1082 раза
Проверим возможности и динамику 6g72 , 6g75, 6В31 ?
Ну, про аут я ничего не знаю, что там за мотор.
И резгон до 100, это режим не про лямбду и оптимальную стехиометрию, тем более расход.
Дмитрий
Боливар2 - П2, 92г., V43, 6G72(12V), V4AW2, RD/L, пруль (чистокровный японский рысак)
Боливар1 - П2, 93г., 6G72(12V), МКПП, V43, RD/L, Европа (славный был конь, но уже донор)
Боливар2 - П2, 92г., V43, 6G72(12V), V4AW2, RD/L, пруль (чистокровный японский рысак)
Боливар1 - П2, 93г., 6G72(12V), МКПП, V43, RD/L, Европа (славный был конь, но уже донор)
- Chumahod
- Сообщения: 12900
- Зарегистрирован: 02 дек 2007, 21:56
- Двигатель:: 6G72
- Мой автомобиль(и):: Pajero Sport 2000г
- Откуда: МСК
- Откуда: Москва, ЮВАО
- Благодарил (а): 832 раза
- Поблагодарили: 791 раз
Проверим возможности и динамику 6g72 , 6g75, 6В31 ?
Дим, ты меня прости, но я не буду вообще ни с кем общаться на эту тему. Впечатления от прошивки выложу здесь чуть позже, когда наберу статистику. Мне нихуа не 16 лет, чтоб я поехал абы-к кому... И вообще, давай ка "по полочкам". Человек мне сделал красиво, +/- объяснил внятно и понятно, что было сделано. Меня - устраивает. Я - не дилетант в этой сфере. Я - поделился позитивом здесь.
Тебя, как я вижу, что то не устраивает. И вот теперь посмотри со стороны - ты здесь каким боком вообще? Чисто попиzдить? Так это не Дом2, это Форум Паджеро-Клуба, уж извини...
Повторюсь - давай займëмся семьëй, и позитивными моментами в жизни!
P. S. Правильно мне папа говорил - "нашëл - молчи, потерял - молчи! " ©
Здесь всего навсего поделился позитивом, в таком то возрасте bлЯдь...!
P. P. S. Мыться в ванну полез, от вас от всех, "сочувствующих" пля........ !
Последний раз редактировалось Chumahod 30 ноя 2025, 21:52, всего редактировалось 1 раз.
"Есть люди которые помнят добро, а есть все остальные." (с)
МКПП, 395ткм (пробег по н/в), Venom Power Terra Hunter X/T 265/70-16, подвеска ОМЕ, демпфер Proсomp, диодный рабочий свет по кругу, защита, пороги и ещё куча вкусных ништяков на машинке:)
МКПП, 395ткм (пробег по н/в), Venom Power Terra Hunter X/T 265/70-16, подвеска ОМЕ, демпфер Proсomp, диодный рабочий свет по кругу, защита, пороги и ещё куча вкусных ништяков на машинке:)
- dvm99
- Сообщения: 22344
- Зарегистрирован: 21 май 2012, 20:59
- Двигатель:: 6G72, 12клап.,
- Мой автомобиль(и):: Pajero2, Запорожец- Ланос
- Откуда: Свердловская обл.
- Благодарил (а): 737 раз
- Поблагодарили: 1082 раза
Проверим возможности и динамику 6g72 , 6g75, 6В31 ?
Узнать, что тебе чел объяснил:
Мож и мне бы пригодилось для понимания...
Дмитрий
Боливар2 - П2, 92г., V43, 6G72(12V), V4AW2, RD/L, пруль (чистокровный японский рысак)
Боливар1 - П2, 93г., 6G72(12V), МКПП, V43, RD/L, Европа (славный был конь, но уже донор)
Боливар2 - П2, 92г., V43, 6G72(12V), V4AW2, RD/L, пруль (чистокровный японский рысак)
Боливар1 - П2, 93г., 6G72(12V), МКПП, V43, RD/L, Европа (славный был конь, но уже донор)
- Chumahod
- Сообщения: 12900
- Зарегистрирован: 02 дек 2007, 21:56
- Двигатель:: 6G72
- Мой автомобиль(и):: Pajero Sport 2000г
- Откуда: МСК
- Откуда: Москва, ЮВАО
- Благодарил (а): 832 раза
- Поблагодарили: 791 раз
Проверим возможности и динамику 6g72 , 6g75, 6В31 ?
Пипец... Дим, выглядит так, что мы тут все ..... расы, а ты один Дартаньян....
"Есть люди которые помнят добро, а есть все остальные." (с)
МКПП, 395ткм (пробег по н/в), Venom Power Terra Hunter X/T 265/70-16, подвеска ОМЕ, демпфер Proсomp, диодный рабочий свет по кругу, защита, пороги и ещё куча вкусных ништяков на машинке:)
МКПП, 395ткм (пробег по н/в), Venom Power Terra Hunter X/T 265/70-16, подвеска ОМЕ, демпфер Proсomp, диодный рабочий свет по кругу, защита, пороги и ещё куча вкусных ништяков на машинке:)
- dvm99
- Сообщения: 22344
- Зарегистрирован: 21 май 2012, 20:59
- Двигатель:: 6G72, 12клап.,
- Мой автомобиль(и):: Pajero2, Запорожец- Ланос
- Откуда: Свердловская обл.
- Благодарил (а): 737 раз
- Поблагодарили: 1082 раза
Проверим возможности и динамику 6g72 , 6g75, 6В31 ?
Дык ты расскажи, что тебе объяснили.
Хуями в меня кидаться не нужно.... Я их мимо пропускаю, а до Юрки (Жипера) тебе далеко.
Хуями в меня кидаться не нужно.... Я их мимо пропускаю, а до Юрки (Жипера) тебе далеко.
Дмитрий
Боливар2 - П2, 92г., V43, 6G72(12V), V4AW2, RD/L, пруль (чистокровный японский рысак)
Боливар1 - П2, 93г., 6G72(12V), МКПП, V43, RD/L, Европа (славный был конь, но уже донор)
Боливар2 - П2, 92г., V43, 6G72(12V), V4AW2, RD/L, пруль (чистокровный японский рысак)
Боливар1 - П2, 93г., 6G72(12V), МКПП, V43, RD/L, Европа (славный был конь, но уже донор)
