Дима, там сливается из под сальника. ))
TRT - Вдоль р.Киржач. Для стандартных 4х4 (08.11.25) Форум Обсуждение FAQ
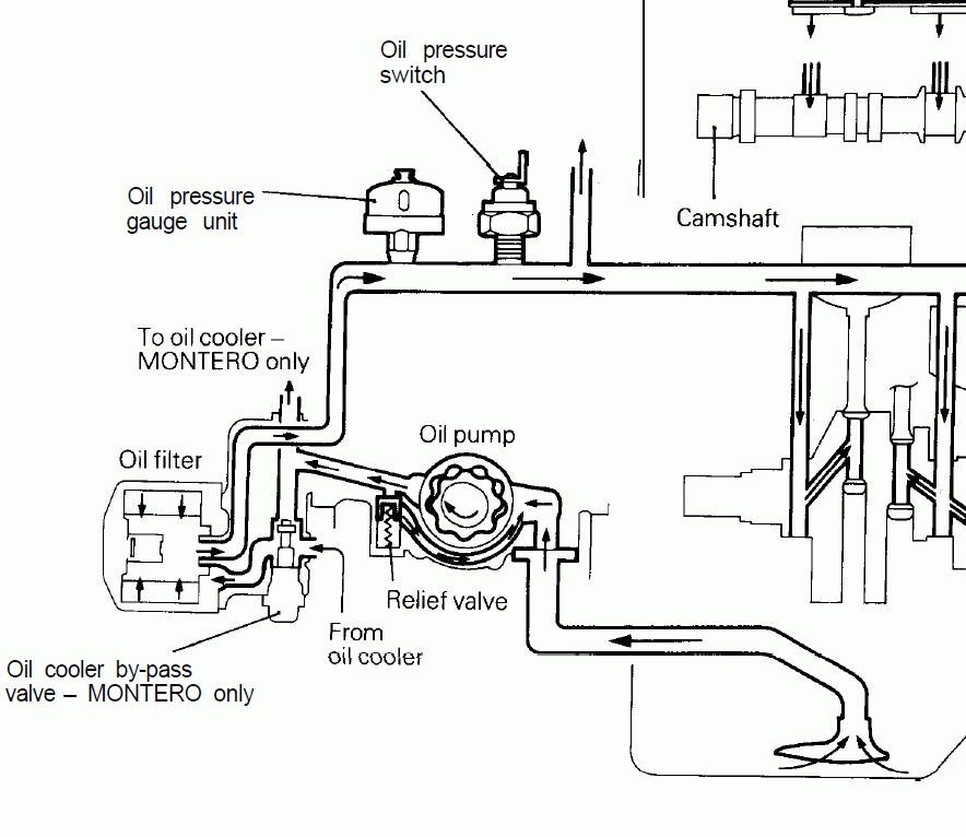
редукционный клапан
Модераторы: SNOOPER, Nbf, Romik, BAlex, drcham, алексей - Маленький Мук, DenVer
- dvm99
- Сообщения: 21719
- Зарегистрирован: 21 май 2012, 20:59
- Двигатель:: 6G72, 12клап.,
- Мой автомобиль(и):: Pajero2, Запорожец- Ланос
- Откуда: Свердловская обл.
- Благодарил (а): 706 раз
- Поблагодарили: 1026 раз
Re: редукционный клапан
Точно?
Завтра посмотрю... Есть у меня снятый насос...
Но если так, то кроме дырочки в болте маслу деваться некуда...
Дмитрий
Боливар2 - П2, 92г., V43, 6G72(12V), V4AW2, RD/L, пруль (чистокровный японский рысак)
Боливар1 - П2, 93г., 6G72(12V), МКПП, V43, RD/L, Европа (славный был конь, но уже донор)
Боливар2 - П2, 92г., V43, 6G72(12V), V4AW2, RD/L, пруль (чистокровный японский рысак)
Боливар1 - П2, 93г., 6G72(12V), МКПП, V43, RD/L, Европа (славный был конь, но уже донор)
- dvm99
- Сообщения: 21719
- Зарегистрирован: 21 май 2012, 20:59
- Двигатель:: 6G72, 12клап.,
- Мой автомобиль(и):: Pajero2, Запорожец- Ланос
- Откуда: Свердловская обл.
- Благодарил (а): 706 раз
- Поблагодарили: 1026 раз
Re: редукционный клапан
Саша, сейчас подумал...
Хотя,если даже так, как ты пишешь, это не меняет значения.
Слив идёт ДО сальника.
Хотя,если даже так, как ты пишешь, это не меняет значения.
Слив идёт ДО сальника.
Дмитрий
Боливар2 - П2, 92г., V43, 6G72(12V), V4AW2, RD/L, пруль (чистокровный японский рысак)
Боливар1 - П2, 93г., 6G72(12V), МКПП, V43, RD/L, Европа (славный был конь, но уже донор)
Боливар2 - П2, 92г., V43, 6G72(12V), V4AW2, RD/L, пруль (чистокровный японский рысак)
Боливар1 - П2, 93г., 6G72(12V), МКПП, V43, RD/L, Европа (славный был конь, но уже донор)
- SNOOPER
- Модератор
- Сообщения: 56891
- Зарегистрирован: 11 дек 2004, 19:49
- Двигатель:: 4D56
- Мой автомобиль(и):: NewMPS
- Откуда: 78
- Откуда: Spb
- Благодарил (а): 1006 раз
- Поблагодарили: 4663 раза
- Fakir
- Технический Комиссар
- Сообщения: 3027
- Зарегистрирован: 04 окт 2007, 00:51
- Двигатель:: 6G72 24V
- Мой автомобиль(и):: К96 '07
- Откуда: СВАО
- Откуда: Москва
- Благодарил (а): 72 раза
- Поблагодарили: 209 раз
Re: редукционный клапан
Мне тоже с 12V насос давно на глаза не попадался. Там подругому
L144G '89 - был,
K96 '07 - внедорожный турист.
Безвыходных ситуаций не бывает!
8(903)7381043
K96 '07 - внедорожный турист.
Безвыходных ситуаций не бывает!
8(903)7381043
- Fakir
- Технический Комиссар
- Сообщения: 3027
- Зарегистрирован: 04 окт 2007, 00:51
- Двигатель:: 6G72 24V
- Мой автомобиль(и):: К96 '07
- Откуда: СВАО
- Откуда: Москва
- Благодарил (а): 72 раза
- Поблагодарили: 209 раз
Re: редукционный клапан
Ylzik, мы вообще про какой мотор (12V или 24V) сейчас говорим и номер хундаевского насоса какой?
L144G '89 - был,
K96 '07 - внедорожный турист.
Безвыходных ситуаций не бывает!
8(903)7381043
K96 '07 - внедорожный турист.
Безвыходных ситуаций не бывает!
8(903)7381043
- dvm99
- Сообщения: 21719
- Зарегистрирован: 21 май 2012, 20:59
- Двигатель:: 6G72, 12клап.,
- Мой автомобиль(и):: Pajero2, Запорожец- Ланос
- Откуда: Свердловская обл.
- Благодарил (а): 706 раз
- Поблагодарили: 1026 раз
Re: редукционный клапан
На Хюндаях вроде 24 клап. не было.
Дмитрий
Боливар2 - П2, 92г., V43, 6G72(12V), V4AW2, RD/L, пруль (чистокровный японский рысак)
Боливар1 - П2, 93г., 6G72(12V), МКПП, V43, RD/L, Европа (славный был конь, но уже донор)
Боливар2 - П2, 92г., V43, 6G72(12V), V4AW2, RD/L, пруль (чистокровный японский рысак)
Боливар1 - П2, 93г., 6G72(12V), МКПП, V43, RD/L, Европа (славный был конь, но уже донор)
- dvm99
- Сообщения: 21719
- Зарегистрирован: 21 май 2012, 20:59
- Двигатель:: 6G72, 12клап.,
- Мой автомобиль(и):: Pajero2, Запорожец- Ланос
- Откуда: Свердловская обл.
- Благодарил (а): 706 раз
- Поблагодарили: 1026 раз
Re: редукционный клапан
Дмитрий
Боливар2 - П2, 92г., V43, 6G72(12V), V4AW2, RD/L, пруль (чистокровный японский рысак)
Боливар1 - П2, 93г., 6G72(12V), МКПП, V43, RD/L, Европа (славный был конь, но уже донор)
Боливар2 - П2, 92г., V43, 6G72(12V), V4AW2, RD/L, пруль (чистокровный японский рысак)
Боливар1 - П2, 93г., 6G72(12V), МКПП, V43, RD/L, Европа (славный был конь, но уже донор)
-
Ylzik
- Сообщения: 74
- Зарегистрирован: 19 июн 2016, 12:28
- Двигатель:: 6G72 12v
- Мой автомобиль(и):: MMC Pajero 2
- Откуда: Томск
- Поблагодарили: 2 раза
Re: редукционный клапан
Насос с 12 клапанного мотора.
На фото канал клапана без поршенька и с поршеньком, масло сливаться никак не может под поршенек.
На фото канал клапана без поршенька и с поршеньком, масло сливаться никак не может под поршенек.
- Fakir
- Технический Комиссар
- Сообщения: 3027
- Зарегистрирован: 04 окт 2007, 00:51
- Двигатель:: 6G72 24V
- Мой автомобиль(и):: К96 '07
- Откуда: СВАО
- Откуда: Москва
- Благодарил (а): 72 раза
- Поблагодарили: 209 раз
Re: редукционный клапан
в смысле не может? над поршнем давление до 6 атм, между поршнем и цилиндром есть зазор, в любом случае масло через зазор будет просачиваться. Со временем масло вытеснит весь воздух. Если маслу из полости под поршнем будет некуда деваться, поршень не сможет перемещаться.
Если корейцы не изменили конструкцию и не сделали дополнительно канал для слива масла из полости под поршнем, то это косяк и я бы задумался над оригинальностью насоса
L144G '89 - был,
K96 '07 - внедорожный турист.
Безвыходных ситуаций не бывает!
8(903)7381043
K96 '07 - внедорожный турист.
Безвыходных ситуаций не бывает!
8(903)7381043
- Fakir
- Технический Комиссар
- Сообщения: 3027
- Зарегистрирован: 04 окт 2007, 00:51
- Двигатель:: 6G72 24V
- Мой автомобиль(и):: К96 '07
- Откуда: СВАО
- Откуда: Москва
- Благодарил (а): 72 раза
- Поблагодарили: 209 раз
Re: редукционный клапан
там показан только перепускной канал
L144G '89 - был,
K96 '07 - внедорожный турист.
Безвыходных ситуаций не бывает!
8(903)7381043
K96 '07 - внедорожный турист.
Безвыходных ситуаций не бывает!
8(903)7381043
-
Ylzik
- Сообщения: 74
- Зарегистрирован: 19 июн 2016, 12:28
- Двигатель:: 6G72 12v
- Мой автомобиль(и):: MMC Pajero 2
- Откуда: Томск
- Поблагодарили: 2 раза
Re: редукционный клапан
То что масло будет просачиваться под поршенек это и так понятно, я про основной слив масла говорил когда сбрасывается давление.Fakir писал(а): ↑21 фев 2019, 13:36в смысле не может? над поршнем давление до 6 атм, между поршнем и цилиндром есть зазор, в любом случае масло через зазор будет просачиваться. Со временем масло вытеснит весь воздух. Если маслу из полости под поршнем будет некуда деваться, поршень не сможет перемещаться.
Если корейцы не изменили конструкцию и не сделали дополнительно канал для слива масла из полости под поршнем, то это косяк и я бы задумался над оригинальностью насоса
А болт я заменю.
Смотрел видос на ютубе про распаковку этого насоса, там отверстие в пробке есть )
- SNOOPER
- Модератор
- Сообщения: 56891
- Зарегистрирован: 11 дек 2004, 19:49
- Двигатель:: 4D56
- Мой автомобиль(и):: NewMPS
- Откуда: 78
- Откуда: Spb
- Благодарил (а): 1006 раз
- Поблагодарили: 4663 раза
Re: редукционный клапан
Вот болт наверное не стоит менять просто так. Посмотрите внимательно открутив его. Поршень запирает торцем, слив избытка идет в заборную полость. Отверстие может не дать закачать масло.
На фото красная стрелка полость давления, желтая всасывания.
Ну и отвертка вставлена в канал слива из под сальника, и только из под него.
Насос от 24-х клапанного.
На фото красная стрелка полость давления, желтая всасывания.
Ну и отвертка вставлена в канал слива из под сальника, и только из под него.
Насос от 24-х клапанного.
- dvm99
- Сообщения: 21719
- Зарегистрирован: 21 май 2012, 20:59
- Двигатель:: 6G72, 12клап.,
- Мой автомобиль(и):: Pajero2, Запорожец- Ланос
- Откуда: Свердловская обл.
- Благодарил (а): 706 раз
- Поблагодарили: 1026 раз
Re: редукционный клапан
Хе...
Мужики, а вы не обратили внимание на маленькую детальку!
Вот она на этом снимке:
Масло из под клапана скорее всего сливается через эту дырочку...
А вообще, я полазил по каталогу Хюндая, насосов вроде как два вида.
И на одном из них крышка с дырочкой.

Фото другой крышки не нашёл...
Мужики, а вы не обратили внимание на маленькую детальку!
Вот она на этом снимке:
Масло из под клапана скорее всего сливается через эту дырочку...
А вообще, я полазил по каталогу Хюндая, насосов вроде как два вида.
И на одном из них крышка с дырочкой.

Фото другой крышки не нашёл...
Дмитрий
Боливар2 - П2, 92г., V43, 6G72(12V), V4AW2, RD/L, пруль (чистокровный японский рысак)
Боливар1 - П2, 93г., 6G72(12V), МКПП, V43, RD/L, Европа (славный был конь, но уже донор)
Боливар2 - П2, 92г., V43, 6G72(12V), V4AW2, RD/L, пруль (чистокровный японский рысак)
Боливар1 - П2, 93г., 6G72(12V), МКПП, V43, RD/L, Европа (славный был конь, но уже донор)
- Fakir
- Технический Комиссар
- Сообщения: 3027
- Зарегистрирован: 04 окт 2007, 00:51
- Двигатель:: 6G72 24V
- Мой автомобиль(и):: К96 '07
- Откуда: СВАО
- Откуда: Москва
- Благодарил (а): 72 раза
- Поблагодарили: 209 раз
Re: редукционный клапан
Эта дырочка с резьбой, туда вкручивается один из болтов поддона.
L144G '89 - был,
K96 '07 - внедорожный турист.
Безвыходных ситуаций не бывает!
8(903)7381043
K96 '07 - внедорожный турист.
Безвыходных ситуаций не бывает!
8(903)7381043
- Fakir
- Технический Комиссар
- Сообщения: 3027
- Зарегистрирован: 04 окт 2007, 00:51
- Двигатель:: 6G72 24V
- Мой автомобиль(и):: К96 '07
- Откуда: СВАО
- Откуда: Москва
- Благодарил (а): 72 раза
- Поблагодарили: 209 раз
Re: редукционный клапан
Кстати, на последнем фото SNOOPER'а, слева от жёлтой стрелки то самое отверстие для слива масла из полости под поршнем в насосе для 24V.
L144G '89 - был,
K96 '07 - внедорожный турист.
Безвыходных ситуаций не бывает!
8(903)7381043
K96 '07 - внедорожный турист.
Безвыходных ситуаций не бывает!
8(903)7381043
- dvm99
- Сообщения: 21719
- Зарегистрирован: 21 май 2012, 20:59
- Двигатель:: 6G72, 12клап.,
- Мой автомобиль(и):: Pajero2, Запорожец- Ланос
- Откуда: Свердловская обл.
- Благодарил (а): 706 раз
- Поблагодарили: 1026 раз
Re: редукционный клапан
Да, действительно...
Дмитрий
Боливар2 - П2, 92г., V43, 6G72(12V), V4AW2, RD/L, пруль (чистокровный японский рысак)
Боливар1 - П2, 93г., 6G72(12V), МКПП, V43, RD/L, Европа (славный был конь, но уже донор)
Боливар2 - П2, 92г., V43, 6G72(12V), V4AW2, RD/L, пруль (чистокровный японский рысак)
Боливар1 - П2, 93г., 6G72(12V), МКПП, V43, RD/L, Европа (славный был конь, но уже донор)
-
Ylzik
- Сообщения: 74
- Зарегистрирован: 19 июн 2016, 12:28
- Двигатель:: 6G72 12v
- Мой автомобиль(и):: MMC Pajero 2
- Откуда: Томск
- Поблагодарили: 2 раза
Re: редукционный клапан
В общем поставил пробку со старого насоса с отверстием.
Насос кстати стоял немного не стандартный, у него есть дополнительный отлив скорее всего под дополнительный датчик давления. По остальной внутрянке ничем не отличается от стандартного.
Насос кстати стоял немного не стандартный, у него есть дополнительный отлив скорее всего под дополнительный датчик давления. По остальной внутрянке ничем не отличается от стандартного.

