Что-то странное с температурой двигателя
Модераторы: SNOOPER, Nbf, Romik, BAlex, drcham, алексей - Маленький Мук, DenVer, Алекс
-
steals2k
- Сообщения: 360
- Зарегистрирован: 29 авг 2016, 06:56
- Двигатель:: 4M41
- Мой автомобиль(и):: Mitsubishi Pajero3 Suzuki SX4
- Откуда: Ярославль
- Благодарил (а): 389 раз
- Поблагодарили: 8 раз
Re: Что-то странное с температурой двигателя
AAT, AEL, ABP
Если вопрос стоит ребром, то можно и на остальных посмотреть схему.
Если вопрос стоит ребром, то можно и на остальных посмотреть схему.
-
steals2k
- Сообщения: 360
- Зарегистрирован: 29 авг 2016, 06:56
- Двигатель:: 4M41
- Мой автомобиль(и):: Mitsubishi Pajero3 Suzuki SX4
- Откуда: Ярославль
- Благодарил (а): 389 раз
- Поблагодарили: 8 раз
Re: Что-то странное с температурой двигателя
В бочке допнасос стоял на дизеле строго с одной целью-не дать перегреется турбине. И датчик был в последнюю завёрнут.
В Ауди ни разу не слышал про допнасос, хотя до 96 года прилично разных видел/слышал, тремя владел.
В Ауди ни разу не слышал про допнасос, хотя до 96 года прилично разных видел/слышал, тремя владел.
- Nickolas
- Сообщения: 1591
- Зарегистрирован: 18 окт 2014, 21:23
- Двигатель:: 4d56
- Мой автомобиль(и):: Pajero Sport
- Откуда: Москва
- Благодарил (а): 22 раза
- Поблагодарили: 121 раз
Re: Что-то странное с температурой двигателя
Снял видео.
Результат .... ээээ... интересный.
Попробую перекачать видео на комп и попробую приложить.
Результат .... ээээ... интересный.
Попробую перекачать видео на комп и попробую приложить.
Чтоб праздник отличать от буден,
Давайте в праздник пить не будем!
MPS 2.5D EFI MT 2008
Давайте в праздник пить не будем!
MPS 2.5D EFI MT 2008
- Nickolas
- Сообщения: 1591
- Зарегистрирован: 18 окт 2014, 21:23
- Двигатель:: 4d56
- Мой автомобиль(и):: Pajero Sport
- Откуда: Москва
- Благодарил (а): 22 раза
- Поблагодарили: 121 раз
Re: Что-то странное с температурой двигателя
Вот видео.
Погода в Москве дерьмовая, поэтому получилось то, что получилось, но самое важное и интересное на видео попало.
Видео резко обрывается - это кончилось место на телефоне.
Ну и вообще, за качество и за вертикалку - сорри. Ну не блоггер я, не блоггер!
https://youtu.be/geeE3_Cz7eA
Погода в Москве дерьмовая, поэтому получилось то, что получилось, но самое важное и интересное на видео попало.
Видео резко обрывается - это кончилось место на телефоне.
Ну и вообще, за качество и за вертикалку - сорри. Ну не блоггер я, не блоггер!
https://youtu.be/geeE3_Cz7eA
Чтоб праздник отличать от буден,
Давайте в праздник пить не будем!
MPS 2.5D EFI MT 2008
Давайте в праздник пить не будем!
MPS 2.5D EFI MT 2008
- Nickolas
- Сообщения: 1591
- Зарегистрирован: 18 окт 2014, 21:23
- Двигатель:: 4d56
- Мой автомобиль(и):: Pajero Sport
- Откуда: Москва
- Благодарил (а): 22 раза
- Поблагодарили: 121 раз
Re: Что-то странное с температурой двигателя
А в чем беда-то?
Трубка идет в обход термостата. Или все ж есть сомнения?
Если так, то обраткой от турбины она быть НЕ МОЖЕТ.
Впрочем, подождем видео с такой же вашей машины.
А вот почему уровень в бутылках остался прежним - я не понял. Неужели там настолько маленький расход жидкости через сечение в этой трубке?
Так или иначе, но откуда-то натечь должно было. Почему не натекло?
Трубка идет в обход термостата. Или все ж есть сомнения?
Если так, то обраткой от турбины она быть НЕ МОЖЕТ.
Впрочем, подождем видео с такой же вашей машины.
А вот почему уровень в бутылках остался прежним - я не понял. Неужели там настолько маленький расход жидкости через сечение в этой трубке?
Так или иначе, но откуда-то натечь должно было. Почему не натекло?
Чтоб праздник отличать от буден,
Давайте в праздник пить не будем!
MPS 2.5D EFI MT 2008
Давайте в праздник пить не будем!
MPS 2.5D EFI MT 2008
- Nickolas
- Сообщения: 1591
- Зарегистрирован: 18 окт 2014, 21:23
- Двигатель:: 4d56
- Мой автомобиль(и):: Pajero Sport
- Откуда: Москва
- Благодарил (а): 22 раза
- Поблагодарили: 121 раз
Re: Что-то странное с температурой двигателя
И таки да, если переставить вебасту в другую сторону, то она БУДЕТ нагревать нижний патрубок радиатора.
То, что ОЖ поступает туда беспрепятственно видно на последней минуте видео.
То, что ОЖ поступает туда беспрепятственно видно на последней минуте видео.
Чтоб праздник отличать от буден,
Давайте в праздник пить не будем!
MPS 2.5D EFI MT 2008
Давайте в праздник пить не будем!
MPS 2.5D EFI MT 2008
- SNOOPER
- Модератор
- Сообщения: 57350
- Зарегистрирован: 11 дек 2004, 19:49
- Двигатель:: 4D56
- Мой автомобиль(и):: NewMPS
- Откуда: 78
- Откуда: Spb
- Благодарил (а): 1023 раза
- Поблагодарили: 4772 раза
Re: Что-то странное с температурой двигателя
Видно то что всё смешалось в доме Обломских, и не больше.
Жидкость не сжимаема.
При нажатии на верхний шланг жидкость продавливается не через радиатор и термостат.
А через ГБЦ блок и помпу.
На оборотах стартера ничего происходить не будет.
Только стартер зря насиловал.
Нужно было просто завести на полминуты, и сразу все бы увидел.
Жидкость не сжимаема.
При нажатии на верхний шланг жидкость продавливается не через радиатор и термостат.
А через ГБЦ блок и помпу.
На оборотах стартера ничего происходить не будет.
Только стартер зря насиловал.
Нужно было просто завести на полминуты, и сразу все бы увидел.
- Nickolas
- Сообщения: 1591
- Зарегистрирован: 18 окт 2014, 21:23
- Двигатель:: 4d56
- Мой автомобиль(и):: Pajero Sport
- Откуда: Москва
- Благодарил (а): 22 раза
- Поблагодарили: 121 раз
Re: Что-то странное с температурой двигателя
"При нажатии на верхний шланг жидкость продавливается не через радиатор и термостат.
А через ГБЦ блок и помпу."
А вот и нет!
Если бы это было так, то пузырьки были бы в другой бутылке!
А в этой бы не было, т.к. термостат закрыт и система разомкнута!
"На оборотах стартера ничего происходить не будет.
Только стартер зря насиловал.
Нужно было просто завести на полминуты, и сразу все бы увидел."
С этим согласен.
Был бы ассистент, именно так бы и поступил.
А в одно лицо, да еще когда не знаешь, насколько быстро качает насос - страшновато.
Холодно(-5), снег валит, не хочется ковыряться в ледяном антифризе.
Был бы гараж - тогда другое дело!
А через ГБЦ блок и помпу."
А вот и нет!
Если бы это было так, то пузырьки были бы в другой бутылке!
А в этой бы не было, т.к. термостат закрыт и система разомкнута!
"На оборотах стартера ничего происходить не будет.
Только стартер зря насиловал.
Нужно было просто завести на полминуты, и сразу все бы увидел."
С этим согласен.
Был бы ассистент, именно так бы и поступил.
А в одно лицо, да еще когда не знаешь, насколько быстро качает насос - страшновато.
Холодно(-5), снег валит, не хочется ковыряться в ледяном антифризе.
Был бы гараж - тогда другое дело!
Чтоб праздник отличать от буден,
Давайте в праздник пить не будем!
MPS 2.5D EFI MT 2008
Давайте в праздник пить не будем!
MPS 2.5D EFI MT 2008
- Nickolas
- Сообщения: 1591
- Зарегистрирован: 18 окт 2014, 21:23
- Двигатель:: 4d56
- Мой автомобиль(и):: Pajero Sport
- Откуда: Москва
- Благодарил (а): 22 раза
- Поблагодарили: 121 раз
Re: Что-то странное с температурой двигателя
Т.к. вопрос до конца не ясен, я пересниму видео, но, раньше вторника не получится.
Может и погода улучшится.
Интересно, литр антифриза он быстро высосет?
Может и погода улучшится.
Интересно, литр антифриза он быстро высосет?
Чтоб праздник отличать от буден,
Давайте в праздник пить не будем!
MPS 2.5D EFI MT 2008
Давайте в праздник пить не будем!
MPS 2.5D EFI MT 2008
- SNOOPER
- Модератор
- Сообщения: 57350
- Зарегистрирован: 11 дек 2004, 19:49
- Двигатель:: 4D56
- Мой автомобиль(и):: NewMPS
- Откуда: 78
- Откуда: Spb
- Благодарил (а): 1023 раза
- Поблагодарили: 4772 раза
Re: Что-то странное с температурой двигателя
Быстро.
Если нет необходимость, а только для того чтоб подтвердить свою теорию, то и не надо.
У меня пришли прокладки и после выходного будет кино.
Насчет того что продавливаешь через радиатор и термостат........
А зачем такой термостат нужен если через него рукой жидкость продавливается?
Честно, надоело объяснять очевидные вещи.
Жди кино.
Если нет необходимость, а только для того чтоб подтвердить свою теорию, то и не надо.
У меня пришли прокладки и после выходного будет кино.
Насчет того что продавливаешь через радиатор и термостат........
А зачем такой термостат нужен если через него рукой жидкость продавливается?
Честно, надоело объяснять очевидные вещи.
Жди кино.
- Nickolas
- Сообщения: 1591
- Зарегистрирован: 18 окт 2014, 21:23
- Двигатель:: 4d56
- Мой автомобиль(и):: Pajero Sport
- Откуда: Москва
- Благодарил (а): 22 раза
- Поблагодарили: 121 раз
Re: Что-то странное с температурой двигателя
Жду, обязательно жду!
Термостату чуть меньше года. Работает исправно, а то б давно уже закипятил.
Дело не в термостате, а в том, что ТРУБКА БАЙПАСНАЯ. На твоей же схеме об этом написано!
Термостату чуть меньше года. Работает исправно, а то б давно уже закипятил.
Дело не в термостате, а в том, что ТРУБКА БАЙПАСНАЯ. На твоей же схеме об этом написано!
Чтоб праздник отличать от буден,
Давайте в праздник пить не будем!
MPS 2.5D EFI MT 2008
Давайте в праздник пить не будем!
MPS 2.5D EFI MT 2008
- SNOOPER
- Модератор
- Сообщения: 57350
- Зарегистрирован: 11 дек 2004, 19:49
- Двигатель:: 4D56
- Мой автомобиль(и):: NewMPS
- Откуда: 78
- Откуда: Spb
- Благодарил (а): 1023 раза
- Поблагодарили: 4772 раза
Re: Что-то странное с температурой двигателя
Так она и есть байпасная, только обходит она именно термостат.
- SNOOPER
- Модератор
- Сообщения: 57350
- Зарегистрирован: 11 дек 2004, 19:49
- Двигатель:: 4D56
- Мой автомобиль(и):: NewMPS
- Откуда: 78
- Откуда: Spb
- Благодарил (а): 1023 раза
- Поблагодарили: 4772 раза
Re: Что-то странное с температурой двигателя
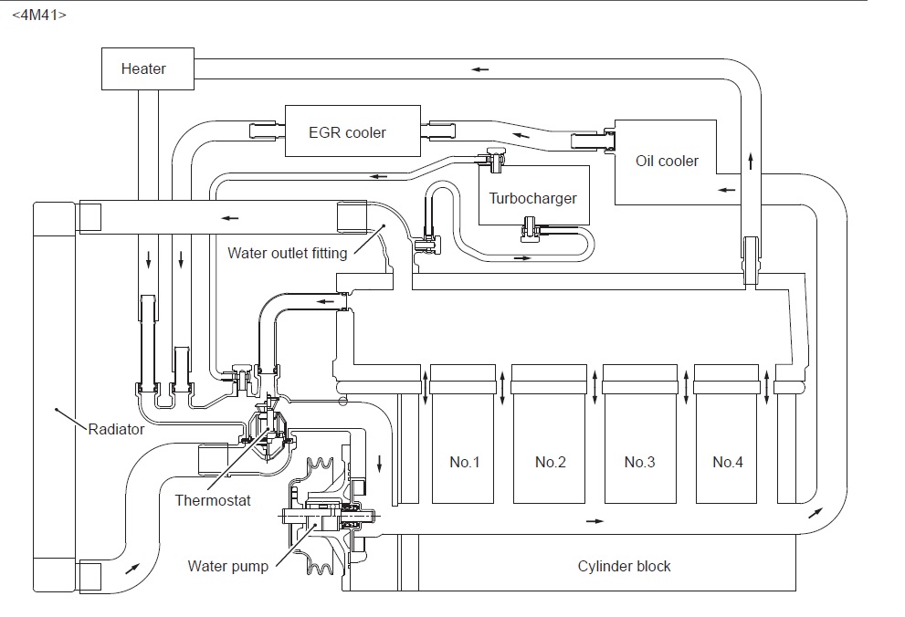
Кстати вот картинка системы охлаждения с П4, в принципе тоже самое.
Во всяком случае наглядно показаны большой и малый контуры, а так же термостат и твоя ошибка в комментариях к видео, видна как на ладони.
На схеме термостат схематично показан в двух состояниях, закрыт и открыт.
Во всяком случае наглядно показаны большой и малый контуры, а так же термостат и твоя ошибка в комментариях к видео, видна как на ладони.
На схеме термостат схематично показан в двух состояниях, закрыт и открыт.
-
steals2k
- Сообщения: 360
- Зарегистрирован: 29 авг 2016, 06:56
- Двигатель:: 4M41
- Мой автомобиль(и):: Mitsubishi Pajero3 Suzuki SX4
- Откуда: Ярославль
- Благодарил (а): 389 раз
- Поблагодарили: 8 раз
Re: Что-то странное с температурой двигателя
И что мешает в данной схеме течь жиже чисто внутри блока?
- SNOOPER
- Модератор
- Сообщения: 57350
- Зарегистрирован: 11 дек 2004, 19:49
- Двигатель:: 4D56
- Мой автомобиль(и):: NewMPS
- Откуда: 78
- Откуда: Spb
- Благодарил (а): 1023 раза
- Поблагодарили: 4772 раза
Re: Что-то странное с температурой двигателя
Вход в помпу.steals2k писал(а):И что мешает в данной схеме течь жиже чисто внутри блока?
Если сделать забор прямо с блока, вода что дура течь в дальний угол к четвертому цилиндру?!
И будет там застойная зона, тоесть будет перегреваться.
- Nickolas
- Сообщения: 1591
- Зарегистрирован: 18 окт 2014, 21:23
- Двигатель:: 4d56
- Мой автомобиль(и):: Pajero Sport
- Откуда: Москва
- Благодарил (а): 22 раза
- Поблагодарили: 121 раз
Re: Что-то странное с температурой двигателя
Не согласен.
Я уверен в том, что в 56м забор ОЖ происходит как бы из нижнего патрубка до термостата(по схеме 4м41).
Если бы я не был в этом уверен, я бы и спорить не стал.
Если у 56го схема такая же, то от вебасты никогда не нареется нижний патрубок радиатора, который в действительности нагревается.
Там и слышно как ОЖ хлюпает поднимаясь по нижнему патрубку и тд
Но всего этого я к видео прикрепить не могу.
Подожди до вторника. Я вечером схожу и еще разочек проверю. С бутылочками побольше. Вот там и видно будет.
А пока ни у кого прямых доказательств нет. Только косвенные.
Я уверен в том, что в 56м забор ОЖ происходит как бы из нижнего патрубка до термостата(по схеме 4м41).
Если бы я не был в этом уверен, я бы и спорить не стал.
Если у 56го схема такая же, то от вебасты никогда не нареется нижний патрубок радиатора, который в действительности нагревается.
Там и слышно как ОЖ хлюпает поднимаясь по нижнему патрубку и тд
Но всего этого я к видео прикрепить не могу.
Подожди до вторника. Я вечером схожу и еще разочек проверю. С бутылочками побольше. Вот там и видно будет.
А пока ни у кого прямых доказательств нет. Только косвенные.
Чтоб праздник отличать от буден,
Давайте в праздник пить не будем!
MPS 2.5D EFI MT 2008
Давайте в праздник пить не будем!
MPS 2.5D EFI MT 2008
-
steals2k
- Сообщения: 360
- Зарегистрирован: 29 авг 2016, 06:56
- Двигатель:: 4M41
- Мой автомобиль(и):: Mitsubishi Pajero3 Suzuki SX4
- Откуда: Ярославль
- Благодарил (а): 389 раз
- Поблагодарили: 8 раз
Re: Что-то странное с температурой двигателя
Я, конечно, понимаю, что в батарее дома 8 очков вода, но батарея одинаково горячая даже если вход и выход с одной стороны.
Ну и так далее.
Вернемся к газу. На Волге краник на печку. Там что, другая схема охлаждения в моторе? Сомнительно, что есть принципиальные отличия в кругах.
Ну и так далее.
Вернемся к газу. На Волге краник на печку. Там что, другая схема охлаждения в моторе? Сомнительно, что есть принципиальные отличия в кругах.
- SNOOPER
- Модератор
- Сообщения: 57350
- Зарегистрирован: 11 дек 2004, 19:49
- Двигатель:: 4D56
- Мой автомобиль(и):: NewMPS
- Откуда: 78
- Откуда: Spb
- Благодарил (а): 1023 раза
- Поблагодарили: 4772 раза
Re: Что-то странное с температурой двигателя
Не может она проходить через исправный термостат, и никогда не нагреет нижний патрубок, разве что при нагреве термостата для начала открытия.
Ну а доказывать очевидное..... как бы не шибко в моих правилах. А вот мотор твой действительно жалко, может ещё не спалил.
Кстати напомни, ты уже менял прокладку головки, или головку, или я ошибаюсь?
Запомни температура твоего мотора при умеренной нагрузке: Температура начала открытия термостата, плюс четыре-шесть градусов. Тоесть у тебя термостат 82+6=88. Вот эта твоя базовая температура при средней нагрузке. Любое, особенно значительное отклонение = неисправность.
Ну а доказывать очевидное..... как бы не шибко в моих правилах. А вот мотор твой действительно жалко, может ещё не спалил.
Кстати напомни, ты уже менял прокладку головки, или головку, или я ошибаюсь?
Запомни температура твоего мотора при умеренной нагрузке: Температура начала открытия термостата, плюс четыре-шесть градусов. Тоесть у тебя термостат 82+6=88. Вот эта твоя базовая температура при средней нагрузке. Любое, особенно значительное отклонение = неисправность.
