TRT - Вдоль р.Киржач. Для стандартных 4х4 (08.11.25) Форум Обсуждение FAQ
Провода высокого напряжения
Модераторы: SNOOPER, Nbf, Romik, BAlex, drcham, Glukc
- iRiver
- Сообщения: 1449
- Зарегистрирован: 01 дек 2012, 12:21
- Двигатель:: 4A31
- Мой автомобиль(и):: MMC Pajero Mini exDuke 2000
- Откуда: Находка
- Благодарил (а): 8 раз
- Поблагодарили: 49 раз
Re: Провода высокого напряжения
Продам новые оригинальные MD358204 за 1400 рублей. На 20клапанный они тоже не подходят несмотря на все заверения продавца.
На DOHC двиг NGK провода RC-ME91.
На DOHC двиг NGK провода RC-ME91.
-
Роман1978
- Сообщения: 16
- Зарегистрирован: 12 сен 2012, 10:07
- Двигатель:: 4a30
- Мой автомобиль(и):: pajero mini 2000
- Откуда: Петропавловск-Камчатский
Re: Провода высокого напряжения
Привет форумчане! Хотел обсудить тему замены катушек зажигания и свечных наконечников на Мини 58 sohc на катушку и провода от ВАЗ 2110. Надоело сводится с родными, да и дорого они стоят. Надёжности в родной конструкции не вижу.
Какие могут быть проблемы и тд?
Какие могут быть проблемы и тд?
- idled
- Сообщения: 4044
- Зарегистрирован: 13 мар 2007, 21:38
- Откуда: Пермский край
- Благодарил (а): 11 раз
- Поблагодарили: 168 раз
Re: Провода высокого напряжения
А че тут обсуждать, пробуй делай, расскажешь. Или давай по делу чего не стыкуется.Роман1978 писал(а):Привет форумчане! Хотел обсудить тему замены катушек зажигания и свечных наконечников на Мини 58 sohc на катушку и провода от ВАЗ 2110...
Не знаю сколько у вас на 58-м катушек и насчет наконечников не знаю(не сравнивал), а про свои катушки зажигания(57-й) еще несколько лет назад писал, если родные накроются, буду пробовать ставить модуль зажигания вазовский. Там ничего мудрого нет его подключить, принцип тот-же но две катушки в один корпус залиты. А у новых моделей ваз есть и раздельные на каждый цилиндр по катушке, мне эти не пойдут. А как работать будет, только опыт даст ответ.
Да знаем, знаем: Таз гов..., Бош гов.., все гов..., только оригинал, только из японии, в 10 раз дороже, но зато оригинал, машина-то ведь новая, всего 15лет.iRiver писал(а):А надежность в тазозапчастях видишь?)
А конкретнее по вопросу?
Pajero JR 1997г. 5МКПП
всякий мнит себя стратегом видя бой со стороны...
всякий мнит себя стратегом видя бой со стороны...
- iRiver
- Сообщения: 1449
- Зарегистрирован: 01 дек 2012, 12:21
- Двигатель:: 4A31
- Мой автомобиль(и):: MMC Pajero Mini exDuke 2000
- Откуда: Находка
- Благодарил (а): 8 раз
- Поблагодарили: 49 раз
Re: Провода высокого напряжения
У меня стоят китайскотайваньские катушки новые по 1700 за штуку. Аналог бронепроводов есть, смысл колхозить от таза что то?
-
Роман1978
- Сообщения: 16
- Зарегистрирован: 12 сен 2012, 10:07
- Двигатель:: 4a30
- Мой автомобиль(и):: pajero mini 2000
- Откуда: Петропавловск-Камчатский
Re: Провода высокого напряжения
Цена вопроса: катушка от ТАЗа 2110 - 570р., броне провода тоже копейки. 4 выхода на каждую свечу. На входе 3 пина. 1- толстый 12 в, 2 тонких.
У нас на мини: 2 катушки. На 1ой 3 пина(12в, 2 управляющих, на 2ой - 2 пина(12в и управляющий). Как соединям?
У нас на мини: 2 катушки. На 1ой 3 пина(12в, 2 управляющих, на 2ой - 2 пина(12в и управляющий). Как соединям?
- Gameszzz
- Сообщения: 1587
- Зарегистрирован: 30 дек 2012, 06:24
- Двигатель:: 4A31
- Мой автомобиль(и):: MPJ ZR-2, 3FA/T (96M) MKUE 1100/4WD
- Откуда: Владивосток
- Благодарил (а): 21 раз
- Поблагодарили: 60 раз
Re: Провода высокого напряжения
Понимаешь.idled писал(а):А че тут обсуждать, пробуй делай, расскажешь. Или давай по делу чего не стыкуется.Роман1978 писал(а):Привет форумчане! Хотел обсудить тему замены катушек зажигания и свечных наконечников на Мини 58 sohc на катушку и провода от ВАЗ 2110...
Не знаю сколько у вас на 58-м катушек и насчет наконечников не знаю(не сравнивал), а про свои катушки зажигания(57-й) еще несколько лет назад писал, если родные накроются, буду пробовать ставить модуль зажигания вазовский. Там ничего мудрого нет его подключить, принцип тот-же но две катушки в один корпус залиты. А у новых моделей ваз есть и раздельные на каждый цилиндр по катушке, мне эти не пойдут. А как работать будет, только опыт даст ответ.
Да знаем, знаем: Таз гов..., Бош гов.., все гов..., только оригинал, только из японии, в 10 раз дороже, но зато оригинал, машина-то ведь новая, всего 15лет.iRiver писал(а):А надежность в тазозапчастях видишь?)![]()
А конкретнее по вопросу?
Я конечно удивлён,что ТС с Петропавловска и обсуждает шабашки от ВАЗа,но нам шабашки от росавтопрома и не столько доступны в широком ассортименте и по цене на так то что доступно лояльно.
А учитывая доступность,качество + потребность переделки,понятно что проще проще а порой и дешевле не запаривать мозХ.
Хотя инет магазины никто не отменял,но и идти нам придётся по уже кем то проторенному пути
-
maxvid
- Сообщения: 186
- Зарегистрирован: 18 окт 2014, 12:35
- Двигатель:: 4A30
- Мой автомобиль(и):: KIX H59A
- Откуда: НСО
- Благодарил (а): 47 раз
- Поблагодарили: 15 раз
Re: Провода высокого напряжения
Скажи номер катушки от ВАЗ-аРоман1978 писал(а):Цена вопроса: катушка от ТАЗа 2110 - 570р., броне провода тоже копейки. 4 выхода на каждую свечу. На входе 3 пина. 1- толстый 12 в, 2 тонких.
вроде одинаковые катушки, три пина на каждойРоман1978 писал(а):У нас на мини: 2 катушки. На 1ой 3 пина(12в, 2 управляющих, на 2ой - 2 пина(12в и управляющий). Как соединям?
- idled
- Сообщения: 4044
- Зарегистрирован: 13 мар 2007, 21:38
- Откуда: Пермский край
- Благодарил (а): 11 раз
- Поблагодарили: 168 раз
Re: Провода высокого напряжения
1. У нас две катушки, на каждой катушке 3-пина, "+" "-" и один управляющий.Роман1978 писал(а):Цена вопроса: катушка от ТАЗа 2110 - 570р., броне провода тоже копейки. 4 выхода на каждую свечу. На входе 3 пина. 1- толстый 12 в, 2 тонких.
У нас на мини: 2 катушки. На 1ой 3 пина(12в, 2 управляющих, на 2ой - 2 пина(12в и управляющий). Как соединям?
2. От ваза нам нужен модуль с разъемом 4-пин, с тремя не пойдет(там просто катушки) у них нет управляющих транзисторов.
У модуля ваза 4-пин "+" "-" и два управляющих. (и стоит он примерно 2тыс)
Вот две схемы, лишнее обрезано что-б не путать, из них всё понятно
Джуниор, мини sohc
Ваз 2110-2112

Последний раз редактировалось idled 12 ноя 2016, 08:15, всего редактировалось 2 раза.
Pajero JR 1997г. 5МКПП
всякий мнит себя стратегом видя бой со стороны...
всякий мнит себя стратегом видя бой со стороны...
-
Роман1978
- Сообщения: 16
- Зарегистрирован: 12 сен 2012, 10:07
- Двигатель:: 4a30
- Мой автомобиль(и):: pajero mini 2000
- Откуда: Петропавловск-Камчатский
Re: Провода высокого напряжения
Значит я правильно понимаю, что в косе провод с плюсом от замка зажигания раздваивается на 1ую и 2ую катушки. При имплантации тазовского модуля зажигания провод с +, идущий ко 2й катушке, можно глушить и изолировать. Он нам не нужен. Управляющие провода, оставшиеся на 2й катушкезаводим в косу до места расположения 1й катушки. И так у нас на месте имплантации 5 проводов: 1й- +с замка, 4 управляющих. Что то надо убрать - лишнее...
-
Роман1978
- Сообщения: 16
- Зарегистрирован: 12 сен 2012, 10:07
- Двигатель:: 4a30
- Мой автомобиль(и):: pajero mini 2000
- Откуда: Петропавловск-Камчатский
Re: Провода высокого напряжения
Туплю. И - 2 й катушки тоже глушим. Он тоже не нужен? Тогда лишних нет. Чётко бы знать где управляющие в разьеме расположены
- idled
- Сообщения: 4044
- Зарегистрирован: 13 мар 2007, 21:38
- Откуда: Пермский край
- Благодарил (а): 11 раз
- Поблагодарили: 168 раз
Re: Провода высокого напряжения
Ну, на схеме-то они пронумерованы 1.2.3, надо только понять с какой стороы считать, для этого нетрудно прозвонить на месте, где +12, где масса, третий по порядку будет управление.Роман1978 писал(а): Чётко бы знать где управляющие в разьеме расположены
У вазовского

Pajero JR 1997г. 5МКПП
всякий мнит себя стратегом видя бой со стороны...
всякий мнит себя стратегом видя бой со стороны...
-
maxvid
- Сообщения: 186
- Зарегистрирован: 18 окт 2014, 12:35
- Двигатель:: 4A30
- Мой автомобиль(и):: KIX H59A
- Откуда: НСО
- Благодарил (а): 47 раз
- Поблагодарили: 15 раз
-
maxvid
- Сообщения: 186
- Зарегистрирован: 18 окт 2014, 12:35
- Двигатель:: 4A30
- Мой автомобиль(и):: KIX H59A
- Откуда: НСО
- Благодарил (а): 47 раз
- Поблагодарили: 15 раз
Re: Провода высокого напряжения
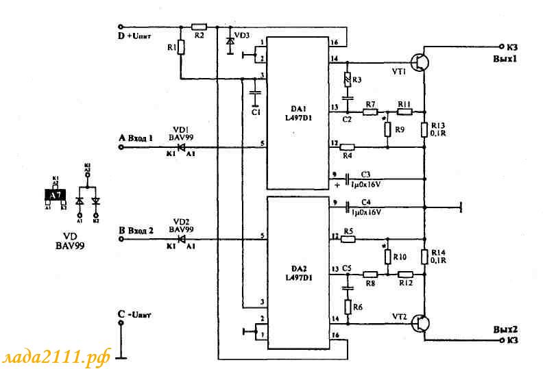
Внутренняя схема модуля 2112-3705010-02 ( 42.3705 )
указаны выводы A, B, C, D
указаны выводы A, B, C, D
- St@tus
- Сообщения: 285
- Зарегистрирован: 14 ноя 2014, 21:30
- Двигатель:: 4А31 бензин/ГАЗ
- Мой автомобиль(и):: Pajero JR ZR1 , 1995, механика, 5,65+самоблок ,+лифт 50мм+монстростойки+COOPER AT3 245/70/16
- Откуда: Азов, Ростов-на-Дону
- Благодарил (а): 2 раза
- Поблагодарили: 13 раз
- Контактная информация:
Re: Провода высокого напряжения
Все это круто, жигулевский модуль, какие то провода... разработки ,схемы и прочее. Скажу по огромному секрету - у меня катушки работают уже практически 22 года!!! Да уже резинки подорваны и подкоцаны , предыдущий хозяин тянул катушки за корпус из разъемов, я снял колпачки , почистил окислившиеся контакты , пружинку сопротивления чуть разогнул, и собрал все на место! Все работало, работает , и похоже работать еще будет, ибо снимать эти катушки нужно не так часто , при регулировке клапанов , либо при замене свечей тысяч через 60!! Потому советую вам купить на алишке аналог по оригинальному номеру и не придумывать приключения с вазовской катушкой.
Кстати , сегодня на картинках разглядывал лансеровскую катушку - очень похожи!
Кстати , сегодня на картинках разглядывал лансеровскую катушку - очень похожи!
- St@tus
- Сообщения: 285
- Зарегистрирован: 14 ноя 2014, 21:30
- Двигатель:: 4А31 бензин/ГАЗ
- Мой автомобиль(и):: Pajero JR ZR1 , 1995, механика, 5,65+самоблок ,+лифт 50мм+монстростойки+COOPER AT3 245/70/16
- Откуда: Азов, Ростов-на-Дону
- Благодарил (а): 2 раза
- Поблагодарили: 13 раз
- Контактная информация:
Re: Провода высокого напряжения
Воть... Безумно дорогая почти оригинальная катушка..
https://ru.aliexpress.com/item/Ignition ... 8fdc4871d3
https://ru.aliexpress.com/item/Ignition ... 8fdc4871d3
