Друзья, читайте книги! Книга - источник знаний! Можно узнать много полезного.Профан писал(а):У меня тоже оказывается работает БЗД и на повышенном и на пониженном. ))))
TRT "107-108" Для стандарта и не только! (4.04.2026) Форум Обсуждение FAQ
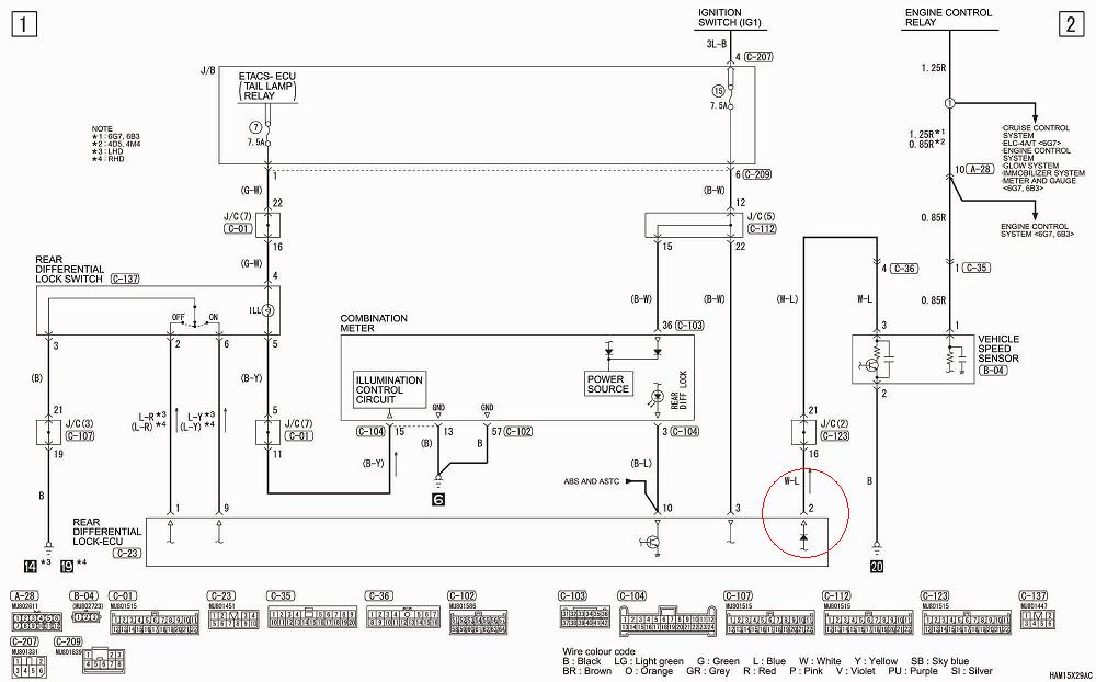
блокировка заднего дифференциала
Модераторы: SNOOPER, Alex_SH, Nbf, BAlex, drcham, SoundSpeed
Правила форума
Дорогие друзья!
Пожалуйста, при создании и поиске сообщений не забывайте пользоваться гиперссылками на тематические разделы, расположенными на главной странице раздела "Новый Pajero Sport"
Дорогие друзья!
Пожалуйста, при создании и поиске сообщений не забывайте пользоваться гиперссылками на тематические разделы, расположенными на главной странице раздела "Новый Pajero Sport"
- MAVR64
- Сообщения: 2881
- Зарегистрирован: 28 авг 2010, 20:51
- Двигатель:: Дизель
- Мой автомобиль(и):: Pajero
- Откуда: Саратов
- Благодарил (а): 134 раза
- Поблагодарили: 146 раз
Re: блокировка заднего дифференциала
PAJERO SHOGUN 2014my 3200 200hp A/T БК, регистратор, антирадар, Защита=композит+алюминий
Yokohama Geolandar A/T G012 size 265/60 R18
Yokohama Geolandar A/T G012 size 265/60 R18
- Bichok
- Сообщения: 305
- Зарегистрирован: 26 фев 2011, 09:39
- Двигатель:: 4D56Дизель
- Мой автомобиль(и):: митсубиси Pajero Sport 2010 2,5 АТ полная комплектация ....митсубиси лансер 2013 год предмакс
- Откуда: витебск
- Откуда: Беларусь.г.Витебск
- Благодарил (а): 41 раз
- Поблагодарили: 13 раз
Re: блокировка заднего дифференциала
про книги мы с детства знать должны,а твое напоминание очень кстати
,а я просто проверил работает исправно ли !!! 
Чтобы найти с человеком общий язык, иногда надо уметь помолчать.
С ув. Игорь.
+37529три стосемь002
С ув. Игорь.
+37529три стосемь002
-
Евгений Бур
- Сообщения: 9
- Зарегистрирован: 10 фев 2013, 00:39
- Двигатель:: 4d56
- Мой автомобиль(и):: НМПС 2010
- Откуда: Краснодар
Re: блокировка заднего дифференциала
Что то вы ребята не дочитали...блок заднего дифа блокируется толко при понижайки и блоке меж осевого,да и то не всегде(надо периодически его включать по вазможности,в говнах или гололеде для разработке а то гад когда долго не нажимал на кнопку она блакировка как бы закисает)зимой перед тем как все потечет на гололеде специально кнопку жму туда сюда,назад вперед,разработаю до в пол тыка включения и смело жду весну а то за лето она забывает за свои обязанности моргает долго и нудно.Вы случайно не перепутали кнопку курсовой?ее можно тыкать а на повышенной что не советую на скольской и грязной дороге да еще и только на заднем типа экономном приводе
- Napic
- Сообщения: 5982
- Зарегистрирован: 29 июл 2010, 06:51
- Двигатель:: дизель 4d56
- Мой автомобиль(и):: НМПСпорт 2010
- Откуда: Сибирь
- Благодарил (а): 423 раза
- Поблагодарили: 1021 раз
Re: блокировка заднего дифференциала
Как бы повторюсь для бабы ЯгиЕвгений Бур писал(а):Что то вы ребята не дочитали...блок заднего дифа блокируется толко при понижайки и блоке меж осевого,да и то не всегде(надо периодически его включать по вазможности,в говнах или гололеде для разработке а то гад когда долго не нажимал на кнопку она блакировка как бы закисает)зимой перед тем как все потечет на гололеде специально кнопку жму туда сюда,назад вперед,разработаю до в пол тыка включения и смело жду весну а то за лето она забывает за свои обязанности моргает долго и нудно.Вы случайно не перепутали кнопку курсовой?ее можно тыкать а на повышенной что не советую на скольской и грязной дороге да еще и только на заднем типа экономном приводе
БЗД включается только при заблокированном межосевом дифе. Чтобы включилась БЗД надо нажать кнопку ее включения.
Чтобы лампочка БЗД стала гореть постоянно достаточно буквально на миллиметр сдать назад или вперед.
Чтобы все работало как я описал, надо менять шланги БЗД и сапуна заднего моста на кислородные. Сами сапуны на концах шлангов очистить от грязи и антикора.
Основная проблема -это включить блок межосевого дифа, а ведь только он разрешает использование БЗД. Он бывает включается дольше чем ожидаешь. Как лампочка перестает моргать - значит блокировка межосевого включена.
Обычно я все переключения делаю на нейтрале в АКПП. Также на нейтралке включаю и отключаю БЗД. Если БЗД мигает (но при этом блок межосевого горит постоянно), то включаю скорость либо вперед либо назад и БУКВАЛЬНО на миллиметр продергиваю. Этого бывает достаточно чтобы БЗД сразу включилась и ее индикатор загорелся постоянно.
PS. Заметь что я нигде не написал ни про повышенную ни про пониженную - значит это НЕ ВАЖНО !!!
НМПСпорт 2010 4d56 2500 дизель S05 5AT
лето BridgeStone HT 265/65R17, зима Hakka 5 SUV 265/65R17
Eberspacher Hydronic 5 кВт, доп. вентилятор кондиционера
Egr off + дроссель On (нержавейка + программное отключение)
лето BridgeStone HT 265/65R17, зима Hakka 5 SUV 265/65R17
Eberspacher Hydronic 5 кВт, доп. вентилятор кондиционера
Egr off + дроссель On (нержавейка + программное отключение)
- SNOOPER
- Модератор
- Сообщения: 57316
- Зарегистрирован: 11 дек 2004, 19:49
- Двигатель:: 4D56
- Мой автомобиль(и):: NewMPS
- Откуда: 78
- Откуда: Spb
- Благодарил (а): 1020 раз
- Поблагодарили: 4762 раза
Re: блокировка заднего дифференциала
А Вы похоже перечитали, но увы не то...............Евгений Бур писал(а):Что то вы ребята не дочитали...блок заднего дифа блокируется толко при понижайки и блоке меж осевого,да и то не всегде(надо периодически его включать по вазможности,в говнах или гололеде для разработке а то гад когда долго не нажимал на кнопку она блакировка как бы закисает)зимой перед тем как все потечет на гололеде специально кнопку жму туда сюда,назад вперед,разработаю до в пол тыка включения и смело жду весну а то за лето она забывает за свои обязанности моргает долго и нудно.Вы случайно не перепутали кнопку курсовой?ее можно тыкать а на повышенной что не советую на скольской и грязной дороге да еще и только на заднем типа экономном приводе
-
Евгений Бур
- Сообщения: 9
- Зарегистрирован: 10 фев 2013, 00:39
- Двигатель:: 4d56
- Мой автомобиль(и):: НМПС 2010
- Откуда: Краснодар
Re: блокировка заднего дифференциала
Не читал,дажен не знаю где инструкция.А что там читать,мшина простая как велосипед,сел и поехал.В июне Крузак200 узать начну,вот там есть чего читать
- Mark69
- Сообщения: 2252
- Зарегистрирован: 17 дек 2009, 18:36
- Двигатель:: 4M41
- Мой автомобиль(и):: PAJERO SPORT NEW 2008г.в.
- Откуда: Екатеринбург
- Благодарил (а): 178 раз
- Поблагодарили: 250 раз
Re: блокировка заднего дифференциала
Евгений Бур писал(а):Что то вы ребята не дочитали...блок заднего дифа блокируется толко при понижайки и блоке меж осевого,да и то не всегде(надо периодически его включать по вазможности,в говнах или гололеде для разработке а то гад когда долго не нажимал на кнопку она блакировка как бы закисает)зимой перед тем как все потечет на гололеде специально кнопку жму туда сюда,назад вперед,разработаю до в пол тыка включения и смело жду весну а то за лето она забывает за свои обязанности моргает долго и нудно.Вы случайно не перепутали кнопку курсовой?ее можно тыкать а на повышенной что не советую на скольской и грязной дороге да еще и только на заднем типа экономном приводе
Евгений Бур писал(а):Не читал,дажен не знаю где инструкция.А что там читать,мшина простая как велосипед,сел и поехал.В июне Крузак200 узать начну,вот там есть чего читать
NMPS 2008. 3.2 акпп, MJ 600 Turbo, вебасто, силовые пороги, лето мт км2 265х70х17
зима бридж 7000 285х65х17
зима бридж 7000 285х65х17
- VAZ
- Сообщения: 5567
- Зарегистрирован: 23 янв 2010, 10:34
- Двигатель:: 4N15 дизель
- Мой автомобиль(и):: МПС III МТ 2017г
- Откуда: МО Одинцовский р-н
- Откуда: МО Одинцовский р-н
- Благодарил (а): 12 раз
- Поблагодарили: 378 раз
Re: блокировка заднего дифференциала
Вот поэтому, что не читая сам так решил ты и блокируешь задний диф только на понижайке. Хотя он прекрасно блокируется и без включения понижающей передачи при заблокированном межосевом.Евгений Бур писал(а):Не читал,дажен не знаю где инструкция.А что там читать,мшина простая как велосипед,сел и поехал.В июне Крузак200 узать начну,вот там есть чего читать
НМПС декабрь2008, 3.2, МКПП, Т-54 сток (ушёл на трейдин); МПС III 2017, дизель, МКПП полный сток, но в багажнике цепиTZC, T-Max6500 кевлар на цепях, Хай-Джжек 120см, LIFTMATE и БСЛ110, зима Nordman SUV 265/70R17.
- Napic
- Сообщения: 5982
- Зарегистрирован: 29 июл 2010, 06:51
- Двигатель:: дизель 4d56
- Мой автомобиль(и):: НМПСпорт 2010
- Откуда: Сибирь
- Благодарил (а): 423 раза
- Поблагодарили: 1021 раз
Re: блокировка заднего дифференциала
Немножно копнем поглубже с этой БЗД...VAZ писал(а):Вот поэтому, что не читая сам так решил ты и блокируешь задний диф только на понижайке. Хотя он прекрасно блокируется и без включения понижающей передачи при заблокированном межосевом.
А вот кто знает, для чего задействован "геркон" датчика скорости для компьютера БЗД???
Датчик межосевого - это понятно, а вот датчик скорости зачем?
PS. Решил заблокировать БЗД на скорости в 30 км/ч (на пустой дороге естественно) - она успешно заблокировалась и на скорости 60 км/ч самостоятельно не отключилась...
Зачем там датчик скорости??? если и так все работает...
НМПСпорт 2010 4d56 2500 дизель S05 5AT
лето BridgeStone HT 265/65R17, зима Hakka 5 SUV 265/65R17
Eberspacher Hydronic 5 кВт, доп. вентилятор кондиционера
Egr off + дроссель On (нержавейка + программное отключение)
лето BridgeStone HT 265/65R17, зима Hakka 5 SUV 265/65R17
Eberspacher Hydronic 5 кВт, доп. вентилятор кондиционера
Egr off + дроссель On (нержавейка + программное отключение)
- drozd272
- Сообщения: 4813
- Зарегистрирован: 04 апр 2012, 16:03
- Двигатель:: 6В31 бенз 240л.с. 300Н.м прошивка
- Мой автомобиль(и):: МПС 2014
- Откуда: Новосибирск
- Откуда: РФ
- Благодарил (а): 48 раз
- Поблагодарили: 265 раз
Re: блокировка заднего дифференциала
Может мало проехал и он не успел сработать.Как вариант.
Был-ЭЛЬкаёт 2008г.,цветТ-69,Instyle 4AT,M-ASTC TUNING-BOX+168л.с 350Н.м. R18 265/60/18
Был -МПС 2012г ,цвет С-06, Instale S-05 DI-D AT,FGC карта7,литьё R18, ЕТ20 265/60/18
Снова-МПС 2014,цвет С-10,Instyle S-07 AT,бенз 6В31,силовые пороги,прошивка
Был -МПС 2012г ,цвет С-06, Instale S-05 DI-D AT,FGC карта7,литьё R18, ЕТ20 265/60/18
Снова-МПС 2014,цвет С-10,Instyle S-07 AT,бенз 6В31,силовые пороги,прошивка
- Mark69
- Сообщения: 2252
- Зарегистрирован: 17 дек 2009, 18:36
- Двигатель:: 4M41
- Мой автомобиль(и):: PAJERO SPORT NEW 2008г.в.
- Откуда: Екатеринбург
- Благодарил (а): 178 раз
- Поблагодарили: 250 раз
Re: блокировка заднего дифференциала
у меня на скорости БЗД не включается, несколько раз пробовал, движение от 30-5км/ч лампа БЗД моргает, остановился - БЗД включилась
NMPS 2008. 3.2 акпп, MJ 600 Turbo, вебасто, силовые пороги, лето мт км2 265х70х17
зима бридж 7000 285х65х17
зима бридж 7000 285х65х17
- Napic
- Сообщения: 5982
- Зарегистрирован: 29 июл 2010, 06:51
- Двигатель:: дизель 4d56
- Мой автомобиль(и):: НМПСпорт 2010
- Откуда: Сибирь
- Благодарил (а): 423 раза
- Поблагодарили: 1021 раз
Re: блокировка заднего дифференциала
У меня включается, не сразу, но под сброс газа на скорости 40 включаетсяMark69 писал(а):у меня на скорости БЗД не включается, несколько раз пробовал, движение от 30-5км/ч лампа БЗД моргает, остановился - БЗД включилась
Еще раз поехал и заблокировал БДЗ уже на скорости 40 км/ч. Заблокировалось не сразу, а долго мигала, но заблокировалось же.... При скорости 80 км/ч блокировка не снималась....drozd272 писал(а):Может мало проехал и он не успел сработать.Как вариант.
PS. Ощутил все прелести торможения без АБС и курсовой - дорогу не держат колеса вообще.... прямо как я на УАЗике
Вообщем вопрос открыт - что делает датчик скорости для блокировки задка и зачем он нужен???
НМПСпорт 2010 4d56 2500 дизель S05 5AT
лето BridgeStone HT 265/65R17, зима Hakka 5 SUV 265/65R17
Eberspacher Hydronic 5 кВт, доп. вентилятор кондиционера
Egr off + дроссель On (нержавейка + программное отключение)
лето BridgeStone HT 265/65R17, зима Hakka 5 SUV 265/65R17
Eberspacher Hydronic 5 кВт, доп. вентилятор кондиционера
Egr off + дроссель On (нержавейка + программное отключение)
- drozd272
- Сообщения: 4813
- Зарегистрирован: 04 апр 2012, 16:03
- Двигатель:: 6В31 бенз 240л.с. 300Н.м прошивка
- Мой автомобиль(и):: МПС 2014
- Откуда: Новосибирск
- Откуда: РФ
- Благодарил (а): 48 раз
- Поблагодарили: 265 раз
Re: блокировка заднего дифференциала
Может и мне так же попробовать.Тоже лампочка моргает и компрессор работает,я просто до 40 не разгонялся???
Был-ЭЛЬкаёт 2008г.,цветТ-69,Instyle 4AT,M-ASTC TUNING-BOX+168л.с 350Н.м. R18 265/60/18
Был -МПС 2012г ,цвет С-06, Instale S-05 DI-D AT,FGC карта7,литьё R18, ЕТ20 265/60/18
Снова-МПС 2014,цвет С-10,Instyle S-07 AT,бенз 6В31,силовые пороги,прошивка
Был -МПС 2012г ,цвет С-06, Instale S-05 DI-D AT,FGC карта7,литьё R18, ЕТ20 265/60/18
Снова-МПС 2014,цвет С-10,Instyle S-07 AT,бенз 6В31,силовые пороги,прошивка
-
VasilyK
- Сообщения: 2
- Зарегистрирован: 31 янв 2013, 21:43
- Двигатель:: 4В56 Дизель
- Мой автомобиль(и):: Pajero Sport
- Откуда: Мытищи
Re: блокировка заднего дифференциала
Заехал в Рольф ... Установщики Вебасты сдернули разъем с кнопки и забыли одеть на место.nsk-sergey писал(а): Да работает она, рано паникуешь, сам поразбирайся, мануал почитай. У меня тоже не сразу получилось.
- olegro
- Сообщения: 2445
- Зарегистрирован: 15 фев 2011, 06:15
- Двигатель:: 4М41 200лс
- Мой автомобиль(и):: Pajero IV
- Откуда: Красноярск
- Откуда: Красноярск
- Благодарил (а): 158 раз
- Поблагодарили: 290 раз
Re: блокировка заднего дифференциала
Блин, хочешь услышать фразу? Слушай: "Читай инструкцию"!Napic писал(а): Вообщем вопрос открыт - что делает датчик скорости для блокировки задка и зачем он нужен???
Pajero Sport 3.2 4AT Webasto OME - был
Pajero IV 3.2 5AT Webasto, ОМЕ+EFS
Pajero IV 3.2 5AT Webasto, ОМЕ+EFS
- Napic
- Сообщения: 5982
- Зарегистрирован: 29 июл 2010, 06:51
- Двигатель:: дизель 4d56
- Мой автомобиль(и):: НМПСпорт 2010
- Откуда: Сибирь
- Благодарил (а): 423 раза
- Поблагодарили: 1021 раз
Re: блокировка заднего дифференциала
Не, ну правда, пожалуйста объясните мне саму суть, ну туплю я иногда, бывает.olegro писал(а):Блин, хочешь услышать фразу? Слушай: "Читай инструкцию"!Napic писал(а): Вообщем вопрос открыт - что делает датчик скорости для блокировки задка и зачем он нужен???![]()
![]()
Инструкцию вроде читал, там написано, что если не включается БЗД на скорости - то снизить скорость. Но у меня то включается именно на скорости!
Я всегда думал, что если едешь на трассе 100-ку, то БЗД должна сама автоматом отключаться, чтобы не было беды.... зачем она на таких больших скоростях???
НМПСпорт 2010 4d56 2500 дизель S05 5AT
лето BridgeStone HT 265/65R17, зима Hakka 5 SUV 265/65R17
Eberspacher Hydronic 5 кВт, доп. вентилятор кондиционера
Egr off + дроссель On (нержавейка + программное отключение)
лето BridgeStone HT 265/65R17, зима Hakka 5 SUV 265/65R17
Eberspacher Hydronic 5 кВт, доп. вентилятор кондиционера
Egr off + дроссель On (нержавейка + программное отключение)
- olegro
- Сообщения: 2445
- Зарегистрирован: 15 фев 2011, 06:15
- Двигатель:: 4М41 200лс
- Мой автомобиль(и):: Pajero IV
- Откуда: Красноярск
- Откуда: Красноярск
- Благодарил (а): 158 раз
- Поблагодарили: 290 раз
Re: блокировка заднего дифференциала
Не знаю как объяснить - тупо пользуюсь инструкцией:
Примечание. Если индикатор не перестает мигать после нажатия выключателя для включения бзд , следует помнить о следующих ограничениях:
если скорость движения более 12 км/ч , снизьте до 6 км/ч или менее. Индикатор загорится, и БЗД заблокируется.
Предостережение. Включение БЗД разрешается только после остановки колес автомобиля
Пользуюсь Предостережением
Примечание. Если индикатор не перестает мигать после нажатия выключателя для включения бзд , следует помнить о следующих ограничениях:
если скорость движения более 12 км/ч , снизьте до 6 км/ч или менее. Индикатор загорится, и БЗД заблокируется.
Предостережение. Включение БЗД разрешается только после остановки колес автомобиля
Пользуюсь Предостережением
Pajero Sport 3.2 4AT Webasto OME - был
Pajero IV 3.2 5AT Webasto, ОМЕ+EFS
Pajero IV 3.2 5AT Webasto, ОМЕ+EFS
- Napic
- Сообщения: 5982
- Зарегистрирован: 29 июл 2010, 06:51
- Двигатель:: дизель 4d56
- Мой автомобиль(и):: НМПСпорт 2010
- Откуда: Сибирь
- Благодарил (а): 423 раза
- Поблагодарили: 1021 раз
Re: блокировка заднего дифференциала
Т.е. разрешается компьютером? Значит у меня оборванный провод от датчика скорости?olegro писал(а):Не знаю как объяснить - тупо пользуюсь инструкцией:
Примечание. Если индикатор не перестает мигать после нажатия выключателя для включения бзд , следует помнить о следующих ограничениях:
если скорость движения более 12 км/ч , снизьте до 6 км/ч или менее. Индикатор загорится, и БЗД заблокируется.
Предостережение. Включение БЗД разрешается только после остановки колес автомобиля
Пользуюсь Предостережением
Я тоже думаю, что если машина движется, то нехрен БЗД включать.... поеду к ОД и предъявлю ему проблему - то что можно нечаянно включить на скорости БЗД и она включится!!!
НМПСпорт 2010 4d56 2500 дизель S05 5AT
лето BridgeStone HT 265/65R17, зима Hakka 5 SUV 265/65R17
Eberspacher Hydronic 5 кВт, доп. вентилятор кондиционера
Egr off + дроссель On (нержавейка + программное отключение)
лето BridgeStone HT 265/65R17, зима Hakka 5 SUV 265/65R17
Eberspacher Hydronic 5 кВт, доп. вентилятор кондиционера
Egr off + дроссель On (нержавейка + программное отключение)
- olegro
- Сообщения: 2445
- Зарегистрирован: 15 фев 2011, 06:15
- Двигатель:: 4М41 200лс
- Мой автомобиль(и):: Pajero IV
- Откуда: Красноярск
- Откуда: Красноярск
- Благодарил (а): 158 раз
- Поблагодарили: 290 раз
Re: блокировка заднего дифференциала
Как я понимаю из инструкции включать кнопку надо на стоящем авто, а потом можно потихоньку двигаться ожидая пока заблокируется. Как раз в этом моменте и существует ограничение скорости.
Сам обычно стараюсь все это проделать на месте, если сразу не блокируется, то переключаю коробку вперед-назад и подаю машину на несколько см туда-сюда.
Сам обычно стараюсь все это проделать на месте, если сразу не блокируется, то переключаю коробку вперед-назад и подаю машину на несколько см туда-сюда.
Pajero Sport 3.2 4AT Webasto OME - был
Pajero IV 3.2 5AT Webasto, ОМЕ+EFS
Pajero IV 3.2 5AT Webasto, ОМЕ+EFS
- Napic
- Сообщения: 5982
- Зарегистрирован: 29 июл 2010, 06:51
- Двигатель:: дизель 4d56
- Мой автомобиль(и):: НМПСпорт 2010
- Откуда: Сибирь
- Благодарил (а): 423 раза
- Поблагодарили: 1021 раз
Re: блокировка заднего дифференциала
Завел машину, поехал, заблокировал межосевой, набрал скорость 40, нажал кнопку бзд, бзд замигала, остановился на светофоре, все еще мигает, разогнался до 40, на этой скорости бзд загорелась в постоянку, увеличил скорость до 80, она все горит в постоянку. Отключил от греха подальше. И она отключалась на 80-ти. Нет конечно я так обычно не делаю, но вопросы остались…olegro писал(а):Как я понимаю из инструкции включать кнопку надо на стоящем авто, а потом можно потихоньку двигаться ожидая пока заблокируется. Как раз в этом моменте и существует ограничение скорости.
Сам обычно стараюсь все это проделать на месте, если сразу не блокируется, то переключаю коробку вперед-назад и подаю машину на несколько см туда-сюда.
В каком месте моей последовательности действий вмешивался компьютер по скорости???
НМПСпорт 2010 4d56 2500 дизель S05 5AT
лето BridgeStone HT 265/65R17, зима Hakka 5 SUV 265/65R17
Eberspacher Hydronic 5 кВт, доп. вентилятор кондиционера
Egr off + дроссель On (нержавейка + программное отключение)
лето BridgeStone HT 265/65R17, зима Hakka 5 SUV 265/65R17
Eberspacher Hydronic 5 кВт, доп. вентилятор кондиционера
Egr off + дроссель On (нержавейка + программное отключение)
