Домино Трофи 2026 - 25 Апреля - Обсудить и спросить тут.
Принудительное повышение оборотов ХХ двигателя НМПС 3.2 МКПП
Модераторы: SNOOPER, Alex_SH, Nbf, BAlex, drcham, SoundSpeed
Правила форума
Дорогие друзья!
Пожалуйста, при создании и поиске сообщений не забывайте пользоваться гиперссылками на тематические разделы, расположенными на главной странице раздела "Новый Pajero Sport"
Дорогие друзья!
Пожалуйста, при создании и поиске сообщений не забывайте пользоваться гиперссылками на тематические разделы, расположенными на главной странице раздела "Новый Pajero Sport"
- drozd272
- Сообщения: 4813
- Зарегистрирован: 04 апр 2012, 16:03
- Двигатель:: 6В31 бенз 240л.с. 300Н.м прошивка
- Мой автомобиль(и):: МПС 2014
- Откуда: Новосибирск
- Откуда: РФ
- Благодарил (а): 48 раз
- Поблагодарили: 265 раз
Re: Принудительное повышение оборотов ХХ двигателя НМПС 3.2
drcham Тот же WAECO вполне себе продукт. Понятно, что китай, но хотя бы с именем.
Чем не имя Производитель:
IPOWER http://ru.aliexpress.com/item/1-5KW-150 ... 56380.html или ТВЕ http://ru.aliexpress.com/item/1-5KW-150 ... 56380.html ,да их куча,есть ещё ОМЕ ..
Чем не имя Производитель:
IPOWER http://ru.aliexpress.com/item/1-5KW-150 ... 56380.html или ТВЕ http://ru.aliexpress.com/item/1-5KW-150 ... 56380.html ,да их куча,есть ещё ОМЕ ..
Был-ЭЛЬкаёт 2008г.,цветТ-69,Instyle 4AT,M-ASTC TUNING-BOX+168л.с 350Н.м. R18 265/60/18
Был -МПС 2012г ,цвет С-06, Instale S-05 DI-D AT,FGC карта7,литьё R18, ЕТ20 265/60/18
Снова-МПС 2014,цвет С-10,Instyle S-07 AT,бенз 6В31,силовые пороги,прошивка
Был -МПС 2012г ,цвет С-06, Instale S-05 DI-D AT,FGC карта7,литьё R18, ЕТ20 265/60/18
Снова-МПС 2014,цвет С-10,Instyle S-07 AT,бенз 6В31,силовые пороги,прошивка
- MAVR64
- Сообщения: 2881
- Зарегистрирован: 28 авг 2010, 20:51
- Двигатель:: Дизель
- Мой автомобиль(и):: Pajero
- Откуда: Саратов
- Благодарил (а): 134 раза
- Поблагодарили: 146 раз
Re: Принудительное повышение оборотов ХХ двигателя НМПС 3.2
Napic, привет!!!olegro писал(а):Спасибо за приветNapic писал(а):Итак, что-то не могу найти на спорте 3.2 этот заветный проводок, который отвечает за повышение оборотов при работе электрофенов.
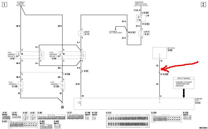
На Л200 нашел такой проводок, на П4 3.2 (привет MAVR64 и olegro) есть такой провод, у меня на спорте 2.5 есть, на 3.2 спорте - нет по схеме.
![]()
![]()
Я вот тоже не нашел схему с проводком, но когда в свое время решил установить тумблер отключения ТЭНов, то дал электрику твою схемку с заветным проводком и все получилось без вопросов.
На П4 тоже так сделаю
А в НМПС 3.2 ТЭНы ставились вообще? А если нет Тэнов, нет управления их включением от блока климата и нет провода по которому идет управление. Обороты могут повышаться летом для обеспечения работы кондиционера, зимой для ускорения прогрева движка. В обоих случаях заветный проводок не предусмотрен конструкцией т.к. управление идет только от ЭБУ двигателя.
PAJERO SHOGUN 2014my 3200 200hp A/T БК, регистратор, антирадар, Защита=композит+алюминий
Yokohama Geolandar A/T G012 size 265/60 R18
Yokohama Geolandar A/T G012 size 265/60 R18
-
DenisR
- Сообщения: 3010
- Зарегистрирован: 12 окт 2009, 16:46
- Двигатель:: 4M41
- Мой автомобиль(и):: Pajero Sport New
- Откуда: Москва. Сев.Тушино
- Откуда: Москва. Сев.Тушино
- Благодарил (а): 17 раз
- Поблагодарили: 186 раз
Re: Принудительное повышение оборотов ХХ двигателя НМПС 3.2
наа 3,2 есть тены
3.2 АКПП, лето Maxxis razr at 285\75\R16, зима nokian lt2 285\75\R16. Силовые пороги. T-MAX11000 . MJ 600 Turbo+Lemm TURBO 2001
-
Sly-BiBi
- Сообщения: 77
- Зарегистрирован: 12 авг 2012, 21:36
- Двигатель:: 4M41
- Мой автомобиль(и):: NMPS 3.2 (2008) 5MT "брат-синяк"
- Откуда: Москва
- Благодарил (а): 1 раз
Re: Принудительное повышение оборотов ХХ двигателя НМПС 3.2
Еще как ставились! У меня в данный момент два НМРСа 3.2 МКПП с Климатом (один мой, другой служебный) - на обоих электрогрелки есть!MAVR64 писал(а):А в НМПС 3.2 ТЭНы ставились вообще? А если нет Тэнов, нет управления их включением от блока климата и нет провода по которому идет управление. Обороты могут повышаться летом для обеспечения работы кондиционера, зимой для ускорения прогрева движка. В обоих случаях заветный проводок не предусмотрен конструкцией т.к. управление идет только от ЭБУ двигателя.
NMPS 3.2 (2008) 5MT "брат-синяк"; Бодик 4см; Силовики+пороги (МШУ); Webasto; Инвертор 2кВт; Hella IBScontrol; Пневма 8л 13атм; Доп.свет: перед LED 40Вт, зад LED 30Вт; Тапки: лето Yoko G012 275/60R18, зима Hakka 5 SUV 275/60R18
- olegro
- Сообщения: 2445
- Зарегистрирован: 15 фев 2011, 06:15
- Двигатель:: 4М41 200лс
- Мой автомобиль(и):: Pajero IV
- Откуда: Красноярск
- Откуда: Красноярск
- Благодарил (а): 158 раз
- Поблагодарили: 290 раз
Re: Принудительное повышение оборотов ХХ двигателя НМПС 3.2
Вот этот штоле?Napic писал(а):... на П4 3.2 есть такой провод...
Pajero Sport 3.2 4AT Webasto OME - был
Pajero IV 3.2 5AT Webasto, ОМЕ+EFS
Pajero IV 3.2 5AT Webasto, ОМЕ+EFS
- Napic
- Сообщения: 5982
- Зарегистрирован: 29 июл 2010, 06:51
- Двигатель:: дизель 4d56
- Мой автомобиль(и):: НМПСпорт 2010
- Откуда: Сибирь
- Благодарил (а): 423 раза
- Поблагодарили: 1021 раз
Re: Принудительное повышение оборотов ХХ двигателя НМПС 3.2
Да, это онolegro писал(а):Вот этот штоле?Napic писал(а):... на П4 3.2 есть такой провод...
НМПСпорт 2010 4d56 2500 дизель S05 5AT
лето BridgeStone HT 265/65R17, зима Hakka 5 SUV 265/65R17
Eberspacher Hydronic 5 кВт, доп. вентилятор кондиционера
Egr off + дроссель On (нержавейка + программное отключение)
лето BridgeStone HT 265/65R17, зима Hakka 5 SUV 265/65R17
Eberspacher Hydronic 5 кВт, доп. вентилятор кондиционера
Egr off + дроссель On (нержавейка + программное отключение)
- Napic
- Сообщения: 5982
- Зарегистрирован: 29 июл 2010, 06:51
- Двигатель:: дизель 4d56
- Мой автомобиль(и):: НМПСпорт 2010
- Откуда: Сибирь
- Благодарил (а): 423 раза
- Поблагодарили: 1021 раз
Re: Принудительное повышение оборотов ХХ двигателя НМПС 3.2
Лучше поставить кнопку. Надо включил, не нужно - выключил. У меня именно так и очень удобно. Это типа кнопки heater в прадо.
НМПСпорт 2010 4d56 2500 дизель S05 5AT
лето BridgeStone HT 265/65R17, зима Hakka 5 SUV 265/65R17
Eberspacher Hydronic 5 кВт, доп. вентилятор кондиционера
Egr off + дроссель On (нержавейка + программное отключение)
лето BridgeStone HT 265/65R17, зима Hakka 5 SUV 265/65R17
Eberspacher Hydronic 5 кВт, доп. вентилятор кондиционера
Egr off + дроссель On (нержавейка + программное отключение)
-
DenisR
- Сообщения: 3010
- Зарегистрирован: 12 окт 2009, 16:46
- Двигатель:: 4M41
- Мой автомобиль(и):: Pajero Sport New
- Откуда: Москва. Сев.Тушино
- Откуда: Москва. Сев.Тушино
- Благодарил (а): 17 раз
- Поблагодарили: 186 раз
Re: Принудительное повышение оборотов ХХ двигателя НМПС 3.2
можно штатную от l200 поставить, ставилась до 2010 годаNapic писал(а):Лучше поставить кнопку. Надо включил, не нужно - выключил. У меня именно так и очень удобно. Это типа кнопки heater в прадо.

3.2 АКПП, лето Maxxis razr at 285\75\R16, зима nokian lt2 285\75\R16. Силовые пороги. T-MAX11000 . MJ 600 Turbo+Lemm TURBO 2001
-
Sly-BiBi
- Сообщения: 77
- Зарегистрирован: 12 авг 2012, 21:36
- Двигатель:: 4M41
- Мой автомобиль(и):: NMPS 3.2 (2008) 5MT "брат-синяк"
- Откуда: Москва
- Благодарил (а): 1 раз
Re: Принудительное повышение оборотов ХХ двигателя НМПС 3.2
Эт-точно [(c) тов.Сухов].Napic писал(а):Лучше поставить кнопку. Надо включил, не нужно - выключил. У меня именно так и очень удобно. Это типа кнопки heater в прадо.
Я у себя сейчас так и делаю - одна клавиша-качелька на 3 положения:
- Нормальные обороты ХХ, Heaters ALWAYS OFF
- Штатный (стоковый) режим
- Повышенные обороты ХХ, Heaters ALWAYS OFF (для работы Инвертора 2кВт)
Вот как-то так ...
NMPS 3.2 (2008) 5MT "брат-синяк"; Бодик 4см; Силовики+пороги (МШУ); Webasto; Инвертор 2кВт; Hella IBScontrol; Пневма 8л 13атм; Доп.свет: перед LED 40Вт, зад LED 30Вт; Тапки: лето Yoko G012 275/60R18, зима Hakka 5 SUV 275/60R18
-
АлександрК
- Сообщения: 2827
- Зарегистрирован: 05 июн 2013, 13:37
- Двигатель:: 4D56, 6G72, 4N15
- Мой автомобиль(и):: Pajero Sport New 2.5 МКП, Pajero Sport New 2.5 АКПП, Pajero Sport III АКПП, Pajero 4 3.0 АКПП
- Откуда: Россия
- Благодарил (а): 175 раз
- Поблагодарили: 136 раз
Re: Принудительное повышение оборотов ХХ двигателя НМПС 3.2
Пробка не считается - речь именно о тарахтении на ХХ. Когда увидед синее облако крывшее от меня весь поток авто следующих за мной - думал что хана двигателю без сомнений!бывает после часа или несколких часов именно тарахтения на холостых - когда спишь в авто или я ещё салон сушил...Sly-BiBi писал(а):Вообще то, пробовал. Прошлой зимой как раз в пробке на МКАДе 5 часов простоял. Обороты были несколько больше ХХ, т.к. Вебасты у меня тогда еще не было, и ТЭНы включались постоянно. И ничего, когда поехал - никакой дымовой завесы сзади не было.olegro писал(а):Sly-BiBi, ты когда-нибудь пробовал тарахтеть часов несколько на повышенных об. ХХ?
Если нет, то не удивляйся когда после этого поедешь и увидишь за собой плотную дымовую завесу из выхлопной, особенно под нагрузкой. Через пару минут все это пройдет
А что, по твоему, должно в таком случае происходить? Сажевый фильтр подзабивается?
С уважением, Александр.
- drozd272
- Сообщения: 4813
- Зарегистрирован: 04 апр 2012, 16:03
- Двигатель:: 6В31 бенз 240л.с. 300Н.м прошивка
- Мой автомобиль(и):: МПС 2014
- Откуда: Новосибирск
- Откуда: РФ
- Благодарил (а): 48 раз
- Поблагодарили: 265 раз
Re: Принудительное повышение оборотов ХХ двигателя НМПС 3.2
Да ладно уже про тарахтение,на Северах они по 4-5 месяцев вообще не глушатся Эльки и МПСы,а пробеги за 300т.км
Был-ЭЛЬкаёт 2008г.,цветТ-69,Instyle 4AT,M-ASTC TUNING-BOX+168л.с 350Н.м. R18 265/60/18
Был -МПС 2012г ,цвет С-06, Instale S-05 DI-D AT,FGC карта7,литьё R18, ЕТ20 265/60/18
Снова-МПС 2014,цвет С-10,Instyle S-07 AT,бенз 6В31,силовые пороги,прошивка
Был -МПС 2012г ,цвет С-06, Instale S-05 DI-D AT,FGC карта7,литьё R18, ЕТ20 265/60/18
Снова-МПС 2014,цвет С-10,Instyle S-07 AT,бенз 6В31,силовые пороги,прошивка
