TRT - Вдоль р.Киржач. Для стандартных 4х4 (08.11.25) Форум Обсуждение FAQ
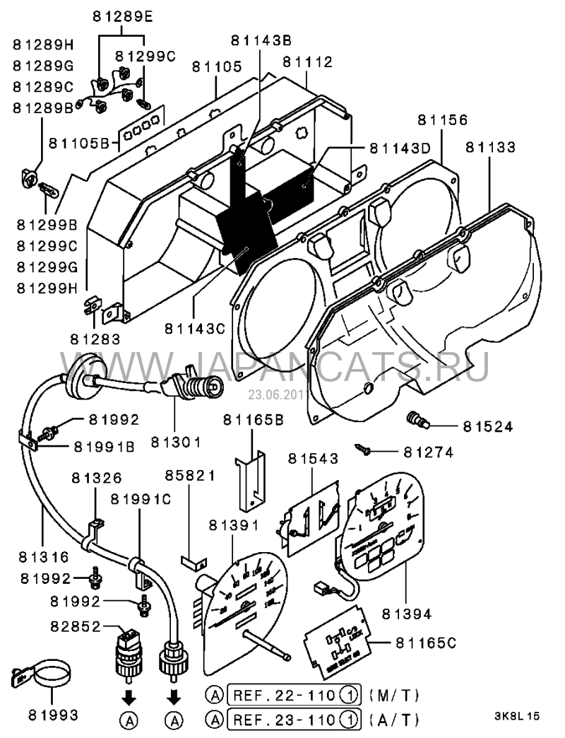
ТАХОМЕТР
Модераторы: SNOOPER, Nbf, Romik, BAlex
- Serj83
- Сообщения: 191
- Зарегистрирован: 06 мар 2011, 09:44
- Двигатель:: 4D56T и 4М40
- Мой автомобиль(и):: Прожорики w44 93г и w26 95г
- Благодарил (а): 3 раза
- Поблагодарили: 3 раза
- Контактная информация:
Re: ТАХОМЕТР
после преодоления каменистой горки перестал показывать тахометр, было такое как то раз, но причину нашел сразу, слетела фишка на тнвд, сейчас думал что снова фишка слетела, но куй - фишка на месте, а тах не работает 
Re: ТАХОМЕТР
Вот это очень ценная инфа!Олег.... писал(а):Чего-то все молчат.
Раскажу я свою историю как чинил тахометр, может кто проникнется и подскажет как его настроить.
......
Я тоже все пропаял, проверил, нифига не помогло...
То есть для проверки сумматора в коммутаторе нужно соединить 5ый и любой из первых 3ёх контактов коммутатора, и если при этом тахометр хоть какую-то фигню покажет, значит сам тахометр живой, и проблема в коммутаторе?
Pajero II, 3.5 (6G74 MPI DOHC), АКПП, 1996 г.в., 5 дв., 4 см. бодик, Monomax+Rancho, BFG 285/75R16, Хоботок
УАЗко 31514 1997 г.в., Fedima Sirocco 285/75R16, Хоботок, Вояки, РИФ
УАЗко 31514 1997 г.в., Fedima Sirocco 285/75R16, Хоботок, Вояки, РИФ
-
Олег....
- Сообщения: 1711
- Зарегистрирован: 21 май 2010, 15:43
- Двигатель:: 6G72
- Мой автомобиль(и):: Montero Sport
- Откуда: Таганрог
- Благодарил (а): 69 раз
- Поблагодарили: 86 раз
- Контактная информация:
Re: ТАХОМЕТР
Очень грубо говоря да. Но я сильно рекомендую сначала отсоединить 5-й контакт от самого сумматора и 31-й от ECU, чтобы ничего не сгорело. Тахометр при этом должен показывать в 3 раза меньше обычного.wildrabit писал(а):То есть для проверки сумматора в коммутаторе нужно соединить 5ый и любой из первых 3ёх контактов коммутатора, и если при этом тахометр хоть какую-то фигню покажет, значит сам тахометр живой, и проблема в коммутаторе?
IMHO проще найти осцилограф и проверить сигнал на сервисном разъеме тахометра (А66) или аккуратно проткнув провод иглой воткнуть его на 5-й контакт коммутатора зажигания.
Montero Sport 2003 6G72. 32е ATэшечки, хобот, радейка. Спальник.
ПРОДАН Montero'94 6G74 АККП Длинный, 31-е мудричи, хобот и крепкий бампер. Рации всякие.
ПРОДАН Montero'94 6G74 АККП Длинный, 31-е мудричи, хобот и крепкий бампер. Рации всякие.
-
Альпинист
- Сообщения: 37
- Зарегистрирован: 05 мар 2011, 20:47
- Двигатель:: 4м40 дизель
- Мой автомобиль(и):: Митсубиси паджеро
- Откуда: Казахстан,г.Усть-Каменогорск
Re: ТАХОМЕТР
Привет всем паджероводам, тоже поделюсь своей историей про тахометр! как купил машинку так в принципе и была проблема, тахометр то работал то падал на 0, ну а так как временем особо не располагаю крутясь в торговле, так и затянул эту проблемку , вообщем долго искал нормального электрика, 2-е пытались сделать, не получилось, и вот по рекомендациям вышел на одного вроде шарющего электрика, ну и тут началось чудо которое длилось 10 мин и всё тахометр, поставил всё назад и чудо всё пашет уже где то месяц, просто пропаял все контакты, почистил. Потом только понял что зря отдал деньги, всё это можно сделать самому, главное увеличительное стекло и тоненький паяльник.я кстати тут видел где то фото, про зелёненький резистор или транзистор на котором трещина, так вот электрик сказал что из за него не может борохлить тахо.
-
Roman_gran
- Сообщения: 24
- Зарегистрирован: 19 май 2011, 23:09
- Двигатель:: 4D56
- Мой автомобиль(и):: Pajero II 1993
- Откуда: Воронеж
- Поблагодарили: 2 раза
- Контактная информация:
Re: ТАХОМЕТР
Ребят тоже проблема с тахометром, но он точно живой ставил приборку к отцу в пажерика, показывает отлично. Никак не могу найти в экзисте датчик оборотов, помогите кто может очень надо. Проводку проверил живая точно.
- Ариф
- Сообщения: 164
- Зарегистрирован: 15 ноя 2008, 19:00
- Двигатель:: 6G74 3.5л. 208л/с
- Мой автомобиль(и):: MONTERO(MMNA) (V43,45W) 3500/LONG WAGON Комплектация [GRXML7M ] S
- Откуда: Казань
- Благодарил (а): 1 раз
- Поблагодарили: 2 раза
Re: ТАХОМЕТР
Roman_gran писал(а):Ребят тоже проблема с тахометром, но он точно живой ставил приборку к отцу в пажерика, показывает отлично. Никак не могу найти в экзисте датчик оборотов, помогите кто может очень надо. Проводку проверил живая точно.
Привет! С этой проблемой сталкивался, сперва прибили на датчик тахометра, купил новый, проблема осталась, сам разобрал и выташил из коробки там оказался зубьев у шестерни то нету, купил за 500р. шестерню-пластмасовую, поставил проблема осталась, взял припоял всю тахо и после этого заработал, уже два года все ок.
Если поможет выкладываю фото.
С уваженим Ариф.
Модель [30E] MONTERO(MMNA) (V43,45W)
Модификация [V45W ] 3500/LONG WAGON
Комплектация [GRXML7M ] SR(WIDE),4FA/T CAL
Период выпуска 10/1991 - 12/1999
Дата выпуска 03/1995
Регион США
Модель [30E] MONTERO(MMNA) (V43,45W)
Модификация [V45W ] 3500/LONG WAGON
Комплектация [GRXML7M ] SR(WIDE),4FA/T CAL
Период выпуска 10/1991 - 12/1999
Дата выпуска 03/1995
Регион США
-
Roman_gran
- Сообщения: 24
- Зарегистрирован: 19 май 2011, 23:09
- Двигатель:: 4D56
- Мой автомобиль(и):: Pajero II 1993
- Откуда: Воронеж
- Поблагодарили: 2 раза
- Контактная информация:
Re: ТАХОМЕТР
Спасибо конечно, но приборка живая 100% ставил отцу в пажерика тахо работает безупречно. Выкрутил этот злосчастный датчик частоты оборотов, померял сопротивление 1,6 кОм, у отца так же 1,599 кОм - но не суть важно по книжке рабочий датчик должен быть от 1,3 до 1,9 кОм. Теперь думаю так - может быть в ТНВД чего то нету, что он не видит часла оборотов (хотя сам знаю что глупости), или же на тахометр не приходит + так как уверен, что 2 контактов с датчика числа оборотов не достаточно что бы дергать стрелку, щас буду искать схему.
- Ариф
- Сообщения: 164
- Зарегистрирован: 15 ноя 2008, 19:00
- Двигатель:: 6G74 3.5л. 208л/с
- Мой автомобиль(и):: MONTERO(MMNA) (V43,45W) 3500/LONG WAGON Комплектация [GRXML7M ] S
- Откуда: Казань
- Благодарил (а): 1 раз
- Поблагодарили: 2 раза
Re: ТАХОМЕТР
У меня то бензиновый двиган, а в дизелях я не знаю.
С уваженим Ариф.
Модель [30E] MONTERO(MMNA) (V43,45W)
Модификация [V45W ] 3500/LONG WAGON
Комплектация [GRXML7M ] SR(WIDE),4FA/T CAL
Период выпуска 10/1991 - 12/1999
Дата выпуска 03/1995
Регион США
Модель [30E] MONTERO(MMNA) (V43,45W)
Модификация [V45W ] 3500/LONG WAGON
Комплектация [GRXML7M ] SR(WIDE),4FA/T CAL
Период выпуска 10/1991 - 12/1999
Дата выпуска 03/1995
Регион США
-
Roman_gran
- Сообщения: 24
- Зарегистрирован: 19 май 2011, 23:09
- Двигатель:: 4D56
- Мой автомобиль(и):: Pajero II 1993
- Откуда: Воронеж
- Поблагодарили: 2 раза
- Контактная информация:
Re: ТАХОМЕТР
И так битва за тахометр продолжается. Что сделано:
1) Проверена на другом пыжЫке панель (работает)
2) Проведен новый провод, от датчика к панели.
3) Замерено сопротивление на датчике (1,6 кОм номинал рабочего)
4) Изучена и нарисована схема подключения (но не совсем понята)

по схеме тахометр подключен именно таким образом, но я не пойму неужели импульсами одними стрелку то воротит это чудо? Что то мне в глубине души подсказывает это не правильно. Ребят ну помогите кто знает, целый день убил на тахометр.
1) Проверена на другом пыжЫке панель (работает)
2) Проведен новый провод, от датчика к панели.
3) Замерено сопротивление на датчике (1,6 кОм номинал рабочего)
4) Изучена и нарисована схема подключения (но не совсем понята)

по схеме тахометр подключен именно таким образом, но я не пойму неужели импульсами одними стрелку то воротит это чудо? Что то мне в глубине души подсказывает это не правильно. Ребят ну помогите кто знает, целый день убил на тахометр.
Re: ТАХОМЕТР
Перестал работать тахометр. Включаю зажигание - стрелка медленно ползет до 900 об, на этом всё. Завожу. Те же 900 об. Плохой контакт где то или что? Получается, питание подается на тахометр на незаведенном двигателе.
Уже пропаивал схему, но результата нет. Да и видимых трещин пайки я не нашел
Уже пропаивал схему, но результата нет. Да и видимых трещин пайки я не нашел
Pajero 2.8 TD 4M40 1994
- Ариф
- Сообщения: 164
- Зарегистрирован: 15 ноя 2008, 19:00
- Двигатель:: 6G74 3.5л. 208л/с
- Мой автомобиль(и):: MONTERO(MMNA) (V43,45W) 3500/LONG WAGON Комплектация [GRXML7M ] S
- Откуда: Казань
- Благодарил (а): 1 раз
- Поблагодарили: 2 раза
Re: ТАХОМЕТР
Привет! Выше не однократно было написано, посмотрите внимательно пайку на плате тахо через увеличяительное стекло. Я три раза поял, каждый раз находил новые разрывы в пайке, лучше препоять сразу все места пайки.
С уваженим Ариф.
Модель [30E] MONTERO(MMNA) (V43,45W)
Модификация [V45W ] 3500/LONG WAGON
Комплектация [GRXML7M ] SR(WIDE),4FA/T CAL
Период выпуска 10/1991 - 12/1999
Дата выпуска 03/1995
Регион США
Модель [30E] MONTERO(MMNA) (V43,45W)
Модификация [V45W ] 3500/LONG WAGON
Комплектация [GRXML7M ] SR(WIDE),4FA/T CAL
Период выпуска 10/1991 - 12/1999
Дата выпуска 03/1995
Регион США
Re: ТАХОМЕТР
интересная вещь... Сначала тахометр то работал, то нет. Потом вообще перестал работать. Я его снял, пропаял (только самые крупные пайки, у меня дубовый паяльник), поставил на место. Заработал. Но через 10 секунд счастье закончилось. Ехал полчаса, он не работал. Зато потом снова заработал.. Всё таки смотреть еще раз пайку? или может вообще с генератором чтото?
Pajero 2.8 TD 4M40 1994
- Ариф
- Сообщения: 164
- Зарегистрирован: 15 ноя 2008, 19:00
- Двигатель:: 6G74 3.5л. 208л/с
- Мой автомобиль(и):: MONTERO(MMNA) (V43,45W) 3500/LONG WAGON Комплектация [GRXML7M ] S
- Откуда: Казань
- Благодарил (а): 1 раз
- Поблагодарили: 2 раза
Re: ТАХОМЕТР
Внимательно посмотри все точки пайки, черт там где то кроется.
С уваженим Ариф.
Модель [30E] MONTERO(MMNA) (V43,45W)
Модификация [V45W ] 3500/LONG WAGON
Комплектация [GRXML7M ] SR(WIDE),4FA/T CAL
Период выпуска 10/1991 - 12/1999
Дата выпуска 03/1995
Регион США
Модель [30E] MONTERO(MMNA) (V43,45W)
Модификация [V45W ] 3500/LONG WAGON
Комплектация [GRXML7M ] SR(WIDE),4FA/T CAL
Период выпуска 10/1991 - 12/1999
Дата выпуска 03/1995
Регион США
- витал71
- Сообщения: 5784
- Зарегистрирован: 05 мар 2009, 11:10
- Двигатель:: 6G74
- Мой автомобиль(и):: Паджеро-2
- Откуда: Нижний Новгород
- Откуда: Н.Новгород 52
- Благодарил (а): 14 раз
- Поблагодарили: 31 раз
Re: ТАХОМЕТР
заработало
третья пропайка специалистом дала результат..работает,два раза пропаивал в гараже не помогло.
третья пропайка специалистом дала результат..работает,два раза пропаивал в гараже не помогло.
- Daddy
- Сообщения: 8412
- Зарегистрирован: 05 окт 2011, 08:51
- Двигатель:: 4G64
- Мой автомобиль(и):: Pajero II ака [Hulk]
- Откуда: Челябинская область
- Откуда: Форштадт-Верхнеуральск-Магнитогорск
- Благодарил (а): 46 раз
- Поблагодарили: 64 раза
- Контактная информация:
Re: ТАХОМЕТР
Аналогично! Снял приборку и отвез знакомому электрику. Тот нашел трещину на схеме и пропаял. Отдал электрику 50 руб. (и то не хотел брать). Тахометр ожил!
- Stepan
- Сообщения: 44
- Зарегистрирован: 25 мар 2012, 22:19
- Двигатель:: 4D56
- Мой автомобиль(и):: Поджеро-1
- Откуда: Москва
Re: ТАХОМЕТР
Все трут за приборку,а кто то может дать банально схемотичьное описание цепи от ТНВД до приборки,как все идет на прямую или через блок какой,может камутатор,машину брал вообще без дизеля!!!
Мы поедем дорогой цветов.(Хана на мити)
-
russian
- Сообщения: 428
- Зарегистрирован: 11 июл 2010, 22:31
- Двигатель:: 4D56
- Мой автомобиль(и):: Pajero II
- Откуда: Москва
- Благодарил (а): 4 раза
- Поблагодарили: 4 раза
- Контактная информация:
Re: ТАХОМЕТР
обрывается пайка в районе "больших" керамических кондеров, размер примерно 2-3 на 4-5 мм, прям у места пропайки их к плате. видно и невооруженным взглядом: как будто волосок с мудей лежит на гладком припое. пропаиваешь - все пропадает, прибор работает изумительно. рекомендую пропаивать все сразу. флюс лучше жидкий, канифоль (если много) обсирает места пропайки. тыкать мелким паяльником. заземляться не надо, ничего не сожжете. микросхемку тоже лучше пропаять ,но не более секунды у каждой ножки паяльник держать! перегреете!
pajero II, 4D56TD 5дв 1997г.в.
pajero II, 4D56TD 3дв 1993г.в.
pajero II, 4D56TD 3дв 1993г.в.
- NICOLES
- Сообщения: 12
- Зарегистрирован: 08 июн 2012, 07:22
- Двигатель:: 6G74 GDI
- Мой автомобиль(и):: Mitsubishi Pajero
- Откуда: Кыргызстан
- Благодарил (а): 2 раза
Re: ТАХОМЕТР
Та же проблема была с тахометром, но сначала я здесь на форуме вычитал что неисправный коммутатор может быть виной проблемы, (я и не знал зачем вообще нужен был этот коммутатор, до меня было подключено на прямую в обход коммутатора), заменил коммутатор и тахометр ожил но не сразу и не на долго, дальше по вычитанному из этой темы (огромное спасибо вам форумчане, иначе наверное приборку покупал бы) разобрал приборку, под лупой обнаружил микротрещину на месте пайки черного резистора , пропаял и теперь доволен (на всякий случай пропаял и зеленый резистор
).
Был Паджеро II (правый руль) 1997 г.в. рестайл, 3,5 GDI.
Был Паджеро III (правый руль) 2004 г.в. 3,5 GDI.
Сейчас Паджеро III (коротыш) (правый руль) 2000 г.в. 3,5 GDI. + сейчас БМВ Х5 :)))
Был Паджеро III (правый руль) 2004 г.в. 3,5 GDI.
Сейчас Паджеро III (коротыш) (правый руль) 2000 г.в. 3,5 GDI. + сейчас БМВ Х5 :)))
-
TurboKot
- Сообщения: 208
- Зарегистрирован: 10 май 2012, 10:16
- Двигатель:: 4М40
- Мой автомобиль(и):: Mitsubishi Pajero 2
- Откуда: Столица Нашей Родины !
- Благодарил (а): 1 раз
- Поблагодарили: 2 раза
Re: ТАХОМЕТР
Парни ! помогите пожаллста !
Нужна приборка с П2 1995 год, дизель, с работающем тахометром.
Свою пропаял, заменил датчик на ТНВД, прозвонил приборку, прозвонил проводку к датчику, от датчика до приборки, импульсы, все работает ! нужна приборка подкинуть, проверить !!! сам сниму, поставлю !!!
Заранее спаибо !
пивандрий с меня )))
Нужна приборка с П2 1995 год, дизель, с работающем тахометром.
Свою пропаял, заменил датчик на ТНВД, прозвонил приборку, прозвонил проводку к датчику, от датчика до приборки, импульсы, все работает ! нужна приборка подкинуть, проверить !!! сам сниму, поставлю !!!
Заранее спаибо !
пивандрий с меня )))
П2. Бодик +7, подвеска +4, Cuper S/T "33", броня вкруг, CB, свет вкруг.
Эвакуация ....
С уважением, Сергей. 8-968-851-22-девять два.
У настоящих гонщиков, мухи разбиваются об боковые стекла !!!
Эвакуация ....
С уважением, Сергей. 8-968-851-22-девять два.
У настоящих гонщиков, мухи разбиваются об боковые стекла !!!
-
-=Alexey=-
- Сообщения: 8
- Зарегистрирован: 01 июл 2012, 08:30
- Двигатель:: 4M40 EFI
- Мой автомобиль(и):: Pajero II V46WG 99г.
- Откуда: Владивосток
Re: ТАХОМЕТР
Привет всем! Привиреает тахометр, на 100-150 оборотов завышает показания. Это особенно напрягало на холостом ходу, так как думал уже лезть регулировать обороты. А после подключения к компьютеру выяснилось, что обороты холостого хода в норме ровно 750, а тахометр врёт 
Может кто подскажет как это вылечить?
Может кто подскажет как это вылечить?

