TRT "107-108" Для стандарта и не только! (4.04.2026) Форум Обсуждение FAQ
Тормозные Поршни из нержавейки
Модераторы: RED HANTER, valera_star, Verner
Правила форума
При продаже необходимо ОБЯЗАТЕЛЬНО указывать стоимость товара и контактный телефон продавца.
Сообщения, не соответствующие этим требованиям могут быть удалены без предварительного предупреждения.
При продаже необходимо ОБЯЗАТЕЛЬНО указывать стоимость товара и контактный телефон продавца.
Сообщения, не соответствующие этим требованиям могут быть удалены без предварительного предупреждения.
- KIRDYK
- Сообщения: 210
- Зарегистрирован: 20 ноя 2012, 22:37
- Двигатель:: 6G72 24
- Мой автомобиль(и):: MONTERO SPORT 3.0 AT 2000 part time продан
- Откуда: Кольский п-ов
- Благодарил (а): 9 раз
- Поблагодарили: 5 раз
Re: Тормозные Поршни из нержавейки
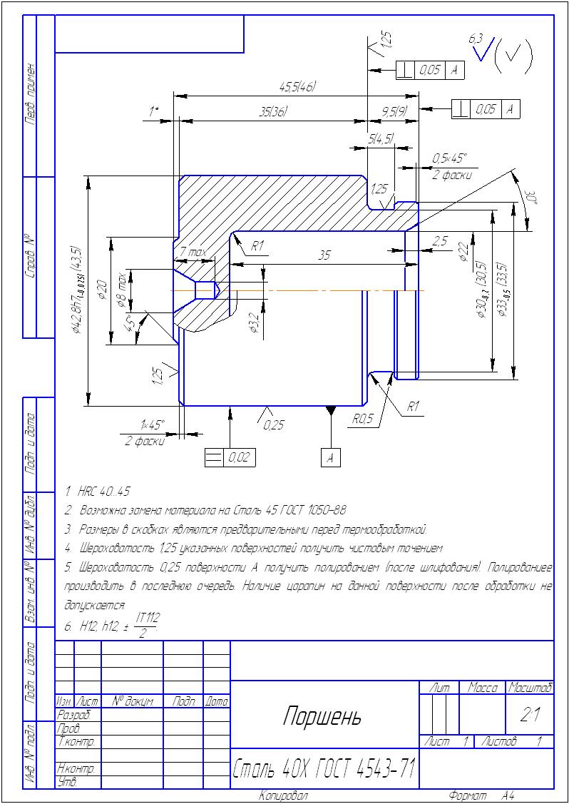
Мужики подскажите этот поршень в начале темы,подойдет на первого спорта или нет,кто делал по данному чертежу?
бодик 5см,cooper stt 285/75/16 8J ET 0,прямоток,Сиби megajet 650
- Смирнов
- Сообщения: 3245
- Зарегистрирован: 31 янв 2005, 01:09
- Двигатель:: на бензине
- Мой автомобиль(и):: PAJERO 3
- Откуда: МСК
- Благодарил (а): 14 раз
- Поблагодарили: 185 раз
- Контактная информация:
- KIRDYK
- Сообщения: 210
- Зарегистрирован: 20 ноя 2012, 22:37
- Двигатель:: 6G72 24
- Мой автомобиль(и):: MONTERO SPORT 3.0 AT 2000 part time продан
- Откуда: Кольский п-ов
- Благодарил (а): 9 раз
- Поблагодарили: 5 раз
Re: Тормозные Поршни из нержавейки
Спасибо,отдаю токарю значит.А заднего чертежа нет случаем не у кого?Смирнов писал(а):Да, размеры те.
бодик 5см,cooper stt 285/75/16 8J ET 0,прямоток,Сиби megajet 650
-
a.l.i.
- Сообщения: 730
- Зарегистрирован: 18 ноя 2009, 21:09
- Откуда: Украина,Киев
- Благодарил (а): 1 раз
- Поблагодарили: 28 раз
Re: Тормозные Поршни из нержавейки
Только сталь 40Х на чертеже , поменяй на нержавейку , и если токарь будет наружный диаметр делать в размер , тоисть без круглой шлифовки , то центровое отверстие Ф8 глубиной 7мм делать не нужно...KIRDYK писал(а):Спасибо,отдаю токарю значит.А заднего чертежа нет случаем не у кого?Смирнов писал(а):Да, размеры те.
A.L.I. Киев,Паджеро Спорт 2.5TD, 4D56.
Б.Ж.моего МПС, надежного Parussnika https://www.drive2.ru/r/mitsubishi/1225801/
Б.Ж.моего МПС, надежного Parussnika https://www.drive2.ru/r/mitsubishi/1225801/
- dvm99
- Сообщения: 22447
- Зарегистрирован: 21 май 2012, 20:59
- Двигатель:: 6G72, 12клап.,
- Мой автомобиль(и):: Pajero2, Запорожец- Ланос
- Откуда: Свердловская обл.
- Благодарил (а): 744 раза
- Поблагодарили: 1088 раз
Re: Тормозные Поршни из нержавейки
Verner, ну и как ходят поршни? Уже лет 5 прошло.Verner писал(а):У меня из латуни.
Механического износа в месте прилегания к колодке нет?
ЗЫ
У меня вопрос в выборе материала...
Под боком есть хороший токарь, но нержавейки нет. Могу найти бронзу, возможно латунь и даже титан, а вот нержавейки нет.
Дмитрий
Боливар2 - П2, 92г., V43, 6G72(12V), V4AW2, RD/L, пруль (чистокровный японский рысак)
Боливар1 - П2, 93г., 6G72(12V), МКПП, V43, RD/L, Европа (славный был конь, но уже донор)
Боливар2 - П2, 92г., V43, 6G72(12V), V4AW2, RD/L, пруль (чистокровный японский рысак)
Боливар1 - П2, 93г., 6G72(12V), МКПП, V43, RD/L, Европа (славный был конь, но уже донор)
- hocoman
- Сообщения: 26
- Зарегистрирован: 10 июл 2015, 09:51
- Двигатель:: 4D56
- Мой автомобиль(и):: Pajero Sport 2011
- Откуда: Нижний Новгород
- Откуда: Нижний Новгород
- Благодарил (а): 9 раз
- Поблагодарили: 1 раз
Re: Тормозные Поршни из нержавейки
Ищу чертежи на тормозные поршня и направляющие на Mitsubishi Pajero Sport 2 поколения.
Чем круче джип, тем дальше идти за трактором.
Мой Жорик на Drive2.ru
Мой Жорик на Drive2.ru
-
a.l.i.
- Сообщения: 730
- Зарегистрирован: 18 ноя 2009, 21:09
- Откуда: Украина,Киев
- Благодарил (а): 1 раз
- Поблагодарили: 28 раз
Re: Тормозные Поршни из нержавейки
Сейчас этим не занимаюсь , налег на пружины...hocoman писал(а):Ищу чертежи на тормозные поршня и направляющие на Mitsubishi Pajero Sport 2 поколения.
A.L.I. Киев,Паджеро Спорт 2.5TD, 4D56.
Б.Ж.моего МПС, надежного Parussnika https://www.drive2.ru/r/mitsubishi/1225801/
Б.Ж.моего МПС, надежного Parussnika https://www.drive2.ru/r/mitsubishi/1225801/
