TRT "107-108" Для стандарта и не только! (4.04.2026) Форум Обсуждение FAQ
Тормозные Поршни из нержавейки
Модераторы: RED HANTER, valera_star, Verner
Правила форума
При продаже необходимо ОБЯЗАТЕЛЬНО указывать стоимость товара и контактный телефон продавца.
Сообщения, не соответствующие этим требованиям могут быть удалены без предварительного предупреждения.
При продаже необходимо ОБЯЗАТЕЛЬНО указывать стоимость товара и контактный телефон продавца.
Сообщения, не соответствующие этим требованиям могут быть удалены без предварительного предупреждения.
-
Кандрат
- Сообщения: 74
- Зарегистрирован: 02 фев 2012, 21:30
- Двигатель:: Паджеро 2 4м40т 125000 Хомячков
- Мой автомобиль(и):: Паджеро 2 1994 г сс акпп
- Откуда: Нижний Новгород
- Откуда: Нижний Новгород
- Благодарил (а): 2 раза
- Поблагодарили: 1 раз
Тормозные Поршни из нержавейки
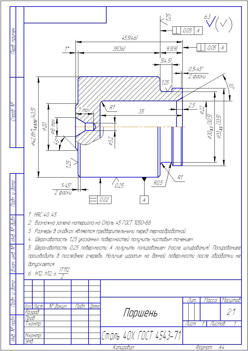
Поршни из нержавейки есть возможность выточить разумной цене .На 2 паджерик размеры есть.Себе заказывал все 6 шт.На другие нужен чертеж или образец .Вчера заменил по кругу все поршня и оригинальные рем комплекты суппортов .Встали как родные ,может кому интересно будет 8904782девять34ноль .Если кому нужно.можно выточить из Титана.1500 за шт.Переживут машину.
Последний раз редактировалось Кандрат 08 сен 2015, 16:20, всего редактировалось 2 раза.
- АДАЛ
- Сообщения: 1127
- Зарегистрирован: 03 июн 2008, 03:26
- Двигатель:: 6G72 БЕНЗИНКА 24 Valve
- Мой автомобиль(и):: Монтеро-Спортсмен
- Откуда: МОСКВА - ЧЕРТАНОВО
- Благодарил (а): 5 раз
- Поблагодарили: 38 раз
- Контактная информация:
Re: Тормозные Поршни из нержавейки
Ну а цена вопроса-то разумная какая? И контакты тоже интересно...
ММS 6G72 АКПП,ЧЕРНЫЙ,ОМЕ+2,5"+Patrol5Dr,бодик 80,проставы шаровых,Simex Стоножка 35" и 315/75R16АТ город,ARB,2COMEUP-9,демпф ProComp,задний,пороги,крылья,багажник МЭЗ1,5,285 RDLock,Berkut R20,605 HI-Jack,Safari Snorkel,Панар регулируемый
- sdkf70
- Сообщения: 711
- Зарегистрирован: 18 ноя 2011, 21:50
- Двигатель:: Бензин
- Мой автомобиль(и):: Pajero 2
- Откуда: Казань
- Благодарил (а): 6 раз
- Поблагодарили: 8 раз
Re: Тормозные Поршни из нержавейки
Разумная цена - это сколько ? На форуме комплект на П2 идет за 7500 .
Один из главных признаков зрелости духа - полное отсутствие потребности что-то доказывать .
Pajero 2 , 1996 , АКПП , 5дв. V45
Pajero 2 , 1997 , МКПП , 5дв. V43
Pajero 2 , 1996 , АКПП , 5дв. V45
Pajero 2 , 1997 , МКПП , 5дв. V43
-
Кандрат
- Сообщения: 74
- Зарегистрирован: 02 фев 2012, 21:30
- Двигатель:: Паджеро 2 4м40т 125000 Хомячков
- Мой автомобиль(и):: Паджеро 2 1994 г сс акпп
- Откуда: Нижний Новгород
- Откуда: Нижний Новгород
- Благодарил (а): 2 раза
- Поблагодарили: 1 раз
Re: Тормозные Поршни из нержавейки
За 4.5 кило рубля 6 поршней из медицинской нержи . изготовление в течении пары недель.Можно быстрей но цена на 1р дороже
- sdkf70
- Сообщения: 711
- Зарегистрирован: 18 ноя 2011, 21:50
- Двигатель:: Бензин
- Мой автомобиль(и):: Pajero 2
- Откуда: Казань
- Благодарил (а): 6 раз
- Поблагодарили: 8 раз
Re: Тормозные Поршни из нержавейки
Цена заманчива . Фотки бы неплохо . Гарантия по размерам ?
Один из главных признаков зрелости духа - полное отсутствие потребности что-то доказывать .
Pajero 2 , 1996 , АКПП , 5дв. V45
Pajero 2 , 1997 , МКПП , 5дв. V43
Pajero 2 , 1996 , АКПП , 5дв. V45
Pajero 2 , 1997 , МКПП , 5дв. V43
-
Кандрат
- Сообщения: 74
- Зарегистрирован: 02 фев 2012, 21:30
- Двигатель:: Паджеро 2 4м40т 125000 Хомячков
- Мой автомобиль(и):: Паджеро 2 1994 г сс акпп
- Откуда: Нижний Новгород
- Откуда: Нижний Новгород
- Благодарил (а): 2 раза
- Поблагодарили: 1 раз
Re: Тормозные Поршни из нержавейки
Фотки пока нет а точность изготовления +- 2 сотки мм .Можно по вашему чертежу изготовить
-
GenyGor
- Сообщения: 522
- Зарегистрирован: 27 июн 2010, 15:21
- Двигатель:: 4D56
- Мой автомобиль(и):: Паджерик 2 коротыш
- Откуда: Н. Новгород
- Откуда: Н. Новгород (ну.. почти)
- Благодарил (а): 1 раз
- Поблагодарили: 3 раза
Re: Тормозные Поршни из нержавейки
а не проще суппорта поменять?
побеждает не большой и бивнями украшенный, а маленький, злой и безбашенный :)
- sdkf70
- Сообщения: 711
- Зарегистрирован: 18 ноя 2011, 21:50
- Двигатель:: Бензин
- Мой автомобиль(и):: Pajero 2
- Откуда: Казань
- Благодарил (а): 6 раз
- Поблагодарили: 8 раз
Re: Тормозные Поршни из нержавейки
Цена двух задних поршней , паджеро 2 1997 г. ?
Один из главных признаков зрелости духа - полное отсутствие потребности что-то доказывать .
Pajero 2 , 1996 , АКПП , 5дв. V45
Pajero 2 , 1997 , МКПП , 5дв. V43
Pajero 2 , 1996 , АКПП , 5дв. V45
Pajero 2 , 1997 , МКПП , 5дв. V43
- TheBigSnake
- Сообщения: 1517
- Зарегистрирован: 23 ноя 2009, 20:22
- Двигатель:: 6G74
- Мой автомобиль(и):: Montero Sport 3.5XS
- Откуда: Н.Н.
- Откуда: Нижний Новгород
- Контактная информация:
Re: Тормозные Поршни из нержавейки
Новый поршень в Экзист - 630 руб, а сгниет он опять через 15 лет, если плохо следить. Думаете оно того стоит ?
По асфальту длинно, я знаю короткую дорогу ! Ну как дорогу...
Лучшее - враг хорошего !
MMC Montero Sport 3.5 XS 2001, 6G74, АКПП,
SilverStone MT117 Sport 285x75x16, Cooper Discoverer S/T 285x75x16
+7-960-180-два-два-61
Лучшее - враг хорошего !
MMC Montero Sport 3.5 XS 2001, 6G74, АКПП,
SilverStone MT117 Sport 285x75x16, Cooper Discoverer S/T 285x75x16
+7-960-180-два-два-61
-
Кандрат
- Сообщения: 74
- Зарегистрирован: 02 фев 2012, 21:30
- Двигатель:: Паджеро 2 4м40т 125000 Хомячков
- Мой автомобиль(и):: Паджеро 2 1994 г сс акпп
- Откуда: Нижний Новгород
- Откуда: Нижний Новгород
- Благодарил (а): 2 раза
- Поблагодарили: 1 раз
Re: Тормозные Поршни из нержавейки
Оригинал стоит 1300р ,а 630 эт аналог .За пару из нержи 1200 получится .
- TheBigSnake
- Сообщения: 1517
- Зарегистрирован: 23 ноя 2009, 20:22
- Двигатель:: 6G74
- Мой автомобиль(и):: Montero Sport 3.5XS
- Откуда: Н.Н.
- Откуда: Нижний Новгород
- Контактная информация:
Re: Тормозные Поршни из нержавейки
Конечно я может считать не умею, но 4500 за 6, ну никак не 1200 за пару.
По асфальту длинно, я знаю короткую дорогу ! Ну как дорогу...
Лучшее - враг хорошего !
MMC Montero Sport 3.5 XS 2001, 6G74, АКПП,
SilverStone MT117 Sport 285x75x16, Cooper Discoverer S/T 285x75x16
+7-960-180-два-два-61
Лучшее - враг хорошего !
MMC Montero Sport 3.5 XS 2001, 6G74, АКПП,
SilverStone MT117 Sport 285x75x16, Cooper Discoverer S/T 285x75x16
+7-960-180-два-два-61
-
Кандрат
- Сообщения: 74
- Зарегистрирован: 02 фев 2012, 21:30
- Двигатель:: Паджеро 2 4м40т 125000 Хомячков
- Мой автомобиль(и):: Паджеро 2 1994 г сс акпп
- Откуда: Нижний Новгород
- Откуда: Нижний Новгород
- Благодарил (а): 2 раза
- Поблагодарили: 1 раз
Re: Тормозные Поршни из нержавейки
1200 за пару это мне по товарищески выточили.А так получается 750 за шт
-
AlexNNov
- Сообщения: 1288
- Зарегистрирован: 04 авг 2008, 20:41
- Двигатель:: 4М40
- Мой автомобиль(и):: PajeroII
- Откуда: Н.Новгород
- Благодарил (а): 2 раза
- Поблагодарили: 9 раз
Re: Тормозные Поршни из нержавейки
Нормальный ценник. На задние поршни есть чертежи? У них размер немного отличается. Я бы себе заказал, но чуть погодя, а то с задними колодками - вечный гемор...
П-2 5-дв., 94г.р., 4М40, АКПП, СВ, шноркель,Come Up 9000, алюминиевая лыжа, красный...
Мой тел. +79200658877
Мой тел. +79200658877
-
Кандрат
- Сообщения: 74
- Зарегистрирован: 02 фев 2012, 21:30
- Двигатель:: Паджеро 2 4м40т 125000 Хомячков
- Мой автомобиль(и):: Паджеро 2 1994 г сс акпп
- Откуда: Нижний Новгород
- Откуда: Нижний Новгород
- Благодарил (а): 2 раза
- Поблагодарили: 1 раз
Re: Тормозные Поршни из нержавейки
Задние Мне по образцу точили.Я правый суппорт снял по причине того что направляющая поломалась в скобе.Ну и суппорт раздербанил, поршень еле газовым ключём вытащить смог. ,а по размерам они у меня все одинаковые.Сравнивал снятые задние и передние даже цифры пробитые на днище поршня одни и те же.Может конечно до меня меняли на не оригинал все
- sdkf70
- Сообщения: 711
- Зарегистрирован: 18 ноя 2011, 21:50
- Двигатель:: Бензин
- Мой автомобиль(и):: Pajero 2
- Откуда: Казань
- Благодарил (а): 6 раз
- Поблагодарили: 8 раз
Re: Тормозные Поршни из нержавейки
" .... на П2 бывают разные суппорта. Первые П2 (91-96г.г.) имели универасальные тормозные поршни - 43мм и спереди и сзади. Только спереди их 2, а сзади 1. А вот в 96 году передние заменили на диаметр 60мм, и универсальность резинок была потеряна. " - не мое , с форума .
Один из главных признаков зрелости духа - полное отсутствие потребности что-то доказывать .
Pajero 2 , 1996 , АКПП , 5дв. V45
Pajero 2 , 1997 , МКПП , 5дв. V43
Pajero 2 , 1996 , АКПП , 5дв. V45
Pajero 2 , 1997 , МКПП , 5дв. V43
- sdkf70
- Сообщения: 711
- Зарегистрирован: 18 ноя 2011, 21:50
- Двигатель:: Бензин
- Мой автомобиль(и):: Pajero 2
- Откуда: Казань
- Благодарил (а): 6 раз
- Поблагодарили: 8 раз
Re: Тормозные Поршни из нержавейки
Получаеться задние тормозные поршня на всех П2 одинаковы ?
Один из главных признаков зрелости духа - полное отсутствие потребности что-то доказывать .
Pajero 2 , 1996 , АКПП , 5дв. V45
Pajero 2 , 1997 , МКПП , 5дв. V43
Pajero 2 , 1996 , АКПП , 5дв. V45
Pajero 2 , 1997 , МКПП , 5дв. V43
-
AlexNNov
- Сообщения: 1288
- Зарегистрирован: 04 авг 2008, 20:41
- Двигатель:: 4М40
- Мой автомобиль(и):: PajeroII
- Откуда: Н.Новгород
- Благодарил (а): 2 раза
- Поблагодарили: 9 раз
Re: Тормозные Поршни из нержавейки
Диаметры одинаковые, не вопрос, но вроде высота поршня разная, у задних меньше. По крайней мере у меня так было вроде...sdkf70 писал(а):" .... на П2 бывают разные суппорта. Первые П2 (91-96г.г.) имели универасальные тормозные поршни - 43мм и спереди и сзади. Только спереди их 2, а сзади 1. А вот в 96 году передние заменили на диаметр 60мм, и универсальность резинок была потеряна. " - не мое , с форума .
П-2 5-дв., 94г.р., 4М40, АКПП, СВ, шноркель,Come Up 9000, алюминиевая лыжа, красный...
Мой тел. +79200658877
Мой тел. +79200658877
-
Кандрат
- Сообщения: 74
- Зарегистрирован: 02 фев 2012, 21:30
- Двигатель:: Паджеро 2 4м40т 125000 Хомячков
- Мой автомобиль(и):: Паджеро 2 1994 г сс акпп
- Откуда: Нижний Новгород
- Откуда: Нижний Новгород
- Благодарил (а): 2 раза
- Поблагодарили: 1 раз
Re: Тормозные Поршни из нержавейки
Поставил все одного размера .проблема только в том чтобы поставить пыльник,но с бубном немного поплясал и на зад тоже встали .
