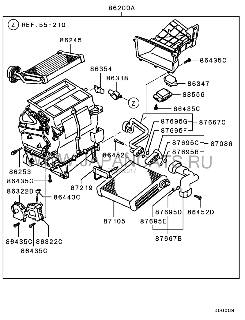
Если разная температура слева и справа - это значит, что часть радиатора отопителя (под торпедой который) по какой-то причине не греет воздух - либо воздушная пробка внутри, либо забит чем-то. Обычно забивается часть, отвечающая за воздуховоды справа - она дальше от входных трубок радиатора. Если в japancats посмотреть на картинку с радиатором и заслонками, то сразу становится понятно, что к чему:dzhdzh писал(а):В общем, в минус 30, которые были недели три назад, рванул один из шлангов (случилось все в дороге), остановился, сразу заглушил машину. В радиаторе - лед, антифриза весь ушел.
Дотащил машину до сервиса на эвакуаторе, слили все, заменили шланг, залили антифриза, теперь пассажирская сторона вся дует холодным, водительская - более-менее.
Нужно по-новой все заливать-сливать, или тут проблема может быть в другом?
TRT - Вдоль р.Киржач. Для стандартных 4х4 (08.11.25) Форум Обсуждение FAQ
Промывка печки Паджеро 3.Успешно.
Модератор: Romik
- solmasters
- Сообщения: 213
- Зарегистрирован: 02 апр 2010, 18:20
- Двигатель:: 6G74 SOHC
- Мой автомобиль(и):: Pajero III
- Откуда: Москва
- Откуда: Москва
- Благодарил (а): 3 раза
- Поблагодарили: 1 раз
- Контактная информация:
Re: Промывка печки Паджеро 3.Успешно.
Последний раз редактировалось solmasters 09 фев 2017, 16:01, всего редактировалось 1 раз.
Фёдор.
Pajero III, 2003 г.в., 6G74 SOHC, АКПП - о нём тут
Pajero II, 1995 г.в., 6G74 DOHC, АКПП, BFG M/T 33", ComeUp 9500, багажник, рация - погиб
Pajero III, 2003 г.в., 6G74 SOHC, АКПП - о нём тут
Pajero II, 1995 г.в., 6G74 DOHC, АКПП, BFG M/T 33", ComeUp 9500, багажник, рация - погиб
-
dezertir
- Сообщения: 8
- Зарегистрирован: 20 май 2015, 17:05
- Двигатель:: 4m41
- Мой автомобиль(и):: Pajero III
- Откуда: Калининград
Re: Промывка печки Паджеро 3.Успешно.
Тоже проблема с печкой передней, не первый год. Мыл лимонкой через помпу, и всякой химией для Радиаторов в бутылке, эффекта хватило не на долго, видимо загаженна вся система. Заказал 1 кг "трилон Б" с Екатеринбурга, это единственное место где можно заказать маленький вес. Вот ссылка кому интересно http://www.reactiv96.ru/ , отправили деловыми линиями. Как прийдет и о результате напишу сюда.
- garabala
- Сообщения: 205
- Зарегистрирован: 27 июл 2009, 09:20
- Двигатель:: 6g72 V6 3.0/ 4D56 L200 old
- Мой автомобиль(и):: MMC Pajero UAE-Brazil MMCL200 old AT Super Select
- Откуда: Baku +994502136553
- Откуда: baku
- Благодарил (а): 60 раз
- Поблагодарили: 5 раз
Re: Промывка печки Паджеро 3.Успешно.
solmasters писал(а):dzhdzh писал(а): Если в japancats посмотреть на картинку с радиатором и заслонками, то сразу становится понятно, что к чему:
http://www.japancats.ru/CImage.ashx?Pat ... &Width=800
http://www.japancats.ru/CImage.ashx?Pat ... &Width=800
ссылки не открываются(((
mitsu4ever
- solmasters
- Сообщения: 213
- Зарегистрирован: 02 апр 2010, 18:20
- Двигатель:: 6G74 SOHC
- Мой автомобиль(и):: Pajero III
- Откуда: Москва
- Откуда: Москва
- Благодарил (а): 3 раза
- Поблагодарили: 1 раз
- Контактная информация:
Re: Промывка печки Паджеро 3.Успешно.
Ссылки в http://pajero4x4.ru/bbs/phpBB2/viewtopi ... 6#p2537696 поправил.
Опыт с Трилоном Б у меня пока неоднозначный, по завершении эпопеи отпишусь =)
Опыт с Трилоном Б у меня пока неоднозначный, по завершении эпопеи отпишусь =)
Фёдор.
Pajero III, 2003 г.в., 6G74 SOHC, АКПП - о нём тут
Pajero II, 1995 г.в., 6G74 DOHC, АКПП, BFG M/T 33", ComeUp 9500, багажник, рация - погиб
Pajero III, 2003 г.в., 6G74 SOHC, АКПП - о нём тут
Pajero II, 1995 г.в., 6G74 DOHC, АКПП, BFG M/T 33", ComeUp 9500, багажник, рация - погиб
- Непопаджеро
- Сообщения: 3202
- Зарегистрирован: 03 мар 2015, 00:10
- Двигатель:: 4M41
- Мой автомобиль(и):: Pajero 3
- Откуда: РБ
- Благодарил (а): 132 раза
- Поблагодарили: 141 раз
Re: Промывка печки Паджеро 3.Успешно.
Просто поразительно!
Лучше один раз увидеть, чем сто раз прочитать
Итак, у моего приятеля в паджере обнаружился аналогичный компот и жалобы на печку.
Слили литр в прозрачную емкость, залили в освободившийся объём литр вода+трилон б. Примерно 200 г. на литр. На фото справа смесь мутная изза того, что весь трилон не растворился ,непосредственно перед съемкой взболтали осадок.Порошок быстро оседает, на дне банки уже виден выпавший слой.
Заливая в радиатор , постоянно его поднимаем взбалтыванием. Ржавый компот забираю домой для опытов. Банку поставил отстояться. За 5 часов ржавая взвесь сверху слегка расслоилась, и на дне выпал коричневый осадок около полумиллиметра толщиной. Остальная ржавчина осталась в толще ОЖ. В капельках на крышке банки ржавый осадок явно виден. Подогрел компот до температуры около 40 градусов в микроволновке и добавил 2 столовых ложки Трилон Б. Думаю, около 30-40 г. Пошла незначительная реакция выделения микропузырьков газа. Поднялась пенка. Но явных изменений не произошло. Поставил банку в микроволновку и подогревами по 2 минуты постепенно довел жидкость до температуры "не удержать рукой" но до кипения не доводил. Думаю около 70-80 градусов.
Отвлекся на дела домашние, отрыл через пол-часа!!! и обомлел! Коричневая бурда превратилась в прозрачный чаек. Без осадка.
Лучше один раз увидеть, чем сто раз прочитать
Итак, у моего приятеля в паджере обнаружился аналогичный компот и жалобы на печку.
Слили литр в прозрачную емкость, залили в освободившийся объём литр вода+трилон б. Примерно 200 г. на литр. На фото справа смесь мутная изза того, что весь трилон не растворился ,непосредственно перед съемкой взболтали осадок.Порошок быстро оседает, на дне банки уже виден выпавший слой.
Заливая в радиатор , постоянно его поднимаем взбалтыванием. Ржавый компот забираю домой для опытов. Банку поставил отстояться. За 5 часов ржавая взвесь сверху слегка расслоилась, и на дне выпал коричневый осадок около полумиллиметра толщиной. Остальная ржавчина осталась в толще ОЖ. В капельках на крышке банки ржавый осадок явно виден. Подогрел компот до температуры около 40 градусов в микроволновке и добавил 2 столовых ложки Трилон Б. Думаю, около 30-40 г. Пошла незначительная реакция выделения микропузырьков газа. Поднялась пенка. Но явных изменений не произошло. Поставил банку в микроволновку и подогревами по 2 минуты постепенно довел жидкость до температуры "не удержать рукой" но до кипения не доводил. Думаю около 70-80 градусов.
Отвлекся на дела домашние, отрыл через пол-часа!!! и обомлел! Коричневая бурда превратилась в прозрачный чаек. Без осадка.
Всем добра!
- solmasters
- Сообщения: 213
- Зарегистрирован: 02 апр 2010, 18:20
- Двигатель:: 6G74 SOHC
- Мой автомобиль(и):: Pajero III
- Откуда: Москва
- Откуда: Москва
- Благодарил (а): 3 раза
- Поблагодарили: 1 раз
- Контактная информация:
Re: Промывка печки Паджеро 3.Успешно.
Непопаджеро, отличный эксперимент. У меня руки так и не дошли, да и слитый антифриз был похож на нормальный.
А вот вопрос - с трилоном в системе - патрубки радиатора наддувает газами, или нет? У меня всю систему охлаждения наддувало так, что в итоге прорвало трубку металлическую к печке, видать, подржавела она уже.
А вот вопрос - с трилоном в системе - патрубки радиатора наддувает газами, или нет? У меня всю систему охлаждения наддувало так, что в итоге прорвало трубку металлическую к печке, видать, подржавела она уже.
Фёдор.
Pajero III, 2003 г.в., 6G74 SOHC, АКПП - о нём тут
Pajero II, 1995 г.в., 6G74 DOHC, АКПП, BFG M/T 33", ComeUp 9500, багажник, рация - погиб
Pajero III, 2003 г.в., 6G74 SOHC, АКПП - о нём тут
Pajero II, 1995 г.в., 6G74 DOHC, АКПП, BFG M/T 33", ComeUp 9500, багажник, рация - погиб
- bulasan
- Сообщения: 372
- Зарегистрирован: 10 окт 2012, 10:03
- Двигатель:: 6G72 24v Euro-0
- Мой автомобиль(и):: Pajero3
- Откуда: Алматы
- Откуда: Алматы
- Благодарил (а): 6 раз
- Поблагодарили: 47 раз
Re: Промывка печки Паджеро 3.Успешно.
Газ - верный признак реакции (растворения накипи) в системе. Давление в системе регулируется сбросным клапаном в крышке радиатора, если клапан исправен - избыток уходит в расширительный бачок. Выделяется газ и уходит в верхнюю точку СО, если в этой точке радиатор, то газ через клапан покидает систему. Если радиатор внизу - газ вытеснит в бачок антифриз. Но в любом случае давление не превысит значение клапана.solmasters писал(а):А вот вопрос - с трилоном в системе - патрубки радиатора наддувает газами, или нет? У меня всю систему охлаждения наддувало так, что в итоге прорвало трубку металлическую к печке, видать, подржавела она уже.
У вас больше похоже на вариант "заросшего " свища в трубке, отмытие от накипи удалило "герметик".
http://pajero4x4.ru/bbs/phpBB2/viewtopi ... 5#p2453015
- MrBullyDouzer
- Сообщения: 4871
- Зарегистрирован: 09 мар 2007, 17:25
- Двигатель:: VQ35
- Мой автомобиль(и):: ГАЗ соБОЛЬ 4х4
- Откуда: Москва
- Откуда: Москва
- Благодарил (а): 302 раза
- Поблагодарили: 83 раза
- Контактная информация:
Re: Промывка печки Паджеро 3.Успешно.
Я тоже эксперементировал с трилоном на скорую руку.
После этого еще суппорта варил в ведре с трилоном! Результат есть! отчищает.
тоже дополню если полутся видосом.
После этого еще суппорта варил в ведре с трилоном! Результат есть! отчищает.
тоже дополню если полутся видосом.
Соболь 4х4 VQ35 стандарт
Мужество, честь и отвага - три признака алкогольного опьянения
Мужество, честь и отвага - три признака алкогольного опьянения
- Непопаджеро
- Сообщения: 3202
- Зарегистрирован: 03 мар 2015, 00:10
- Двигатель:: 4M41
- Мой автомобиль(и):: Pajero 3
- Откуда: РБ
- Благодарил (а): 132 раза
- Поблагодарили: 141 раз
Re: Промывка печки Паджеро 3.Успешно.
Убедительно!
И главное, что ржавчина не отваливается кусками, хлопьями, забивающими соты радиатора и каналы блока, а превращается в раствор соли, который легко сливается и промывается обычной водой.
И главное, что ржавчина не отваливается кусками, хлопьями, забивающими соты радиатора и каналы блока, а превращается в раствор соли, который легко сливается и промывается обычной водой.
Всем добра!
- MrBullyDouzer
- Сообщения: 4871
- Зарегистрирован: 09 мар 2007, 17:25
- Двигатель:: VQ35
- Мой автомобиль(и):: ГАЗ соБОЛЬ 4х4
- Откуда: Москва
- Откуда: Москва
- Благодарил (а): 302 раза
- Поблагодарили: 83 раза
- Контактная информация:
Re: Промывка печки Паджеро 3.Успешно.
Именно, я у себя 3 дня в паджере мыл трилоном.Непопаджеро писал(а):Убедительно!
И главное, что ржавчина не отваливается кусками, хлопьями, забивающими соты радиатора и каналы блока, а превращается в раствор соли, который легко сливается и промывается обычной водой.
Был антифриз синий

Слил...

После промывки дистиллированной водой, по цвету слилось точно такого же ржавого цвета.
Промывал просто потому что устанавливал вебасту ну и решил сделать профилактику.
В расширительном бачке "нашел" много мелких крупинок ржи, но с легкостью вымыл
Соболь 4х4 VQ35 стандарт
Мужество, честь и отвага - три признака алкогольного опьянения
Мужество, честь и отвага - три признака алкогольного опьянения
- Stork
- Сообщения: 441
- Зарегистрирован: 08 июн 2014, 21:05
- Двигатель:: 4D56 210Hp
- Мой автомобиль(и):: MPSII 2011 MY
- Откуда: Новосибирск
- Благодарил (а): 5 раз
- Поблагодарили: 87 раз
Re: Промывка печки Паджеро 3.Успешно.
Нашел себе несколько кг Трилона, как потеплеет, буду мыть СО и менять антифриз.
Кому надо - обращайтесь
Кому надо - обращайтесь
Als die Nazis die Kommunisten holten, habe ich geschwiegen; ich war ja kein Kommunist.
Als sie die Sozialdemokraten einsperrten, habe ich geschwiegen; ich war ja kein Sozialdemokrat.
Als sie mich holten, gab es keinen mehr, der protestieren konnte.
Als sie die Sozialdemokraten einsperrten, habe ich geschwiegen; ich war ja kein Sozialdemokrat.
Als sie mich holten, gab es keinen mehr, der protestieren konnte.
-
мах578
- Сообщения: 2015
- Зарегистрирован: 23 янв 2015, 02:07
- Двигатель:: бензин 6G74
- Мой автомобиль(и):: gw deer3, pajero2 3,5 SOHC 1998г.рест.
- Откуда: пермь
- Благодарил (а): 43 раза
- Поблагодарили: 74 раза
Re: Промывка печки Паджеро 3.Успешно.
Добрый день. Поделюсь своими впечатлениями. Залил сегодня 250г трилона разведенном в 1литре и проехал 50 км. Скажу сразу.что сподвигло , воздух из печки 50гр , температура ДВС 95-105гр ,стоит доп термометр. Ксати он намного чувствительней штатного. Образование масляного налета в расширит. Бачке. Промывал систему покупной шнягой год назад , не помогло. За день проехал 50км из печки воздух стал теплее на 5-10 гр. В зависимости от об. ДВС. Но самое интересное происходило с темп. ДВС. Она стала плавать , при ускорении падала с 90 до 70-75 потом повышалась. К вечеру устаканилась и стала 85-88гр. Прибор тарирован по лоболаторному терм на 100 гр.
-
мах578
- Сообщения: 2015
- Зарегистрирован: 23 янв 2015, 02:07
- Двигатель:: бензин 6G74
- Мой автомобиль(и):: gw deer3, pajero2 3,5 SOHC 1998г.рест.
- Откуда: пермь
- Благодарил (а): 43 раза
- Поблагодарили: 74 раза
Re: Промывка печки Паджеро 3.Успешно.
Кстати штатный показометр никак не отреагировал на изменение. Что то видео не лепится
-
мах578
- Сообщения: 2015
- Зарегистрирован: 23 янв 2015, 02:07
- Двигатель:: бензин 6G74
- Мой автомобиль(и):: gw deer3, pajero2 3,5 SOHC 1998г.рест.
- Откуда: пермь
- Благодарил (а): 43 раза
- Поблагодарили: 74 раза
Re: Промывка печки Паджеро 3.Успешно.
чутка дополню. 2-й день с трилоном, темп. печки поднялясь до 71гр. при 2000об/мин. на ХХ 64-65гр. меньше стала "плавать" темп. ДВС в пределах 85-90гр. наблюдаем дальше.
-
мах578
- Сообщения: 2015
- Зарегистрирован: 23 янв 2015, 02:07
- Двигатель:: бензин 6G74
- Мой автомобиль(и):: gw deer3, pajero2 3,5 SOHC 1998г.рест.
- Откуда: пермь
- Благодарил (а): 43 раза
- Поблагодарили: 74 раза
Re: Промывка печки Паджеро 3.Успешно.
Проехал с трилоном 1000км, снял заднюю печку помыть почистить. Трубки чистые.
-
мах578
- Сообщения: 2015
- Зарегистрирован: 23 янв 2015, 02:07
- Двигатель:: бензин 6G74
- Мой автомобиль(и):: gw deer3, pajero2 3,5 SOHC 1998г.рест.
- Откуда: пермь
- Благодарил (а): 43 раза
- Поблагодарили: 74 раза
Re: Промывка печки Паджеро 3.Успешно.
жижа еще в системе, с печки чуть слилось-прозрачная. скоро планируется заменаГРМ, тогда все и промою, фоток докину.
- dzhdzh
- Сообщения: 960
- Зарегистрирован: 09 апр 2012, 10:54
- Двигатель:: 2UZ-FE VVTI
- Мой автомобиль(и):: GX 470
- Откуда: Москва
- Откуда: Москва
- Благодарил (а): 47 раз
- Поблагодарили: 19 раз
Re: Промывка печки Паджеро 3.Успешно.
Народ, у меня где-то чего-то отожрало лишнего, походу. Антифриз чуток уходит и в салоне воняет антифризом (на самом деле, чуть вонять стало через месяц примерно после трилоновой обработки), хотя коврик пассажирский сухой, но это не показатель.
Надо торпеду скидывать и смотреть, где и чего. По результатам (если что, с фотками) отпишусь.
Надо торпеду скидывать и смотреть, где и чего. По результатам (если что, с фотками) отпишусь.
- RNikolskiy
- Сообщения: 147
- Зарегистрирован: 02 июл 2017, 21:30
- Двигатель:: Бензин
- Мой автомобиль(и):: Mitsubishi Pajero Sport V6 3.0 2014
- Откуда: Усть-Илимск
- Благодарил (а): 1 раз
- Поблагодарили: 3 раза
Re: Промывка печки Паджеро 3.Успешно.
Результат то есть или все капут?dzhdzh писал(а):Народ, у меня где-то чего-то отожрало лишнего, походу. Антифриз чуток уходит и в салоне воняет антифризом (на самом деле, чуть вонять стало через месяц примерно после трилоновой обработки), хотя коврик пассажирский сухой, но это не показатель.
Надо торпеду скидывать и смотреть, где и чего. По результатам (если что, с фотками) отпишусь.
- Непопаджеро
- Сообщения: 3202
- Зарегистрирован: 03 мар 2015, 00:10
- Двигатель:: 4M41
- Мой автомобиль(и):: Pajero 3
- Откуда: РБ
- Благодарил (а): 132 раза
- Поблагодарили: 141 раз
Re: Промывка печки Паджеро 3.Успешно.
Промывал в два этапа. Ушел 1 кг. Сейчас антифриз прозрачный. Из потерь - проело трубку с термостата на блок. Но она до трилона прохудилась до фольги.
Печки жарят, антифриз не уходит.
Печки жарят, антифриз не уходит.
Всем добра!
