Куда делась энергия аккумуляторов - продолжение истории...
Модераторы: SNOOPER, Nbf, Romik, BAlex
- drcham
- Модератор
- Сообщения: 14460
- Зарегистрирован: 08 апр 2006, 13:42
- Двигатель:: Бензин
- Мой автомобиль(и):: Wrangler JLU Rubicon
- Откуда: Москва
- Откуда: Москва ЮЗАО
- Благодарил (а): 63 раза
- Поблагодарили: 231 раз
- Контактная информация:
Re: Куда делась энергия аккумуляторов - продолжение истории.
Тогда надо искать реле генератора. Если замок исправен я б на него грешил. Больше +12 взяться на L неоткуда
4LO&GO! Wrangler JLU Rubicon
-
Rommy
- Сообщения: 872
- Зарегистрирован: 28 дек 2011, 22:20
- Двигатель:: 4M41
- Мой автомобиль(и):: Pajero III 3.2DID АКПП
- Откуда: Москва, САО
- Благодарил (а): 21 раз
- Поблагодарили: 34 раза
Re: Куда делась энергия аккумуляторов - продолжение истории.
В яндексе даже упоминаний про такое реле нет почему-то... Только про реле-регулятор в самом генераторе.drcham писал(а):Тогда надо искать реле генератора. Если замок исправен я б на него грешил. Больше +12 взяться на L неоткуда
Хотя вот щас в яндексе на каком-то из сайтов попалась схемка вроде как под панелью приборов есть оно. Завтра обязательно найду. Хотя первоначально, когда утечку искал, я абсолютно все реле что видел под торпедо вытаскивал - на утечке тока не отражалось.
Ок. исследую повторно.
- Deem-On
- Сообщения: 1014
- Зарегистрирован: 18 мар 2011, 17:49
- Двигатель:: 4M40
- Мой автомобиль(и):: Паджеро 2, был
- Откуда: Ярославль
- Благодарил (а): 8 раз
- Поблагодарили: 95 раз
Re: Куда делась энергия аккумуляторов - продолжение истории.
То, что замок исправен, это хорошо. Во-первых, ну просто потому, что он исправен, а во-вторых, что круг поиска сужается.Rommy писал(а):В яндексе даже упоминаний про такое реле нет почему-то... Только про реле-регулятор в самом генераторе.drcham писал(а):Тогда надо искать реле генератора. Если замок исправен я б на него грешил. Больше +12 взяться на L неоткуда
Хотя вот щас в яндексе на каком-то из сайтов попалась схемка вроде как под панелью приборов есть оно. Завтра обязательно найду. Хотя первоначально, когда утечку искал, я абсолютно все реле что видел под торпедо вытаскивал - на утечке тока не отражалось.![]()
Ок. исследую повторно.
Реле генератора... оно скорее не при чем, потому как это вовсе не реле(я где-то тут об этом уже писАл, да и не только я), а такая черная коробочка с двумя выводами, а внутри резистор на 4,7 ОМ и диод. Но тем не менее, найти и достать его надо, и еще надо вынуть предохранитель №6 в том-же блоке, где это "реле", и посмотреть, пропала ли напруга на L, тем самым еще сузив круг поиска.
П-2 1994 длинный,GLS,4М40,АКПП,SS,А/Т32"-увы, уже донор
- Chumahod
- Сообщения: 13151
- Зарегистрирован: 02 дек 2007, 21:56
- Двигатель:: 6G72
- Мой автомобиль(и):: Pajero Sport 2000г
- Откуда: МСК
- Откуда: Москва, ЮВАО
- Благодарил (а): 880 раз
- Поблагодарили: 822 раза
Re: Куда делась энергия аккумуляторов - продолжение истории.
Rommy писал(а):Только жаль что эта настойчивость и терпение вовсе не от большого пытливого ума, а как раз от его отсутствия.Chumahod писал(а):ТС респект за настойчивость и терпение!![]()
Ну и отсюда же вытекает неспособность ТС заработать 3 миллиона на новую машину и вынужденное "общение" с 5-6 летними дровами.
Наверное тратить значительную часть жизни на попытки отремонтировать машину это не то, к чему должен стремиться человек. Оно как бы полезно для общего развития, но бессмысленно, по большому счету.
Если следовать современным критериям "заработка", то это суть отжать любым доступным способом с каждого "клиента". Тут умным не обязательно быть, достаточно наглости. Увы, подмена ценностей навязана с верху и пропитала насквозь все сферы производства, услуг и т.д. (сорри за кЭпа-очевидность), но например для меня, вовсе не означает что я должен играть по их правилам. И приобрести вместо надёжного авто "одноразовую пластмассовую прищепку по цене хороших пассатиж" (с), я ни малейшего желания не испытываю.
В связи с вышесказанным, поясню немного с другой стороны: люди, которые умеют и могут думать и что то делать (или хотя бы пытаться делать) своими руками, у меня вызывают гораздо большее уважение, чем те, кто тупо "заработал" на пару квартир, пару домов и пару лехусов, но при этом абсолютно беспомощен в вопросах, которые должен знать любой уважающий себя Мужик. В то же время осуждать кого либо не вижу смысла = каждый живёт свою жизнь. Сумбурно изложил конечно, но думаю суть моего имхо примерно понятна. Сорри за офф-топ.
"Есть люди которые помнят добро, а есть все остальные." (с)
МКПП, 395ткм (пробег по н/в), Venom Power Terra Hunter X/T 265/70-16, подвеска ОМЕ, демпфер Proсomp, диодный рабочий свет по кругу, защита, пороги и ещё куча вкусных ништяков на машинке:)
МКПП, 395ткм (пробег по н/в), Venom Power Terra Hunter X/T 265/70-16, подвеска ОМЕ, демпфер Proсomp, диодный рабочий свет по кругу, защита, пороги и ещё куча вкусных ништяков на машинке:)
-
Rommy
- Сообщения: 872
- Зарегистрирован: 28 дек 2011, 22:20
- Двигатель:: 4M41
- Мой автомобиль(и):: Pajero III 3.2DID АКПП
- Откуда: Москва, САО
- Благодарил (а): 21 раз
- Поблагодарили: 34 раза
Re: Куда делась энергия аккумуляторов - продолжение истории.
Уважаемые знатоки, внимание, вопрос: куда делось реле генератора? 
Выпасть само оно не могло. Контактов внутри, как видно на фото, только 2шт, а не 4, как положено. Если реле не было, то почему помечено синей краской сбоку, как и все остальные разъемы. На заводе помечают меткой, когда сделали? Вставил разъем - пометил, засунул реле, прозвонил - пометил. Так?
И может это вообще не то место и не то реле?
Хотя месторасположение соответствует схеме. Сбоку реле стеклоподъемников - вынул, действительно стеклоподъемники перестали работать.
ps Может я его потерял где нибудь сам, пока разбирал проверял какое то время назад. Под коврик закатилось, под сидение. Блин, уже не верю сам себе... Пойду поищу схожу. Ну не может же быть что реле на заводе именно в мою машину забыли поставить.
Выпасть само оно не могло. Контактов внутри, как видно на фото, только 2шт, а не 4, как положено. Если реле не было, то почему помечено синей краской сбоку, как и все остальные разъемы. На заводе помечают меткой, когда сделали? Вставил разъем - пометил, засунул реле, прозвонил - пометил. Так?
И может это вообще не то место и не то реле?
Хотя месторасположение соответствует схеме. Сбоку реле стеклоподъемников - вынул, действительно стеклоподъемники перестали работать.
А нужно ли кому-то, допустим, вынуть реле, разобрать блок ETACS, замкнуть 2 нужных провода внутри (чтобы всегда 12вольт куда то подавалось без реле)? Может у меня сигнализаторщики 10 лет назад что то подобное сделали?Deem-On писал(а):И еще, что подумал, раз у тебя сигналка раньше была, а теперь ампутирована, то есть вероятность, что мог остаться какой "рудимент", в виде реле, шунтирующего замок, такие обычно ставят для автозапуска, так вот он мог тоже такую шутку сыграть.
ps Может я его потерял где нибудь сам, пока разбирал проверял какое то время назад. Под коврик закатилось, под сидение. Блин, уже не верю сам себе... Пойду поищу схожу. Ну не может же быть что реле на заводе именно в мою машину забыли поставить.
Последний раз редактировалось Rommy 19 июл 2016, 14:25, всего редактировалось 1 раз.
-
Rommy
- Сообщения: 872
- Зарегистрирован: 28 дек 2011, 22:20
- Двигатель:: 4M41
- Мой автомобиль(и):: Pajero III 3.2DID АКПП
- Откуда: Москва, САО
- Благодарил (а): 21 раз
- Поблагодарили: 34 раза
Re: Куда делась энергия аккумуляторов - продолжение истории.
Так 2 контакта у него штатно должно быть, несмотря на то что в разъеме место для 4 контактов? Значит я нашел что надо? Под капотом больше не искать? Я уже добрался до нижних пневмоклапанов ЕГР, так глубоко разобрал все под капотом.Deem-On писал(а): а такая черная коробочка с двумя выводами, а внутри резистор на 4,7 ОМ и диод. Но тем не менее, найти и достать его надо, и еще надо вынуть предохранитель №6 в том-же блоке, где это "реле", и посмотреть, пропала ли напруга на L, тем самым еще сузив круг поиска.
-
Rommy
- Сообщения: 872
- Зарегистрирован: 28 дек 2011, 22:20
- Двигатель:: 4M41
- Мой автомобиль(и):: Pajero III 3.2DID АКПП
- Откуда: Москва, САО
- Благодарил (а): 21 раз
- Поблагодарили: 34 раза
Re: Куда делась энергия аккумуляторов - продолжение истории.
В яндексе нашел фотку реле генератора от каризмы. Такое я ищу? Как раз двухконтактное. 
MD 113566
называется резистор.
MD 113566
называется резистор.
- Chumahod
- Сообщения: 13151
- Зарегистрирован: 02 дек 2007, 21:56
- Двигатель:: 6G72
- Мой автомобиль(и):: Pajero Sport 2000г
- Откуда: МСК
- Откуда: Москва, ЮВАО
- Благодарил (а): 880 раз
- Поблагодарили: 822 раза
Re: Куда делась энергия аккумуляторов - продолжение истории.
У мну такая стоит, под капотом.Rommy писал(а):В яндексе нашел фотку реле генератора от каризмы. Такое я ищу? Как раз двухконтактное.
MD 113566
называется резистор.
"Есть люди которые помнят добро, а есть все остальные." (с)
МКПП, 395ткм (пробег по н/в), Venom Power Terra Hunter X/T 265/70-16, подвеска ОМЕ, демпфер Proсomp, диодный рабочий свет по кругу, защита, пороги и ещё куча вкусных ништяков на машинке:)
МКПП, 395ткм (пробег по н/в), Venom Power Terra Hunter X/T 265/70-16, подвеска ОМЕ, демпфер Proсomp, диодный рабочий свет по кругу, защита, пороги и ещё куча вкусных ништяков на машинке:)
- Deem-On
- Сообщения: 1014
- Зарегистрирован: 18 мар 2011, 17:49
- Двигатель:: 4M40
- Мой автомобиль(и):: Паджеро 2, был
- Откуда: Ярославль
- Благодарил (а): 8 раз
- Поблагодарили: 95 раз
Re: Куда делась энергия аккумуляторов - продолжение истории.
Ну до оно, одинаковое у всех,на П2 и ПС она под капотом, на П3 под панелью, а внутри выглядит так ЧуднО, конечно, что его нету, а точно было? Потому как если его нет, приборка была снята, а напруга на L все равно была, то колхозом попахивает, однако. Предохранитель №6 вынимал, напругу на L после этого проверял?Chumahod писал(а):У мну такая стоит, под капотом.Rommy писал(а):В яндексе нашел фотку реле генератора от каризмы. Такое я ищу? Как раз двухконтактное.
MD 113566
называется резистор.
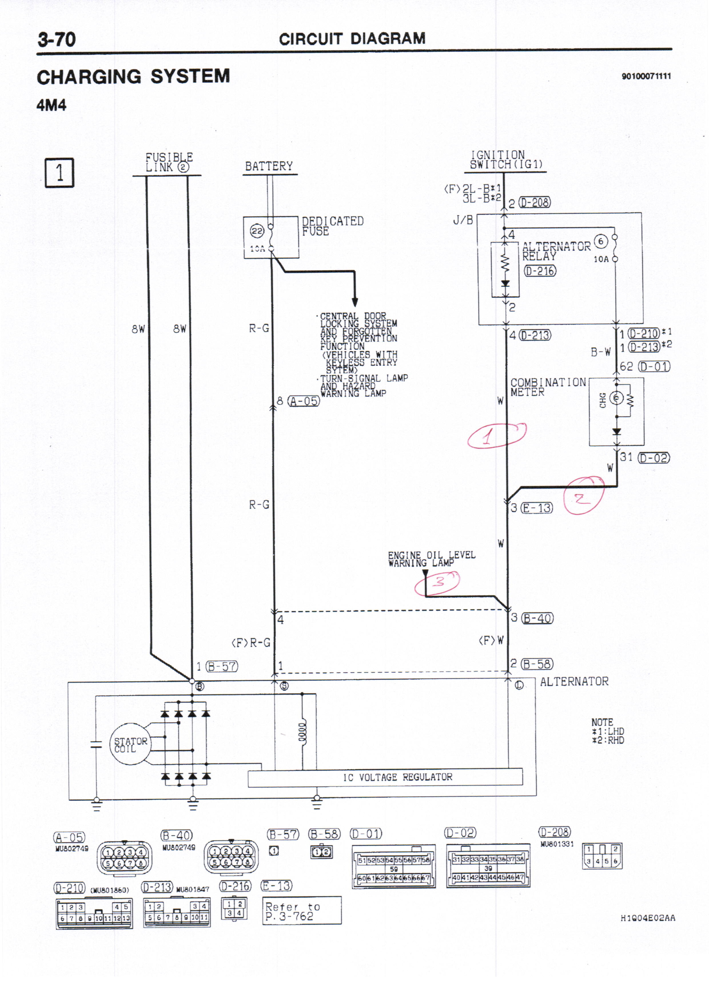
Объясню, смотри схему зарядки. Напряжение на L может попасть с трех мест, обозначил цифирками. 1. это D-216 ,"реле генератора", в нашем случае оно отсутствует
2. это лампа генератора в панели приборов
3. провод к реле и лампе уровня масла в двигателе, и вроде бы еще на какие электронные блоки тоже идет.
Если вынуть реле генератора, а у нас его уже нет, п.1 исключаем. А чтоб исключить остальное, как раз и надо изъять пред.№6, поскольку питание на них идет с него(на этом куске схемы это не указано, но на других есть). И вот теперь, когда все возможные цепи разомкнуты, то смотрим напряжение на L. Если оно пропало, то то причина находится До предохранителя, т.е. либо в проводке от замка до блока реле и предохранителей, либо в самом блоке, но опять же До предохранителя
П-2 1994 длинный,GLS,4М40,АКПП,SS,А/Т32"-увы, уже донор
-
Rommy
- Сообщения: 872
- Зарегистрирован: 28 дек 2011, 22:20
- Двигатель:: 4M41
- Мой автомобиль(и):: Pajero III 3.2DID АКПП
- Откуда: Москва, САО
- Благодарил (а): 21 раз
- Поблагодарили: 34 раза
Re: Куда делась энергия аккумуляторов - продолжение истории.
Только что проверил - при вынимании предохранителя №6 на блоке ETACS напряжение на клемме L (белом проводе) на фишке генератора остается аккумуляторным. Реле генератора на полу машины не нашел, и я не помню что я его оттуда доставал. Все что я доставал из блока ETACS я засунул обратно. И потерять дальше коврика внутри машины очень трудно.Deem-On писал(а): Предохранитель №6 вынимал, напругу на L после этого проверял?
Ну а пока мне купить новое реле генератора? Где то 1300руб цена этого устройства. Как же без него генератор все эти годы работал?
И по прежнему только вынимание предохранителя "аварийки" под капотом снижает напряжение на L фишке c 12 вольт до 3.
- Deem-On
- Сообщения: 1014
- Зарегистрирован: 18 мар 2011, 17:49
- Двигатель:: 4M40
- Мой автомобиль(и):: Паджеро 2, был
- Откуда: Ярославль
- Благодарил (а): 8 раз
- Поблагодарили: 95 раз
Re: Куда делась энергия аккумуляторов - продолжение истории.
Да забей ты пока на это "реле", оно нужно только в случае перегорания лампы генератора или предохранителя №6, чтоб генератор смог запуститься, если лампа и пред исправны, то оно не оказывает никакого влияния и можно ездить без него.Rommy писал(а):Ну а пока мне купить новое реле генератора? Где то 1300руб цена этого устройства. Как же без него генератор все эти годы работал?.
Сейчас задача найти неисправность, и вот тут что-то не срастается, то ли я что не то насоветовал, либо ты где не так померил, ну да ладно, вводных у нас теперь достаточно, попробуем сейчас заново все проанализировать и придти к нужному выводу.
Итак,
Так какое все-же напряжение на на L, ровно как на АКБ или меньше? Это важно. Проверять при снятой с гены фишке, не на генераторе, а на самой фишке, белый провод.Rommy писал(а):Только что проверил - при вынимании предохранителя №6 на блоке ETACS напряжение на клемме L (белом проводе) на фишке генератора остается аккумуляторным.
Так что все-таки отсоединял? Потому как блок где стоят реле и предохранители и блок ETACS это не одно и то же, а как говорится, две большие разницы.Rommy писал(а):ps. На утечку тока в генератор не влияет отсоединение блока ETACS.
Если отсоединял все разъемы от блока реле и предохранителей и напряжение на L не пропадало, то в замок можно было не лезть и манипуляций с предохранителем №6 не проводить, это походу мы друг-друга не поняли
Если все так, то остается последний вариант. Найти разъем В-40, он под капотом, 8-контактный, черный, разъединить его и сделать очередной контрольный замер на L. Если плюс есть, то это КЗ между проводом от вывода В генератора(силовой, с гайкой, он идет в этом же жгуте) и проводом L, если нет, то далее, в приходящей части фишки В-40 найти контакты №3 и №4 и проверить напугу, №4 это S(должно быть напряжение АКБ), №3 это как раз L(при выключенном зажигании ничего де должно быть). Если на №3 плюс есть, то копать в сторону блока реле и предохранителей, дело либо в блоке, либо в проводке от блока до разъема В-40, если нет, то КЗ в жгуте от В-40 до фишки гены, но уже между проводами S и L. Во время всех измерений фишка с гены(S-L) должна быть снята, силовой выход откручивать не надо.
Смотри схему жгутов, красным выделил В-40 и жгут от него до генератора. п.с. Дистанционно ремонтировать проводку в авто, конечно не самый правильный способ, тем более такие не совсем стандартные и очевидные неисправности, мероприятие не обещает быть быстрым, и , в принципе, грамотный автоэлектрик, при наличии схем и опыта, мог бы те же манипуляции провести гораздо быстрее( только гдеж его взять, кругом одни "манагеры", в лучшем случае готовы деталь всборе прикрутить и хорошо если прямо а не криво), остается только пожелать ТСу еще немного терпения и настойчивости, развязка видимо близко, так что удачи.
п.с.2 Написав про "не самый правильный способ", я ни разу не имел ввиду, то что ТС взялся не за свое дело и что надо было отдаться сервисменам, а лишь наоборот, присоединяюсь к мнению Chumahod, и выражаю респект что ТС взялся за это сам и проявляет завидную настойчивость в этом вопросе, так что вместе мы победим. еще раз
П-2 1994 длинный,GLS,4М40,АКПП,SS,А/Т32"-увы, уже донор
-
Rommy
- Сообщения: 872
- Зарегистрирован: 28 дек 2011, 22:20
- Двигатель:: 4M41
- Мой автомобиль(и):: Pajero III 3.2DID АКПП
- Откуда: Москва, САО
- Благодарил (а): 21 раз
- Поблагодарили: 34 раза
Re: Куда делась энергия аккумуляторов - продолжение истории.
На клемме L (белая), напряжение такое же как на аккумуляторе. На клемме S (красно-черная) напряжение немного ниже.Deem-On писал(а): Так какое все-же напряжение на на L, ровно как на АКБ или меньше? Это важно. Проверять при снятой с гены фишке, не на генераторе, а на самой фишке, белый провод.
- Вложения
-
Rommy
- Сообщения: 872
- Зарегистрирован: 28 дек 2011, 22:20
- Двигатель:: 4M41
- Мой автомобиль(и):: Pajero III 3.2DID АКПП
- Откуда: Москва, САО
- Благодарил (а): 21 раз
- Поблагодарили: 34 раза
Re: Куда делась энергия аккумуляторов - продолжение истории.
Краткое содержание предыдущих серий блокбастера "Генератор против водителя":Deem-On писал(а):Так что все-таки отсоединял? Потому как блок где стоят реле и предохранители и блок ETACS это не одно и то же, а как говорится, две большие разницы.
Если отсоединял все разъемы от блока реле и предохранителей и напряжение на L не пропадало, то в замок можно было не лезть и манипуляций с предохранителем №6 не проводить, это походу мы друг-друга не поняли![]()
На аккумуляторах внезапно стало 1 вольт. Выяснил, что утечка тока 5 ампер. Подумал что забыл выключить свет в салоне, а также фары, магнитолу и обогрев зеркал.
Потом снял фишку с генератора, утечка прекратилась. Отнес гену в ремонт, выяснили что реле-регулятор сгоревший. Заменили сгоревший регулятор. С новым регулятором утечка составила 0,5ампера (т.е. уменьшилась в 10 раз). Я опять снял генератор повез в мастерскую - проверили на стенде, утечка 0.0А. Посоветовали выяснить не подается ли всегда напряжение на клемму L возбуждения, отсюда и 4 сгоревших генератора за 5 лет и утечки тока. Так оно и оказалось. Ну и приступил к поиску "постоянных 12 вольт на клемме L". Отсоединял приборку, проверял лампочки в приборке, потом замок зажигания прозванивал. Как я понял - не помогло. Потом искал реле генератора. Выяснил что у меня его кто-то спи деинсталировал.
Вот.
А сегодня шли дожди весь день и вместо ремонта машины я решил заняться переселение рыбок из старого аквариума в новый, повышенной улучшенности. Воду наливал, фильтры/шланги перебирал и т.д. Тумбочку мастерил несколько недель в общей сложности. А рыбки вообще временно жили в ванне, а ванна нужна мне.
Но завтра обязательно пойду искать разъемы по схемам выше. Очень полезные схемы. Отсоединяя - сразу понятно будет откуда беруться 12вольт на клемме при выключенной машине. Я же как раз и интересовался несколько страниц в этом направлении, мол можно ли как-то токовыми клещами полазить по жгутам, понять откуда ток на разъем попадает.
Короче, с такими козЫрными схемами и координатами разъемов ремонт превратиться из унылого бесцельного вождения жалом под капотом в настоящий праздник. Спасибо!!
Последний раз редактировалось Rommy 21 июл 2016, 22:56, всего редактировалось 1 раз.
-
Rommy
- Сообщения: 872
- Зарегистрирован: 28 дек 2011, 22:20
- Двигатель:: 4M41
- Мой автомобиль(и):: Pajero III 3.2DID АКПП
- Откуда: Москва, САО
- Благодарил (а): 21 раз
- Поблагодарили: 34 раза
Re: Куда делась энергия аккумуляторов - продолжение истории.
Нашел нужный разъем и получил ОЧЕНЬ интересные результаты. У меня даже шерсть на спине выросла и начала шевелиться.
Щас фотками сдобрю...
Разъем B40 найден практически под аккумуляторной площадкой. Снял аккум и его кронштейны чтобы добраться. На 4-м (красном) контакет всегда напряжение равно аккумулятоному. На 3-м (белом) контакте напряжение появляется только после поворота ключа зажигания. И равно чуть меньше аккумуляторного.
На фотке разъема B40 видно что обе части разъема имеют полное соответствие по цветам. Красный переходит в красный, белый в белый и т.д.
Каким же образом, на фишке генератора на проводе БЕЛОГО цвета напряжение равно аккумуляторному, а красный провод - чуть меньше. И каком образом, если ответная часть разъема B40 не имеет питания на контакте 3 БЕЛОГО цвета без включения зажигания, то напряжение аккумуляторное появляется на БЕЛОЙ клемме фишке генератора???
Может быть жгут соединяющий разъем B40 и фишку генератора B58 не единый провод?
Лазил под капотом до глубокой ночи и пытался понять. Я не дальтоник (тьфу х3), в здравом уме, цифры на тестере тоже не путаю. Но имею ровно то, что описал и сдобрил фотками.
Китайцы при сборке машины внутри жгута перепаяли провода? Вошел красный 11,48В, вышел белый 11,48В? А там где напряжения на проводе не было в принципе, вдруг появилось из ниоткуда 9,27В?
Но такого же быть не может?
Разъем B40 найден практически под аккумуляторной площадкой. Снял аккум и его кронштейны чтобы добраться. На 4-м (красном) контакет всегда напряжение равно аккумулятоному. На 3-м (белом) контакте напряжение появляется только после поворота ключа зажигания. И равно чуть меньше аккумуляторного.
На фотке разъема B40 видно что обе части разъема имеют полное соответствие по цветам. Красный переходит в красный, белый в белый и т.д.
Каким же образом, на фишке генератора на проводе БЕЛОГО цвета напряжение равно аккумуляторному, а красный провод - чуть меньше. И каком образом, если ответная часть разъема B40 не имеет питания на контакте 3 БЕЛОГО цвета без включения зажигания, то напряжение аккумуляторное появляется на БЕЛОЙ клемме фишке генератора???
Может быть жгут соединяющий разъем B40 и фишку генератора B58 не единый провод?
Лазил под капотом до глубокой ночи и пытался понять. Я не дальтоник (тьфу х3), в здравом уме, цифры на тестере тоже не путаю. Но имею ровно то, что описал и сдобрил фотками.
Китайцы при сборке машины внутри жгута перепаяли провода? Вошел красный 11,48В, вышел белый 11,48В? А там где напряжения на проводе не было в принципе, вдруг появилось из ниоткуда 9,27В?
Но такого же быть не может?
- Вложения
- Deem-On
- Сообщения: 1014
- Зарегистрирован: 18 мар 2011, 17:49
- Двигатель:: 4M40
- Мой автомобиль(и):: Паджеро 2, был
- Откуда: Ярославль
- Благодарил (а): 8 раз
- Поблагодарили: 95 раз
Re: Куда делась энергия аккумуляторов - продолжение истории.
Неплохой результат, это говорит о том, что замок, блок реле и проводка до В-40 в исправном состоянии, это есть гуд.Rommy писал(а):Разъем B40 найден практически под аккумуляторной площадкой. Снял аккум и его кронштейны чтобы добраться. На 4-м (красном) контакет всегда напряжение равно аккумулятоному. На 3-м (белом) контакте напряжение появляется только после поворота ключа зажигания. И равно чуть меньше аккумуляторного.
Rommy писал(а):Каким же образом, на фишке генератора на проводе БЕЛОГО цвета напряжение равно аккумуляторному, а красный провод - чуть меньше. И каком образом, если ответная часть разъема B40 не имеет питания на контакте 3 БЕЛОГО цвета без включения зажигания, то напряжение аккумуляторное появляется на БЕЛОЙ клемме фишке генератора???
Может быть жгут соединяющий разъем B40 и фишку генератора B58 не единый провод?
А вот этот момент вызывает интерес, как так то? И еще один интересный факт: "Комментарий к файлу: Разъем B40. 8 контактный. При его размыкании, напряжения на фишке L и S генератора снижаются до 0,24в и 0,21в соответственно." Получается что разъем разъединен а напряжение , хоть и 0.2 В, а все равно есть. Откуда? Ответ напрашивается сам - что-то не так в жгуте, от В-40 до гены, и поскольку реле, электронных блоков и пр. здесь нет., и напряжение может попасть только с соседнего провода. А он один( точнее два, в параллель), от клеммы "В" генератора", идет в этом же жгуте. И, вроде( на 100% не уверен), по части этого жгута идут провода на стартер. На всех этих проводах все время есть напряжение. Посему, далее, мне видится следующий алгоритм поиска:
Надо прозвонить провода S и L на предмет возможного замыкания, т.е. звоним их между собой, и каждый по отдельности на массу и на плюс АКБ. Для этого разъем В-40 должен быть разъединен, фишка с гены снята, также необходимо снять минусовые клеммы с обеих АКБ( необходимо для точности измерений, "мозги" авто при этом обнулятся, и некоторые настойки могут слететь, придется этим пожертвовать). Прозвонить лучше с обеих сторон, как от разъема В-40, так и от фишки гены. В исправной проводке звониться они НЕ ДОЛЖНЫ, ни между собой, ни на плюс, ни на массу. Ну а если звонятся, то уж тогда приступаем к поиску КЗ. Тщательный осмотр жгута на предмет внешних повреждений, оплавлений (особенно в районе "горячих" мест - коллектор, турбина), и постороннего вмешательства(колхоза, такое тоже не исключено). Бывает, что провода оплавляются и спекаются внутри жгута, от большого тока, тогда снаружи можно и не заметить, в этом случае делается "контрольное вскрытие" небольшого участка, и если какой провод грелся и плавился, это будет видно. Признаки : "бугристая" изоляция и прилипание проводов друг к другу.
Вот таки мысли. Удачи в поиске, как что найдешь, пиши.
П-2 1994 длинный,GLS,4М40,АКПП,SS,А/Т32"-увы, уже донор
-
Rommy
- Сообщения: 872
- Зарегистрирован: 28 дек 2011, 22:20
- Двигатель:: 4M41
- Мой автомобиль(и):: Pajero III 3.2DID АКПП
- Откуда: Москва, САО
- Благодарил (а): 21 раз
- Поблагодарили: 34 раза
Re: Куда делась энергия аккумуляторов - продолжение истории.
Да, меня тоже ввело в ступор как может быть напряжение между минусовой клеммой машины и отдельным проводком, висящим в воздухе. Хоть и маленькое, но напряжение. Значит в этом проводе какой- то конденсатор как минимум должен быть.
Про прозвонку инструкции ясны, как день. Пошел смотреть.
ps. А если у меня аккумуляторы стали совсем не добрый вечер за время всех проверок (при включении зажигания около 5 вольт всего, что-то жалостливо щелкает и нежно хрустит под капотом
), если до дома хватит сил дотащить хотя бы один аккум, можно попробовать зарядить зарядкой от игрушечной радиоуправляемой машинки? Какой ток надо выставить на зарядке? Количество банок и т.д.?
Про прозвонку инструкции ясны, как день. Пошел смотреть.
ps. А если у меня аккумуляторы стали совсем не добрый вечер за время всех проверок (при включении зажигания около 5 вольт всего, что-то жалостливо щелкает и нежно хрустит под капотом
Последний раз редактировалось Rommy 23 июл 2016, 19:00, всего редактировалось 1 раз.
- МДМ
- Сообщения: 2186
- Зарегистрирован: 06 фев 2008, 18:39
- Двигатель:: 6G72 (12 valve)
- Мой автомобиль(и):: Pajero-2, 1993г., МКПП, SS. Renault Kangoo, 2000г., дв. 1.9d (F8Q), МКПП
- Откуда: Пермь
- Откуда: г. Пермь
- Поблагодарили: 82 раза
- Контактная информация:
Re: Куда делась энергия аккумуляторов - продолжение истории.
можно вот так зарядить: http://pajero4x4.ru/bbs/phpBB2/viewtopi ... 0#p2237469Rommy писал(а): можно попробовать зарядить зарядкой от игрушечной радиоуправляемой машинки?
MMC Pajero, 1993г., V43W, 6G72 (12valve), МКПП, ГБО 4-е поколение Digitronic
-
Rommy
- Сообщения: 872
- Зарегистрирован: 28 дек 2011, 22:20
- Двигатель:: 4M41
- Мой автомобиль(и):: Pajero III 3.2DID АКПП
- Откуда: Москва, САО
- Благодарил (а): 21 раз
- Поблагодарили: 34 раза
Re: Куда делась энергия аккумуляторов - продолжение истории.
Щас потыкал в меню зарядки, помимо типа батареи Pb, нужно выбрать зарядный ток (от 0.1 до 20.0 А) и напряжение (кол-во банок). При 12в указано 6 банок. Так? А какой ток ставить чтобы все как надо было? Батарея 95А.МДМ писал(а):можно вот так зарядить: http://pajero4x4.ru/bbs/phpBB2/viewtopi ... 0#p2237469Rommy писал(а): можно попробовать зарядить зарядкой от игрушечной радиоуправляемой машинки?
- Deem-On
- Сообщения: 1014
- Зарегистрирован: 18 мар 2011, 17:49
- Двигатель:: 4M40
- Мой автомобиль(и):: Паджеро 2, был
- Откуда: Ярославль
- Благодарил (а): 8 раз
- Поблагодарили: 95 раз
Re: Куда делась энергия аккумуляторов - продолжение истории.
Если АКБ разряжена так, что на ней 5 В, то для начала надо выставить минимальный ток, ну или хотя бы 0,5 А, не боле, и погонять так часок, пока напряжение на отключенной батарее не будет хотя бы 11 В, а затем как обычно, 5-7 А. Если зарядное "умное", то такую батарею оно может не увидеть, и заряжать откажется, тогда надо будет "прикурить" батарею, чтоб она набрала 10,5-11 В, от исправного АКБ или от другого зарядного, "не умного", или как на видео, и совершенно верно, не напрямую, а через лампочку, так буде лучше и для батареи, и для зарядного.
П-2 1994 длинный,GLS,4М40,АКПП,SS,А/Т32"-увы, уже донор
-
Rommy
- Сообщения: 872
- Зарегистрирован: 28 дек 2011, 22:20
- Двигатель:: 4M41
- Мой автомобиль(и):: Pajero III 3.2DID АКПП
- Откуда: Москва, САО
- Благодарил (а): 21 раз
- Поблагодарили: 34 раза
Re: Куда делась энергия аккумуляторов - продолжение истории.
Допер аккум до дома. Пока допер, напряжение до 10 вольт доросло.
Щас буду пробовать заряжать. Ток 7А выставлю. Посмотрим какую емкость наберет аккумулятор. 
А больше ток нельзя поставить без вреда для аккумулятора? А то я игрушечные lipo батарейки привык заряжать всегда самым большим током, что есть в заряднике, чтобы побыстрее (3-4 емкости).
Да, Дим, все измерил, промерил. Щас свои каракули отсканирую. По моему, все дороги ведут в ад жгут за мотором...
А больше ток нельзя поставить без вреда для аккумулятора? А то я игрушечные lipo батарейки привык заряжать всегда самым большим током, что есть в заряднике, чтобы побыстрее (3-4 емкости).
Да, Дим, все измерил, промерил. Щас свои каракули отсканирую. По моему, все дороги ведут в ад жгут за мотором...
