Домино Трофи 2026 - 25 Апреля - Обсудить и спросить тут.
где взять 12v только при заведенном двигателе
Модераторы: SNOOPER, Nbf, Romik, BAlex
- Skam
- Сообщения: 37
- Зарегистрирован: 07 июн 2012, 17:39
- Двигатель:: 4M40
- Мой автомобиль(и):: Pajero II
- Откуда: Irkutsk
- Благодарил (а): 1 раз
- Поблагодарили: 1 раз
- Контактная информация:
где взять 12v только при заведенном двигателе
Вопрос в следующем, где в моторном отсеке на п2 4m40 можно взять 12v только при работающем двигателе? И чтобы при заглушенном - там не было напряжения.
Необходимо это для включения релюшки.
Пробовал с датчика давления масла - но как я понял, там малоточный сигнал и его не хватает для включения реле. Плюс лампа давления на приборке не гаснет, если к нему подключить управляющий провод от реле.
На генераторе(болт с которого зарядка идет) 12v есть всегда, т.к. регулятор напряжения встроен в гену.
Где еще можно взять 12v?
Необходимо это для включения релюшки.
Пробовал с датчика давления масла - но как я понял, там малоточный сигнал и его не хватает для включения реле. Плюс лампа давления на приборке не гаснет, если к нему подключить управляющий провод от реле.
На генераторе(болт с которого зарядка идет) 12v есть всегда, т.к. регулятор напряжения встроен в гену.
Где еще можно взять 12v?
- SNOOPER
- Модератор
- Сообщения: 57351
- Зарегистрирован: 11 дек 2004, 19:49
- Двигатель:: 4D56
- Мой автомобиль(и):: NewMPS
- Откуда: 78
- Откуда: Spb
- Благодарил (а): 1023 раза
- Поблагодарили: 4772 раза
Re: где взять 12v только при заведенном двигателе
Увы чтоб так просто нигде. Только если городить схему с использованием в качестве управляющего сигнал тахометра
- Skam
- Сообщения: 37
- Зарегистрирован: 07 июн 2012, 17:39
- Двигатель:: 4M40
- Мой автомобиль(и):: Pajero II
- Откуда: Irkutsk
- Благодарил (а): 1 раз
- Поблагодарили: 1 раз
- Контактная информация:
Re: где взять 12v только при заведенном двигателе
Хм... А какие есть еще варианты, которые максимально подходят под алгоритм работы от заведенного движка?SNOOPER писал(а):Увы чтоб так просто нигде. Только если городить схему с использованием в качестве управляющего сигнал тахометра
Вот думаю, может тогда на габариты повесить управляющий провод от реле?
Или может как-то к лампочке зарядки акб в салоне подключиться? Ведь она же гаснет только когда двигатель заведен.
- drcham
- Модератор
- Сообщения: 14459
- Зарегистрирован: 08 апр 2006, 13:42
- Двигатель:: Бензин
- Мой автомобиль(и):: Wrangler JLU Rubicon
- Откуда: Москва
- Откуда: Москва ЮЗАО
- Благодарил (а): 63 раза
- Поблагодарили: 231 раз
- Контактная информация:
Re: где взять 12v только при заведенном двигателе
обычно сигналы управления берут с ближнего или ACC. Конечно я не знаю какие у Вас требования.
4LO&GO! Wrangler JLU Rubicon
- Владимир Михайлович
- Сообщения: 6287
- Зарегистрирован: 22 фев 2008, 20:51
- Двигатель:: 6G74
- Мой автомобиль(и):: Монтеро 94 г.в.
- Откуда: Питер
- Откуда: Санкт-Петербург
- Благодарил (а): 69 раз
- Поблагодарили: 179 раз
Re: где взять 12v только при заведенном двигателе
Датчик-выключатель давления масла (обычно) включен "по минусу". Если у вас так, то релюшку можно включит впараллель к лампочке, и она будет включаться только при наличии давления масла. Т.е реле между плюсом и датчиком. Только плюс взять от лампочки.
Монтеро 5 дв. 6G74.АКПП. 94 г.в.
- homa70
- Сообщения: 545
- Зарегистрирован: 05 дек 2010, 18:57
- Двигатель:: 4M40
- Мой автомобиль(и):: МП 2 1997
- Откуда: г. Урюпинск
- Откуда: Урюпинск(и это правда)
- Благодарил (а): 4 раза
- Поблагодарили: 33 раза
Re: где взять 12v только при заведенном двигателе
В блоке предохранителей под капотом есть реле зарядки, там появляется плюс после запуска двигателя. Можно на клапане EGR, там тоже плюс после замка зажигания, т.д.
МП2 1997 5 дв 4М40 SS R/D lock ручка webasto 32X11.5 R15 MJ-300 мой первый дизель и джип
Re: где взять 12v только при заведенном двигателе
Впринципе это не проблема если найти даже хоть маломощный сигнал кот включается после того как начал работать генератор, на дизельном пыже его можно найти на блочке облегчёного пуска
а так если найти такой сигнал, то через небольшой оптрончик такую систему можно сделать, но это теоритически и тут своего головника тоже хватает
а так если найти такой сигнал, то через небольшой оптрончик такую систему можно сделать, но это теоритически и тут своего головника тоже хватает
Pajero II,v46, 2.8, 116 л.с., тнвд-механика, 5-дв, 32-тапочки, 2 печки 2 климы, багажник от Федяя
Водка и джип - 2 вещи не совместимы!!!
Водка и джип - 2 вещи не совместимы!!!
- кот 989
- Сообщения: 456
- Зарегистрирован: 16 ноя 2009, 12:25
- Двигатель:: 4D56
- Мой автомобиль(и):: МПСпорт 2001г
- Откуда: Самара
- Благодарил (а): 12 раз
- Поблагодарили: 23 раза
Re: где взять 12v только при заведенном двигателе
Skam, привет.
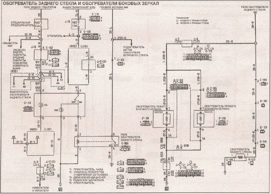
Ниже от спорта схема, на паджере-два наверно так-же!
Замечено точно
следующее!
При не работающем моторе обогрев заднего стекла не включается. Схема это объясняет. Остаётся найти таймер, рэлюху и провод между ними.
Ниже от спорта схема, на паджере-два наверно так-же!
Замечено точно
При не работающем моторе обогрев заднего стекла не включается. Схема это объясняет. Остаётся найти таймер, рэлюху и провод между ними.
Sport 2001 года, 4D56, МКПП.
- Skam
- Сообщения: 37
- Зарегистрирован: 07 июн 2012, 17:39
- Двигатель:: 4M40
- Мой автомобиль(и):: Pajero II
- Откуда: Irkutsk
- Благодарил (а): 1 раз
- Поблагодарили: 1 раз
- Контактная информация:
Re: где взять 12v только при заведенном двигателе
нашел схему обогрева, но в ней, насколько я понял, нет таймера и нет завязки на систему зарядки.кот 989 писал(а):Skam, привет.
Ниже от спорта схема, на паджере-два наверно так-же!
Замечено точноследующее!
При не работающем моторе обогрев заднего стекла не включается. Схема это объясняет. Остаётся найти таймер, рэлюху и провод между ними.
- Skam
- Сообщения: 37
- Зарегистрирован: 07 июн 2012, 17:39
- Двигатель:: 4M40
- Мой автомобиль(и):: Pajero II
- Откуда: Irkutsk
- Благодарил (а): 1 раз
- Поблагодарили: 1 раз
- Контактная информация:
Re: где взять 12v только при заведенном двигателе
Судя по книжке, в блоке реле есть реле генератора A-22X - это оно?homa70 писал(а):В блоке предохранителей под капотом есть реле зарядки, там появляется плюс после запуска двигателя.
После замка зажигания не подходит, т.к. зажигание может быть включено, а двигатель не заведен.homa70 писал(а):Можно на клапане EGR, там тоже плюс после замка зажигания, т.д.
- Skam
- Сообщения: 37
- Зарегистрирован: 07 июн 2012, 17:39
- Двигатель:: 4M40
- Мой автомобиль(и):: Pajero II
- Откуда: Irkutsk
- Благодарил (а): 1 раз
- Поблагодарили: 1 раз
- Контактная информация:
Re: где взять 12v только при заведенном двигателе
проверил на машине, обогрев заднего стекла включается не зависимо от заводки двигателя.
- Владимир Михайлович
- Сообщения: 6287
- Зарегистрирован: 22 фев 2008, 20:51
- Двигатель:: 6G74
- Мой автомобиль(и):: Монтеро 94 г.в.
- Откуда: Питер
- Откуда: Санкт-Петербург
- Благодарил (а): 69 раз
- Поблагодарили: 179 раз
Re: где взять 12v только при заведенном двигателе
Посмотри все же на схему включения конрольной лампы давления масла.
Монтеро 5 дв. 6G74.АКПП. 94 г.в.
- Skam
- Сообщения: 37
- Зарегистрирован: 07 июн 2012, 17:39
- Двигатель:: 4M40
- Мой автомобиль(и):: Pajero II
- Откуда: Irkutsk
- Благодарил (а): 1 раз
- Поблагодарили: 1 раз
- Контактная информация:
Re: где взять 12v только при заведенном двигателе
вот схему нашел, только она не очень разборчивая..владимир михайлович писал(а):Посмотри все же на схему включения конрольной лампы давления масла.
как я понял из схемы, при наличии давления масла на контакте датчика давления масла появляется минус?
т.е. я минус релюшки подключу к этому контакту датчика а плюс будет постоянный с аккума, например, да?
- SNOOPER
- Модератор
- Сообщения: 57351
- Зарегистрирован: 11 дек 2004, 19:49
- Двигатель:: 4D56
- Мой автомобиль(и):: NewMPS
- Откуда: 78
- Откуда: Spb
- Благодарил (а): 1023 раза
- Поблагодарили: 4772 раза
Re: где взять 12v только при заведенном двигателе
При давлении обрыв. Масса при НЕ заведённом двигателе
- Владимир Михайлович
- Сообщения: 6287
- Зарегистрирован: 22 фев 2008, 20:51
- Двигатель:: 6G74
- Мой автомобиль(и):: Монтеро 94 г.в.
- Откуда: Питер
- Откуда: Санкт-Петербург
- Благодарил (а): 69 раз
- Поблагодарили: 179 раз
Re: где взять 12v только при заведенном двигателе
Все разборчиво. Когда давления масла нет, датчик замкнут и лампочка горит. Реле одним концом подключи к датчику, а плюс на второй конец возьми с того места, где он комутируется ключем, т. е. при включенном зажигании плюс есть, при выключенном его нет. На схеме видно, что верхний конец лампочки как раз и подключен к замку. Релюшка должна быть пятиконтактная, с нормально замкнутым контактом. Плюс от замка зажигания пропусти через этот нормально замкнутый контакт и далее, куда тебе надо ( кстати, если не секрет: а куда?). Получается следующее: машина стоит и зажигание выключено - плюса нет. Включаешь ключ, но мотор стоит - плюс появился на одном контакте релюшки, но релюшка через датчик давления сработала, и плюс дальше не идет. Мотор запустился, давление появилось, реле отпустилось (и лампочка погасла) - плюс через нормально замкнутые контакты пошел, куда надо. Мотор встал - давление пропало, реле притянулось и разорвало плюс. Тут есть один момент: на долю секунды, в момент проворачивания ключа перед пуском, плюс все же появится на твоем новом потребителе, и если это критично, придется добавить еще одну релюшку. А если этот плюс, к примеру, на ходовые огни - ничего страшного.
Монтеро 5 дв. 6G74.АКПП. 94 г.в.
- Владимир Михайлович
- Сообщения: 6287
- Зарегистрирован: 22 фев 2008, 20:51
- Двигатель:: 6G74
- Мой автомобиль(и):: Монтеро 94 г.в.
- Откуда: Питер
- Откуда: Санкт-Петербург
- Благодарил (а): 69 раз
- Поблагодарили: 179 раз
Re: где взять 12v только при заведенном двигателе
Разумеется да. Выше думал только о возможности подключить релюшку и о том, что за слаботочность в этом узле умудрились придумать японцы. Оказалось, к счастью, все традиционно.SNOOPER писал(а):При давлении обрыв. Масса при НЕ заведённом двигателе
Монтеро 5 дв. 6G74.АКПП. 94 г.в.
- Skam
- Сообщения: 37
- Зарегистрирован: 07 июн 2012, 17:39
- Двигатель:: 4M40
- Мой автомобиль(и):: Pajero II
- Откуда: Irkutsk
- Благодарил (а): 1 раз
- Поблагодарили: 1 раз
- Контактная информация:
Re: где взять 12v только при заведенном двигателе
Спасибо, всё понял как подключать!владимир михайлович писал(а):Все разборчиво. Когда давления масла нет, датчик замкнут и лампочка горит. Реле одним концом подключи к датчику, а плюс на второй конец возьми с того места, где он комутируется ключем, т. е. при включенном зажигании плюс есть, при выключенном его нет. На схеме видно, что верхний конец лампочки как раз и подключен к замку. Релюшка должна быть пятиконтактная, с нормально замкнутым контактом. Плюс от замка зажигания пропусти через этот нормально замкнутый контакт и далее, куда тебе надо ( кстати, если не секрет: а куда?). Получается следующее: машина стоит и зажигание выключено - плюса нет. Включаешь ключ, но мотор стоит - плюс появился на одном контакте релюшки, но релюшка через датчик давления сработала, и плюс дальше не идет. Мотор запустился, давление появилось, реле отпустилось (и лампочка погасла) - плюс через нормально замкнутые контакты пошел, куда надо. Мотор встал - давление пропало, реле притянулось и разорвало плюс. Тут есть один момент: на долю секунды, в момент проворачивания ключа перед пуском, плюс все же появится на твоем новом потребителе, и если это критично, придется добавить еще одну релюшку. А если этот плюс, к примеру, на ходовые огни - ничего страшного.
Нужно мне это для подключения зарядки второго аккума. Чтобы при заведенном двигателе шла зарядка на оба аккума, а при заглушенном аккумуляторы друг друга не высаживали, т.к. они разной емкости.
Сначала хотел сделать это через 2 диода(по одному на аккум) шоттки или сверхбыстрые, но раздумал из-за падения напряжения при проходе заряда через них, что вызвало бы недозаряд на акб. Хотя это можно было исправить дополнительным регулятором напряжения, но мне с ним мутить не захотелось.
Потом прочитал про УРА-120 и УРА-200. Оказалось, что первый это аналог того, что я хотел делать и там по отзывам падение напряжения являлось большим минусом устройства. А УРА-200 сделан на реле с микроконтроллером включения по напряжению. В общем, решил что можно сделать упрощенный вариант через обычное реле но 70А.
- Владимир Михайлович
- Сообщения: 6287
- Зарегистрирован: 22 фев 2008, 20:51
- Двигатель:: 6G74
- Мой автомобиль(и):: Монтеро 94 г.в.
- Откуда: Питер
- Откуда: Санкт-Петербург
- Благодарил (а): 69 раз
- Поблагодарили: 179 раз
Re: где взять 12v только при заведенном двигателе
АКБ разной емкости но одинаковой конструкции друг друга высасывать не будут. Если это впараллель и для старера. Другое дело, когда ты пользуешь один АКБ на стоянке, для света и музыки. и хочешь, что бы второй не посадить и утром завестись. Тогда подключай этот резервный через диод смело. А второй пусть остается "напрямую". Резервный будет всегда заряжен но не разряжен. Утром, в случае засады, перемычкой запараллелишь и заведешь.
Монтеро 5 дв. 6G74.АКПП. 94 г.в.
-
vadym
- Сообщения: 1457
- Зарегистрирован: 12 сен 2007, 00:50
- Откуда: Черновцы
- Благодарил (а): 12 раз
- Поблагодарили: 120 раз
Re: где взять 12v только при заведенном двигателе
+1.владимир михайлович писал(а):АКБ разной емкости но одинаковой конструкции друг друга высасывать не будут. Если это впараллель и для старера......
Аккумуляторы абсолютно разной емкости прекрасно работают в паре.
Важно лишь, что бы у них были некоторые другие параметры одинаковые - например один из них не был убитым в конец и имел ток саморазряда явно большее чем другой или плотность электролита в аккумуляторах разная.
Так что намного проще заменить неисправный аккумулятор или на худой конец скидывать с него минусовую клемму при долгой стоянке, чем городить непонятно что
PAJERO SPORT 2003 2,5 TD
- Skam
- Сообщения: 37
- Зарегистрирован: 07 июн 2012, 17:39
- Двигатель:: 4M40
- Мой автомобиль(и):: Pajero II
- Откуда: Irkutsk
- Благодарил (а): 1 раз
- Поблагодарили: 1 раз
- Контактная информация:
Re: где взять 12v только при заведенном двигателе
оба аккума в хорошем состоянии, и нет чтобы один из них был убитым.
но я почему-то был уверен, что у которого больше емкость - будет высасывать второй с меньшей емкостью.
Изначально было всё подключено на один, а второй я только раз в месяц подключал в параллель и заряжал. А использовал его редко, когда основной высаживал чем-нибудь.
Сейчас же, с приближением зимы понадобилось иногда больше крутить стартером, поэтому перевешал усилок, рацию, инвертер, подогревы и т.д. с основного на второй. Чтобы основной меньше садился от доп. оборудования и с него было всегда можно завестись, а второй сам подзаряжается при заведенном движке.
Вопрос в следующем:
1. если я второй аккум(с меньшей емкостью) подключу через диод к первому(с большей емкостью) и при этом второй будет сильно разряжен, то при заглушенной двигателе у меня второй аккум не высосет первый?
2. т.к. второй будет подключен через диод, у него не будет постоянного недозаряда из-за падения напряжения(примерно 0.4-0.5 вольта) на диоде? или это не существенно будет?
3. может есть какие-то более продуманные решения, чем я использовал?
но я почему-то был уверен, что у которого больше емкость - будет высасывать второй с меньшей емкостью.
Изначально было всё подключено на один, а второй я только раз в месяц подключал в параллель и заряжал. А использовал его редко, когда основной высаживал чем-нибудь.
Сейчас же, с приближением зимы понадобилось иногда больше крутить стартером, поэтому перевешал усилок, рацию, инвертер, подогревы и т.д. с основного на второй. Чтобы основной меньше садился от доп. оборудования и с него было всегда можно завестись, а второй сам подзаряжается при заведенном движке.
Вопрос в следующем:
1. если я второй аккум(с меньшей емкостью) подключу через диод к первому(с большей емкостью) и при этом второй будет сильно разряжен, то при заглушенной двигателе у меня второй аккум не высосет первый?
2. т.к. второй будет подключен через диод, у него не будет постоянного недозаряда из-за падения напряжения(примерно 0.4-0.5 вольта) на диоде? или это не существенно будет?
3. может есть какие-то более продуманные решения, чем я использовал?
