Уважаемые паджероводы, при заводе двигателя возникает ситуация:
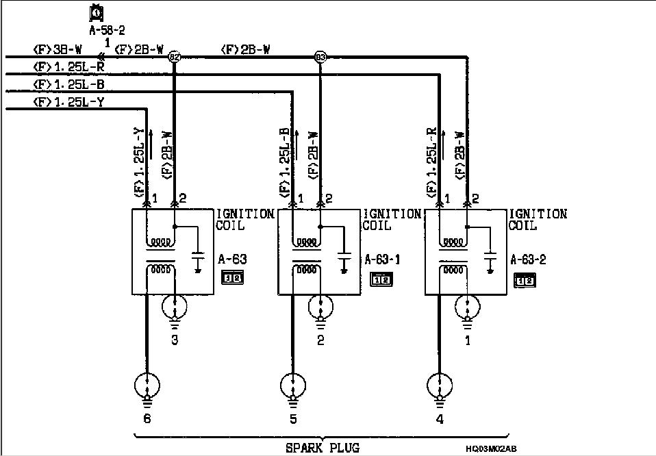
Двигатель работает на холостых, но сильно вибрирует. Предполагаю, что не работает часть цилиндров. При последовательном отключении каждого из цилиндров обнаружил два, которые не изменяют работу двигателя, но при этом "CHEK ENGINE" не горит.
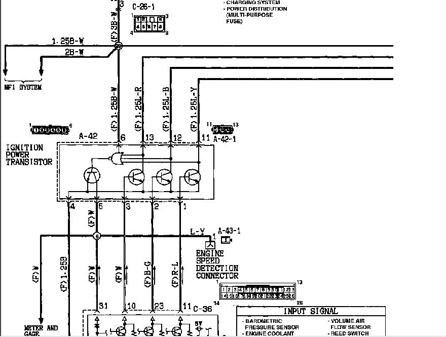
При проверке катушек выяснил, что они исправны, на них не поступает команда. Предполагаю, что дело либо в контроллере зажигания, либо в ЭБУ.
Подскажите, можно ли решить этот вопрос в домашних условиях(прозвонить или померять напряжение) или однозначно нужен сканер.
Заранее СПАСИБО
