освещение салона вырубилось
Модераторы: SNOOPER, Nbf, drcham, Romik, BAlex, DenVer, SoundSpeed
-
vast
- Сообщения: 612
- Зарегистрирован: 19 дек 2008, 09:17
- Двигатель:: 4М41
- Мой автомобиль(и):: был - Паджеро 4, дизель, 3,2 DiD, сейчас не митсубиси
- Откуда: Москва
- Откуда: Москва
- Поблагодарили: 6 раз
освещение салона вырубилось
Добрый день всем,
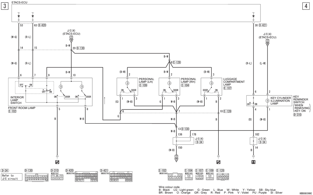
кто-нибудь сталкивался с такой проблемой - не работают лампочки салона левая и правая пассажирские и в багажнике (т.е. 3 задние плафона), при этом передние функционируют успешно? Сами лампочки, все 3 поставил новые. Какой предохранитель за это хозяйство отвечает?
кто-нибудь сталкивался с такой проблемой - не работают лампочки салона левая и правая пассажирские и в багажнике (т.е. 3 задние плафона), при этом передние функционируют успешно? Сами лампочки, все 3 поставил новые. Какой предохранитель за это хозяйство отвечает?
- megranny
- Сообщения: 6152
- Зарегистрирован: 18 июл 2011, 01:22
- Двигатель:: дизель 4M41
- Мой автомобиль(и):: Subaru Forester III(S12),MP IV-3,2 Di-D Ultimate
- Откуда: ЦФО,76
- Благодарил (а): 16 раз
- Поблагодарили: 79 раз
Re: освещение салона вырубилось
По книге типа один прдхр. на все лампы,№18.Глянь схему
I made in Japan
-
vast
- Сообщения: 612
- Зарегистрирован: 19 дек 2008, 09:17
- Двигатель:: 4М41
- Мой автомобиль(и):: был - Паджеро 4, дизель, 3,2 DiD, сейчас не митсубиси
- Откуда: Москва
- Откуда: Москва
- Поблагодарили: 6 раз
Re: освещение салона вырубилось
а 18 предохранителя у меня в машине нет совсем. это на колодке, которая слева от руля?megranny писал(а):По книге типа один прдхр. на все лампы,№18.Глянь схему
- megranny
- Сообщения: 6152
- Зарегистрирован: 18 июл 2011, 01:22
- Двигатель:: дизель 4M41
- Мой автомобиль(и):: Subaru Forester III(S12),MP IV-3,2 Di-D Ultimate
- Откуда: ЦФО,76
- Благодарил (а): 16 раз
- Поблагодарили: 79 раз
Re: освещение салона вырубилось
Я в мануале подсмотрел.Сейчас конкретно гляну.vast писал(а):а 18 предохранителя у меня в машине нет совсем. это на колодке, которая слева от руля?megranny писал(а):По книге типа один прдхр. на все лампы,№18.Глянь схему
I made in Japan
- Teddybearr
- Сообщения: 5109
- Зарегистрирован: 27 апр 2008, 16:42
- Двигатель:: 4m41 ТрубоДъзль
- Мой автомобиль(и):: Pajero
- Откуда: Ленинград
- Благодарил (а): 13 раз
- Поблагодарили: 86 раз
Re: освещение салона вырубилось
Мультиметром проверь во всех 3 положениях переключателя салонного света, ток идет?vast писал(а):а, понятно, я смотрел в салоне, а не в моторном отсеке
Есть вопросы по Четверке? Идите в F.A.Q.!
-
vast
- Сообщения: 612
- Зарегистрирован: 19 дек 2008, 09:17
- Двигатель:: 4М41
- Мой автомобиль(и):: был - Паджеро 4, дизель, 3,2 DiD, сейчас не митсубиси
- Откуда: Москва
- Откуда: Москва
- Поблагодарили: 6 раз
Re: освещение салона вырубилось
вот ведь, купил 3 новых лампочки - не горит ни одна, проверил сами лампочки - все бракованные. купил еще 3 лампочки - 2 горят, 1 не горит... из 6 штук заработали только 2.
еще прикол - вытащил 18 предохранитель отвечающий за эти лампочки - сбросился комп, часы и система стабилизации.
еще прикол - вытащил 18 предохранитель отвечающий за эти лампочки - сбросился комп, часы и система стабилизации.
- Teddybearr
- Сообщения: 5109
- Зарегистрирован: 27 апр 2008, 16:42
- Двигатель:: 4m41 ТрубоДъзль
- Мой автомобиль(и):: Pajero
- Откуда: Ленинград
- Благодарил (а): 13 раз
- Поблагодарили: 86 раз
Re: освещение салона вырубилось
Проверяй в магазине лампыvast писал(а):вот ведь, купил 3 новых лампочки - не горит ни одна, проверил сами лампочки - все бракованные. купил еще 3 лампочки - 2 горят, 1 не горит... из 6 штук заработали только 2.
еще прикол - вытащил 18 предохранитель отвечающий за эти лампочки - сбросился комп, часы и система стабилизации.
Есть вопросы по Четверке? Идите в F.A.Q.!
- BabyHummer A-328
- Сообщения: 6030
- Зарегистрирован: 27 июн 2012, 12:30
- Двигатель:: Бензин 3.8
- Мой автомобиль(и):: Mitsubishi Pajero IV
- Откуда: Москва, Бабушкинская
- Откуда: Москва
- Благодарил (а): 166 раз
- Поблагодарили: 212 раз
Re: освещение салона вырубилось
Вот такого типа установи лампочкиvast писал(а):вот ведь, купил 3 новых лампочки - не горит ни одна, проверил сами лампочки - все бракованные. купил еще 3 лампочки - 2 горят, 1 не горит... из 6 штук заработали только 2.
еще прикол - вытащил 18 предохранитель отвечающий за эти лампочки - сбросился комп, часы и система стабилизации.
Стоят около 100 руб в Планете Железяке
Зы. На пробу могу дать парочку таких(лишние оказались:( ) чтоб Вам не покупать, если Вы в Москве.
С уважением, Андрей
Псакой буду, если вру! :-)
Псакой буду, если вру! :-)
-
vast
- Сообщения: 612
- Зарегистрирован: 19 дек 2008, 09:17
- Двигатель:: 4М41
- Мой автомобиль(и):: был - Паджеро 4, дизель, 3,2 DiD, сейчас не митсубиси
- Откуда: Москва
- Откуда: Москва
- Поблагодарили: 6 раз
Re: освещение салона вырубилось
ни в одном магазе не видел проверялки автомобильных ламп (12В).TeddyBearr999 писал(а):Проверяй в магазине лампыvast писал(а):вот ведь, купил 3 новых лампочки - не горит ни одна, проверил сами лампочки - все бракованные. купил еще 3 лампочки - 2 горят, 1 не горит... из 6 штук заработали только 2.
еще прикол - вытащил 18 предохранитель отвечающий за эти лампочки - сбросился комп, часы и система стабилизации.
-
vast
- Сообщения: 612
- Зарегистрирован: 19 дек 2008, 09:17
- Двигатель:: 4М41
- Мой автомобиль(и):: был - Паджеро 4, дизель, 3,2 DiD, сейчас не митсубиси
- Откуда: Москва
- Откуда: Москва
- Поблагодарили: 6 раз
Re: освещение салона вырубилось
спасибо за предложениеBabyHummer A-328 писал(а):Вот такого типа установи лампочкиvast писал(а):вот ведь, купил 3 новых лампочки - не горит ни одна, проверил сами лампочки - все бракованные. купил еще 3 лампочки - 2 горят, 1 не горит... из 6 штук заработали только 2.
еще прикол - вытащил 18 предохранитель отвечающий за эти лампочки - сбросился комп, часы и система стабилизации.
Стоят около 100 руб в Планете Железяке
Зы. На пробу могу дать парочку таких(лишние оказались:( ) чтоб Вам не покупать, если Вы в Москве.
вопрос решил, свет работает.
- Teddybearr
- Сообщения: 5109
- Зарегистрирован: 27 апр 2008, 16:42
- Двигатель:: 4m41 ТрубоДъзль
- Мой автомобиль(и):: Pajero
- Откуда: Ленинград
- Благодарил (а): 13 раз
- Поблагодарили: 86 раз
Re: освещение салона вырубилось
Мультиметромvast писал(а):ни в одном магазе не видел проверялки автомобильных ламп (12В).TeddyBearr999 писал(а):Проверяй в магазине лампыvast писал(а):вот ведь, купил 3 новых лампочки - не горит ни одна, проверил сами лампочки - все бракованные. купил еще 3 лампочки - 2 горят, 1 не горит... из 6 штук заработали только 2.
еще прикол - вытащил 18 предохранитель отвечающий за эти лампочки - сбросился комп, часы и система стабилизации.
Есть вопросы по Четверке? Идите в F.A.Q.!
- Denya
- Сообщения: 1025
- Зарегистрирован: 18 дек 2011, 02:13
- Двигатель:: Дизель
- Мой автомобиль(и):: паджеро4
- Откуда: Красноярск
- Благодарил (а): 5 раз
- Поблагодарили: 46 раз
Re: освещение салона вырубилось
BabyHummer A-328, матерят эти "светодиоды" лучше нормальные лампочки ставить...
vast, не с ключем в зажигании снимался предохранитель?
не удивлюсь что так можно и АБС с Айрбаками грохнуть по неосторожности
vast, не с ключем в зажигании снимался предохранитель?
не удивлюсь что так можно и АБС с Айрбаками грохнуть по неосторожности
- Lebed
- Сообщения: 10748
- Зарегистрирован: 25 июл 2010, 11:23
- Двигатель:: ******
- Мой автомобиль(и):: ******
- Откуда: ***
- Откуда: ***
- Благодарил (а): 236 раз
- Поблагодарили: 431 раз
Re: освещение салона вырубилось
В чём прикол то? 17-ый пред сидит в колодке вместе с 18-ым.vast писал(а):...еще прикол - вытащил 18 предохранитель отвечающий за эти лампочки - сбросился комп, часы и система стабилизации.
Жжёте.Denya писал(а):...vast, не с ключем в зажигании снимался предохранитель?
не удивлюсь что так можно и АБС с Айрбаками грохнуть по неосторожности
"Если театр начинается с вешалки, то за такие пьесы нужно вешать." (с)
P.S. Для упырей- "Мы с тобой Гималаи; остальные — ничтожества." (с)
P.S. Для упырей- "Мы с тобой Гималаи; остальные — ничтожества." (с)
-
vast
- Сообщения: 612
- Зарегистрирован: 19 дек 2008, 09:17
- Двигатель:: 4М41
- Мой автомобиль(и):: был - Паджеро 4, дизель, 3,2 DiD, сейчас не митсубиси
- Откуда: Москва
- Откуда: Москва
- Поблагодарили: 6 раз
Re: освещение салона вырубилось
нет, не с ключом. ни один аэрбэк не пострадал:)Denya писал(а):BabyHummer A-328, матерят эти "светодиоды" лучше нормальные лампочки ставить...
vast, не с ключем в зажигании снимался предохранитель?
не удивлюсь что так можно и АБС с Айрбаками грохнуть по неосторожности
-
vast
- Сообщения: 612
- Зарегистрирован: 19 дек 2008, 09:17
- Двигатель:: 4М41
- Мой автомобиль(и):: был - Паджеро 4, дизель, 3,2 DiD, сейчас не митсубиси
- Откуда: Москва
- Откуда: Москва
- Поблагодарили: 6 раз
Re: освещение салона вырубилось
ну как бы для меня это было неожиданно, с какой радости установка предохранителя, отвечающего за освещение салона приводит к таким последствиям, да и плюс включился ближний свет.Lebed писал(а):В чём прикол то? 17-ый пред сидит в колодке вместе с 18-ым.vast писал(а):...еще прикол - вытащил 18 предохранитель отвечающий за эти лампочки - сбросился комп, часы и система стабилизации.
Жжёте.
- BabyHummer A-328
- Сообщения: 6030
- Зарегистрирован: 27 июн 2012, 12:30
- Двигатель:: Бензин 3.8
- Мой автомобиль(и):: Mitsubishi Pajero IV
- Откуда: Москва, Бабушкинская
- Откуда: Москва
- Благодарил (а): 166 раз
- Поблагодарили: 212 раз
Re: освещение салона вырубилось
Честно говоря, материть их не за что. Я все лампы в салоне заменил на свд-лампы и панельки. Свет стал гораздо более ярким, но и резким, из-за чего граница между освещенным участком и темным более четкая, резкая, нежели при лампах накаливания. Что непривычно.Denya писал(а):BabyHummer A-328, матерят эти "светодиоды" лучше нормальные лампочки ставить...
С уважением, Андрей
Псакой буду, если вру! :-)
Псакой буду, если вру! :-)
- Teddybearr
- Сообщения: 5109
- Зарегистрирован: 27 апр 2008, 16:42
- Двигатель:: 4m41 ТрубоДъзль
- Мой автомобиль(и):: Pajero
- Откуда: Ленинград
- Благодарил (а): 13 раз
- Поблагодарили: 86 раз
