Задние амортизаторы - разбиты сайлентблоки
Модераторы: SNOOPER, Nbf, Romik, BAlex, drcham, DenVer
- polic
- Сообщения: 110
- Зарегистрирован: 07 ноя 2010, 23:51
- Двигатель:: 6G74 Бензин
- Мой автомобиль(и):: Монтеро 2001 Limited
- Откуда: Апатиты, Мурманская область
- Откуда: Апатиты
- Благодарил (а): 6 раз
- Поблагодарили: 36 раз
Задние амортизаторы - разбиты сайлентблоки
Здравствуйте все!
Подошла моя очередь менять ступицы колес. При замене с ох...м удивлением обнаружил, что разбиты сайлентблоки задних амо. А я-то долго понять не мог, что за булькающие звуки от задней подвески. Перекурил все форумы, но нигде по задним амортизаторам ничего не нашел. Может быть кто-нибудь скажет посадочные размеры сайлентблока и втулки - длину, диаметр?
Или может у кого-нибудь есть старый аморт, чтобы с него снять размеры?
Заранее благодарю.
Удачи всем.
Подошла моя очередь менять ступицы колес. При замене с ох...м удивлением обнаружил, что разбиты сайлентблоки задних амо. А я-то долго понять не мог, что за булькающие звуки от задней подвески. Перекурил все форумы, но нигде по задним амортизаторам ничего не нашел. Может быть кто-нибудь скажет посадочные размеры сайлентблока и втулки - длину, диаметр?
Или может у кого-нибудь есть старый аморт, чтобы с него снять размеры?
Заранее благодарю.
Удачи всем.
Последний раз редактировалось polic 23 фев 2013, 21:00, всего редактировалось 4 раза.
Всегда найдется хороший человек, которого хочется застрелить.
- Кислый
- Сообщения: 183
- Зарегистрирован: 12 авг 2009, 14:38
- Двигатель:: 6G72
- Мой автомобиль(и):: Пыж 3 & 4(коротыш)
- Откуда: Ташкент
- Откуда: Казахстан, Актау; Узбекистан, Ташкент.
- Благодарил (а): 2 раза
- Поблагодарили: 17 раз
Re: Задние амортизаторы - разбиты сайлентблоки
Смотри здесь был найден ответ http://www.pajero4x4.ru/bbs/phpBB2/view ... 0#p1427920
для задних от АРБ номерок 110-110-076, как я понял по размерам они точно такие же как в родных амортах.
На всякий случай замеряй и отпишись подошли или нет и сделаем темку в фак!!!
для задних от АРБ номерок 110-110-076, как я понял по размерам они точно такие же как в родных амортах.
На всякий случай замеряй и отпишись подошли или нет и сделаем темку в фак!!!
Pajero III 2005, 3,0 6G72, черная кожа, люк, две печки/два кондера, фаркоп–в базе; салон «под алюминий»–делал сам.
ОМЕ, защита днища, ARB Sahara+WARN 9000, Safari Snorkel, люстра, BFG MT 285/75 R16, багажник Thule Xperience 828.
СВ Vector VT-27 NAVIGATOR.
ОМЕ, защита днища, ARB Sahara+WARN 9000, Safari Snorkel, люстра, BFG MT 285/75 R16, багажник Thule Xperience 828.
СВ Vector VT-27 NAVIGATOR.
- polic
- Сообщения: 110
- Зарегистрирован: 07 ноя 2010, 23:51
- Двигатель:: 6G74 Бензин
- Мой автомобиль(и):: Монтеро 2001 Limited
- Откуда: Апатиты, Мурманская область
- Откуда: Апатиты
- Благодарил (а): 6 раз
- Поблагодарили: 36 раз
Re: Задние амортизаторы - разбиты сайлентблоки
Спасибо, Кислый. Скоро буду менять свечи с проводами, заодно сниму аморт, выпрессую сайлент, потом по магазинам и обо всем отпишусь.Кислый писал(а):Смотри здесь был найден ответ http://www.pajero4x4.ru/bbs/phpBB2/view ... 0#p1427920
для задних от АРБ номерок 110-110-076, как я понял по размерам они точно такие же как в родных амортах.
На всякий случай замеряй и отпишись подошли или нет и сделаем темку в фак!!!
Всегда найдется хороший человек, которого хочется застрелить.
- polic
- Сообщения: 110
- Зарегистрирован: 07 ноя 2010, 23:51
- Двигатель:: 6G74 Бензин
- Мой автомобиль(и):: Монтеро 2001 Limited
- Откуда: Апатиты, Мурманская область
- Откуда: Апатиты
- Благодарил (а): 6 раз
- Поблагодарили: 36 раз
Re: Задние амортизаторы - разбиты сайлентблоки
Продолжаю тему.
Сегодня не удержался и снял один из задних амортизаторов.
Конечно, аморты хорошие, но втулки полное гуано.
Вот здесь видно, насколько резинка прослаблена. Втулка свободно вращается в проушине амортизатора.
А здесь приложено очень небольшое усилие и видим результат Всего двумя легкими ударами молотка втулка вылетела, как из пушки.
Вот что она из себя представляет. Какого-либо большого износа не обнаружил.
Вывод - или качество сборки или сама резина фуфло.
А так выглядит ухо амортизатора. Записав все размеры, пока ничего умнее не придумал, как намотать изоленту на втулку
и снова ее запрессовать. То же самое сделал со вторым амортизатором.
Выехал из гаража и сразу же почувствовал, что исчезли все стуки задней подвески.
Понятно, что с изолентой это ненадолго, но в качестве эксперимента пойдет.
Сейчас дома порыскал резинки по размерам в Инете и наткнулся на этот сайт http://vtr.su/
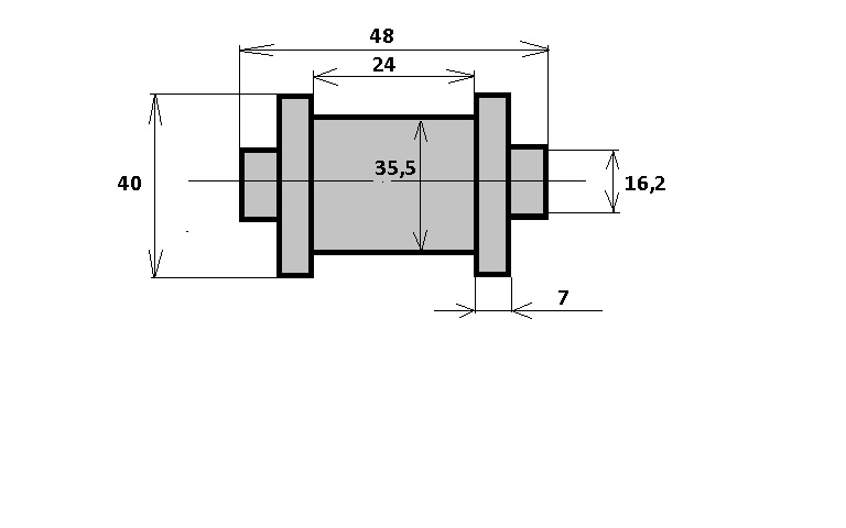
Тут то и нашел по своим размерам аналоговую деталь MI0603R Размеры втулки амортизатора Заказал. Когда приедет, продолжу тему.
Всем удачи.
Сегодня не удержался и снял один из задних амортизаторов.
Конечно, аморты хорошие, но втулки полное гуано.
Вот здесь видно, насколько резинка прослаблена. Втулка свободно вращается в проушине амортизатора.
А здесь приложено очень небольшое усилие и видим результат Всего двумя легкими ударами молотка втулка вылетела, как из пушки.
Вот что она из себя представляет. Какого-либо большого износа не обнаружил.
Вывод - или качество сборки или сама резина фуфло.
А так выглядит ухо амортизатора. Записав все размеры, пока ничего умнее не придумал, как намотать изоленту на втулку
и снова ее запрессовать. То же самое сделал со вторым амортизатором.
Выехал из гаража и сразу же почувствовал, что исчезли все стуки задней подвески.
Понятно, что с изолентой это ненадолго, но в качестве эксперимента пойдет.
Сейчас дома порыскал резинки по размерам в Инете и наткнулся на этот сайт http://vtr.su/
Тут то и нашел по своим размерам аналоговую деталь MI0603R Размеры втулки амортизатора Заказал. Когда приедет, продолжу тему.
Всем удачи.
Всегда найдется хороший человек, которого хочется застрелить.
- Turkcell
- Сообщения: 119
- Зарегистрирован: 22 дек 2010, 18:19
- Двигатель:: 2LTE
- Мой автомобиль(и):: TLC LJ78
- Откуда: Подмасквеэ
- Контактная информация:
Re: Задние амортизаторы - разбиты сайлентблоки
Ну как закончилась эпопея с амортизаторами? Купил родные резинки или подбирал аналог?
-
свитчер
- Сообщения: 305
- Зарегистрирован: 01 окт 2008, 16:04
- Откуда: spb
- Благодарил (а): 2 раза
- Поблагодарили: 14 раз
Re: Задние амортизаторы - разбиты сайлентблоки
VTR - китайское Г. так что как повезет но скорей всего ресурс изоленты схож. Покупал в верхние передние рычаги. Через неделю оторвалась резина от втулки. Хотя может в амортизаторе и походит. Может проще выточить из танковой резины и всунуть туда железную втулку от старого сайлентблока. Думаю проходит долго.
P III DID 2003 серебро длинный
- polic
- Сообщения: 110
- Зарегистрирован: 07 ноя 2010, 23:51
- Двигатель:: 6G74 Бензин
- Мой автомобиль(и):: Монтеро 2001 Limited
- Откуда: Апатиты, Мурманская область
- Откуда: Апатиты
- Благодарил (а): 6 раз
- Поблагодарили: 36 раз
Re: Задние амортизаторы - разбиты сайлентблоки
Прошу прощения, что не продолжил тему.Turkcell писал(а):Ну как закончилась эпопея с амортизаторами? Купил родные резинки или подбирал аналог?
Короче, сайлентблоки получил, но внутренний диаметр втулки не 14, а 16 мм! Ладно, впрессовал, поставил, очень сильно сжал в рычагах. Изменения в лучшую сторону, но резина действительно некачественная. Свитчер правильно сказал, что ресурс изоленты схож. Сейчас, конечно, лучше, чем на родных, но на мелкой гребенке простукивания слышны. Пока забил. Ближе к лету все равно эту тему добью до конца. А насчет выточки из танковой резины - идея интересная. Тем более, что токарь есть классный.
Удачи всем!
Всегда найдется хороший человек, которого хочется застрелить.
- Turkcell
- Сообщения: 119
- Зарегистрирован: 22 дек 2010, 18:19
- Двигатель:: 2LTE
- Мой автомобиль(и):: TLC LJ78
- Откуда: Подмасквеэ
- Контактная информация:
Re: Задние амортизаторы - разбиты сайлентблоки
А где её только найти???свитчер писал(а): Может проще выточить из танковой резины и всунуть туда железную втулку от старого сайлентблока. Думаю проходит долго.
- stranger699
- Сообщения: 1336
- Зарегистрирован: 23 ноя 2008, 18:01
- Двигатель:: 4М41
- Мой автомобиль(и):: П3 5 doors 2002 АКПП
- Откуда: Белгород
- Откуда: Белгород
- Благодарил (а): 9 раз
- Поблагодарили: 19 раз
- Контактная информация:
Re: Задние амортизаторы - разбиты сайлентблоки
господа,если вы заказывали данную з/ч и все подошло,что мешало взять нормальный аналог по тому же каталогу...
Точка Опоры 3-06-277 - мой совет
Mitsubishi MB 584166
Точка Опоры 3-06-277 - мой совет
Mitsubishi MB 584166
"— Мам, а ты мне хайджек купишь? — Конечно! И хайджек тебе купим, и джип к нему купим, и друзей-расп...яев, бл..ь, купим, чтобы все, как у отца было!"
-
свитчер
- Сообщения: 305
- Зарегистрирован: 01 окт 2008, 16:04
- Откуда: spb
- Благодарил (а): 2 раза
- Поблагодарили: 14 раз
Re: Задние амортизаторы - разбиты сайлентблоки
Из танковой резины именно втулки хорошо и получаются. Сайлентблоки не ходят так как она (резина) жесткая.
Искать надо в воинских частях. Любой солдат или прапор может ножом или ножовкой кусок резины от танкового катка отрезать и за пачку сигарет или пиво вам продать. Обычно в воинских частях где есть техника имеется что то типа заднего двора где стоит старье. вот там можно и отрезать ну и еще там обычно есть танковые фары. тоже вроде вещь не плохая. Откуда знаю? В свое время служил в танковом полку так мы на этой помойке все что угодно находили для ремонта техники.
Искать надо в воинских частях. Любой солдат или прапор может ножом или ножовкой кусок резины от танкового катка отрезать и за пачку сигарет или пиво вам продать. Обычно в воинских частях где есть техника имеется что то типа заднего двора где стоит старье. вот там можно и отрезать ну и еще там обычно есть танковые фары. тоже вроде вещь не плохая. Откуда знаю? В свое время служил в танковом полку так мы на этой помойке все что угодно находили для ремонта техники.
P III DID 2003 серебро длинный
- Turkcell
- Сообщения: 119
- Зарегистрирован: 22 дек 2010, 18:19
- Двигатель:: 2LTE
- Мой автомобиль(и):: TLC LJ78
- Откуда: Подмасквеэ
- Контактная информация:
Re: Задние амортизаторы - разбиты сайлентблоки
У меня тоже на задних амортизаторах втулки в труху ((( Тут писал http://pajero4x4.ru/bbs/phpBB2/viewtopi ... 5#p1542938
Не стал экспериментировать, купил в Бриткаре всё оригинал.
Для информации:
1. Втулка SHOCK BUSH KIT 10x60 mm OMEB13 - 700 руб.
(на самой втулке написано OME 091)
2. Втулка SHOCK BUSH KIT LARGE EYE 19 mm OMEB36 - 525 руб.
(на самой втулке написано OME 066 19)
Замена в сервисе у меня в городе, заняло 40 минут времени при стоимости в 500 руб.
Не стал экспериментировать, купил в Бриткаре всё оригинал.
Для информации:
1. Втулка SHOCK BUSH KIT 10x60 mm OMEB13 - 700 руб.
(на самой втулке написано OME 091)
2. Втулка SHOCK BUSH KIT LARGE EYE 19 mm OMEB36 - 525 руб.
(на самой втулке написано OME 066 19)
Замена в сервисе у меня в городе, заняло 40 минут времени при стоимости в 500 руб.
-
fylhtqr
- Сообщения: 7
- Зарегистрирован: 05 сен 2016, 15:28
- Двигатель:: 4m40
- Мой автомобиль(и):: delica
- Откуда: черногорск
Задние амортизаторы - разбиты сайлентблоки
[youtube]https://youtu.be/u0IZwg-mT4c[/youtube] рабочий вариант
