TRT - Вдоль р.Киржач. Для стандартных 4х4 (08.11.25) Форум Обсуждение FAQ
Обогрев..
Модераторы: SNOOPER, Nbf, Romik, BAlex, drcham, алексей - Маленький Мук, DenVer, Алекс
- vlad447
- Сообщения: 105
- Зарегистрирован: 16 дек 2012, 14:50
- Двигатель:: 4D56-самостоятельная капиталка.. : 6G74
- Мой автомобиль(и):: паджерик коротыш 1992г АКПП:: P2 1994
- Откуда: Абакан
- Благодарил (а): 2 раза
Обогрев..
Мужики может кто по пунктам описать как и куда устанавливается электрообогреватель (кипятильник) и как крепится.. Очень буду благодарен!!!! двигатель 4D56
- Серега Сахалин
- Сообщения: 1494
- Зарегистрирован: 01 дек 2009, 05:31
- Двигатель:: D4BF (2016)
- Мой автомобиль(и):: Pajero-2, 91г
- Откуда: Сахалинская область
- Откуда: Северный Сахалин
- Благодарил (а): 79 раз
- Поблагодарили: 65 раз
Re: Обогрев..
4D56T также как на этот, по ссылке:
http://www.pajero4x4.ru/bbs/phpBB2/view ... fa#p575511
http://www.pajero4x4.ru/bbs/phpBB2/view ... fa#p575511
[NXF]G2(SS4) 5FM/T, V44W 2,5TD DEFA,руль МОМО,сигнал MITSUBA, подогрев зеркал.
фары PARDE, шнорк. SAFARY, шериф, ген. 110А,диски СКАД 7JJх16 ЕТ20 PCD6х139,7 DIA109,7
COOPER DISC. STT PRO 235/85 R16//Nokian Hakkapeliitta LT3 265 75 R16
фары PARDE, шнорк. SAFARY, шериф, ген. 110А,диски СКАД 7JJх16 ЕТ20 PCD6х139,7 DIA109,7
COOPER DISC. STT PRO 235/85 R16//Nokian Hakkapeliitta LT3 265 75 R16
- Серега Сахалин
- Сообщения: 1494
- Зарегистрирован: 01 дек 2009, 05:31
- Двигатель:: D4BF (2016)
- Мой автомобиль(и):: Pajero-2, 91г
- Откуда: Сахалинская область
- Откуда: Северный Сахалин
- Благодарил (а): 79 раз
- Поблагодарили: 65 раз
Re: Обогрев..
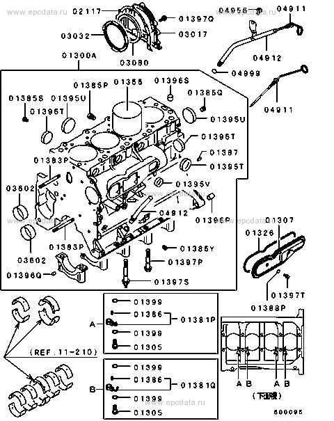
01395Т - заглушки под "кипятильник" по одной с каждой стороны блока,
у себя ставил справа.
- vlad447
- Сообщения: 105
- Зарегистрирован: 16 дек 2012, 14:50
- Двигатель:: 4D56-самостоятельная капиталка.. : 6G74
- Мой автомобиль(и):: паджерик коротыш 1992г АКПП:: P2 1994
- Откуда: Абакан
- Благодарил (а): 2 раза
Re: Обогрев..
Спасибо за описание.. а по проще и по дешевле есть чтонить или только такой кипятильник только можно поставить?
