Расцветка проводов щитка приборов паджеро 2 (93 год)
Модераторы: SNOOPER, Nbf, Romik, BAlex
-
toliksib
- Сообщения: 448
- Зарегистрирован: 02 фев 2013, 16:15
- Двигатель:: 6G72
- Мой автомобиль(и):: Mitsubishi Pajero II
- Откуда: Новосибирск
- Благодарил (а): 2 раза
- Поблагодарили: 17 раз
Расцветка проводов щитка приборов паджеро 2 (93 год)
Доброго дня или ночи всем ! Я перелопатил все доступные инструкции, перечитал форум вдоль и поперёк, но не нашёл нужной мне темы. А дело вот в чём: был на работе, авто на улице, и вот сигнализация замкнула. Подгорел щиток приборов и расплавилась одна из фишек подключения к нему. Щиток приборов и фишку я нашёл. К фишке надо подключить 14 проводов, и я знаю которые,но вот в какой последовательности. Вопрос: помогите пожалуйста с расцветкой проводов,какой цвет, каким номером крепить ? Может кто сделает фотографию или описание цвета проводов в последовательности от края до другого края фишки. Там их 4 штуки фишки плоские вставляются по краям внутрь щитка. Меня интересует самая длинная с 14-ю проводами,крепится около тахометра. Буду благодарен всем,кто откликнется на мою просьбу. Мой авто П-2, год 1993,бензин, дв. 6ж72, кузов 43, акпп, левый руль.
Последний раз редактировалось toliksib 03 фев 2013, 12:02, всего редактировалось 1 раз.
- Captain Sergio
- Сообщения: 4557
- Зарегистрирован: 30 янв 2012, 22:01
- Двигатель:: 4G18
- Мой автомобиль(и):: Pajero Пинин, 1999, АКПП, BMW X5
- Откуда: Ульяновск
- Благодарил (а): 264 раза
- Поблагодарили: 345 раз
Re: Расцветка проводов щитка приборов паджеро 2 (93 год)
В понедельник скину. Хотя попробую и завтра.
Сергей. Все будет хорошо! Грязезащита для рамных автомобилей.
- Captain Sergio
- Сообщения: 4557
- Зарегистрирован: 30 янв 2012, 22:01
- Двигатель:: 4G18
- Мой автомобиль(и):: Pajero Пинин, 1999, АКПП, BMW X5
- Откуда: Ульяновск
- Благодарил (а): 264 раза
- Поблагодарили: 345 раз
Re: Расцветка проводов щитка приборов паджеро 2 (93 год)
Этот разъем?
Сергей. Все будет хорошо! Грязезащита для рамных автомобилей.
- Captain Sergio
- Сообщения: 4557
- Зарегистрирован: 30 янв 2012, 22:01
- Двигатель:: 4G18
- Мой автомобиль(и):: Pajero Пинин, 1999, АКПП, BMW X5
- Откуда: Ульяновск
- Благодарил (а): 264 раза
- Поблагодарили: 345 раз
Re: Расцветка проводов щитка приборов паджеро 2 (93 год)
Или этот? Смотри посередине пропущенный контакт. По нему можно определить какой из них. Оба на 14 проводов.
Сергей. Все будет хорошо! Грязезащита для рамных автомобилей.
-
toliksib
- Сообщения: 448
- Зарегистрирован: 02 фев 2013, 16:15
- Двигатель:: 6G72
- Мой автомобиль(и):: Mitsubishi Pajero II
- Откуда: Новосибирск
- Благодарил (а): 2 раза
- Поблагодарили: 17 раз
Re: Расцветка проводов щитка приборов паджеро 2 (93 год)
Интересующий меня разъём вставляется около тахометра, и потому мой разъём видимо на первом рисунке. Но разъём то имеется у меня пустой и висят на пучке 14 разноцветных проводов. В каком порядке их подсоединить ? А по поводу пропуска в середине разъёма - завтра уточню.
- Captain Sergio
- Сообщения: 4557
- Зарегистрирован: 30 янв 2012, 22:01
- Двигатель:: 4G18
- Мой автомобиль(и):: Pajero Пинин, 1999, АКПП, BMW X5
- Откуда: Ульяновск
- Благодарил (а): 264 раза
- Поблагодарили: 345 раз
Re: Расцветка проводов щитка приборов паджеро 2 (93 год)
Ты сначала разъем какой скажи, потом цвета дам и номера контактов. То что он на схеме у тахометра еще ни о чем не говорит. Посмотри, возможно там название написано на плате или на разъеме. Все 14 проводов бы не помешало по цветам выписать. Мне проще искать будет. Они по пятидесяти страницам раскиданы. Если есть полоса - так и пиши. Например , белый с желтым. Рисунок с праворульки прилагаю. Твой сверху. а вот белый или черный?
Сергей. Все будет хорошо! Грязезащита для рамных автомобилей.
-
toliksib
- Сообщения: 448
- Зарегистрирован: 02 фев 2013, 16:15
- Двигатель:: 6G72
- Мой автомобиль(и):: Mitsubishi Pajero II
- Откуда: Новосибирск
- Благодарил (а): 2 раза
- Поблагодарили: 17 раз
Re: Расцветка проводов щитка приборов паджеро 2 (93 год)
По фотографии мой разъём белый верхний, то есть справа - там тахометр и стоит. А вот по рисункам получается, что вторая схема подходит, т.е. С-05, надо полагать - фиксатор(защёлка) у разъёма сверху. На разъёме ничего не написано, а на плате там куда должен входить штекер дорожки пронумерованы от 1 до 14. При присоединении штекера провод 51 соединится с дорожкой 1, 52 - с дорожкой 2 и так далее, 64 - соответственно соединится с дорожкой 14. Теперь цвета 14-ти проводов: красный, красный с чёрной полосой, красный с голубой полосой(возможно этот цвет небесно-голубой), белый, жёлтый с красной полосой, жёлтый с голубой полосой(возможно полоска зелёная - смотря какое освещение и под каким углом на её смотреть), чёрный, чёрный, чёрный, чёрный с жёлтой полосой, чёрный с красной полосой, зелёный, зелёный с жёлтой полосой, зелёный с красной полосой. Три одинаковых чёрных - я не ошибся - так и есть три чёрных провода без полосок.
Последний раз редактировалось toliksib 07 мар 2013, 08:56, всего редактировалось 1 раз.
- Captain Sergio
- Сообщения: 4557
- Зарегистрирован: 30 янв 2012, 22:01
- Двигатель:: 4G18
- Мой автомобиль(и):: Pajero Пинин, 1999, АКПП, BMW X5
- Откуда: Ульяновск
- Благодарил (а): 264 раза
- Поблагодарили: 345 раз
Re: Расцветка проводов щитка приборов паджеро 2 (93 год)
А вот и неправда. Разъем твой называется С-12. Лови рисунок и распиновку. Первый контакт найдешь по описанию цепи (по дорожке глянь куда идет). Проверь также по дорожкам все описания цепей, чтобы не пожечь панель! Удачи!
Сергей. Все будет хорошо! Грязезащита для рамных автомобилей.
- Дроныч
- Организатор ПТФ-2012 Белые Ночи
- Сообщения: 3485
- Зарегистрирован: 02 апр 2011, 17:19
- Двигатель:: 4D56T, Дизель
- Мой автомобиль(и):: Pajero sport
- Откуда: Питер
- Благодарил (а): 19 раз
- Поблагодарили: 152 раза
Re: Расцветка проводов щитка приборов паджеро 2 (93 год)
Для наглядности 
МПС, 4D56T (116 л.с.),2002 г, МКПП, бодик 6 см, Купер СТТ 285/75R16, Warn 9000, хобот, пневмоблок от П2, пружины от Патруля, хай джек, лопата, топор, бензопила
-
toliksib
- Сообщения: 448
- Зарегистрирован: 02 фев 2013, 16:15
- Двигатель:: 6G72
- Мой автомобиль(и):: Mitsubishi Pajero II
- Откуда: Новосибирск
- Благодарил (а): 2 раза
- Поблагодарили: 17 раз
Re: Расцветка проводов щитка приборов паджеро 2 (93 год)
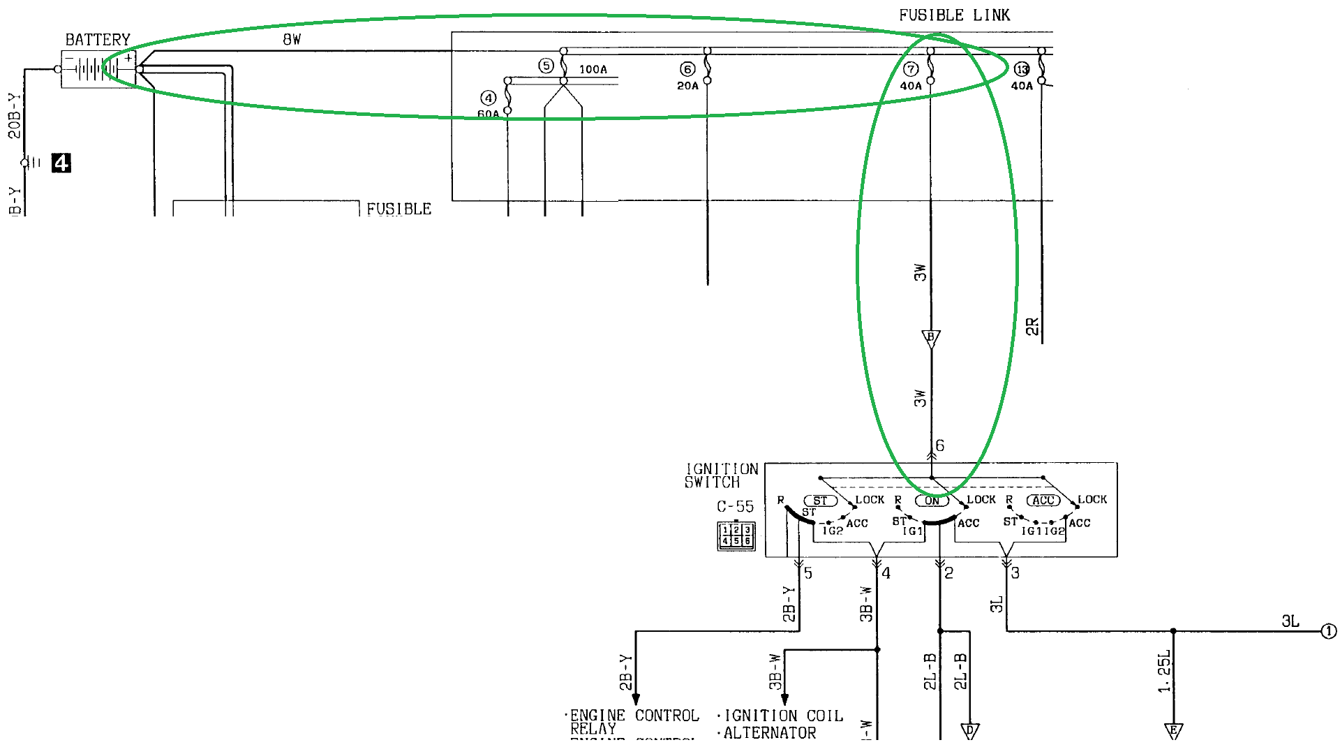
Спасибо Дронычу за фото. Это действительно тот самый разъём и цвета проводов сходятся. Спасибо и капитану Сергею, за то что не заблудился в моих описаниях и понял что мне требуется. -----------------Теперь ещё по электрике у меня вопрос: откуда приходит на замок зажигания 12в ? После замыкания сигнализации я все их провода и "приблуды" убрал, разорванные штатные провода соединил. Но плюса на замке нет. Пробросил от аккумулятора провод к замку(присоединил на разъёме к толстому белому проводу) и всё заработало как надо. То есть зажигание включил и мотор завёл(часть приборов конечно не показывали,потому как разъём С-12 ещё не был готов). Так вот, начал искать где разрыв: проследил куда пошёл белый толстый провод (я так понял что по нему должно прийти 12в от батареи) и он в жгуте уходит в крыло. А вот каким цветом он выходит в моторный отсек и через что ? Предохранители и пережигаемые перемычки около акума я проверил. Одна главная на 60 ампер была сгоревшая. Её восстановил, но на замке пусто. К замку зажигания 6-ти контактный разъём. К нему подходят пять проводов, три из них толстые: белый, синий и чёрно-красный. Да, напряжение я конечно на всех пяти проводах проверял - его нет. И ещё, там в крыле разъём с двумя перемычками был конечно "состарившийся", окислившийся, но провода я почистил и соединил как положено в два пучка. Где же мне ещё поискать затерявшийся "+" ?
- Captain Sergio
- Сообщения: 4557
- Зарегистрирован: 30 янв 2012, 22:01
- Двигатель:: 4G18
- Мой автомобиль(и):: Pajero Пинин, 1999, АКПП, BMW X5
- Откуда: Ульяновск
- Благодарил (а): 264 раза
- Поблагодарили: 345 раз
Re: Расцветка проводов щитка приборов паджеро 2 (93 год)
Лови склееную схему. Там твой толстый белый провод под индексом 3W Будут вопросы - пиши.
Сергей. Все будет хорошо! Грязезащита для рамных автомобилей.
-
toliksib
- Сообщения: 448
- Зарегистрирован: 02 фев 2013, 16:15
- Двигатель:: 6G72
- Мой автомобиль(и):: Mitsubishi Pajero II
- Откуда: Новосибирск
- Благодарил (а): 2 раза
- Поблагодарили: 17 раз
Re: Расцветка проводов щитка приборов паджеро 2 (93 год)
С проводом на замок зажигания всё сошлось, предохранитель на 40А прозвонил и он не рабочий, а на вид через стёклышко целый. Вобщем заменил его и "+" на замке появился.
Сергей! А вот со щитком приборов что-то не сходится. Твоя таблица расцветки проводов и фотография
Дроныча сошлись по цветам и у меня пучок таких же цветных проводов. Предварительно я обрадовался, но видимо рановато. Пошёл в гараж, стал проверять дорожки - они на плате пронумерованы. И вот какая картина:
1 и 2 дорожки идут на лампочку правого поворота,
3 дорожка на лампочку режим R,
4, 5, 6 дорожки на массу,
7 дорожка закончилась на контакте не доходя режимов АКПП,
8 и 9 дорожки идут на сигнальную лампочку дальнего света,
10 и 11 дорожки идут на индикатор переключения коробки в автоматический режим - это по мануалу (а что у меня высвечивалось я не помню),
12 и 13 дорожки идут на сигнальную лампу, предупреждающую о не закрытой двери,
14 дорожка на массу.
Повторюсь: нумерация дорожек на плате есть. Как же теперь соединить провода ?
Сергей! А вот со щитком приборов что-то не сходится. Твоя таблица расцветки проводов и фотография
Дроныча сошлись по цветам и у меня пучок таких же цветных проводов. Предварительно я обрадовался, но видимо рановато. Пошёл в гараж, стал проверять дорожки - они на плате пронумерованы. И вот какая картина:
1 и 2 дорожки идут на лампочку правого поворота,
3 дорожка на лампочку режим R,
4, 5, 6 дорожки на массу,
7 дорожка закончилась на контакте не доходя режимов АКПП,
8 и 9 дорожки идут на сигнальную лампочку дальнего света,
10 и 11 дорожки идут на индикатор переключения коробки в автоматический режим - это по мануалу (а что у меня высвечивалось я не помню),
12 и 13 дорожки идут на сигнальную лампу, предупреждающую о не закрытой двери,
14 дорожка на массу.
Повторюсь: нумерация дорожек на плате есть. Как же теперь соединить провода ?
- Captain Sergio
- Сообщения: 4557
- Зарегистрирован: 30 янв 2012, 22:01
- Двигатель:: 4G18
- Мой автомобиль(и):: Pajero Пинин, 1999, АКПП, BMW X5
- Откуда: Ульяновск
- Благодарил (а): 264 раза
- Поблагодарили: 345 раз
Re: Расцветка проводов щитка приборов паджеро 2 (93 год)
Не беда. разберемся. Возможно щиток от другой модели. Скинь пожалуйста номер щитка приборного, который ты сейчас пытаешься поставить и фото разъема с номерами, если можно. Проверю на всякий случай. Сейчас еще раз цепи посмотрю, может я чего напутал при сортировке.
Еще вопрос - круиз-контроль у тебя установлен?
Еще вопрос - круиз-контроль у тебя установлен?
Сергей. Все будет хорошо! Грязезащита для рамных автомобилей.
- Captain Sergio
- Сообщения: 4557
- Зарегистрирован: 30 янв 2012, 22:01
- Двигатель:: 4G18
- Мой автомобиль(и):: Pajero Пинин, 1999, АКПП, BMW X5
- Откуда: Ульяновск
- Благодарил (а): 264 раза
- Поблагодарили: 345 раз
Re: Расцветка проводов щитка приборов паджеро 2 (93 год)
Все проверил. У меня все правильно. Ты попробуй мою табличку распечатать, а справа свою расписать, только задом наперед. У меня 1, у тебя на плате 14 и т.д. Увидишь много интересного
А потом проверь те цепи, которые не совпали с моей. С ними надо разбираться, с учетом моих комментариев ниже.
Маленькие поправки в цепях (там где я писал масса имелось ввиду сторона кузова, а не щитка):
9 - Указатель температуры (масса)
10 - Указатель температуры (датчик)
11 - Тахметр (масса)
13 - Нечто под названием REED (масса).
Маленькие поправки в цепях (там где я писал масса имелось ввиду сторона кузова, а не щитка):
9 - Указатель температуры (масса)
10 - Указатель температуры (датчик)
11 - Тахметр (масса)
13 - Нечто под названием REED (масса).
Сергей. Все будет хорошо! Грязезащита для рамных автомобилей.
-
toliksib
- Сообщения: 448
- Зарегистрирован: 02 фев 2013, 16:15
- Двигатель:: 6G72
- Мой автомобиль(и):: Mitsubishi Pajero II
- Откуда: Новосибирск
- Благодарил (а): 2 раза
- Поблагодарили: 17 раз
Re: Расцветка проводов щитка приборов паджеро 2 (93 год)
Наверное всё правильно ты Сергей описал. Скорее всего это я местами не правильно дал информацию. Сознаюсь, в электронике я не шибко силён, и потому некоторые места на плате может быть неправильно понял. Я считал если дорожка пришла на винтик - значит на массу(то есть на корпус).
В моём тексте: 4,5,6 дорожки идут на массу(по твоей таблице - это соответственно 11,10,9), так вот эти дорожки идут и заканчиваются на винтиках. Эти три винтика стоят примерно посередине платы(ну не совсем посередине) все рядышком и не соединяются друг с другом. Может они - эти винтики - совсем и не масса, ну или не все масса ?
Да, и первый(белый) провод, то есть на плате это дорожка 14 тоже заканчивается на винтике и он там, где тахометр.
Круиз-контроль стоит и он работал.
В моём тексте: 4,5,6 дорожки идут на массу(по твоей таблице - это соответственно 11,10,9), так вот эти дорожки идут и заканчиваются на винтиках. Эти три винтика стоят примерно посередине платы(ну не совсем посередине) все рядышком и не соединяются друг с другом. Может они - эти винтики - совсем и не масса, ну или не все масса ?
Да, и первый(белый) провод, то есть на плате это дорожка 14 тоже заканчивается на винтике и он там, где тахометр.
Круиз-контроль стоит и он работал.
- Captain Sergio
- Сообщения: 4557
- Зарегистрирован: 30 янв 2012, 22:01
- Двигатель:: 4G18
- Мой автомобиль(и):: Pajero Пинин, 1999, АКПП, BMW X5
- Откуда: Ульяновск
- Благодарил (а): 264 раза
- Поблагодарили: 345 раз
Re: Расцветка проводов щитка приборов паджеро 2 (93 год)
Тогда так
Сергей. Все будет хорошо! Грязезащита для рамных автомобилей.
-
toliksib
- Сообщения: 448
- Зарегистрирован: 02 фев 2013, 16:15
- Двигатель:: 6G72
- Мой автомобиль(и):: Mitsubishi Pajero II
- Откуда: Новосибирск
- Благодарил (а): 2 раза
- Поблагодарили: 17 раз
Re: Расцветка проводов щитка приборов паджеро 2 (93 год)
Спасибо Сергей! Завтра буду соединять и проверять работу щитка.
__________________________________________________________
8-го числа.
Собрал разъём, соединил провода, согласно схемы - таблицы. Подсоединил щиток приборов, включил зажигание, и всё что нужно заработало,засветилось. Порядок!
Думаю можно тему закрывать.
__________________________________________________________
8-го числа.
Собрал разъём, соединил провода, согласно схемы - таблицы. Подсоединил щиток приборов, включил зажигание, и всё что нужно заработало,засветилось. Порядок!
Думаю можно тему закрывать.
- w1nter
- Сообщения: 151
- Зарегистрирован: 02 окт 2009, 13:15
- Двигатель:: 4M40
- Мой автомобиль(и):: Pajero II 2.8TD
- Откуда: Алматы
- Откуда: Almaty
- Благодарил (а): 9 раз
- Поблагодарили: 9 раз
Re: Расцветка проводов щитка приборов паджеро 2 (93 год)
Captain Sergio
скажите пожалуйста, где взять выложенные Вами схемы? особенно наименование расположение разъёмов.
скажите пожалуйста, где взять выложенные Вами схемы? особенно наименование расположение разъёмов.
- w1nter
- Сообщения: 151
- Зарегистрирован: 02 окт 2009, 13:15
- Двигатель:: 4M40
- Мой автомобиль(и):: Pajero II 2.8TD
- Откуда: Алматы
- Откуда: Almaty
- Благодарил (а): 9 раз
- Поблагодарили: 9 раз
Re: Расцветка проводов щитка приборов паджеро 2 (93 год)
Спасибо! А на русском есть, как на картиинке выше?
