Домино Трофи 2026 - 25 Апреля - Обсудить и спросить тут.
Нужна помощь !!!!!! 4м40 пропал ток с провода
Модераторы: SNOOPER, Nbf, Romik, BAlex
-
maximus252
- Сообщения: 64
- Зарегистрирован: 24 янв 2012, 18:46
- Двигатель:: 4M40 Дизель
- Мой автомобиль(и):: MITSUBISHI PAJERO II
- Благодарил (а): 4 раза
- Поблагодарили: 1 раз
Нужна помощь !!!!!! 4м40 пропал ток с провода
уважаемые форумчане помогите пропал ток провода подскажите где искать пока сделал времянку кинул провод на прямую на + аккамулятора
- Captain Sergio
- Сообщения: 4557
- Зарегистрирован: 30 янв 2012, 22:01
- Двигатель:: 4G18
- Мой автомобиль(и):: Pajero Пинин, 1999, АКПП, BMW X5
- Откуда: Ульяновск
- Благодарил (а): 264 раза
- Поблагодарили: 346 раз
Re: Нужна помощь !!!!!! 4м40 пропал ток с провода
Год какой у машины?
Сергей. Все будет хорошо! Грязезащита для рамных автомобилей.
-
maximus252
- Сообщения: 64
- Зарегистрирован: 24 янв 2012, 18:46
- Двигатель:: 4M40 Дизель
- Мой автомобиль(и):: MITSUBISHI PAJERO II
- Благодарил (а): 4 раза
- Поблагодарили: 1 раз
Re: Нужна помощь !!!!!! 4м40 пропал ток с провода
95 меняли двигатель на контрактный если это поможит н двигателя 4M40-AL1691
- Captain Sergio
- Сообщения: 4557
- Зарегистрирован: 30 янв 2012, 22:01
- Двигатель:: 4G18
- Мой автомобиль(и):: Pajero Пинин, 1999, АКПП, BMW X5
- Откуда: Ульяновск
- Благодарил (а): 264 раза
- Поблагодарили: 346 раз
Re: Нужна помощь !!!!!! 4м40 пропал ток с провода
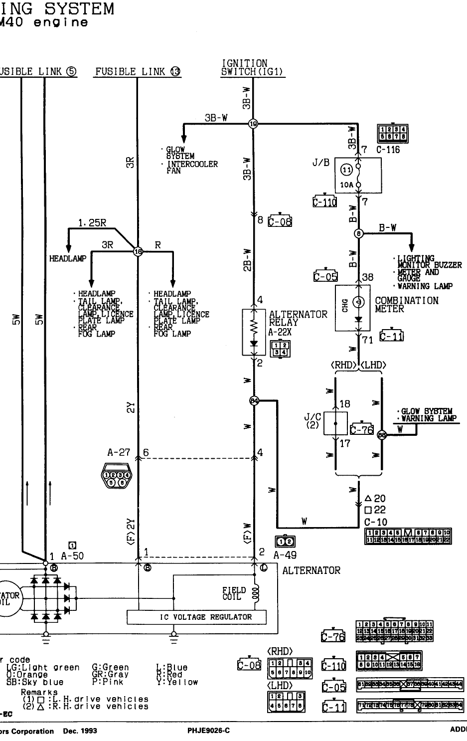
Судя по схеме сгорела желтая плавкая вставка №4 на 60 Ампер. Та самая, к которой напрямую провод прикручен. При этом не должны были работать - линия подогрева топлива (Fuel Line Heater), кондиционер, АБС, центральный замок, часы, магнитола, освещение салона., розетка для дополнительного оборудования. Возможно что-то упустил. Это предохранители в салоне №№ 1,6, 13, 14,16,17,19. Схему приложил, красным обвел. Посмотри на вставку внимательно и сравни вид с соседней. Увидишь - сгорела или нет. С таким проводом я бы не ездил. Пожар может быть. После каких телодвижений напряжение пропало?
Сергей. Все будет хорошо! Грязезащита для рамных автомобилей.
-
maximus252
- Сообщения: 64
- Зарегистрирован: 24 янв 2012, 18:46
- Двигатель:: 4M40 Дизель
- Мой автомобиль(и):: MITSUBISHI PAJERO II
- Благодарил (а): 4 раза
- Поблагодарили: 1 раз
Re: Нужна помощь !!!!!! 4м40 пропал ток с провода
Предохранитель целыйпоставилдругой.Предистория в приборке загорелясь герлянда аккумулятор маслёнка и вода в топ фильтре разобрар генератор пришолконец щёткам ну думаю вот причина поменял вместе с реле регулятором(шоколадка) не оригенал непомогла зарядки нет как видно на фото кинул провод на аккулятор появилась зарядка нопроблема не ушла почитал форум поменял сегодня диодный мост не оригенал непомогла зарядки нет ПОМОГИТЕ где искать да ещё с китайской шоколадкой реле накаливания перед запуском двигателя оттттттщёлкивалось через 4-6 сек но после как завелась неподогревала свечи отщёлкивалась почти сразу не какими 3мин и не пахло поставиль родную реле регулятор впаял внего от китайского реле щётки стала такая хрень повернел ключ зажигание в положение он держу лампочку на шине проходит 15 сек она не гаснит но как я сдел подождал 5 сек завел машину лампочку нашину работает подогрев свечей накала как положено 3 мин ЧТО делать PS сорри за знаки препинания и за грамматику пьян )))
- Captain Sergio
- Сообщения: 4557
- Зарегистрирован: 30 янв 2012, 22:01
- Двигатель:: 4G18
- Мой автомобиль(и):: Pajero Пинин, 1999, АКПП, BMW X5
- Откуда: Ульяновск
- Благодарил (а): 264 раза
- Поблагодарили: 346 раз
Re: Нужна помощь !!!!!! 4м40 пропал ток с провода
Вот оно мне надо переводом заниматься?
Ну так через него и идет на шину питание! Смотри другие плавкие вставки на целостность. Какие - будет время попробую подсказать.Предохранитель целый, поставил другой.
Не уловил мысль - как генератор с масленкой связан?Предистория:
В приборке загорелясь гирлянда - аккумулятор, маслёнка и вода в топ фильтре.
Какая проблема не ушла - можно конкретнее? Масленка и вода в топливном фильтре?Разобрал генератор - пришел конец щёткам. Ну думаю, вот причина. Поменял вместе с реле регулятором (шоколадка) не оригинал.
Не помогло - зарядки нет.
Кинул провод на аккумулятор (как видно на фото). Появилась зарядка. Но проблема не ушла.
Ты выше писал, что зарядка появилась!?!?Почитал форум, поменял сегодня диодный мост не оригинал.
Не помогло. Зарядки нет.
На какой шине? Почему она должна гаснуть?ПОМОГИТЕ.Где искать, да ещё с китайской шоколадкой.
Реле накаливания перед запуском двигателя оттттттщёлкивалось через 4-6 сек но после того как завелась неподогревала свечи,
отщёлкивалась почти сразу, ни какими 3мин и не пахло.
Поставиль родную реле регулятор, впаял в него от китайского реле щётки. Стала такая хрень - повернешь ключ зажигания в положение ON, держу лампочку на шине. Проходит 15 сек, она не гаснет.
Мне кажется тут лучше деньги найти и в сервис бежать. А то можно дров наломать.Но как я сделал - подождал 5 сек, завел машину, лампочку кинул на шину. Работает подогрев свечей накала как положено 3 мин.
ЧТО делать?
PS сорри за знаки препинания и за грамматику - пьян )))
Сергей. Все будет хорошо! Грязезащита для рамных автомобилей.
- Captain Sergio
- Сообщения: 4557
- Зарегистрирован: 30 янв 2012, 22:01
- Двигатель:: 4G18
- Мой автомобиль(и):: Pajero Пинин, 1999, АКПП, BMW X5
- Откуда: Ульяновск
- Благодарил (а): 264 раза
- Поблагодарили: 346 раз
Re: Нужна помощь !!!!!! 4м40 пропал ток с провода
Посмотри пятую плавкую вставку. На схеме она выше обведенной, в отсеке справа от желтой, синяя. Скорее всего в ней дело.
Сергей. Все будет хорошо! Грязезащита для рамных автомобилей.
-
maximus252
- Сообщения: 64
- Зарегистрирован: 24 янв 2012, 18:46
- Двигатель:: 4M40 Дизель
- Мой автомобиль(и):: MITSUBISHI PAJERO II
- Благодарил (а): 4 раза
- Поблагодарили: 1 раз
Re: Нужна помощь !!!!!! 4м40 пропал ток с провода
Огромное человеческое Вам Спасибо вы были правы обрыв синего силового предохранителя зарядка пошла при нагрузки 13V без около 15V .Но осталась одна проблема горит герлянда фото ниже может вы вкурсе и в этом 
-
maximus252
- Сообщения: 64
- Зарегистрирован: 24 янв 2012, 18:46
- Двигатель:: 4M40 Дизель
- Мой автомобиль(и):: MITSUBISHI PAJERO II
- Благодарил (а): 4 раза
- Поблагодарили: 1 раз
Re: Нужна помощь !!!!!! 4м40 пропал ток с провода
да совсем забыл сказать может это на что-то повлияет вместо синего предохранителя на 100А поставил на 80А (временно то что было под руками )
- Captain Sergio
- Сообщения: 4557
- Зарегистрирован: 30 янв 2012, 22:01
- Двигатель:: 4G18
- Мой автомобиль(и):: Pajero Пинин, 1999, АКПП, BMW X5
- Откуда: Ульяновск
- Благодарил (а): 264 раза
- Поблагодарили: 346 раз
Re: Нужна помощь !!!!!! 4м40 пропал ток с провода
Проблем не будет, максимум - перегорит при полной нагрузке. Свой временный провод сними - не забудь!maximus252 писал(а):да совсем забыл сказать может это на что-то повлияет вместо синего предохранителя на 100А поставил на 80А (временно то что было под руками )
Сергей. Все будет хорошо! Грязезащита для рамных автомобилей.
- Captain Sergio
- Сообщения: 4557
- Зарегистрирован: 30 янв 2012, 22:01
- Двигатель:: 4G18
- Мой автомобиль(и):: Pajero Пинин, 1999, АКПП, BMW X5
- Откуда: Ульяновск
- Благодарил (а): 264 раза
- Поблагодарили: 346 раз
Re: Нужна помощь !!!!!! 4м40 пропал ток с провода
Сегодня посмотрю, если будет время.maximus252 писал(а):Огромное человеческое Вам Спасибо вы были правы обрыв синего силового предохранителя зарядка пошла при нагрузки 13V без около 15V .Но осталась одна проблема горит герлянда фото ниже может вы вкурсе и в этом
Сергей. Все будет хорошо! Грязезащита для рамных автомобилей.
-
maximus252
- Сообщения: 64
- Зарегистрирован: 24 янв 2012, 18:46
- Двигатель:: 4M40 Дизель
- Мой автомобиль(и):: MITSUBISHI PAJERO II
- Благодарил (а): 4 раза
- Поблагодарили: 1 раз
Re: Нужна помощь !!!!!! 4м40 пропал ток с провода
новая проблема зарядка заработала теперь перестало работать подогрев свечей накала отчёлкиваеться через 5сек на моросе а когда проверяли в тёплом боксе всё работало а выгнали на мороз стало отчёлкиваться через 5сек
-
maximus252
- Сообщения: 64
- Зарегистрирован: 24 янв 2012, 18:46
- Двигатель:: 4M40 Дизель
- Мой автомобиль(и):: MITSUBISHI PAJERO II
- Благодарил (а): 4 раза
- Поблагодарили: 1 раз
- Captain Sergio
- Сообщения: 4557
- Зарегистрирован: 30 янв 2012, 22:01
- Двигатель:: 4G18
- Мой автомобиль(и):: Pajero Пинин, 1999, АКПП, BMW X5
- Откуда: Ульяновск
- Благодарил (а): 264 раза
- Поблагодарили: 346 раз
Re: Нужна помощь !!!!!! 4м40 пропал ток с провода
Изначально плавкая вставка 5 сгорела из-за замыкания в генераторе. Это факт. Эти три лампочки также завязаны на регулятор напряжения генератора. Т.е. проблема на 99% в генераторе. Я попробую поискать варианты решения проблемы. Пока навскидку накопал вот это "а на счёт того что по замеру всё ок, то в нашем случаи обмотка статора вся на массу коротила а заряд шёл 14.6". У тебя 15 Вольт. Явно завышенное. Сюда покопай.
Сергей. Все будет хорошо! Грязезащита для рамных автомобилей.
-
maximus252
- Сообщения: 64
- Зарегистрирован: 24 янв 2012, 18:46
- Двигатель:: 4M40 Дизель
- Мой автомобиль(и):: MITSUBISHI PAJERO II
- Благодарил (а): 4 раза
- Поблагодарили: 1 раз
Re: Нужна помощь !!!!!! 4м40 пропал ток с провода
зарядку померил ещё раз 14.5 (нагрузочной вилкой) по повуду замыкания выеснилось что оно было белый силовой провод перетёрло передним мостом соединил припоял
- Captain Sergio
- Сообщения: 4557
- Зарегистрирован: 30 янв 2012, 22:01
- Двигатель:: 4G18
- Мой автомобиль(и):: Pajero Пинин, 1999, АКПП, BMW X5
- Откуда: Ульяновск
- Благодарил (а): 264 раза
- Поблагодарили: 346 раз
Re: Нужна помощь !!!!!! 4м40 пропал ток с провода
Проблема в том. что при выключенном двигателе на клемме L регулятора должна быть практически масса (1-2 Вольта). После пуска двигателя там появляется +12В. После этого питания подается на все три лампочки, которые у Тебя горят. В твоем случае +12 там так и не появляется. Т.е. проблема либо в генераторе, либо, как вариант в блоке управления системой облегчения пуска (свечами накала). Попробуй для начала отсоединить разъем от блока облегчения пуска. Если не поможет - снимай генератор, смотри его.
Сергей. Все будет хорошо! Грязезащита для рамных автомобилей.
- Captain Sergio
- Сообщения: 4557
- Зарегистрирован: 30 янв 2012, 22:01
- Двигатель:: 4G18
- Мой автомобиль(и):: Pajero Пинин, 1999, АКПП, BMW X5
- Откуда: Ульяновск
- Благодарил (а): 264 раза
- Поблагодарили: 346 раз
Re: Нужна помощь !!!!!! 4м40 пропал ток с провода
Покопайся еще тут. Там есть твоя проблема. http://www.pajero4x4.ru/bbs/phpBB2/view ... &start=150
Сергей. Все будет хорошо! Грязезащита для рамных автомобилей.
- Captain Sergio
- Сообщения: 4557
- Зарегистрирован: 30 янв 2012, 22:01
- Двигатель:: 4G18
- Мой автомобиль(и):: Pajero Пинин, 1999, АКПП, BMW X5
- Откуда: Ульяновск
- Благодарил (а): 264 раза
- Поблагодарили: 346 раз
Re: Нужна помощь !!!!!! 4м40 пропал ток с провода
Который на вывод L генератора идет? Ну в этом и причина. Заработало?maximus252 писал(а):зарядку померил ещё раз 14.5 (нагрузочной вилкой) по повуду замыкания выеснилось что оно было белый силовой провод перетёрло передним мостом соединил припоял
Сергей. Все будет хорошо! Грязезащита для рамных автомобилей.
-
maximus252
- Сообщения: 64
- Зарегистрирован: 24 янв 2012, 18:46
- Двигатель:: 4M40 Дизель
- Мой автомобиль(и):: MITSUBISHI PAJERO II
- Благодарил (а): 4 раза
- Поблагодарили: 1 раз
Re: Нужна помощь !!!!!! 4м40 пропал ток с провода
летом когда загорелась герлянда я полес в генерато искать причину поменял реле регулятор (напрежения) на китайский транспо кажется у старого были стёрты щетки вот тогда и увидел что провод перетёрло мостом что я сделал скрутил его поставил на ак на+ на премую провод и успокоился зарядка была .почему полез снова выиснил что подогрев свечей завязан на реле регуляторе
-
maximus252
- Сообщения: 64
- Зарегистрирован: 24 янв 2012, 18:46
- Двигатель:: 4M40 Дизель
- Мой автомобиль(и):: MITSUBISHI PAJERO II
- Благодарил (а): 4 раза
- Поблагодарили: 1 раз
Re: Нужна помощь !!!!!! 4м40 пропал ток с провода
ак + протянутый напрямую к предохранителю зарядка была так и ездил до зимы ))))
