панель приборов NPS
Электрика в Pajero
Модераторы: SNOOPER, Nbf, Romik, BAlex
-
Max607
- Сообщения: 40
- Зарегистрирован: 28 фев 2012, 09:15
- Двигатель:: 4M41
- Мой автомобиль(и):: Pajero Sport New
- Откуда: Красноярск
- Откуда: Красноярск
- Благодарил (а): 2 раза
панель приборов NPS
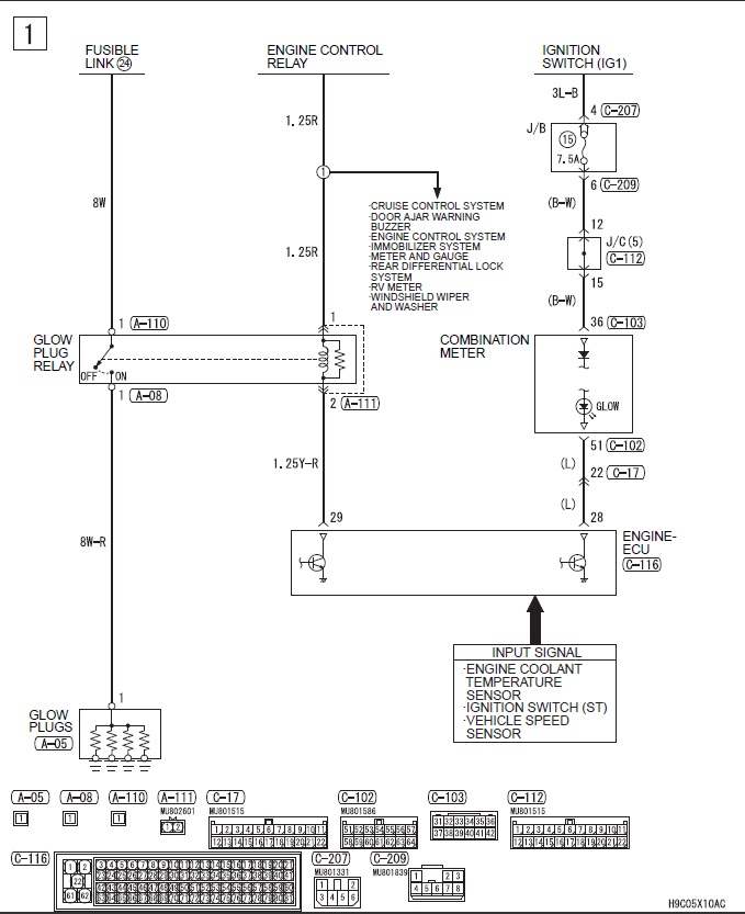
Форумчане доброго времени суток Вам! Интересует расстановка панели приборов на новом паджеро спорте, а именно тот провод который отвечает за включение лампы спирали предпрогрева. Админы извините, путем поиска ничего не нашел. Заранее благодарю!
Pajero sport new, аэрография, рация си-би, УКВ (позывной Авторадио - Красноярск "Гусар"), подогревы: магистрали, фильтра, бака, подвеска ОМЕ. лето Cooper Discoverer STT 265/70/17, зима Nokia Hakka 5 265/65/17
Max607
- valiok
- Сообщения: 255
- Зарегистрирован: 13 окт 2010, 13:16
- Двигатель:: 3,0 дизель
- Мой автомобиль(и):: AUDI Q7
- Откуда: Москва
- Откуда: Москва
- Благодарил (а): 1 раз
- Поблагодарили: 21 раз
- Контактная информация:
valiok
Перейти
- Pajero 4x4 Off-Road Club
- ↳ Подготовка к Зиме 2012-2026 и не только...
- ↳ Pajero 4x4 Off-Road Club
- ↳ Поздравления
- ↳ Клубные Мероприятия
- ↳ Pajero Wiki
- ↳ Мемориал
- ↳ Клубные Мероприятия (TRT,ПТФ,Снежный Барс,ET)
- ↳ ПТФ - Покер Трофи 2024
- ↳ Фото и Видео отчеты с ТРТ и Клубных выездов
- ↳ 2000-2021 (ПТФ, Снежный Барс, День Рождения,Endurance Trophy)
- ↳ Endurance Trophy
- ↳ Снежный Барс 2015
- ↳ День Рождения Клуба 2015
- ↳ Паджеро Трофи Фестиваль 2015 (12-14 Июня 2015 г.)
- ↳ Масленица 2013 - 16 Марта
- ↳ День Рождения Клуба 13-15 сентября 2013
- ↳ Масленица 2012
- ↳ Снежный Барс 2011
- ↳ Юбилейный Паджеро Трофи Фестиваль 14-15 Июня 2013 г.
- ↳ «Pajero Трофи Фестиваль» 2012
- ↳ Снежный Барс 2013
- ↳ День рождения клуба 2012
- ↳ День Рождения Клуба 20-21 Сентябрь 2014 года.
- ↳ Снежный Барс 2014
- ↳ Паджеро Трофи Фестиваль 2014 (12-15 Июня)
- ↳ Снежный Барс 2016
- ↳ Паджеро Трофи Фестиваль 2016
- ↳ Снежный Барс 2017
- ↳ Паджеро Трофи Фестиваль 2017
- ↳ ПТФ 2018 - Паджеро Трофи Фестиваль
- ↳ Снежный Барс 2018
- ↳ Снежный Барс-2019
- ↳ 12 Сентября 2020 г. День Рождения Клуба.
- ↳ ПТФ-2019 Ежегодный Паджеро Трофи Фестиваль
- ↳ Снежный Барс-2020
- ↳ Паджеро Трофи Фестиваль 2021
- ↳ ПТФ-2022
- ↳ День Рождения Паджеро Клуба 2023
- ↳ Паджеро-Трофи Фестиваль 2023
- ↳ Off-Road, Трофи-Рейды, Экспедиции, Aвтопутешествия
- ↳ Алтай
- ↳ Карелия, Кольский полуостров,Архангельская область
- ↳ Севера (Коми, Пермский край, Полярный Урал и дальше до Магадана)
- ↳ Средняя полоса России
- ↳ Поволжье
- ↳ Кавказ, Абхазия, Грузия
- ↳ Урал
- ↳ Байкал, забайкалье
- ↳ Дальний Восток
- ↳ Зарубежье
- ↳ Архив
- ↳ Крым
- ↳ Мой автомобиль. Бортжурнал.
- ↳ SOS - Просьба о помощи - Сегодня и Сейчас
- ↳ Голубев-Сервис
- ↳ Автотехцентр «АВТОЧИЛЛ»
- ↳ Подготовка и обслуживание внедорожников "Pajero Shop"
- ↳ Техподдержка сайта
- Mitsubishi Pajero I, II, III, IV, ...
- ↳ Сервисы и магазины: поиск, отзывы и впечатления.
- ↳ Магазины и сервисы
- ↳ ТехЦентр Автофор - Клубный автосервис. (985)970-50-14
- ↳ Интернет-магазин шин и дисков "Иванор"
- ↳ Паджеро Клуб Сервис 8(925)506-36-47
- ↳ СТО Автофор - Клубный автосервис. (ул. Привольная д. 2 с.4) +7 (495) 995-09-39
- ↳ Партнер клуба - Техцентр "Ми-Авто"
- ↳ Файн-Авто +7 (977) 890 33 60
- ↳ Автомастерская MEKS.RU
- ↳ Avtofor Sever г.Мытищы +7 925-511-18-55
- ↳ dr.motor Сервис
- ↳ АвтоТехцентр "JapKor Service"-Ярославское шоссе, Ростокино,ВДНХ 8(977)860-98-86
- ↳ Запавто77 Автосервис - 8(925)5181104 - Осташковское ш.
- ↳ Дизельный двигатель Mitsubishi
- ↳ Общие вопросы по дизельным двигателям
- ↳ 4D56 и его модификации 57-116л.с.
- ↳ 4D56 и его модификации 136-178л.с.
- ↳ 4М41 и его модификации
- ↳ 4М40 и его модификации
- ↳ 4N15 и его модификации
- ↳ Бензиновый двигатель Mitsubishi
- ↳ Mitsubishi Pajero I и II общий
- ↳ Электрика
- ↳ Mitsubishi Pajero/Montero III
- ↳ Электрика
- ↳ Двигатель Дизель
- ↳ Двигатель Бензин
- ↳ Mitsubishi Pajero/Montero IV
- ↳ FAQ по Pajero IV
- ↳ Электрика
- ↳ Двигатель Дизель
- ↳ Двигатель Бензин
- ↳ Mitsubishi Pajero Sport I-III
- ↳ Паджеро/Монтеро Спорт 1996-2008
- ↳ Электрика
- ↳ Двигатель Дизель
- ↳ Двигатель Бензин
- ↳ FAQ по Mitsubishi Pajero Sport
- ↳ Pajero Sport 2008-2016
- ↳ Подготовка автомобиля
- ↳ Все про шины и колеса
- ↳ Электрика
- ↳ Тюнинг
- ↳ Двигатель Дизель
- ↳ Двигатель Бензин
- ↳ FAQ по NEW Mitsubishi Pajero Sport (NMPS)
- ↳ Паджеро-Спорт 2016-...
- ↳ Электрика
- ↳ Дизельный двигатель
- ↳ Бензиновый двигатель
- ↳ Mitsubishi L200
- ↳ Электрика
- ↳ Двигатель Дизель
- ↳ Двигатель Бензин
- ↳ Pajero JR, IO, Mini, Pinin
- ↳ Mitsubishi Pajero iO/Pinin
- ↳ Mitsubishi Pajero Junior/Mini
- ↳ Барахолка JR, IO, Mini, Pinin
- ↳ Другие автомобили
- ↳ Автомобиль на газу
- ↳ Электрика
- ↳ Тюнинг
- ↳ Уход за автомобилем
- ↳ Защита от угона
- ↳ АКПП
- Общие темы
- ↳ Поиск работы, поиск сотрудников
- ↳ Государство и закон
- ↳ Дела домашние
- ↳ Все про Шины и Колеса для Pajero
- ↳ Покупка Pajero
- ↳ Помощь в подборе, осмотре и покупке автомобиля с пробегом.
- ↳ Юмор
- Off-Road
- ↳ В Бой, Подготовка автомобиля.
- ↳ Первая доврачебная помощь пострадавшим
- ↳ Преодолеваем бездорожье
- ↳ Необходимое Снаряжение
- ↳ CB 27 Mhz, 433 Mhz, Спутник, GPS, Навигаторы, Видеорегистраторы
- ↳ Рыбалка, охота и отдых
- ↳ Покатушки с 4x4 Тур
- ↳ Outdoor - Экстрим на открытом воздухе
- Барахолка
- ↳ Куплю, Продам - Pajero.
- ↳ Продажа автомобилей других марок
- ↳ Помощь в подборе, осмотре и покупке автомобиля с пробегом.
- ↳ Запасные части, разборка.
- ↳ Запчасти для Mitsubishi.
- ↳ Запчасти для Mitsubishi и не только.
- ↳ Разборки. Запасные части. Новые и б/у
- ↳ Куплю
- ↳ Продам
- ↳ Продам куплю все остальное.
- ↳ Off-Road снаряжение Продаю - Куплю.
- ↳ Куплю, Продам, Шины, Колеса, Обсуждения
- ↳ Все про Шины и Колеса для Pajero
- ↳ Новая и б/у резина и диски
- ↳ Шины R15"
- ↳ Шины R16"
- ↳ Шины R17" и более
- ↳ Диски R15"
- ↳ Диски R16"
- ↳ Диски R17" и более
- ↳ Колеса в сборе
- ↳ Архив
- ↳ Сообщения с ошибками.
- Регионы
- ↳ Петербург
- ↳ Петербург - Клубная жизнь
- ↳ Поздравления
- ↳ Петербург - Продам - Куплю
- ↳ Петербург - Off-Road
- ↳ Петербург-Курилка
- ↳ Поздравления
- ↳ Cосисочная
- ↳ Техподдержка
- ↳ Сервисы и магазины в Санкт-Петербурге: поиск, отзывы и впечатления.
- ↳ Тверь
- ↳ Тверская барахолка
- ↳ Техподдержка
- ↳ Поздравления
- ↳ Карелия-Петрозаводск
- ↳ Поздравления
- ↳ Мурманская область
- ↳ Поздравления
- ↳ Балтия
- ↳ Поздравления
- ↳ Беларусь
- ↳ Поздравления
- ↳ Сибирь
- ↳ Поздравления
- ↳ Омск
- ↳ Поздравления
- ↳ Дальний Восток
- ↳ Поздравления
- ↳ Самара
- ↳ Поздравления
- ↳ Поволжье
- ↳ Поздравления
- ↳ Урал
- ↳ Поздравления
- ↳ Красноярский край
- ↳ Поздравления
- ↳ Крым и Севастополь
- ↳ Юг России - Ростоff road, Кубань
- ↳ Поздравления
- ↳ Сочи и окрестности
- ↳ Нижний Новгород
- ↳ Барахолка Нижний Новгород
- ↳ Курилка Нижний Новгород
- ↳ Поздравления
- ↳ Украина
- ↳ Украинская барахолка
- ↳ Поздравления
- ↳ Иркутск
- ↳ Поздравления
- ↳ Казахстан
- ↳ Поздравления
- ↳ Центрально-Черноземный регион
- ↳ Поздравления
- ↳ Ульяновск
- ↳ Барахолка Ульяновск
- ↳ Ярославская область
- Pajero World Wide (English forum)
- ↳ Pajero World Wide
- ↳ Mitsubishi Models
- ↳ Technical
- ↳ Снежный Барс 2010 Состоится [ 23.Апреля.2011]
- ↳ Первая доврачебная помощь пострадавшим
- ↳ Партнёр клуба- компания SOUNDSPEED
- ↳ ПТФ
- ↳ ПТФ 2011
- ↳ ПТФ-2010
- ↳ ПТФ-2009
- ↳ Cнежный Барс 2009
- ↳ Мероприятия с клубом "Все 4х4"
- ↳ Рольф Центр - официальный дилер Mitsubishi
- ↳ Барс 4х4 - Партнер Клуба +7(495) 410-4500
