Домино Трофи 2026 - 25 Апреля - Обсудить и спросить тут.
Глюк системы накаливания свечей
Модераторы: SNOOPER, Nbf, Romik, BAlex
- flamer
- Сообщения: 2337
- Зарегистрирован: 20 май 2005, 12:34
- Двигатель:: 4D56t;4D56EFI;
- Мой автомобиль(и):: П-2 1993,П-2 2004
- Откуда: Ленинградская обл.
- Откуда: Мончегорск-Волхов
- Благодарил (а): 3 раза
- Поблагодарили: 106 раз
Глюк системы накаливания свечей
На холодном моторе система работает в штатном режиме,всё по правилам.После прогрева мотора начинает щёлкать реле,эпизодически,без системно,независимо от оборотов,передачи,стоянки,времени - пофиг.Определил - второе реле подающее 6 вольт на шину через резистор.Первая мысль датчик,а нет,снимаешь фишку и 6 вольт постоянно идёт на шину,одеваешь нагрузка пропадает и начинает иногда щёлкать.Вторая мысль - мозги,снимаю с рабочей машины(система та же) всё то же.Третья мысль вольтаж зарядки- опять мимо 14.2 как прибитая.Четвёртая мысль проводка пока не звонил,но ведь работает вначале штатно.
Прошу накидать работу для мозгов и рук
Прошу накидать работу для мозгов и рук
- Captain Sergio
- Сообщения: 4557
- Зарегистрирован: 30 янв 2012, 22:01
- Двигатель:: 4G18
- Мой автомобиль(и):: Pajero Пинин, 1999, АКПП, BMW X5
- Откуда: Ульяновск
- Благодарил (а): 264 раза
- Поблагодарили: 346 раз
Re: Глюк системы накаливания свечей
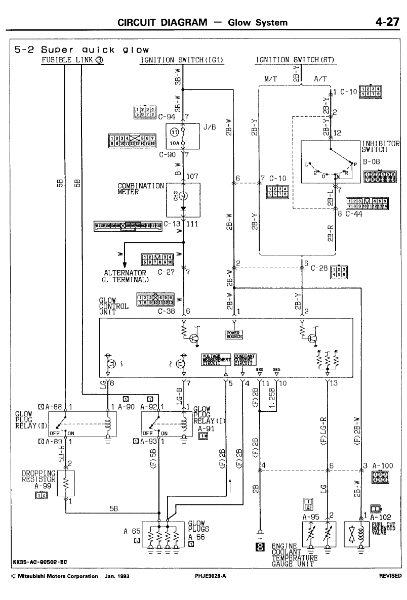
Мозги - имеется ввиду Glow Control Unit?
Сергей. Все будет хорошо! Грязезащита для рамных автомобилей.
- Captain Sergio
- Сообщения: 4557
- Зарегистрирован: 30 янв 2012, 22:01
- Двигатель:: 4G18
- Мой автомобиль(и):: Pajero Пинин, 1999, АКПП, BMW X5
- Откуда: Ульяновск
- Благодарил (а): 264 раза
- Поблагодарили: 346 раз
Re: Глюк системы накаливания свечей
Лови схему для 4 дверки без ЕГР. Для двигателей с ЕГР и 2-х дверок с ЕГР есть отличия (не смотрел). Посмотри датчики на входе, скорее всего что-то связано. Массу в 8 точке посмотри, возможно там отгрызлось. И год машины уточни - возможно есть отличия. Схема от 93-го.
Сергей. Все будет хорошо! Грязезащита для рамных автомобилей.
- flamer
- Сообщения: 2337
- Зарегистрирован: 20 май 2005, 12:34
- Двигатель:: 4D56t;4D56EFI;
- Мой автомобиль(и):: П-2 1993,П-2 2004
- Откуда: Ленинградская обл.
- Откуда: Мончегорск-Волхов
- Благодарил (а): 3 раза
- Поблагодарили: 106 раз
Re: Глюк системы накаливания свечей
Captain Sergio - не,для своих мозгов.Тех аж 2 шт.
Схемы все есть,спасибо.
Это на 93г,которую строю.Без ЕГР.Датчик всего один по t,он и даёт сигнал на блок.См.что писал выше.Щелкает реле 2.
Схемы все есть,спасибо.
Это на 93г,которую строю.Без ЕГР.Датчик всего один по t,он и даёт сигнал на блок.См.что писал выше.Щелкает реле 2.
- Captain Sergio
- Сообщения: 4557
- Зарегистрирован: 30 янв 2012, 22:01
- Двигатель:: 4G18
- Мой автомобиль(и):: Pajero Пинин, 1999, АКПП, BMW X5
- Откуда: Ульяновск
- Благодарил (а): 264 раза
- Поблагодарили: 346 раз
Re: Глюк системы накаливания свечей
Реле 1 и 2 включаются модулем управления Glow Control Unit. Его смотри. Реле 2 это рабочий режим - греет с помощью 6 Вольт несколько минут и зависит от температуры двигателя (или периодически включается пока двигатель не прогреется, например, до 80 гр. ?). Реле 1 - греет с помощью 12 Вольт несколько секунд, до момента запуска двигателя или до достижения заранее заданного интервала. Реле 2 при этом выключено. Т.е одновременно работает или реле 1 или реле 2. Правильно я понимаю логику работы этой системы?
Предположения:
1. Поскольку факт пуска дигателя определяется по появлению +12 Вольт от генератора - возможно питание с него идет нестабильное, например из-за щеток. Прибором этого не увидишь, как я понимаю. Отсюда переключения, пощелкивания реле 2. Почему только на холодную - непонятно.
2. Неисправность датчика или провода к нему. Поскольку это терморезистор - скорее надо смотреть проводку к нему. На холодную контакт есть, на горячую пропадает. Модуль решает, что двигатель еще не прогрет, соответственно включает реле 2.
Предположения:
1. Поскольку факт пуска дигателя определяется по появлению +12 Вольт от генератора - возможно питание с него идет нестабильное, например из-за щеток. Прибором этого не увидишь, как я понимаю. Отсюда переключения, пощелкивания реле 2. Почему только на холодную - непонятно.
2. Неисправность датчика или провода к нему. Поскольку это терморезистор - скорее надо смотреть проводку к нему. На холодную контакт есть, на горячую пропадает. Модуль решает, что двигатель еще не прогрет, соответственно включает реле 2.
Последний раз редактировалось Captain Sergio 25 фев 2013, 13:57, всего редактировалось 1 раз.
Сергей. Все будет хорошо! Грязезащита для рамных автомобилей.
- valiok
- Сообщения: 255
- Зарегистрирован: 13 окт 2010, 13:16
- Двигатель:: 3,0 дизель
- Мой автомобиль(и):: AUDI Q7
- Откуда: Москва
- Откуда: Москва
- Благодарил (а): 1 раз
- Поблагодарили: 21 раз
- Контактная информация:
Re: Глюк системы накаливания свечей
щелкание реле может быть нормальным
смотри страницу 16-25
смотри страницу 16-25
- Вложения
-
- 16_1.pdf
- (851.95 КБ) 62 скачивания
+7 916 393 13 13
http://chiptun-msk.ru/
http://chiptun-msk.ru/
- Captain Sergio
- Сообщения: 4557
- Зарегистрирован: 30 янв 2012, 22:01
- Двигатель:: 4G18
- Мой автомобиль(и):: Pajero Пинин, 1999, АКПП, BMW X5
- Откуда: Ульяновск
- Благодарил (а): 264 раза
- Поблагодарили: 346 раз
Re: Глюк системы накаливания свечей
Таки первые несколько секунд реле работают вместе. А на 43 странице как раз и видно, что реле включается периодически, пока двигатель не нагреется до 30 градусов.
Вопрос - периодичность включения зависит от сопротивления свечей, при нагреве сопротивление свечей падает и система отключается. Так? Или выключение происходит по таймеру все таки? Если система включается после прогрева двигателя (щелкает реле 2), значит все таки с датчиком проблема. Посмотри провода до него.
Вопрос - периодичность включения зависит от сопротивления свечей, при нагреве сопротивление свечей падает и система отключается. Так? Или выключение происходит по таймеру все таки? Если система включается после прогрева двигателя (щелкает реле 2), значит все таки с датчиком проблема. Посмотри провода до него.
Последний раз редактировалось Captain Sergio 25 фев 2013, 14:16, всего редактировалось 1 раз.
Сергей. Все будет хорошо! Грязезащита для рамных автомобилей.
- Captain Sergio
- Сообщения: 4557
- Зарегистрирован: 30 янв 2012, 22:01
- Двигатель:: 4G18
- Мой автомобиль(и):: Pajero Пинин, 1999, АКПП, BMW X5
- Откуда: Ульяновск
- Благодарил (а): 264 раза
- Поблагодарили: 346 раз
Re: Глюк системы накаливания свечей
А что за мануал? Где взять? ХаЧУ!
Сергей. Все будет хорошо! Грязезащита для рамных автомобилей.
- valiok
- Сообщения: 255
- Зарегистрирован: 13 окт 2010, 13:16
- Двигатель:: 3,0 дизель
- Мой автомобиль(и):: AUDI Q7
- Откуда: Москва
- Откуда: Москва
- Благодарил (а): 1 раз
- Поблагодарили: 21 раз
- Контактная информация:
Re: Глюк системы накаливания свечей
был бы адрес почты в твоих данных, а так куда слать-то?
+7 916 393 13 13
http://chiptun-msk.ru/
http://chiptun-msk.ru/
- flamer
- Сообщения: 2337
- Зарегистрирован: 20 май 2005, 12:34
- Двигатель:: 4D56t;4D56EFI;
- Мой автомобиль(и):: П-2 1993,П-2 2004
- Откуда: Ленинградская обл.
- Откуда: Мончегорск-Волхов
- Благодарил (а): 3 раза
- Поблагодарили: 106 раз
Re: Глюк системы накаливания свечей
Мужики,пропускаете один момент снимаешь фишку с датчика и 6 вольт постоянно идёт на шину НА ПРОГРЕТОЙ РАБОТАЮЩЕЙ машине - немогёт такого быть
- valiok
- Сообщения: 255
- Зарегистрирован: 13 окт 2010, 13:16
- Двигатель:: 3,0 дизель
- Мой автомобиль(и):: AUDI Q7
- Откуда: Москва
- Откуда: Москва
- Благодарил (а): 1 раз
- Поблагодарили: 21 раз
- Контактная информация:
Re: Глюк системы накаливания свечей
магет ишо как
на стр.25 есть примечание
в котором написано: что реле 2 даёт питание на свечи и отключает его для избежания перегрева(1050*)
засраные свечи накалом греются дольше(известный факт) по этому и отключаться второе реле может дольше-перегрева-то нет)))
на стр.25 есть примечание
в котором написано: что реле 2 даёт питание на свечи и отключает его для избежания перегрева(1050*)
засраные свечи накалом греются дольше(известный факт) по этому и отключаться второе реле может дольше-перегрева-то нет)))
+7 916 393 13 13
http://chiptun-msk.ru/
http://chiptun-msk.ru/
- flamer
- Сообщения: 2337
- Зарегистрирован: 20 май 2005, 12:34
- Двигатель:: 4D56t;4D56EFI;
- Мой автомобиль(и):: П-2 1993,П-2 2004
- Откуда: Ленинградская обл.
- Откуда: Мончегорск-Волхов
- Благодарил (а): 3 раза
- Поблагодарили: 106 раз
Re: Глюк системы накаливания свечей
К стати,если перед заводкой снять клемник с датчика,система отработает по таймеру,что на холодной,что на горячей т.к. сопротивление датчика бесконечно(холодно).
Реле работают по очереди
По мануалу 16-25 щёлкать на момент прогрева что бы свечи не спалить,далее всё равно отключение.
Ясно лишь одно искать ложный сигнал заставляющей схему работать.
Будем искать.
Книжка нормальная,у меня отдельно дизель и бензин,а картинки и текст одинаковые и куплены лет 10 назад
Реле работают по очереди
По мануалу 16-25 щёлкать на момент прогрева что бы свечи не спалить,далее всё равно отключение.
Ясно лишь одно искать ложный сигнал заставляющей схему работать.
Будем искать.
Книжка нормальная,у меня отдельно дизель и бензин,а картинки и текст одинаковые и куплены лет 10 назад
- Captain Sergio
- Сообщения: 4557
- Зарегистрирован: 30 янв 2012, 22:01
- Двигатель:: 4G18
- Мой автомобиль(и):: Pajero Пинин, 1999, АКПП, BMW X5
- Откуда: Ульяновск
- Благодарил (а): 264 раза
- Поблагодарили: 346 раз
Re: Глюк системы накаливания свечей
Адрес то простой - ульяновские мы - uln@rambler.ruvaliok писал(а):был бы адрес почты в твоих данных, а так куда слать-то?
Сергей. Все будет хорошо! Грязезащита для рамных автомобилей.
- Captain Sergio
- Сообщения: 4557
- Зарегистрирован: 30 янв 2012, 22:01
- Двигатель:: 4G18
- Мой автомобиль(и):: Pajero Пинин, 1999, АКПП, BMW X5
- Откуда: Ульяновск
- Благодарил (а): 264 раза
- Поблагодарили: 346 раз
Re: Глюк системы накаливания свечей
Попробуй посмотреть точку массы, я раньше писал. Посмотри именно место контакта с кузовом, внешне все может быть цивильно. Вполне вреоятно проблема в ней. Еслди надо расположение ее - скину.
Сергей. Все будет хорошо! Грязезащита для рамных автомобилей.
- flamer
- Сообщения: 2337
- Зарегистрирован: 20 май 2005, 12:34
- Двигатель:: 4D56t;4D56EFI;
- Мой автомобиль(и):: П-2 1993,П-2 2004
- Откуда: Ленинградская обл.
- Откуда: Мончегорск-Волхов
- Благодарил (а): 3 раза
- Поблагодарили: 106 раз
Re: Глюк системы накаливания свечей
Итог.Три датчика,три блока,прозвонка проводов,замер характеристик щёлкать продолжает на прогретой машине.
При пуске с датчиком всё отрабатывает в штатном режиме.При снятой фишке с датчика работа по таймеру в идеале.
Вывод:приход ложного сигнала по линии датчика (провод звонится нормально цешкой,надо мегером) займусь летом.
Решение:разорвал цепь датчика,работа по таймеру.
При пуске с датчиком всё отрабатывает в штатном режиме.При снятой фишке с датчика работа по таймеру в идеале.
Вывод:приход ложного сигнала по линии датчика (провод звонится нормально цешкой,надо мегером) займусь летом.
Решение:разорвал цепь датчика,работа по таймеру.
- vetalbon
- Сообщения: 9
- Зарегистрирован: 28 фев 2013, 23:53
- Двигатель:: бензин
- Мой автомобиль(и):: шевроое
- Откуда: Москва
Re: Глюк системы накаливания свечей
была таже проблема. Я их просто заменил на зимне устойчивые и все
- valiok
- Сообщения: 255
- Зарегистрирован: 13 окт 2010, 13:16
- Двигатель:: 3,0 дизель
- Мой автомобиль(и):: AUDI Q7
- Откуда: Москва
- Откуда: Москва
- Благодарил (а): 1 раз
- Поблагодарили: 21 раз
- Контактная информация:
Re: Глюк системы накаливания свечей
vetalbon писал(а):была таже проблема. Я их просто заменил на зимне устойчивые и все
это как?( зимне устойчивые)
+7 916 393 13 13
http://chiptun-msk.ru/
http://chiptun-msk.ru/
