Где стоит предохранитель ПТФ?
Модераторы: SNOOPER, Nbf, drcham, Romik, BAlex, DenVer, SoundSpeed
- Володя
- Сообщения: 7428
- Зарегистрирован: 17 авг 2004, 02:19
- Откуда: Московская область, г. Реутов
- Благодарил (а): 147 раз
- Поблагодарили: 90 раз
Где стоит предохранитель ПТФ?
Под рукой нет инструкции, подскажите, какой предохранитель отвечает за передние туманки на П4, 3,8 АКПП?
Дождались - Zа работу!
- SNOOPER
- Модератор
- Сообщения: 57430
- Зарегистрирован: 11 дек 2004, 19:49
- Двигатель:: 4D56
- Мой автомобиль(и):: NewMPS
- Откуда: 78
- Откуда: Spb
- Благодарил (а): 1027 раз
- Поблагодарили: 4785 раз
Re: Где стоит предохранитель ПТФ?
Под капотом 15А 20-е посадочное место.Володя писал(а):Под рукой нет инструкции, подскажите, какой предохранитель отвечает за передние туманки на П4, 3,8 АКПП?
- Володя
- Сообщения: 7428
- Зарегистрирован: 17 авг 2004, 02:19
- Откуда: Московская область, г. Реутов
- Благодарил (а): 147 раз
- Поблагодарили: 90 раз
Re: Где стоит предохранитель ПТФ?
Благодарю за оперативность!!!! Увы, не помогло.....
Дождались - Zа работу!
- Володя
- Сообщения: 7428
- Зарегистрирован: 17 авг 2004, 02:19
- Откуда: Московская область, г. Реутов
- Благодарил (а): 147 раз
- Поблагодарили: 90 раз
Re: Где стоит предохранитель ПТФ?
При нажатии кнопки ничего не щелкает , лампа на панели загорается, там реле никакого нет дополнительного?Володя писал(а):Увы, не помогло.....
Дождались - Zа работу!
- megranny
- Сообщения: 6152
- Зарегистрирован: 18 июл 2011, 01:22
- Двигатель:: дизель 4M41
- Мой автомобиль(и):: Subaru Forester III(S12),MP IV-3,2 Di-D Ultimate
- Откуда: ЦФО,76
- Благодарил (а): 16 раз
- Поблагодарили: 79 раз
Re: Где стоит предохранитель ПТФ?
Да ну,не так все и сложно.Но причин могет быть масса.А габариты горят?
I made in Japan
- Володя
- Сообщения: 7428
- Зарегистрирован: 17 авг 2004, 02:19
- Откуда: Московская область, г. Реутов
- Благодарил (а): 147 раз
- Поблагодарили: 90 раз
Re: Где стоит предохранитель ПТФ?
Габариты горят, задний ПТФ тоже, лампочки целые.
Дождались - Zа работу!
- megranny
- Сообщения: 6152
- Зарегистрирован: 18 июл 2011, 01:22
- Двигатель:: дизель 4M41
- Мой автомобиль(и):: Subaru Forester III(S12),MP IV-3,2 Di-D Ultimate
- Откуда: ЦФО,76
- Благодарил (а): 16 раз
- Поблагодарили: 79 раз
Re: Где стоит предохранитель ПТФ?
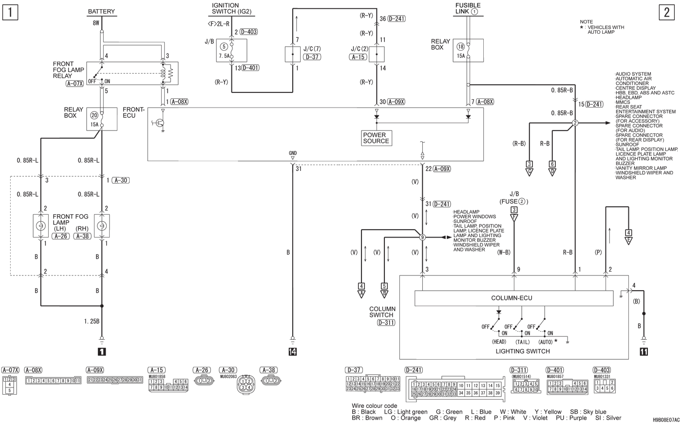
Само простое проверить релюху.А так сигнал на управление этой релюхи идет не прямо с выключателя,а с FRONT-ECU,и если релюха исправна надо проверять наличие этого самого сигнала.Володя писал(а):Габариты горят, задний ПТФ тоже, лампочки целые.
I made in Japan
- Володя
- Сообщения: 7428
- Зарегистрирован: 17 авг 2004, 02:19
- Откуда: Московская область, г. Реутов
- Благодарил (а): 147 раз
- Поблагодарили: 90 раз
Re: Где стоит предохранитель ПТФ?
А где релюха то стоит? Тыкнете носом, плиз!!
Дождались - Zа работу!
- megranny
- Сообщения: 6152
- Зарегистрирован: 18 июл 2011, 01:22
- Двигатель:: дизель 4M41
- Мой автомобиль(и):: Subaru Forester III(S12),MP IV-3,2 Di-D Ultimate
- Откуда: ЦФО,76
- Благодарил (а): 16 раз
- Поблагодарили: 79 раз
Re: Где стоит предохранитель ПТФ?
Дык под крышечкой блока оне все подписаны-Front Fog должно быть или FF.Володя писал(а):А где релюха то стоит? Тыкнете носом, плиз!!
Если сечас схему найду-поставлю.
I made in Japan
