Страница 1 из 1
Где стоит предохранитель ПТФ?
Добавлено: 07 апр 2013, 14:38
Володя
Под рукой нет инструкции, подскажите, какой предохранитель отвечает за передние туманки на П4, 3,8 АКПП?
Re: Где стоит предохранитель ПТФ?
Добавлено: 07 апр 2013, 14:50
SNOOPER
Володя писал(а):Под рукой нет инструкции, подскажите, какой предохранитель отвечает за передние туманки на П4, 3,8 АКПП?
Под капотом 15А 20-е посадочное место.
Re: Где стоит предохранитель ПТФ?
Добавлено: 07 апр 2013, 15:26
Володя
Благодарю за оперативность!!!! Увы, не помогло.....
Re: Где стоит предохранитель ПТФ?
Добавлено: 08 апр 2013, 12:45
Володя
Володя писал(а):Увы, не помогло.....
При нажатии кнопки ничего не щелкает , лампа на панели загорается, там реле никакого нет дополнительного?
Re: Где стоит предохранитель ПТФ?
Добавлено: 08 апр 2013, 13:02
megranny
Глянь в схему,могет помогет
Re: Где стоит предохранитель ПТФ?
Добавлено: 08 апр 2013, 13:05
Володя
Ага, тёмный лес.......
Re: Где стоит предохранитель ПТФ?
Добавлено: 08 апр 2013, 13:11
megranny
Да ну,не так все и сложно.Но причин могет быть масса.А габариты горят?
Re: Где стоит предохранитель ПТФ?
Добавлено: 08 апр 2013, 13:18
Володя
Габариты горят, задний ПТФ тоже, лампочки целые.
Re: Где стоит предохранитель ПТФ?
Добавлено: 08 апр 2013, 13:25
megranny
Володя писал(а):Габариты горят, задний ПТФ тоже, лампочки целые.
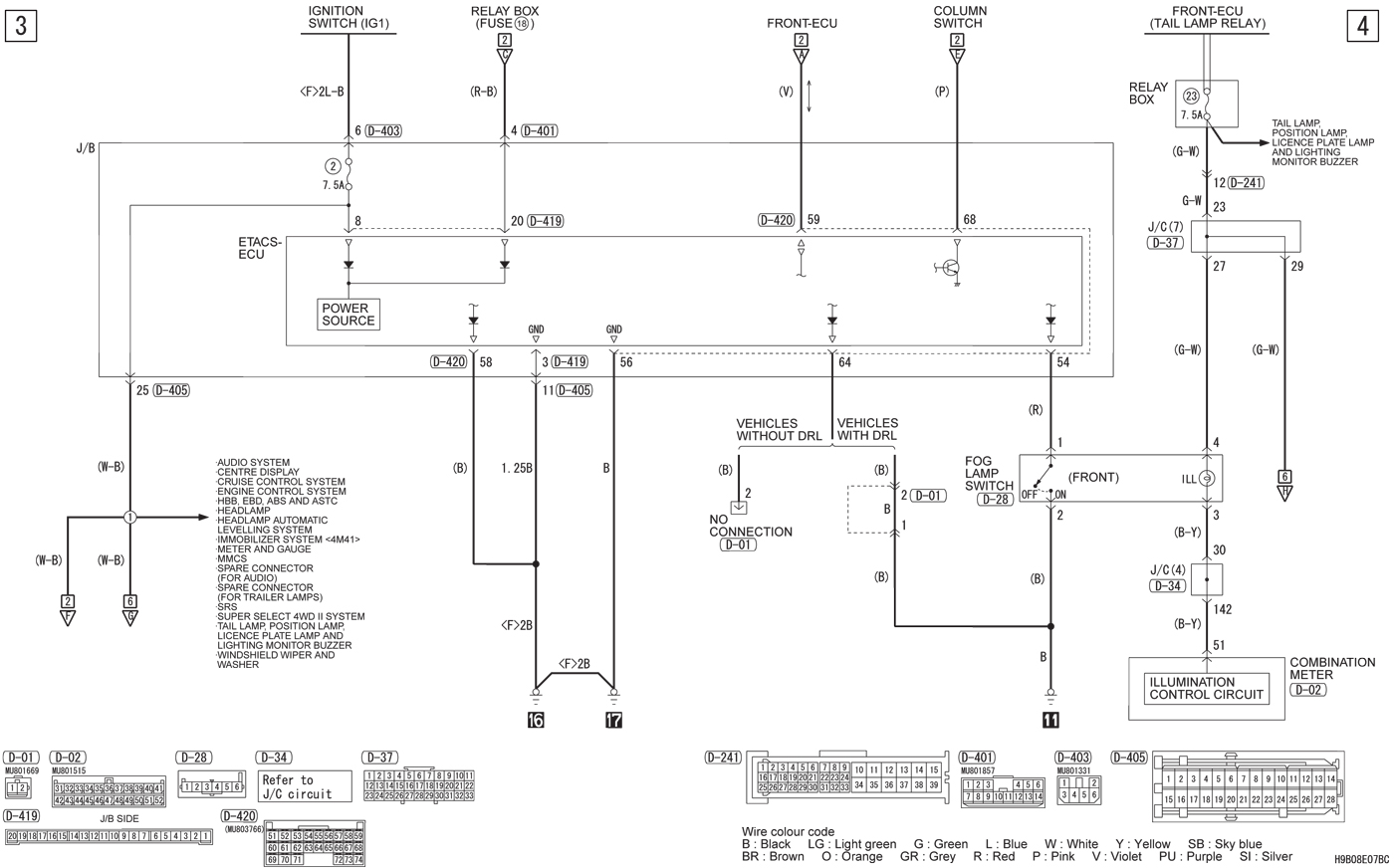
Само простое проверить релюху.А так сигнал на управление этой релюхи идет не прямо с выключателя,а с FRONT-ECU,и если релюха исправна надо проверять наличие этого самого сигнала.
Re: Где стоит предохранитель ПТФ?
Добавлено: 08 апр 2013, 13:31
Володя
А где релюха то стоит? Тыкнете носом, плиз!!
Re: Где стоит предохранитель ПТФ?
Добавлено: 08 апр 2013, 13:38
megranny
Володя писал(а):А где релюха то стоит? Тыкнете носом, плиз!!
Дык под крышечкой блока оне все подписаны-Front Fog должно быть или FF.
Если сечас схему найду-поставлю.
Re: Где стоит предохранитель ПТФ?
Добавлено: 08 апр 2013, 13:43
megranny
Re: Где стоит предохранитель ПТФ?
Добавлено: 08 апр 2013, 13:49
Володя
О, спасибо

, будем ковырять!!!!