TRT "107-108" Для стандарта и не только! (4.04.2026) Форум Обсуждение FAQ
Нет зарядки что первым глянуть
Модераторы: SNOOPER, Nbf, Romik, BAlex, drcham, алексей - Маленький Мук, DenVer, Алекс
- CASper
- Сообщения: 973
- Зарегистрирован: 11 сен 2008, 15:30
- Двигатель:: 4м41
- Мой автомобиль(и):: Mitsubishi
- Откуда: Москва
- Откуда: СВАО
- Благодарил (а): 15 раз
- Поблагодарили: 10 раз
- Контактная информация:
Нет зарядки что первым глянуть
Загорелись лампочки аккума желтой лейки А/Т и вода в фильтре, вышел провел напряжение сети 13,08 на заведенной и 13,08 на заглушонной, сегодня полезу смотреть, что глянуть первым делом?
Ровно год назад когда небыло зарядки был перебит провод возбуждения генератора, но тогда и не горел этот набор лампочек.
Ровно год назад когда небыло зарядки был перебит провод возбуждения генератора, но тогда и не горел этот набор лампочек.
P-II 2800TD 4M40 АКПП 1996 - продал
Р-III3200TD 4М41 АКПП 2001 - стандарт: R/D LOCK; Ironman+2; доп. дальний; защита РКП,АКПП,ДВС; СВ; 265/75/16 МТ
Пусть мы пострадали, но за то мы были там где Вас не было))))
Р-III3200TD 4М41 АКПП 2001 - стандарт: R/D LOCK; Ironman+2; доп. дальний; защита РКП,АКПП,ДВС; СВ; 265/75/16 МТ
Пусть мы пострадали, но за то мы были там где Вас не было))))
- Captain Sergio
- Сообщения: 4557
- Зарегистрирован: 30 янв 2012, 22:01
- Двигатель:: 4G18
- Мой автомобиль(и):: Pajero Пинин, 1999, АКПП, BMW X5
- Откуда: Ульяновск
- Благодарил (а): 264 раза
- Поблагодарили: 346 раз
Re: Нет зарядки что первым глянуть
Генератор смотри и проода до него на целостность и неперетертость. Остальное в норме.
Сергей. Все будет хорошо! Грязезащита для рамных автомобилей.
- CASper
- Сообщения: 973
- Зарегистрирован: 11 сен 2008, 15:30
- Двигатель:: 4м41
- Мой автомобиль(и):: Mitsubishi
- Откуда: Москва
- Откуда: СВАО
- Благодарил (а): 15 раз
- Поблагодарили: 10 раз
- Контактная информация:
Re: Нет зарядки что первым глянуть
Гену на днях по пробую снять, естественно вначале визуальный осмотр крепления проводав, хотел уточнить нет ли каких либо предохранителей или релюшек, и такой набор горящих лампочек это нормально???
P-II 2800TD 4M40 АКПП 1996 - продал
Р-III3200TD 4М41 АКПП 2001 - стандарт: R/D LOCK; Ironman+2; доп. дальний; защита РКП,АКПП,ДВС; СВ; 265/75/16 МТ
Пусть мы пострадали, но за то мы были там где Вас не было))))
Р-III3200TD 4М41 АКПП 2001 - стандарт: R/D LOCK; Ironman+2; доп. дальний; защита РКП,АКПП,ДВС; СВ; 265/75/16 МТ
Пусть мы пострадали, но за то мы были там где Вас не было))))
- Nbf
- Дикий Админ
- Сообщения: 27654
- Зарегистрирован: 30 авг 2006, 17:58
- Двигатель:: 4D56t,
- Мой автомобиль(и):: L200'Беззубик Citroen'Мария
- Откуда: из тех ворот, что и весь народ
- Откуда: Ст.Купавна, Балашиха-1
- Благодарил (а): 1124 раза
- Поблагодарили: 1461 раз
- Контактная информация:
Re: Нет зарядки что первым глянуть
Да, набор лампочек это нормально. Не нормально у тебя в прошлый раз было. А сейчас все хорошо, генератор умер честно... ))) Преды и релюхи не ищи, рыть надо сам генератор (при условии живых приводных ремней и нормальных контактов).
Павел.
Терпение и труд - мне не идут!
______________
L-200, '08, SS, АКПП, 4D56t, MT 285/75/16, EW-12000.
тел. (Ч95)6Ч2ЗО92
Юридические услуги http://www.expertcity.ru
Группа Паджеро в ТГ: https://t.me/pajeroclubru
Группа Паджеро в VK: https://vk.com/pajerorussia
Терпение и труд - мне не идут!
______________
L-200, '08, SS, АКПП, 4D56t, MT 285/75/16, EW-12000.
тел. (Ч95)6Ч2ЗО92
Юридические услуги http://www.expertcity.ru
Группа Паджеро в ТГ: https://t.me/pajeroclubru
Группа Паджеро в VK: https://vk.com/pajerorussia
- CASper
- Сообщения: 973
- Зарегистрирован: 11 сен 2008, 15:30
- Двигатель:: 4м41
- Мой автомобиль(и):: Mitsubishi
- Откуда: Москва
- Откуда: СВАО
- Благодарил (а): 15 раз
- Поблагодарили: 10 раз
- Контактная информация:
Re: Нет зарядки что первым глянуть
Ремням месяц.
Значит проверяю контакты и тогда после этого снимаю гену.
Спасибо.
Значит проверяю контакты и тогда после этого снимаю гену.
Спасибо.
P-II 2800TD 4M40 АКПП 1996 - продал
Р-III3200TD 4М41 АКПП 2001 - стандарт: R/D LOCK; Ironman+2; доп. дальний; защита РКП,АКПП,ДВС; СВ; 265/75/16 МТ
Пусть мы пострадали, но за то мы были там где Вас не было))))
Р-III3200TD 4М41 АКПП 2001 - стандарт: R/D LOCK; Ironman+2; доп. дальний; защита РКП,АКПП,ДВС; СВ; 265/75/16 МТ
Пусть мы пострадали, но за то мы были там где Вас не было))))
- CASper
- Сообщения: 973
- Зарегистрирован: 11 сен 2008, 15:30
- Двигатель:: 4м41
- Мой автомобиль(и):: Mitsubishi
- Откуда: Москва
- Откуда: СВАО
- Благодарил (а): 15 раз
- Поблагодарили: 10 раз
- Контактная информация:
Re: Нет зарядки что первым глянуть
Генератор вчера снял (погода супер все проезающие мимо машины так и хотят обрызгать) проводка к нему в норме, сегодня отнесу его на диагностику в мастерскую и буду ждать приговор.
P-II 2800TD 4M40 АКПП 1996 - продал
Р-III3200TD 4М41 АКПП 2001 - стандарт: R/D LOCK; Ironman+2; доп. дальний; защита РКП,АКПП,ДВС; СВ; 265/75/16 МТ
Пусть мы пострадали, но за то мы были там где Вас не было))))
Р-III3200TD 4М41 АКПП 2001 - стандарт: R/D LOCK; Ironman+2; доп. дальний; защита РКП,АКПП,ДВС; СВ; 265/75/16 МТ
Пусть мы пострадали, но за то мы были там где Вас не было))))
- CASper
- Сообщения: 973
- Зарегистрирован: 11 сен 2008, 15:30
- Двигатель:: 4м41
- Мой автомобиль(и):: Mitsubishi
- Откуда: Москва
- Откуда: СВАО
- Благодарил (а): 15 раз
- Поблагодарили: 10 раз
- Контактная информация:
Re: Нет зарядки что первым глянуть
генератор проверен и оказался живее всех живых, но заряда по прежнему нет, изучив негу пришел к выводу что на нем есть три провода один силовой большой по которому от отдает ток, и два провода на возбуждение один из этих проводов идет на лампочки через замок зажигания а второй просто подает ток на гену, так вот в последнем у меня 1.8-3.2 вольта, подскажите там должно же быть 12, и должно ли там всегда быть 12 может может есть смысл просто кинуть новый провод на прямую от аккума
P-II 2800TD 4M40 АКПП 1996 - продал
Р-III3200TD 4М41 АКПП 2001 - стандарт: R/D LOCK; Ironman+2; доп. дальний; защита РКП,АКПП,ДВС; СВ; 265/75/16 МТ
Пусть мы пострадали, но за то мы были там где Вас не было))))
Р-III3200TD 4М41 АКПП 2001 - стандарт: R/D LOCK; Ironman+2; доп. дальний; защита РКП,АКПП,ДВС; СВ; 265/75/16 МТ
Пусть мы пострадали, но за то мы были там где Вас не было))))
- Captain Sergio
- Сообщения: 4557
- Зарегистрирован: 30 янв 2012, 22:01
- Двигатель:: 4G18
- Мой автомобиль(и):: Pajero Пинин, 1999, АКПП, BMW X5
- Откуда: Ульяновск
- Благодарил (а): 264 раза
- Поблагодарили: 346 раз
Re: Нет зарядки что первым глянуть
А может лучше Тебе схему дать и Ты просто провода прозвонишь, раз умеешь напряжение мерять? Или покажешь где у Тебя 1,8 Вольт, а мы уж подскажем. А то нагородишь делов ... Я ж Тебе сразу написал - смотри провода на целостность. Судя по 13 вольтам гена у Тебя не дает зарядку. Если он живой (а я бы не верил ИМ на слово, у НИХ обычсно руки не откда надо растут), тогда только провода. Но провода обычно или ДА или НЕТ. А 1,8 Вольт это не провода. Дать схему? Сможешь показать где у Тебя 1,8 Вольта?
Сергей. Все будет хорошо! Грязезащита для рамных автомобилей.
- CASper
- Сообщения: 973
- Зарегистрирован: 11 сен 2008, 15:30
- Двигатель:: 4м41
- Мой автомобиль(и):: Mitsubishi
- Откуда: Москва
- Откуда: СВАО
- Благодарил (а): 15 раз
- Поблагодарили: 10 раз
- Контактная информация:
Re: Нет зарядки что первым глянуть
Гену он проверил при мне и мне все показал и ампераж и вольтаж.
Схему давай я на ней покажу где у меня 1.8
Беда одна не приходит, вчера когда ставил генератор на место в коротнул силовой кабель и сгорел 120 амперный предохранитель.
Сегодня купил новый поставил, машина завелась и тут же загорелись поворотники все, именно горят, а не моргают, заглушил и все больше не заводится, а поворотники продолжают гореть, сейчас что бы не высодить аккумы уходя отключил.
Схему давай я на ней покажу где у меня 1.8
Беда одна не приходит, вчера когда ставил генератор на место в коротнул силовой кабель и сгорел 120 амперный предохранитель.
Сегодня купил новый поставил, машина завелась и тут же загорелись поворотники все, именно горят, а не моргают, заглушил и все больше не заводится, а поворотники продолжают гореть, сейчас что бы не высодить аккумы уходя отключил.
P-II 2800TD 4M40 АКПП 1996 - продал
Р-III3200TD 4М41 АКПП 2001 - стандарт: R/D LOCK; Ironman+2; доп. дальний; защита РКП,АКПП,ДВС; СВ; 265/75/16 МТ
Пусть мы пострадали, но за то мы были там где Вас не было))))
Р-III3200TD 4М41 АКПП 2001 - стандарт: R/D LOCK; Ironman+2; доп. дальний; защита РКП,АКПП,ДВС; СВ; 265/75/16 МТ
Пусть мы пострадали, но за то мы были там где Вас не было))))
- Captain Sergio
- Сообщения: 4557
- Зарегистрирован: 30 янв 2012, 22:01
- Двигатель:: 4G18
- Мой автомобиль(и):: Pajero Пинин, 1999, АКПП, BMW X5
- Откуда: Ульяновск
- Благодарил (а): 264 раза
- Поблагодарили: 346 раз
Re: Нет зарядки что первым глянуть
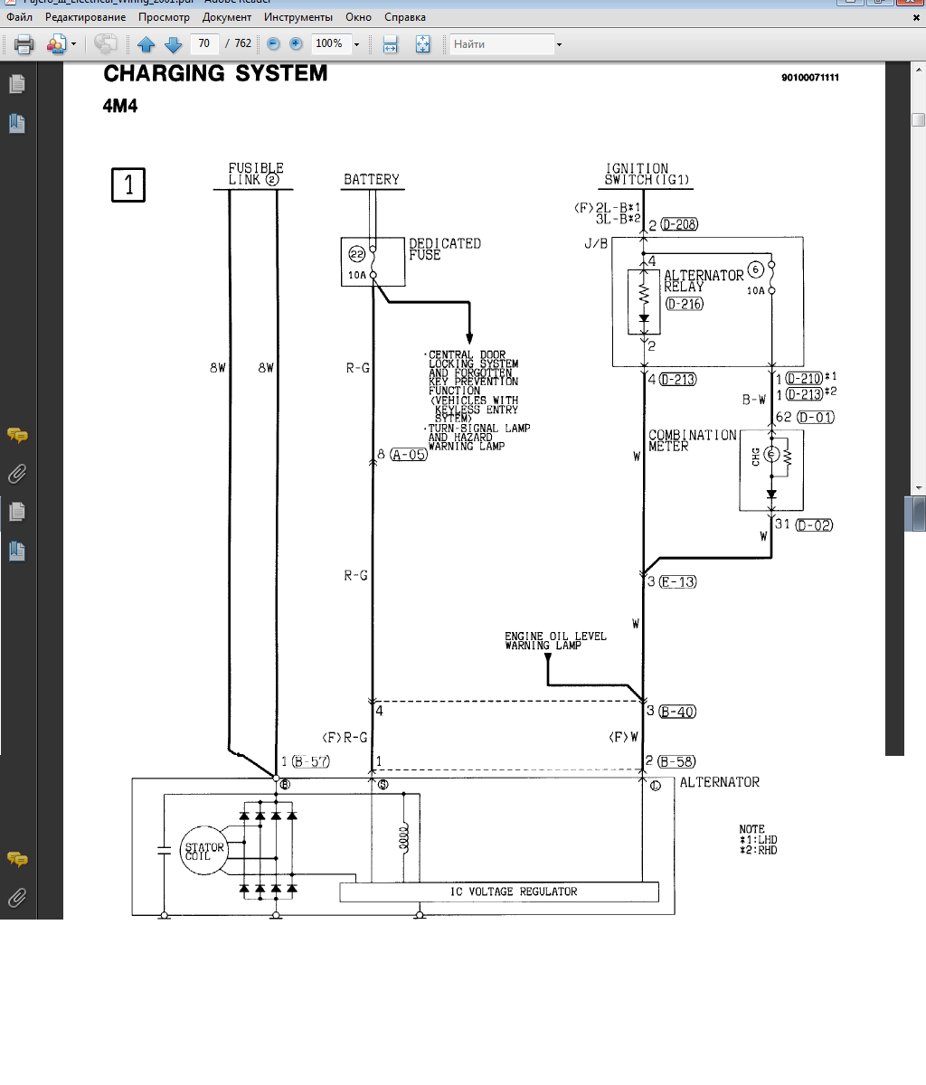
Лови схему.
Сергей. Все будет хорошо! Грязезащита для рамных автомобилей.
- CASper
- Сообщения: 973
- Зарегистрирован: 11 сен 2008, 15:30
- Двигатель:: 4м41
- Мой автомобиль(и):: Mitsubishi
- Откуда: Москва
- Откуда: СВАО
- Благодарил (а): 15 раз
- Поблагодарили: 10 раз
- Контактная информация:
Re: Нет зарядки что первым глянуть
на схеме этот провод обозначен буквой S.
на этой схеме есть 10А предохранитель как я понимаю под номером 22, а где этот предохранитель расположен в салоне или под капотом
на этой схеме есть 10А предохранитель как я понимаю под номером 22, а где этот предохранитель расположен в салоне или под капотом
P-II 2800TD 4M40 АКПП 1996 - продал
Р-III3200TD 4М41 АКПП 2001 - стандарт: R/D LOCK; Ironman+2; доп. дальний; защита РКП,АКПП,ДВС; СВ; 265/75/16 МТ
Пусть мы пострадали, но за то мы были там где Вас не было))))
Р-III3200TD 4М41 АКПП 2001 - стандарт: R/D LOCK; Ironman+2; доп. дальний; защита РКП,АКПП,ДВС; СВ; 265/75/16 МТ
Пусть мы пострадали, но за то мы были там где Вас не было))))
- Captain Sergio
- Сообщения: 4557
- Зарегистрирован: 30 янв 2012, 22:01
- Двигатель:: 4G18
- Мой автомобиль(и):: Pajero Пинин, 1999, АКПП, BMW X5
- Откуда: Ульяновск
- Благодарил (а): 264 раза
- Поблагодарили: 346 раз
Re: Нет зарядки что первым глянуть
Пометил стрелкой. Проверяй весь провод на заломы.
Сергей. Все будет хорошо! Грязезащита для рамных автомобилей.
- CASper
- Сообщения: 973
- Зарегистрирован: 11 сен 2008, 15:30
- Двигатель:: 4м41
- Мой автомобиль(и):: Mitsubishi
- Откуда: Москва
- Откуда: СВАО
- Благодарил (а): 15 раз
- Поблагодарили: 10 раз
- Контактная информация:
Re: Нет зарядки что первым глянуть
Это в салоне?
Не пойму можно ли кинуть новый провод на прямую от акб.
Не пойму можно ли кинуть новый провод на прямую от акб.
P-II 2800TD 4M40 АКПП 1996 - продал
Р-III3200TD 4М41 АКПП 2001 - стандарт: R/D LOCK; Ironman+2; доп. дальний; защита РКП,АКПП,ДВС; СВ; 265/75/16 МТ
Пусть мы пострадали, но за то мы были там где Вас не было))))
Р-III3200TD 4М41 АКПП 2001 - стандарт: R/D LOCK; Ironman+2; доп. дальний; защита РКП,АКПП,ДВС; СВ; 265/75/16 МТ
Пусть мы пострадали, но за то мы были там где Вас не было))))
- Captain Sergio
- Сообщения: 4557
- Зарегистрирован: 30 янв 2012, 22:01
- Двигатель:: 4G18
- Мой автомобиль(и):: Pajero Пинин, 1999, АКПП, BMW X5
- Откуда: Ульяновск
- Благодарил (а): 264 раза
- Поблагодарили: 346 раз
Re: Нет зарядки что первым глянуть
Это в подкапотном, там же написано. На батарею напрямую можно. Но лучше через предохранитель в 10А. Для проверки можно и без преда, но я бы не рисковал.CASper писал(а):Это в салоне? Не пойму можно ли кинуть новый провод на прямую от акб.
Сергей. Все будет хорошо! Грязезащита для рамных автомобилей.
- CASper
- Сообщения: 973
- Зарегистрирован: 11 сен 2008, 15:30
- Двигатель:: 4м41
- Мой автомобиль(и):: Mitsubishi
- Откуда: Москва
- Откуда: СВАО
- Благодарил (а): 15 раз
- Поблагодарили: 10 раз
- Контактная информация:
Re: Нет зарядки что первым глянуть
Спасибо большое.Captain Sergio писал(а):CASper писал(а):Это в подкапотном, там же написано.
Я совсем не знаю английского, да и в электрики не селен я тестер только неделю назад в руки взял))))))))))
Но постараюсь все сделать.
Провод буду проводить обязательно с предохранителем.
Теперь остается найти блок сигналки потому как мне кажется что из за нее горят поворотники и машина не заводится.
P-II 2800TD 4M40 АКПП 1996 - продал
Р-III3200TD 4М41 АКПП 2001 - стандарт: R/D LOCK; Ironman+2; доп. дальний; защита РКП,АКПП,ДВС; СВ; 265/75/16 МТ
Пусть мы пострадали, но за то мы были там где Вас не было))))
Р-III3200TD 4М41 АКПП 2001 - стандарт: R/D LOCK; Ironman+2; доп. дальний; защита РКП,АКПП,ДВС; СВ; 265/75/16 МТ
Пусть мы пострадали, но за то мы были там где Вас не было))))
- CASper
- Сообщения: 973
- Зарегистрирован: 11 сен 2008, 15:30
- Двигатель:: 4м41
- Мой автомобиль(и):: Mitsubishi
- Откуда: Москва
- Откуда: СВАО
- Благодарил (а): 15 раз
- Поблагодарили: 10 раз
- Контактная информация:
Re: Нет зарядки что первым глянуть
продублирую ее и тут.
Нашел, я предохранитель к сигнализации который отвечает за поворотники когда его вынул то они потухли.
думаю в мозгах сигнализации залипло реле если оно там есть конечно.
остаются еще два вопроса почему с брелока не открывает и не закрывает ЦЗ (в ручную он работает)
и не заводится, кстати когда поворачиваю ключ то чек загорается потом тухнет а потом опять загорается
Нашел, я предохранитель к сигнализации который отвечает за поворотники когда его вынул то они потухли.
думаю в мозгах сигнализации залипло реле если оно там есть конечно.
остаются еще два вопроса почему с брелока не открывает и не закрывает ЦЗ (в ручную он работает)
и не заводится, кстати когда поворачиваю ключ то чек загорается потом тухнет а потом опять загорается
P-II 2800TD 4M40 АКПП 1996 - продал
Р-III3200TD 4М41 АКПП 2001 - стандарт: R/D LOCK; Ironman+2; доп. дальний; защита РКП,АКПП,ДВС; СВ; 265/75/16 МТ
Пусть мы пострадали, но за то мы были там где Вас не было))))
Р-III3200TD 4М41 АКПП 2001 - стандарт: R/D LOCK; Ironman+2; доп. дальний; защита РКП,АКПП,ДВС; СВ; 265/75/16 МТ
Пусть мы пострадали, но за то мы были там где Вас не было))))
- Captain Sergio
- Сообщения: 4557
- Зарегистрирован: 30 янв 2012, 22:01
- Двигатель:: 4G18
- Мой автомобиль(и):: Pajero Пинин, 1999, АКПП, BMW X5
- Откуда: Ульяновск
- Благодарил (а): 264 раза
- Поблагодарили: 346 раз
Re: Нет зарядки что первым глянуть
Функция ЦЗ у тебя на сигнализации реализована. Ты ее отключил, поэтому не работает ЦЗ и машина не заводится. А актуатор в двери остался, поэтому при закрывании водительской двери ключом остальные тоже закрываются, с него команда идет. По поводу Чека на диагностику. Как-то так.
Сергей. Все будет хорошо! Грязезащита для рамных автомобилей.
- CASper
- Сообщения: 973
- Зарегистрирован: 11 сен 2008, 15:30
- Двигатель:: 4м41
- Мой автомобиль(и):: Mitsubishi
- Откуда: Москва
- Откуда: СВАО
- Благодарил (а): 15 раз
- Поблагодарили: 10 раз
- Контактная информация:
Re: Нет зарядки что первым глянуть
УРА!!!
Завел я своего паджерика!!!
Вчера прокопался до ночи, нашел куда спрятали сигналку, просмотрел все предохранители на ней, проверил всепровода идущие к ней (там их как волос на голове) решил снять мозги, отсоеденил и как обезьяна с гранатой сижу смотрю на эту черную коробочку, думаю была не была располовинел ее, и увидел на плате что две дорожки поему так это называется прогорели, следующим этапом был поход в магазин и покупка паяльника, решил востановить эти дорожки но ничего лучше не придумал как пропоять их волосинкой из провода.
собрал всю эту наколхоженную мной конструкцию и побужал на улицу ставить на место и ВУАЛЯ машина завелась чек погас, тут же проложил провод о котором мы говорили выше не забыл про предохранитель поставил 7.5 что было под рукой. на заведенной напряжение в сети показало 14,3.
ЗЫ если бы мне кто то раньше сказал что я возьму в руки тестер я бы на него изумленно посмотрел а тут даже паять научился.
ВСЕМ ОГРОМНОЕ СПСИБО ЗА ПОМОЩЬ!!!
Завел я своего паджерика!!!
Вчера прокопался до ночи, нашел куда спрятали сигналку, просмотрел все предохранители на ней, проверил всепровода идущие к ней (там их как волос на голове) решил снять мозги, отсоеденил и как обезьяна с гранатой сижу смотрю на эту черную коробочку, думаю была не была располовинел ее, и увидел на плате что две дорожки поему так это называется прогорели, следующим этапом был поход в магазин и покупка паяльника, решил востановить эти дорожки но ничего лучше не придумал как пропоять их волосинкой из провода.
собрал всю эту наколхоженную мной конструкцию и побужал на улицу ставить на место и ВУАЛЯ машина завелась чек погас, тут же проложил провод о котором мы говорили выше не забыл про предохранитель поставил 7.5 что было под рукой. на заведенной напряжение в сети показало 14,3.
ЗЫ если бы мне кто то раньше сказал что я возьму в руки тестер я бы на него изумленно посмотрел а тут даже паять научился.
ВСЕМ ОГРОМНОЕ СПСИБО ЗА ПОМОЩЬ!!!
P-II 2800TD 4M40 АКПП 1996 - продал
Р-III3200TD 4М41 АКПП 2001 - стандарт: R/D LOCK; Ironman+2; доп. дальний; защита РКП,АКПП,ДВС; СВ; 265/75/16 МТ
Пусть мы пострадали, но за то мы были там где Вас не было))))
Р-III3200TD 4М41 АКПП 2001 - стандарт: R/D LOCK; Ironman+2; доп. дальний; защита РКП,АКПП,ДВС; СВ; 265/75/16 МТ
Пусть мы пострадали, но за то мы были там где Вас не было))))
- drcham
- Модератор
- Сообщения: 14458
- Зарегистрирован: 08 апр 2006, 13:42
- Двигатель:: Бензин
- Мой автомобиль(и):: Wrangler JLU Rubicon
- Откуда: Москва
- Откуда: Москва ЮЗАО
- Благодарил (а): 63 раза
- Поблагодарили: 231 раз
- Контактная информация:
Re: Нет зарядки что первым глянуть
О! Молодец. 14.2 вольта - это нормальное рабочее напряжение с генератора.
4LO&GO! Wrangler JLU Rubicon
- drcham
- Модератор
- Сообщения: 14458
- Зарегистрирован: 08 апр 2006, 13:42
- Двигатель:: Бензин
- Мой автомобиль(и):: Wrangler JLU Rubicon
- Откуда: Москва
- Откуда: Москва ЮЗАО
- Благодарил (а): 63 раза
- Поблагодарили: 231 раз
- Контактная информация:
Re: Нет зарядки что первым глянуть
и на будующее все работы с электрикой (тем более с генератором) проводи только при снятой минусовой клемме АКБ.
4LO&GO! Wrangler JLU Rubicon
