Нашёл в проводке вот такие разъёмы......
Pajero Sport 1998, бензин.
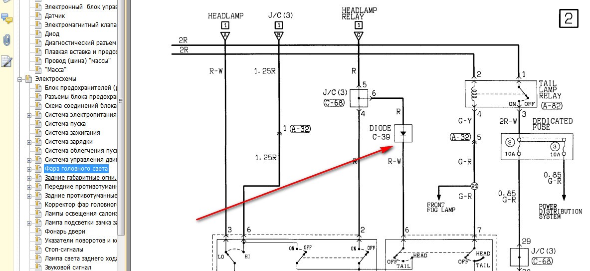
Подскажите,что это?
Модераторы: SNOOPER, Nbf, Romik, BAlex
- Doctorr
- Сообщения: 17
- Зарегистрирован: 19 апр 2013, 10:08
- Двигатель:: 6G72
- Мой автомобиль(и):: Pajero Sport 3.0 GLS 1998 года
- Откуда: СПБ
- Благодарил (а): 3 раза
- Captain Sergio
- Сообщения: 4557
- Зарегистрирован: 30 янв 2012, 22:01
- Двигатель:: 4G18
- Мой автомобиль(и):: Pajero Пинин, 1999, АКПП, BMW X5
- Откуда: Ульяновск
- Благодарил (а): 264 раза
- Поблагодарили: 346 раз
Re: Подскажите,что это?
Диоды судя по всему. На схеме 99 года не нашел. 98-го нет, увы.
Сергей. Все будет хорошо! Грязезащита для рамных автомобилей.
-
vadym
- Сообщения: 1457
- Зарегистрирован: 12 сен 2007, 00:50
- Откуда: Черновцы
- Благодарил (а): 12 раз
- Поблагодарили: 120 раз
Re: Подскажите,что это?
Captain Sergio писал(а):Диоды судя по всему. На схеме 99 года не нашел. 98-го нет, увы.
PAJERO SPORT 2003 2,5 TD
