TRT - Вдоль р.Киржач. Для стандартных 4х4 (08.11.25) Форум Обсуждение FAQ
Где находится блок открытия-закрытия дверей?
Модераторы: SNOOPER, Nbf, Romik, BAlex, drcham, Podzemshik
- LYUBER
- Сообщения: 980
- Зарегистрирован: 16 апр 2008, 12:42
- Двигатель:: СТРОИТЕЛЬСТВО, РЕМОНТ, РЕКОНСТРУКЦИЯ
- Мой автомобиль(и):: Pajero Sport
- Откуда: Люберцы
- Откуда: Люберцы, М.О., Котельнический проезд, д. 15. ГСК "МОТОР"
- Благодарил (а): 6 раз
- Поблагодарили: 24 раза
- Контактная информация:
Где находится блок открытия-закрытия дверей?
Затопил салон, этот блок клинит.
На открытие багажника сигналка реагирует, а на 4 двери нет.
Где он находится?
Подскажите, кто сталкивался с этим.
На открытие багажника сигналка реагирует, а на 4 двери нет.
Где он находится?
Подскажите, кто сталкивался с этим.
MPSport 2,5тд, Бодик 4, Лифт, ГП 5,285, блок. зад. дифа, SuperSelect, силовой обвес, багажник, МТ 33", СВ, лебедь, люстра..
+П2 2,8ТД, квадр Stels 450, Багги NB Lk500
УАЗ 469 ПРОДАН
Были: П-2, 4 года
Toyota 4-Runner, 6 лет
8-926-544-31-95 ИГОРЬ
+П2 2,8ТД, квадр Stels 450, Багги NB Lk500
УАЗ 469 ПРОДАН
Были: П-2, 4 года
Toyota 4-Runner, 6 лет
8-926-544-31-95 ИГОРЬ
- Podzemshik
- Модератор
- Сообщения: 7671
- Зарегистрирован: 31 янв 2008, 15:38
- Двигатель:: 4D56, 1KD
- Мой автомобиль(и):: МПС, ТЛК 150
- Откуда: Москва
- Откуда: Permoníci
- Благодарил (а): 126 раз
- Поблагодарили: 417 раз
Re: Где находится блок открытия-закрытия дверей?
Я не понял, сигналка не открывает двери или не орёт при открытии дверей?
Toyota Corolla Cross Hybrid
- LYUBER
- Сообщения: 980
- Зарегистрирован: 16 апр 2008, 12:42
- Двигатель:: СТРОИТЕЛЬСТВО, РЕМОНТ, РЕКОНСТРУКЦИЯ
- Мой автомобиль(и):: Pajero Sport
- Откуда: Люберцы
- Откуда: Люберцы, М.О., Котельнический проезд, д. 15. ГСК "МОТОР"
- Благодарил (а): 6 раз
- Поблагодарили: 24 раза
- Контактная информация:
Re: Где находится блок открытия-закрытия дверей?
Ок, спасибо, поищу.
Сигналка в порядке, нет сигнала от 4 дверей. С сигналки снимаешь, дверь открываешь, а она опять встает на охрану, пока зажигание не повернёшь или багажник не откроешь. Да и турботаймер некорректно работает.
Сигналка в порядке, нет сигнала от 4 дверей. С сигналки снимаешь, дверь открываешь, а она опять встает на охрану, пока зажигание не повернёшь или багажник не откроешь. Да и турботаймер некорректно работает.
MPSport 2,5тд, Бодик 4, Лифт, ГП 5,285, блок. зад. дифа, SuperSelect, силовой обвес, багажник, МТ 33", СВ, лебедь, люстра..
+П2 2,8ТД, квадр Stels 450, Багги NB Lk500
УАЗ 469 ПРОДАН
Были: П-2, 4 года
Toyota 4-Runner, 6 лет
8-926-544-31-95 ИГОРЬ
+П2 2,8ТД, квадр Stels 450, Багги NB Lk500
УАЗ 469 ПРОДАН
Были: П-2, 4 года
Toyota 4-Runner, 6 лет
8-926-544-31-95 ИГОРЬ
- Podzemshik
- Модератор
- Сообщения: 7671
- Зарегистрирован: 31 янв 2008, 15:38
- Двигатель:: 4D56, 1KD
- Мой автомобиль(и):: МПС, ТЛК 150
- Откуда: Москва
- Откуда: Permoníci
- Благодарил (а): 126 раз
- Поблагодарили: 417 раз
Re: Где находится блок открытия-закрытия дверей?
Стоп. Блок открывания дверей не виноват. Похоже окислились концевики четырёх дверей. При открытии дверей свет в салоне загорается?
На Спорте-европейце без штатной сигнализации центральный замок не связан с концевиками дверей. Концевики всех пяти дверей соединяются в одной точке, оттуда идут провода на оба плафона освещения салона. Сигнализацию обычно подключают к одному из проводов, идущих в эту точку. Кроме того, концевики передних дверей имеют второй контакт, который идёт на лампочки внизу передних дверей, но это к делу не относится.
На Спорте-европейце без штатной сигнализации центральный замок не связан с концевиками дверей. Концевики всех пяти дверей соединяются в одной точке, оттуда идут провода на оба плафона освещения салона. Сигнализацию обычно подключают к одному из проводов, идущих в эту точку. Кроме того, концевики передних дверей имеют второй контакт, который идёт на лампочки внизу передних дверей, но это к делу не относится.
Toyota Corolla Cross Hybrid
- LYUBER
- Сообщения: 980
- Зарегистрирован: 16 апр 2008, 12:42
- Двигатель:: СТРОИТЕЛЬСТВО, РЕМОНТ, РЕКОНСТРУКЦИЯ
- Мой автомобиль(и):: Pajero Sport
- Откуда: Люберцы
- Откуда: Люберцы, М.О., Котельнический проезд, д. 15. ГСК "МОТОР"
- Благодарил (а): 6 раз
- Поблагодарили: 24 раза
- Контактная информация:
Re: Где находится блок открытия-закрытия дверей?
Ага, окислились контакты одновременно всех четырёх дверей?
Концевик водительской двери (обычно он главный) я снимал и прозванивал, он работает. Плафон и подсветка двери не загорается.
Причем и пищалка сигнала включенных фар при открытой двери тоже не работает.
Был момент, когда видимо что-то просохло и заработала пищалка, а потом опять всё пропало.
Концевик водительской двери (обычно он главный) я снимал и прозванивал, он работает. Плафон и подсветка двери не загорается.
Причем и пищалка сигнала включенных фар при открытой двери тоже не работает.
Был момент, когда видимо что-то просохло и заработала пищалка, а потом опять всё пропало.
MPSport 2,5тд, Бодик 4, Лифт, ГП 5,285, блок. зад. дифа, SuperSelect, силовой обвес, багажник, МТ 33", СВ, лебедь, люстра..
+П2 2,8ТД, квадр Stels 450, Багги NB Lk500
УАЗ 469 ПРОДАН
Были: П-2, 4 года
Toyota 4-Runner, 6 лет
8-926-544-31-95 ИГОРЬ
+П2 2,8ТД, квадр Stels 450, Багги NB Lk500
УАЗ 469 ПРОДАН
Были: П-2, 4 года
Toyota 4-Runner, 6 лет
8-926-544-31-95 ИГОРЬ
- Podzemshik
- Модератор
- Сообщения: 7671
- Зарегистрирован: 31 янв 2008, 15:38
- Двигатель:: 4D56, 1KD
- Мой автомобиль(и):: МПС, ТЛК 150
- Откуда: Москва
- Откуда: Permoníci
- Благодарил (а): 126 раз
- Поблагодарили: 417 раз
Re: Где находится блок открытия-закрытия дверей?
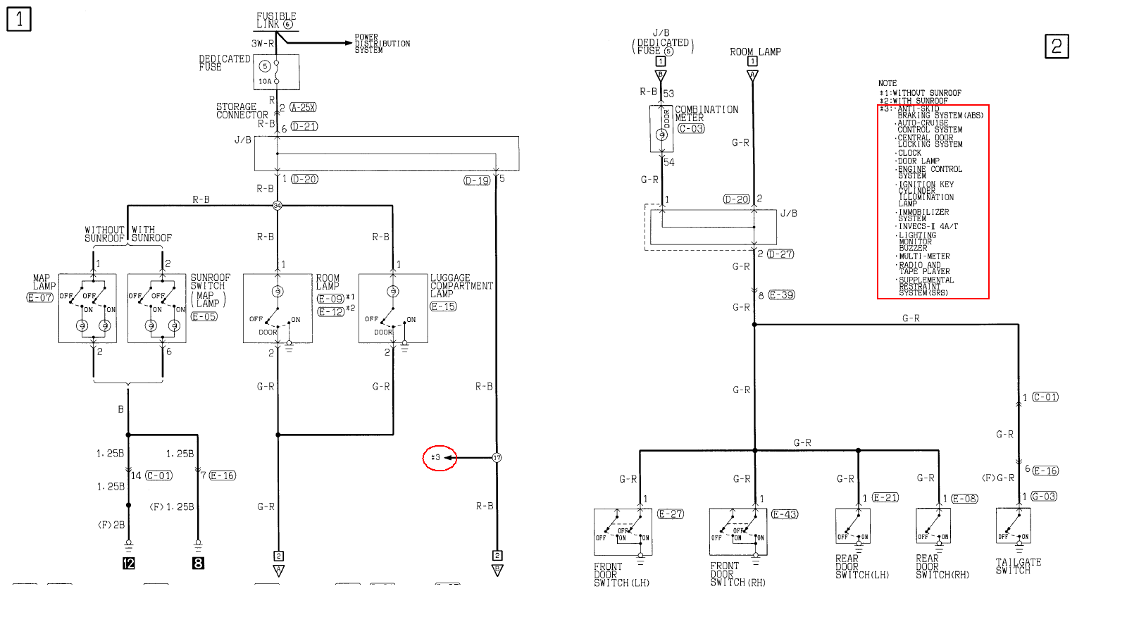
Вот схема. Красным выделена точка, откуда плюс уходит на разное оборудование. Могу заподозрить, что эта точка закорочена на массу, предохранитель перегорел, поэтому и свет в салоне не работает, и сигналка не видит открывания дверей.
Toyota Corolla Cross Hybrid
- LYUBER
- Сообщения: 980
- Зарегистрирован: 16 апр 2008, 12:42
- Двигатель:: СТРОИТЕЛЬСТВО, РЕМОНТ, РЕКОНСТРУКЦИЯ
- Мой автомобиль(и):: Pajero Sport
- Откуда: Люберцы
- Откуда: Люберцы, М.О., Котельнический проезд, д. 15. ГСК "МОТОР"
- Благодарил (а): 6 раз
- Поблагодарили: 24 раза
- Контактная информация:
Re: Где находится блок открытия-закрытия дверей?
Спасибо за подсказку, но...
плафон света работает, предохранители все целые, все остальные электрические цепи работают.
При этом свет в багажнике работает в штатном режиме.
Повторюсь, как то раз что-то просохло и целый день пищалка открытых дверей работала, а она тоже завязана на открытие дверей. Вроде где-то я видел на схеме блок управления этим хозяйством.
плафон света работает, предохранители все целые, все остальные электрические цепи работают.
При этом свет в багажнике работает в штатном режиме.
Повторюсь, как то раз что-то просохло и целый день пищалка открытых дверей работала, а она тоже завязана на открытие дверей. Вроде где-то я видел на схеме блок управления этим хозяйством.
MPSport 2,5тд, Бодик 4, Лифт, ГП 5,285, блок. зад. дифа, SuperSelect, силовой обвес, багажник, МТ 33", СВ, лебедь, люстра..
+П2 2,8ТД, квадр Stels 450, Багги NB Lk500
УАЗ 469 ПРОДАН
Были: П-2, 4 года
Toyota 4-Runner, 6 лет
8-926-544-31-95 ИГОРЬ
+П2 2,8ТД, квадр Stels 450, Багги NB Lk500
УАЗ 469 ПРОДАН
Были: П-2, 4 года
Toyota 4-Runner, 6 лет
8-926-544-31-95 ИГОРЬ
-
receiver
- Сообщения: 331
- Зарегистрирован: 10 май 2012, 10:45
- Двигатель:: 6G72 24
- Мой автомобиль(и):: Мицубиси монтеро спорт (2001г) AWD
- Откуда: Вологодская область
- Откуда: Вологда
- Благодарил (а): 12 раз
- Поблагодарили: 7 раз
Re: Где находится блок открытия-закрытия дверей?
Еще может плата мудить, которая в передних дверях. Где органы управления электрозеркалами и центральным замком. У меня она глючила. Замкнуло пару контактов. Пришлось перепаивать. Чтобы ее достать нужно ее отверткой подковырнуть и она достанется, никакие обшивки дверей разбирать не нужно.
Mitsubishi Моntero Sport ES,AWD,6G72, 2001 г. Серебристый,R18 hakka 7 285 60; R18 BFG M/T 265/65, Топливный фильтр под капотом, Прямоток, удалены - EGR, Адсорбер, задние лямды, передний, задний самоблоки; салон Audi s8, климат контроль от Галанта, линзы в фарах.
- SNOOPER
- Модератор
- Сообщения: 56894
- Зарегистрирован: 11 дек 2004, 19:49
- Двигатель:: 4D56
- Мой автомобиль(и):: NewMPS
- Откуда: 78
- Откуда: Spb
- Благодарил (а): 1007 раз
- Поблагодарили: 4665 раз
Re: Где находится блок открытия-закрытия дверей?
У него нет управления ЦЗ на двери водителя как на Монтеро Спорт
