Возникла такая неисправность:
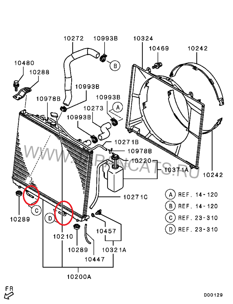
неделю назад была обнаружена течь трубок под радиатором АКПП. На самом радиаторе следов течи видно не было. Всё трубки, соединения, тройники, были забрызганы жидкостью из АКПП, подтёки на защите двигателя, лужица под машиной. Утром этого не было, появилось после того, как доехал до работы. На следующий день улетал в командировку, машина неделю стояла на стоянке, по возвращению, под машиной никаких подтёков не было, на защите тоже. Остались только старые следы, на которые уже осела пыль. Поехал на сервис - течи не нашли, только следы тех старых подтёков, и естественно понижен уровень жидкости в АКПП. Что менять ни кто не знает. Менять для страховки все соединительные трубки - наверное не выход. Примерное место где это произошло, (максимальное количество грязи и жидкости) - на приложенной схеме обведено красным цветом.
При этом ни каких сбоев в работе нет, всё работает как и работало, нет ни посторонних шумов, ни рывков. Короче всё как всегда во всех режимах.
Основной вопрос в причине. Если трубки целые, что могло вызвать такое повышение давления, что пробило места соединения. Потому что если проблема с трубками, так там бы и текло, даже если микротрещина, появились бы новые следы за это время.
По следам похоже, что именно в како-то момент был как бы выброс, потому что забрызгано довольно большое пространство.
Сегодня попробую отмыть до девственного состояния всю эту часть и посмотреть ещё раз, что будет.
Течь трубок АКПП
Модераторы: SNOOPER, Nbf, drcham, Romik, BAlex, DenVer, SoundSpeed
- slaider
- Сообщения: 424
- Зарегистрирован: 28 мар 2006, 19:56
- Откуда: Санкт-Петербург
- Благодарил (а): 1 раз
- Поблагодарили: 6 раз
Re: Течь трубок АКПП
Посмотри ещё трубки отходящие от радиатора системы охлаждения (на схеме отмечены красными кружками). Они алюминиевые, очень часто гниют и в них появляются микро-свищи. Виной всему - наша Питерская соль. Свищи появляются в районе буртика трубки, т.е. в месте, где одетый на них резиновый шланг заканчивается.
Лечение: натянуть резиновый шланг по-глубже и установить дополнительный хомут
Лечение: натянуть резиновый шланг по-глубже и установить дополнительный хомут
Pajero IV Di-D+TuningBox
Не стоит доверять мнению человека,которого еще не похмелили
Не стоит доверять мнению человека,которого еще не похмелили
- NO_K
- Сообщения: 139
- Зарегистрирован: 18 мар 2011, 13:17
- Двигатель:: Дизель 4M41
- Мой автомобиль(и):: Pajero IV
- Откуда: Петербург
- Откуда: Петербург
Re: Течь трубок АКПП
Спасибо за подсказку. Там вроде пока всё нормально, но профилактики ради сделать надо. Я тоже уже понял, что это от соли. Разобрал всю морду, отмыл, и после запуска двигателя наблюдал где появляется течь. У меня-то вопрос был, не было ли это следствием скачка давления в системе, потому что течь то есть, то нет. А когда всё отмыл и занялся дефектацией, понял, что всё просто. Да и эти соединения трубок стоят сразу за декоративной решёткой радиатора, всё дерьмо прямо на соединения летит. Неудачное моесто по конструктиву. Правда менять удобно
. После замены буду их защищать, а то потом опять менять придётся.
-
GRUMLER
- Сообщения: 12
- Зарегистрирован: 23 мар 2013, 00:15
- Двигатель:: Бензин 3.8
- Мой автомобиль(и):: Mitsubishi Pajero IV
- Откуда: СПБ
Re: Течь трубок АКПП
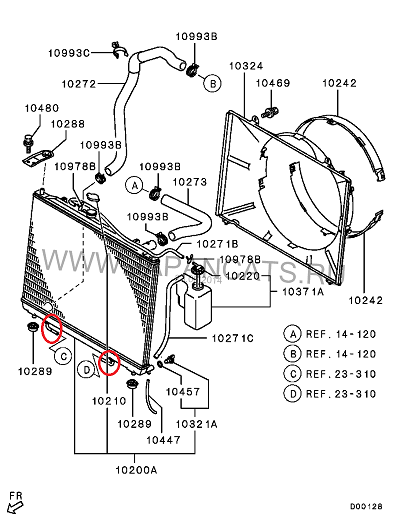
Всем привет,подскажите тоже потекла одна из трубок которая на радиаторе, но проблема в другом сама гайка которая в радиатор, отметил красным, зализана резьба на гайке и самом радиаторе,нарезать заново резьбу там нереально,вопрос можно ли исключить радиатор из этой цепочки?
И да у меня стоит еще доп радиатор АКПП
И да у меня стоит еще доп радиатор АКПП
- Lebed
- Сообщения: 10748
- Зарегистрирован: 25 июл 2010, 11:23
- Двигатель:: ******
- Мой автомобиль(и):: ******
- Откуда: ***
- Откуда: ***
- Благодарил (а): 236 раз
- Поблагодарили: 431 раз
Re: Течь трубок АКПП
Ничего хорошего из этой затеи не получится. Только плохое.
"Если театр начинается с вешалки, то за такие пьесы нужно вешать." (с)
P.S. Для упырей- "Мы с тобой Гималаи; остальные — ничтожества." (с)
P.S. Для упырей- "Мы с тобой Гималаи; остальные — ничтожества." (с)
-
GRUMLER
- Сообщения: 12
- Зарегистрирован: 23 мар 2013, 00:15
- Двигатель:: Бензин 3.8
- Мой автомобиль(и):: Mitsubishi Pajero IV
- Откуда: СПБ
Re: Течь трубок АКПП
Тогда может посоветуйте что из не оригинала поставить,есть Termal или BodyParts?
- Lebed
- Сообщения: 10748
- Зарегистрирован: 25 июл 2010, 11:23
- Двигатель:: ******
- Мой автомобиль(и):: ******
- Откуда: ***
- Откуда: ***
- Благодарил (а): 236 раз
- Поблагодарили: 431 раз
Re: Течь трубок АКПП
Не подскажу- не знаю.
"Если театр начинается с вешалки, то за такие пьесы нужно вешать." (с)
P.S. Для упырей- "Мы с тобой Гималаи; остальные — ничтожества." (с)
P.S. Для упырей- "Мы с тобой Гималаи; остальные — ничтожества." (с)
