Помогите опознать деталь
Модераторы: SNOOPER, Nbf, drcham, Romik, BAlex, DenVer, SoundSpeed
-
panter
- Сообщения: 25
- Зарегистрирован: 20 июн 2011, 08:26
- Двигатель:: 6G72, Бензин
- Мой автомобиль(и):: MMC P4
- Благодарил (а): 2 раза
Помогите опознать деталь
Доброго дня, комрады.
Прошу помощи в опознании детали. А/м ММС РIV, Араб, 2008. Данный девайс находится в багажнике под обшивкой с правой стороны. Подскажите как правильно называется (если каталожный номер напишите, то вообще супер) и за какую функцию в авто отвечает. 3 дня курил форум и каталоги, определить сам не мог.
Спасибо.
Прошу помощи в опознании детали. А/м ММС РIV, Араб, 2008. Данный девайс находится в багажнике под обшивкой с правой стороны. Подскажите как правильно называется (если каталожный номер напишите, то вообще супер) и за какую функцию в авто отвечает. 3 дня курил форум и каталоги, определить сам не мог.
Спасибо.
- SNOOPER
- Модератор
- Сообщения: 57430
- Зарегистрирован: 11 дек 2004, 19:49
- Двигатель:: 4D56
- Мой автомобиль(и):: NewMPS
- Откуда: 78
- Откуда: Spb
- Благодарил (а): 1027 раз
- Поблагодарили: 4785 раз
Re: Помогите опознать деталь
Радиатор АКПП.
Ставить нужно с байпасом. Вещь полезная для любой машины. Особенно в Вашей местности
http://pajero4x4.ru/bbs/phpBB2/viewtopi ... 81&t=77630
Ставить нужно с байпасом. Вещь полезная для любой машины. Особенно в Вашей местности
http://pajero4x4.ru/bbs/phpBB2/viewtopi ... 81&t=77630
-
panter
- Сообщения: 25
- Зарегистрирован: 20 июн 2011, 08:26
- Двигатель:: 6G72, Бензин
- Мой автомобиль(и):: MMC P4
- Благодарил (а): 2 раза
Re: Помогите опознать деталь
Устанавливается под обшивку в багажнике? Размером примерно с пачку сигаретSNOOPER писал(а):Радиатор АКПП.
-
Ewgenii
- Сообщения: 454
- Зарегистрирован: 06 фев 2012, 13:55
- Двигатель:: 6G74
- Мой автомобиль(и):: Pajero 3
- Откуда: Москва
- Откуда: Солнцево
- Благодарил (а): 9 раз
- Поблагодарили: 15 раз
- Контактная информация:
Re: Помогите опознать деталь
вообще то он стоит перед радиатором кондея,panter писал(а):Устанавливается под обшивку в багажнике? Размером примерно с пачку сигаретSNOOPER писал(а):Радиатор АКПП.
кто то жестоко пошутил
эвакуатор ЮЗАО,диагностика,техпомощь на дороге,форумчанам скидка,Евгений 8(916)100-98-восемь 4
сайт http://вызвать-эвакуатор.рф/
сайт http://вызвать-эвакуатор.рф/
- SNOOPER
- Модератор
- Сообщения: 57430
- Зарегистрирован: 11 дек 2004, 19:49
- Двигатель:: 4D56
- Мой автомобиль(и):: NewMPS
- Откуда: 78
- Откуда: Spb
- Благодарил (а): 1027 раз
- Поблагодарили: 4785 раз
Re: Помогите опознать деталь
Хамим, парнишаpanter писал(а):Устанавливается под обшивку в багажнике? Размером примерно с пачку сигаретSNOOPER писал(а):Радиатор АКПП.
-
panter
- Сообщения: 25
- Зарегистрирован: 20 июн 2011, 08:26
- Двигатель:: 6G72, Бензин
- Мой автомобиль(и):: MMC P4
- Благодарил (а): 2 раза
Re: Помогите опознать деталь
Уважаемый, а можно узнать в чем хамство? В том, что задаю наводящие вопросы, для того что бы разобраться?SNOOPER писал(а): Хамим, парниша
- Delika379
- Сообщения: 1579
- Зарегистрирован: 17 сен 2008, 21:33
- Двигатель:: D4 2,4TD
- Мой автомобиль(и):: Volvo xc70
- Откуда: Москва - Куркино
- Откуда: Москва-Куркино
- Благодарил (а): 6 раз
- Поблагодарили: 45 раз
- Контактная информация:
Re: Помогите опознать деталь
Судя по фото и глядя на торчащие носки ваших туфель, радиатор ну никак не с пачку сигарет. Фото плиз в студию рядом с пачкой сигарет...panter писал(а):Устанавливается под обшивку в багажнике? Размером примерно с пачку сигарет
PAJERO IV 3.0 2008г.в АРАБ. Продан.
Евгений
Евгений
-
panter
- Сообщения: 25
- Зарегистрирован: 20 июн 2011, 08:26
- Двигатель:: 6G72, Бензин
- Мой автомобиль(и):: MMC P4
- Благодарил (а): 2 раза
Re: Помогите опознать деталь
Да в том то и дело, что фото не мое, а с инета взятое. Свою деталь сфотать к сожалению не могу, т.к. была утеряна в результате снятия обшивки багажника и демонтажем всего остального, что было под ней.Delika379 писал(а):Судя по фото и глядя на торчащие носки ваших туфель, радиатор ну никак не с пачку сигарет. Фото плиз в студию рядом с пачкой сигарет...panter писал(а):Устанавливается под обшивку в багажнике? Размером примерно с пачку сигарет
Если не брать в расчет предоставленное фото, то деталь находилась над печкой под обшивкой багажника, прикрученная к заднему лонжерону.
- Delika379
- Сообщения: 1579
- Зарегистрирован: 17 сен 2008, 21:33
- Двигатель:: D4 2,4TD
- Мой автомобиль(и):: Volvo xc70
- Откуда: Москва - Куркино
- Откуда: Москва-Куркино
- Благодарил (а): 6 раз
- Поблагодарили: 45 раз
- Контактная информация:
Re: Помогите опознать деталь
Ну раз утеряна и все работает -значит нафих не нужная.ИМХО.
А вообще смахивает на колхоз...На своем Арабском 3ех литровом скакуне разбирал обшивку,ничего похожего не находил:)
А вообще смахивает на колхоз...На своем Арабском 3ех литровом скакуне разбирал обшивку,ничего похожего не находил:)
PAJERO IV 3.0 2008г.в АРАБ. Продан.
Евгений
Евгений
-
panter
- Сообщения: 25
- Зарегистрирован: 20 июн 2011, 08:26
- Двигатель:: 6G72, Бензин
- Мой автомобиль(и):: MMC P4
- Благодарил (а): 2 раза
Re: Помогите опознать деталь
Да в том то и дело, что пока не работает, стоит разобранный, собирать надо, вот и ломаю голову.Delika379 писал(а):Ну раз утеряна и все работает -значит нафих не нужная.ИМХО.
А вообще смахивает на колхоз...На своем Арабском 3ех литровом скакуне разбирал обшивку,ничего похожего не находил:)
Про колхоз и мне так показалось.
Ну раз у Вас на Арабе ничего не стояло, то и на моем ничего не должно быть.
Спасибо всем, кто откликнулся.
Тему можно сносить.
- Delika379
- Сообщения: 1579
- Зарегистрирован: 17 сен 2008, 21:33
- Двигатель:: D4 2,4TD
- Мой автомобиль(и):: Volvo xc70
- Откуда: Москва - Куркино
- Откуда: Москва-Куркино
- Благодарил (а): 6 раз
- Поблагодарили: 45 раз
- Контактная информация:
Re: Помогите опознать деталь
А у вас случайно фаркоп не стоит???? Можно Фото разобранной арки,где стояла эта запчасть? и какие там нибудь,шлангочки или шланги, может провода не болтаются лишние???
PAJERO IV 3.0 2008г.в АРАБ. Продан.
Евгений
Евгений
- Delika379
- Сообщения: 1579
- Зарегистрирован: 17 сен 2008, 21:33
- Двигатель:: D4 2,4TD
- Мой автомобиль(и):: Volvo xc70
- Откуда: Москва - Куркино
- Откуда: Москва-Куркино
- Благодарил (а): 6 раз
- Поблагодарили: 45 раз
- Контактная информация:
Re: Помогите опознать деталь
Вот что стоит у араба сзади справа. Что нибудь знакомое есть???
PAJERO IV 3.0 2008г.в АРАБ. Продан.
Евгений
Евгений
- liss1975
- Сообщения: 1758
- Зарегистрирован: 02 окт 2010, 17:39
- Двигатель:: бензин 3.0
- Мой автомобиль(и):: паджеро 4
- Откуда: Москва
- Откуда: Россия-Москва
- Благодарил (а): 9 раз
- Поблагодарили: 102 раза
- Контактная информация:
Re: Помогите опознать деталь
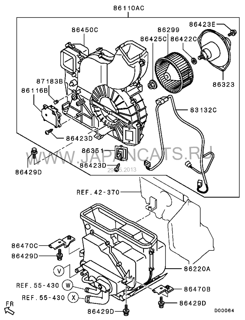
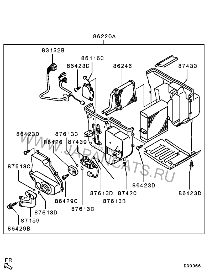
В нижней части корпуса есть радиатор который идет на заднюю печку и кондиционер. Размером примерно 10 на 10 см.
Место нахождения нарисовал на рисунке ниже...
Место нахождения нарисовал на рисунке ниже...
PAJERO IV 3.0 2010 г.в Николай
______________________________________________
Говорят за твоей спиной — значит, ты впереди.
Обсуждают твою жизнь — значит, она интересней их.
Пытаются найти недостатки —значит, завидуют.
______________________________________________
Говорят за твоей спиной — значит, ты впереди.
Обсуждают твою жизнь — значит, она интересней их.
Пытаются найти недостатки —значит, завидуют.
- SNOOPER
- Модератор
- Сообщения: 57430
- Зарегистрирован: 11 дек 2004, 19:49
- Двигатель:: 4D56
- Мой автомобиль(и):: NewMPS
- Откуда: 78
- Откуда: Spb
- Благодарил (а): 1027 раз
- Поблагодарили: 4785 раз
Re: Помогите опознать деталь
Как найдёте фотку Вашей детали, так и будем опознавать.panter писал(а):
Да в том то и дело, что фото не мое, а с инета взятое.
За сим закрываю.
